Hallo zusammen! Ich bin noch Einsteiger in diesem Gebiet und ich hab mal versucht nach ein paar Youtube Videos, eine ganz einfache 3-Kanal LED-Lichtorgel zu mit Paint zu zeichnen. Ich möchte die hinter einen Audioverstärker für zwei Breitbänder einbauen. Könnt Ihr vielleicht mal drüber schauen und mir Eure Meinung dazu sagen? Wird das überhaupt funktionieren, was ich da zusammengebastelt habe? Vielen Dank für eure Hilfe Felix
Hmmm, die LEDs gehören mit Vorwiderständen zumindest in die Kollektorleitungen der Transistoren. Die Kondensatoren (sollen ja wohl zur Frequenztrennung dienen) müssten mit passenden Widerständen (RC-Glied) an die Basen. Ein Transistor, der nicht galvanisch am Emitter einen (Gleich)Strompfad nach Masse hat ist einigermaßen sinnlos. Ein Kondensator trennt diesen Gleichstrompfad! Nach welcher YT-Quelle hast Du denn gezeichnet (Link?) Old-Papa
Hallo Felix, schau doch mal hier: http://www.b-kainka.de/bastel85.htm Wenn du direkt am Kondensator 1µF einspeist kannst du den Vorverstärker weglassen. changman
laut "Farben-Theorie" wird PLUS meistens rot gezeichnet, und MINUS meistens blau. Bei deinem kunstvollen Schaltplan ist es genau anders herum ...
@Felix schau mal hier -> http://www.ps-blnkd.de/Lichtmusik.pdf Das ist zwar schon Jahrzehnte her, aber vielleicht hilfst Dir ... Weiteres kannst Du auf http://www.ps-blnkd.de/ZeitschrVer.htm nachlesen oder stöbere doch einfach mal auf meiner HP http://www.ps-blnkd.de. Grüsse aus Berlin PSblnkd
Peter S. schrieb: > @Felix > schau mal hier -> http://www.ps-blnkd.de/Lichtmusik.pdf > Das ist zwar schon Jahrzehnte her, aber vielleicht hilfst Dir ... > Weiteres kannst Du auf http://www.ps-blnkd.de/ZeitschrVer.htm nachlesen > oder stöbere doch einfach mal auf meiner HP http://www.ps-blnkd.de. > > Grüsse aus Berlin > > PSblnkd [OT] http://www.ps-blnkd.de/Gitarrenelektronik.pdf Schön war's. Möchte ich mal "Danke" gesagt haben, nach über 40Jahren... [/OT] StromTuner
Felix schrieb: > Wird das überhaupt funktionieren, was ich da zusammengebastelt habe? Nein. Felix schrieb: > Eure Meinung dazu sagen? Ist zwar nett als Einsteigerschaltung, aber besser mal eine Schaltung angucken die von jemandem stammt, der es schon kann. Dein 'Daten' Musiksignal schliesst du für hohe Frequenzen erst mal mit 0.1uF unten kurz, was dann übrig bleibt darf durch die grüne LED den unteren Transistor aktivieren, der dann deine Batterie kurzschliesst und kaputt geht. Die anderen Transistoren kommen erst gar nicht zum Zuge (es sei denn die rote LED ist mit deuglich weniger Spannung, z.B. 1.6V zufrieden als die grüne mit 2.1V). Das hast du sicher nicht so gewollt. Es sind so viele Fehler drin, dass nach dem Korrigieren nichts übrig bleibt. LEDs leuchten proportional zum Strom. Man braucht also gesteuerte Stromquellen. Die wollen keine Musik, sondern ein gleichgerichtetes gefiltertes sogenanntes Hüllkurvensignal. Das stammt aus 3 Filtern die die Frequenzen des Musiksignals trennen. Dazu kann man durchaus Hoch/Band/Tiefpassfilter 1. Ordnung passiver Bauart verwenden, wenn man mit verstärktem Audio reinkommt.
Mr.Tom schrieb: > Das würde ich sein lassen, Lichtorgeln sind so 80er Essen und kleiden auch. Das haben wir auch schon in den 80ern gemacht, unbedingt sein lassen! Old-Papa
Youtube Videos sind erfahrungsgemäß eine schlechte Quelle für Bauanleitungen. Ich habe schon einige ausprobiert aber sie sind alle misst. Kennst du schon den "Hack", Schnittrosen in Kartoffeln zu stecken und einzupflanzen? Klingt super, funktioniert aber auch garantiert nicht, trotz der beeindruckenden Videos. Oder die Smartphone-Killer Lichtorgel mit nur einem Transistor? Bedenke, daß viele Youtuber auf eine hohe Klick-Zahl hoffen, um Geld zu verdienen. Manche Leute schämen sich nicht, dazu schlecht Tipps und gefälschte Aufnahmen einzustellen. Manche gehen sogar über Leichen, sie ziehen ihr Video nichtmal zurück, nachdem viele ihr Smartphone aufgrund des Videos gegrillt haben. Meine Tipps sind auch nicht immer 100% sauber, aber ich mache das nicht in böser Absciht und verdiene mit meiner Homepage auch kein Geld. Ganz im Gegenteil, ich bezahle jährlich 50 Euro, damit meine Seite Werbefrei ist. Außerdem korrigiere ich Fehler, wenn sie gemeldet werden.
Ha, der Kollege Kania hat schonmal genau das zu Papier gebracht, was ich oben mit meinem Gestammel versuchte zu erklären. Je nach LEDs müssten Spannung, Vorwiderstände und Transistoren (kühlen!) angepasst werden. Erwarte davon aber keine Wunder, die Tiefen, Mitten und Höhen sind nicht besonders scharf getrennt. Zum angeben im Partykeller reicht das aber ;-) Die Farben sollte man aber ändern: Rot = Tiefen, grün = Mitten und blau = Höhen. Das entspricht eher dem menschlichen Empfinden. Old-Papa
Stefan U. schrieb: > Tiefe Töne sind rot? Faszinierend. Nein. Tiefe Töne sind grün. Der Tiefpass ist der obere Transistor mit den davorgeschalteten 10k und 100nF nach Masse!
Stefan U. schrieb: > Tiefe Töne sind rot? Faszinierend. Analog zur Wellenlänge ;-) Also Ja. Aber es muss ja nicht. Ach Du grüne Neune schrieb: > Nein. Tiefe Töne sind grün. Der Tiefpass ist der obere Transistor mit > den davorgeschalteten 10k und 100nF nach Masse! In der vorgestellten Schaltung ja. Du hast aber meinen Post nicht verstanden. Old-Papa
Wenn man in den Emitter noch einen kleinen Widerstand eibaut, schalten die LEDs nicht ganz so hart. Kann man ja mal mit spielen. StromTuner
Axel R. schrieb: > Wenn man in den Emitter noch einen kleinen Widerstand einbaut ...dann werden die RC-Filter aber nicht mehr durch den Transistor niederohmig belastet und funktionieren dann nicht mehr frequenzabhängig, was aber bei einer Lichtorgel erforderlich ist. Früher in den 80ern wurden die Glühlampen für die Lichtorgel mit Triacs hart geschaltet, je härter um so besser sieht es aus.
Ach Du grüne Neune schrieb: > Früher in den 80ern > wurden die Glühlampen für die Lichtorgel mit Triacs hart geschaltet, je > härter um so besser sieht es aus. .... und je mehr hat sich der Kollege am Mischpult (manchmal ich) in den Ar*** gebissen. Je härter geschaltet, desto mehr Störungen! Vor allem bei Thyristoren und Triacs. Nein, die Lampen wurden eher weich geschaltet, dazu wurden sie (bei meinen Eigenbauten) immer leicht vorgeglüht. Das war der Lebensdauer vom Glühobst dienlich und schneller waren sie dadurch auch ;-) Old-Papa
Ach Du grüne Neune schrieb: > Früher in den 80ern wurden die Glühlampen für die Lichtorgel > mit Triacs hart geschaltet, je härter um so besser sieht es aus. Nope. Früher wurden Glühlampen vorgeheizt, damit sie überhaupt schnell genug an gingen. Sie waren in der Lichtorgel also nie ganz aus, sondern glimmten immer vor sich hin. Und es machte schon Sinn, bei lauteren Tönen die Lampe heller, also mit grösserem Phasenwinkel, zu betreiben, sonst wären nämlich meist alle Lampen ganz an gewesen (ausser in den Pausen) - wahrlich keine lichtorgel.
Mr.Tom schrieb: > Das würde ich sein lassen, Lichtorgeln sind so 80er Dieses frequenzabhängige mehrkanalige Geflimmer wirkt heutzutage in der Tat absolut vorgestrig und pubertär. Angesagt sind jetzt die unter-schiedlichsten Lichteffekte, die ausschliesslich präzise vom Takt der Musik getriggert werden.
Ok vielen Dank für eure ganzen Tipps und Ideen. Ja wie gesagt ich kenn mich da noch nicht so aus. Ich werd dann mal meinen alten Schaltplan wegschmeißen und es noch einmal versuchen :)
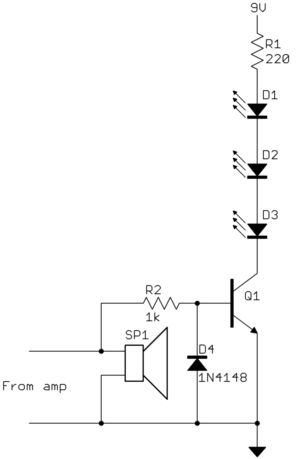
Da bin ich noch einmal. Also jetzt mal rein theoretisch ich hab da eine ganz einfache Zeichnung gefunden für eine Musik LED. Das ist dann zwar keine Lichtorgel mehr aber ich könnte dann einfach eine 12V Lichterkette anschließen und die würde im Rhythmus leuchten... müsste ich da noch irgendwas beachten. Für mein Projekt würde solch eine einfachere Beleuchtung vollkommen ausreichen. Danke für eure Rückmeldung Felix
Felix schrieb: > Also jetzt mal rein theoretisch ich hab da eine > ganz einfache Zeichnung gefunden für eine Musik LED. Das ist dann zwar > keine Lichtorgel mehr aber ich könnte dann einfach eine 12V Lichterkette > anschließen und die würde im Rhythmus leuchten... Eine Lichterkette wohl niemals, eher würde der Transistor (soll wohl einer sein) "leuchten" > müsste ich da noch irgendwas beachten. Ja, dass Du genügend Nachschub an Handys oder an was auch immer du das anstöpseln möchtest, hast. Der Trend scheint zum Flatrat-Handy zu gehen (jeden Tag ein neues....) Old-Papa
Felix schrieb: > Da bin ich noch einmal. Also jetzt mal rein theoretisch ich hab da eine > ganz einfache Zeichnung gefunden für eine Musik LED. Freitag ist übermorgen! Dann bist Du dran :-)
> Da bin ich noch einmal. > Beitrag Beitrag "Re: Einfache Lichtorgel bauen" Das ist genau die Schaltung, die du NICHT bauen sollst. Damit haben schon einige Leute ihr Smartphone gekillt. Ich hatte dazu den Auto angeschrieben, under antwortete Sinngemäß "Ist mir doch scheiß egal, Hauptsache die Klickraten sind gut". Wenn du aus Versehen den Transistor verpolst oder sonstwie überlastet, kann der Eingang zum Ausgang werden undd ann kommen da fast volle 12V raus. Rate mal, wie dein Smartphone das mag. Oder deine sonstige Signalquelle. Ach Du grüne Neune hat wenigstens noch einen Widerstand (R2) hinzugefügt, der deine Signalquellen vor dem Schlimmsten beschützt. So ist es besser. Dennoch ist die Schaltung Käse. Sie taugt nur für ein kurzen Aha Effekt für den Elektronik-Experimente-Adventskalender. Mehr nicht. Du wirst sehen.
Hier ist doch schon ein fertiger brauchbarer Schaltplan: Beitrag "Re: Einfache Lichtorgel bauen" Der einzige Haken - es ist kein Youtube Video, sondern ein Schaltplan. Da musst du jetzt durch.
Matthias S. schrieb: > Da musst du jetzt durch. Die Schaltung dauert beim Aufbauen zu lange. Es muss schnell gehen und ein paar Lichtblitze reichen auch aus, die müssen nicht unbedingt frequenzabhängig sein. Hauptsache hell und ganz viel davon und billig. Danach geht's fluxartig zum nächsten Projekt. :D
Felix schrieb: > Also jetzt mal rein theoretisch ich hab da eine > ganz einfache Zeichnung gefunden für eine Musik LED DAs ist schön, ne, Ich habe auch eine einfache Zeichnung gefunden von Mona Lisa.
Michael B. schrieb: > Ich habe auch eine einfache Zeichnung gefunden von Mona Lisa. Die ist aber sehr einfach gehalten, die markanten Merkmale von der Mona Lisa sind bis auf's Minimum von Dir reduziert worden. Und trotzdem kann jeder noch deutlich eine Mona Lisa auf dem Dance Floor erkennen, faszinierend. :)
Michael, ich glaube Deine Mona Lisa wird gleich vom Moderator gelöscht. Hier schnell nochmal die echte Mona Lisa zum Vergleich, ist schon ein bisschen aufwändiger gezeichnet. Deswegen habe ich auch in gewisser Weise Verständnis für den TO, weil er mit seiner einfachen Schaltung ein schnelles Erfolgserlebnis bekommt. Das kann auch wichtig sein.
Auf dem Auge von Mona Lisa steht sogar noch der Da-Vinci-Code drauf. Ich kann ihn aber selbst bei starker Vergrößerung des Bildes, leider nicht vernünftig entziffern. Schade. :/
Bitte melde dich an um einen Beitrag zu schreiben. Anmeldung ist kostenlos und dauert nur eine Minute.
Bestehender Account
Schon ein Account bei Google/GoogleMail? Keine Anmeldung erforderlich!
Mit Google-Account einloggen
Mit Google-Account einloggen
Noch kein Account? Hier anmelden.






