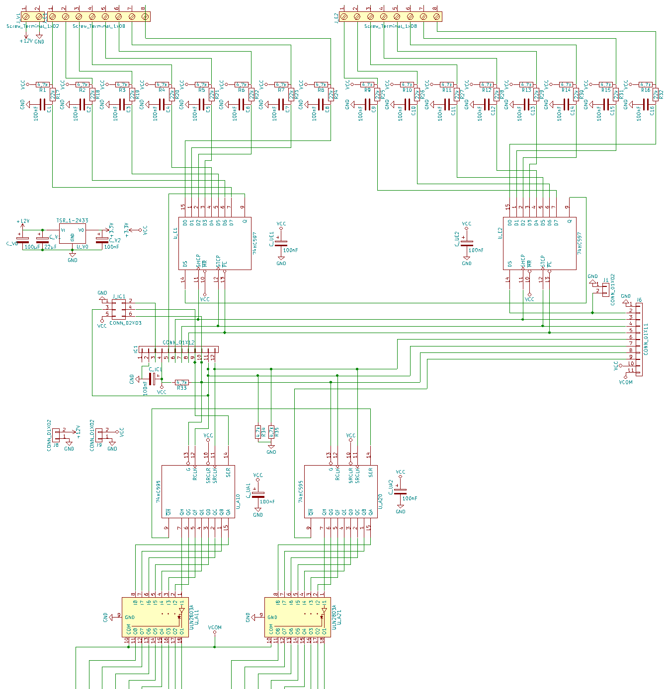
Guten Abend zusammen! Ich bastle derzeit an einer Schaltung für einen Microcontroller und je zwei Eingangs- und Ausgangsschieberegister. Inzwischen habe ich Schaltplan und Layout so weit, dass ich eine Diskussion anstoßen möchte, was ich noch verbessern kann. Der Fokus liegt auf der Platine (s. Layout.png). Der Schaltplan (Schaltplan.png) ist vor allem zur Information angehängt. Zum Verständnis ein paar Informationen: - Die Schaltung wird links oben an zwei Klemmen mit z.B. 12V versorgt. Auf dem Weg zum z.B. 3.3V Spannungsregler ist Platz für zwei Kondensatoren falls benötigt. Auch hinter dem Regler ist bei Bedarf Platz für einen Kondensator. - Oben sind weiter 2*8 Klemmen für Taster, welche über PullUps auf VCC liegen und über RC Glieder an die Eingänge von zwei Schieberegistern 74HC595 gehen. Die Schieberegister haben je einen Abblockkondensator. - Darunter liegen die Steuer- und Datenleitungen der Schieberegister. Nach rechts ist ein Anschluss zur Erweiterung der Platine. Der Eingang des letzten ‘595 kann per Jumper fest auf GND gesetzt werden. - Die Steuer- und Datenleitungen der Schieberegister gehen links mittig auf eine Buchsenleiste für einen Arduino mini Klon. Ein 2*6 Anschluss für ISP Programmierung liegt links darunter. - Rechts neben dem ISP Anschluss liegen die Ausgangsregister, auch jeweils mit Kondensatoren. Die Ausgänge gehen auf Relaistreiber ULN2803A und dann auf 2*8 Klemmen an der Unterseite. Die erste Klemme von links unten ist für die Freilaufdioden. - Die Platine kommt in ein 100mm Hutschienengehäuse in einer Unterverteilung. Ich weiß nicht, was ihr noch für Informationen braucht, aber ich hoffe, damit ist das Wesentliche erklärt. Danke im Voraus für Anregungen und Kritik. Aber bitte nicht zu hart sein, es ist mein erstes Layout ;-) Viele Grüße, Michael
Auf die schnelle drei Punkte: 1. Die Vias erscheinen mir recht klein bzw. der Restring sieht recht klein aus. Am besten mal beim Fertiger nachschauen ob seine Design-Rules mit deinen übereinstimmen. 2. Das fluten der grünen Lage erscheint mir nicht sinnvoll, da die Verbindung der Masse durch die vielen horizontalen Leitungen nicht (direkt) gegeben ist. Entweder die Rote Lage fluten, beide Lagen fluten und über Vias alle paar cm miteinander verbinden oder gar nichts fluten (sollte bei der Schaltung auch kein Problem darstellen). 3. Befestigungslöcher fehlen. Ist evtl. gewollt da die Platine anders befestigt wird und das bereits berücksichtigt hast. Wird aber auch gerne vergessen. Edit: 4. Die Leiterbahnen an den Ausgängen von U_E2 sind bestimmt zu dünn.
Hallo zusammen! Und Danke für die schnellen Antworten :) Kevin S. schrieb: > 1. Die Vias erscheinen mir recht klein bzw... Danke für den Hinweis, werde ich prüfen. > 2. Das fluten der grünen Lage erscheint mir nicht sinnvoll... Es sollte kein Problem sein, auch den Top Layer mit Massefläche auszustatten. Habe hier keine Ahnung, außer, dass ich gelesen habe, man soll Massefläche machen. Daher mache ich lieber eine, auch wenn ich sie nicht brauche, als hinterher keine zu haben, obwohl ich eine brauche. > 3. Befestigungslöcher fehlen... Befestigungslöcher brauche ich keine, die Platine hält von allein im Gehäuse (spätestens, wenn Kabel an den Klemmen sind). Ist aber dennoch ein guter Hinweis, werde ich hinzufügen. Platz ist ja da und vielleicht braucht man doch irgendwann welche. > Edit: 4. Die Leiterbahnen an den Ausgängen von U_E2 sind bestimmt zu > dünn. Die Leiterbahnen dort sind 0.25mm (wie auch am 6-Pol Wannenstecker). die Darstellung ist da leider nicht proportional. Am U_E2 habe ich sie vergessen mit 0.5mm nachzuziehen, am Wannenstecker komme ich sonst nicht zwischen den Pins durch. Hier könnte ich die Pads aber auch noch ovalisieren, dann komme ich wahrscheinlich auch mit 0.5mm durch. Viele Grüße, Michael
Michael W. schrieb: > am Wannenstecker > komme ich sonst nicht zwischen den Pins durch. Du mußt doch auch gar nicht durch, oder sehe ich das falsch? Einfach rechts vorbei gehen und anschließen.
Michael W. schrieb: > Es sollte kein Problem sein, auch den Top Layer mit Massefläche > auszustatten. Habe hier keine Ahnung, außer, dass ich gelesen habe, man > soll Massefläche machen. Daher mache ich lieber eine, auch wenn ich sie > nicht brauche, als hinterher keine zu haben, obwohl ich eine brauche. Das Problem ist, dass eine schlecht/falsch angebundene Massefläche ebenfalls Probleme verursachen kann (evtl. sogar mehr als komplett ohne). Wie bereits gesagt ist es bei deiner Schaltung aber unkritisch, da keine schnellen/steilflankigen Signale vorhanden sind. Denke trotzdem daran, wenn du auf beide Seiten eine Massefläche anlegst, beide über ausreichend Vias zu verbinden.
Michael W. schrieb: > Habe hier keine Ahnung, außer, dass ich gelesen habe, man > soll Massefläche machen. Daher mache ich lieber eine, auch wenn ich sie > nicht brauche, als hinterher keine zu haben, obwohl ich eine brauche. Tja, wenn man nichts weiß, aber viel glaubt, kommt so was dabei heraus. Auf Masseflächen verzichten, wenn es technisch nicht erforderlich ist. Sehen die Moderatoren hier meist genau so. Ist nur ne Mode, weil das CAD-Programm es ja kann. Michael W. schrieb: > Befestigungslöcher brauche ich keine, die Platine hält von allein im > Gehäuse (spätestens, wenn Kabel an den Klemmen sind). Ist aber dennoch > ein guter Hinweis, werde ich hinzufügen. Platz ist ja da und vielleicht > braucht man doch irgendwann welche. Dann nimm Schienen, wenn du nicht möchtest, dass deine Lötstellen, an denen die Kabel hängen, brechen. Wäre nur eine Frage der Zeit.
Guten Morgen zusammen! Vielen Dank für die weiteren Rückmeldungen :) Cerberus schrieb: > Tja, wenn man nichts weiß, aber viel glaubt, kommt so was dabei heraus. Mag sein, dass es nur mein persönlicher Eindruck ist, aber der Kommentar wirkt schon etwas herablassend :( Falls das nicht so gemeint ist, wovon ich einfach mal ausgehe, hilft gegen diese Art von Informationsverlust bei non-verbaler Kommunikation z.B. ein ;-) > Auf Masseflächen verzichten, wenn es technisch nicht erforderlich ist. > Sehen die Moderatoren hier meist genau so. Kevin S. schrieb: > Das Problem ist, dass eine schlecht/falsch angebundene Massefläche > ebenfalls Probleme verursachen kann... Weglassen ist natürlich noch einfacher, als beidseitig. Das Thema scheint aber auch ein bißchen eine Philosophiefrage zu sein. Mal liest man "immer viel Massefläche", jetzt dagegen "brauchst du nicht, schadet sogar". Ist wohl nichts, wo pauschale Aussagen gelten, sondern kommt auf den Einzelfall an. Wenn ihr sagt "brauche ich hier nicht", lasse ich sie auch gerne weg. Cerberus schrieb: > Dann nimm Schienen, wenn du nicht möchtest, dass deine Lötstellen, an > denen die Kabel hängen, brechen. Wäre nur eine Frage der Zeit. Die Platine sitzt in einem Hutschienengehäuse, welches natürlich auf Hutschiene sitz. Die Platine hängt natürlich nicht an den Kabeln in der Luft. Die Kabel fixieren die Platine lediglich im Gehäuse. Hinsichtlich mechanischer Schäden mache ich mir keine Sorgen. Das ist eine vollständig ruhende Belastung. Es wird auch nicht ständig an den Klemmen rumgefummelt. Nichts desto trotz, wie schon geschrieben, werde ich noch Befestigungsbohrungen vorsehen. Tippgeber schrieb: > Du mußt doch auch gar nicht durch, oder sehe ich das falsch? Einfach > rechts vorbei gehen und anschließen. jz23 schrieb: > Am Wannenstecker kannst du doch auch außenrum gehen? Stimmt, habe ich übersehen. Ich bin ursprünglich auch außen rum gegangen, dann aber zwischen den Pins durch, für mehr Massefläche. Unnötig, wie ihr mich belehrt habt... Werde ich entsprechend ändern. Danke nochmal für die vielen Hinweise und Anregungen :) Viele Grüße, Michael
Michael W. schrieb: > Aber bitte nicht zu hart > sein, es ist mein erstes Layout ;-) Sind die User hier zu hart, bist du nur zu schwach. Mehr steckt nicht dahinter.;-b Michael W. schrieb: > Mag sein, dass es nur mein persönlicher Eindruck ist, aber der Kommentar > wirkt schon etwas herablassend :( Falls das nicht so gemeint ist, wovon > ich einfach mal ausgehe, hilft gegen diese Art von Informationsverlust > bei non-verbaler Kommunikation z.B. ein ;-) Das ist hier nun mal kein Streichelzoo. Was glaubst du, warum gelegentlich so mancher Thread zerrissen wird?
Cerberus schrieb: > Das ist hier nun mal kein Streichelzoo. Was glaubst du, warum > gelegentlich so mancher Thread zerrissen wird? Ich habe hier reichlich Beiträge gelesen und mir die Frage auch ab und an gestellt. Oft ist es klar, nach dem Motto "dumme Frage dumme Antwort", oder dem Fragesteller fehlten zu viele Grundlagenkenntnisse, dass auch Erklärungen keinen Sinn machen. Hin und wieder war mir das aber nicht wirklich ersichtlich. Insgesamt habe ich aber schon auch den Eindruck, dass der Ton hier in diesem Forum durchaus etwas rauer ist als woanders. Aber vielleicht sind die Elektroniker einfach ein bisschen härter im Umgang miteinander...
Über die Platine fließen keine großen Ströme und Kühlung ist auch kein Thema. Die Masserfläche brauchts nicht. Lieber eine dicke GND Rail legen und alles Sternpunkt-artig mit GND verbinden. Wenn ein Fehler in deinem Layout ist, ist es ungleich schwerer den per Hotfix zu lösen, wenn alles voll mit GND ist.
Michael W. schrieb: > Das Thema scheint aber auch ein bißchen eine Philosophiefrage zu sein. > Mal liest man "immer viel Massefläche", jetzt dagegen "brauchst du > nicht, schadet sogar". Ist wohl nichts, wo pauschale Aussagen gelten, > sondern kommt auf den Einzelfall an. Wenn ihr sagt "brauche ich hier > nicht", lasse ich sie auch gerne weg. Das hat nichts mit Philosophie oder Glauben zu tun sondern mit normaler Physik. Viele Anfänger (und vermeintliche Fortgeschrittene) machen sich keinen Kopf um die Masse-Verbindungen und sagen sich "Ach, flute ich nachher eh alles mit Masse". Das erste Problem, was gerne auftritt, ist schlicht das, dass so gerne mal ein winziges "Nadelöhr" entsteht, was zu einem höheren Spannungsabfall und damit einer Masseverschiebung führen kann. Bei schnelleren Signalen bzw. steilen Flanken neigt aber der Strom nicht mehr dazu, den kürzesten Weg zurück zu nehmen sondern den gleichen Weg, wie er hin geflossen ist. Darüber hinaus können durch das große Fluten auch schöne Antennen entstehen, wenn zwei Leiterbahnen parallel laufen aber weit genug auseinander liegen, damit der Zwischenraum noch mit Masse geflutet wird. Soetwas kann eine schöne Antenne werden. Klar, bei dir sollten diese Dinge bei dir nicht sonderlich relevant sein - aber ich wollte dir damit ein paar Aspekte anreißen und zeigen, dass es nichts Philosophie zu tun hat.
@ Michael W. (neuer_nutzer) >Insgesamt habe ich aber schon auch den Eindruck, dass der Ton hier in >diesem Forum durchaus etwas rauer ist als woanders. Wo denn? Im Häckelforum? > Aber vielleicht sind >die Elektroniker einfach ein bisschen härter im Umgang miteinander... Gelobt sei, was HART macht ;-)
@ Fabian F. (fabian_f55) >> Gelobt sei, was HART macht ;-) >Daten mit Strom übertragen? Scherzkeks! ;-) https://de.wikipedia.org/wiki/Highway_Addressable_Remote_Transducer
Michael W. schrieb: > ... was ich noch verbessern kann. Kaum ein Fertiger wird deinen Bestückungsdruck so realisieren können. Mindestens werden Überschneidungen mit Pads weg maskiert. Von deinen ganzen Wertangaben bleibt dann nicht viel übrig - zumindest nichts vernünftig lesbares. Michael W. schrieb: > Die Leiterbahnen dort sind 0.25mm (wie auch am 6-Pol Wannenstecker). die > Darstellung ist da leider nicht proportional. Da hilft vielleicht eine höhere Auflösung bei der Ausgabe. Wenn das Bild einen Faktor 2 vergrößert erscheint, tut das der Lesbarkeit noch keinen Abbruch.
Bitte melde dich an um einen Beitrag zu schreiben. Anmeldung ist kostenlos und dauert nur eine Minute.
Bestehender Account
Schon ein Account bei Google/GoogleMail? Keine Anmeldung erforderlich!
Mit Google-Account einloggen
Mit Google-Account einloggen
Noch kein Account? Hier anmelden.

