Hallo nette Forumsmitglieder. Ich wollte einen alten Stroboskop nicht wegwerfen, habe den auch zum "Schwingen" gebracht, indem ich den Leitsungstransistor und den kleinen 103er Kondensator daneben mit ersetzt habe. An den Punkt 1 und 2 (Gasentladungsröhre) habe ich 200V- nach ca. zwei Sekunden. Höher geht es einfach nicht. Leider habe ich keinen Ossziloskop um den Schwingkreis besser einsehen zu können. Kann mir vielleicht Jemand einen Tipp geben, warum die Leistung so gering ist. Ich tippe auf den älteren Kondensator, aber der hält die 200V- und entlädt sich selbst auf 0V- nach ca. 45 Sekunden. Oder reichen die 200V- aus, wird die Zündung vielleicht nicht initiiert? Vielen Dank im Voraus.
Hallo, welche Daten (Kapazität/Spannung) hat der Blitzelko (der große im Bild)? 200V sind zuwenig. Wenn das Teil lange genug ungenutzt rumgelegen hat ist der Reststrom des Blitzelkos stark angestiegen, darauf deutet auch die recht schnelle Entladung in 45s hin. Der Elko muß neu formiert werden. Das kann durchuas auch mit den Stroboskop-Wandler gehen, wenn der es durchhält. Spannung am Elko messen, Stroboskop anlassen und abwarten. Wenn nach einigen Minuten die Spannung langsam ansteigt eben laufen lassen. Da der Zündkondensatur ein 400V-Typ ist, vermute ich den Elko mit 350V und die nötige Spannung bei 320-330V. Ansonsten bleibt nur, den Blitzelko zu wechseln. Pollin hatte da immer was: https://www.pollin.de/p/camion-photo-flash-100-f-330-v-10-stueck-210686 Falls die Spannung für die Blitzröhre höher sein muß (450-480V war üblich), wird es vermutlich schwierig, einen Elko zu finden. Es muß ein "Blitz-Elko" sein, nur diese sind für die hohen Impulsströme ausgelegt, die bei gezündeter Röhre auftreten. Gruß aus Berlin Michael
Was man bei derart alten Geräten auch bedenken sollte: Die Blitzröhre kann durch intensiven Betrieb verbraucht sein. D.h. man "hört" die Zündversuche, aber die Röhre gibt kein Licht ab. Da hilft dann nur Röhre tauschen.
Hallo erstmal und vielen Dank für die Tipps. Ich habe es mal eine Stunde laufen lassen 315V- max. Den Versuch der Zündung habe nicht hören können. Habe die Daten des Elkos: Niebuhr ELYT 100mikroF 350V-, der von Pollin hat 330V-. DummDiodenFrage: Kann man zwei (Pollin) 200mikroF in Reihe schalten, um 100mikroF und 660V- zu bekommen? Habe noch etwas im Netz gefunden, könnte man diesen nehmen? Oder ist es kein spezieller für Gasentladungslampen. https://www.reichelt.de/Elkos-axial/AX-100-350/3/index.html?ACTION=3&LA=2&ARTICLE=4489&GROUPID=3142&artnr=AX+100%2F350&SEARCH=%252A Hier gibt es alles, nur kein Impressum :) http://www.xenonflashtubes.com Gruss Endritsch.
Endritsch G. schrieb: > > Ich habe es mal eine Stunde laufen lassen 315V- max. Das sit soweit ok, ähnliches messe ich hier an einer bauähnlich Blitzlampe auch. > Den Versuch der Zündung habe nicht hören können. Dieser kommt hier bei mir alle ca. 1,5 Sekunden. Aber natürlich löst hier zeitgleich die Röhre aus. > > Habe die Daten des Elkos: > Niebuhr ELYT 100mikroF 350V-, > der von Pollin hat 330V-. Wäre beides vom spannungsniveau ok. Auf meinem teht "photo flash", d.h. für Blitzlampen Entladung geeignet. > > DummDiodenFrage: Kann man zwei (Pollin) 200mikroF in Reihe schalten, um > 100mikroF und 660V- zu bekommen? Kann man, erhält man -- aber ist nicht für diese Anwendung nötig. 330V sind ok. Wie schon oben geschreiben, ich hatte ähnlich gelagerte Fälle -- erst mit dem Tausch der Entladungsröhre lief es wieder. D.h. solltest Du ggfs. bei Pollin o.ä. gleich mitbestellen.
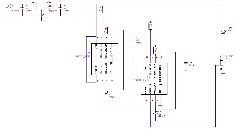
Leider habe ich keine 5Joule Entladungsröhre im Net gefunden. Daher denke ich über eine LED Lösung nach, habe mal einen Plan gemacht, vielleicht hilft es Jemanden. Nach meiner Vorstellung soll es paar mal Blinken dann eine Pause machen und wieder Blinken.
Ja, man muß halt 2 Minuten suchen um etwas Passendes zu finden. ebay Nr. 192255855230 wäre für Deine Anwendung passend.
Vielen Dank, genau dieses Teil brauche ich, mein Fehler war überall nach "Gasentladung/Lampe/Röhre" zu suchen.
Beitrag #5136410 wurde von einem Moderator gelöscht.
Bitte melde dich an um einen Beitrag zu schreiben. Anmeldung ist kostenlos und dauert nur eine Minute.
Bestehender Account
Schon ein Account bei Google/GoogleMail? Keine Anmeldung erforderlich!
Mit Google-Account einloggen
Mit Google-Account einloggen
Noch kein Account? Hier anmelden.


