Hallo Zusammen, ich habe hier mal eine Frage an alle BOSE Soundlink MINI 2 Besitzer. Meine Box hat vor ein paar Tagen den Geist aufgegen. Sie lässt sich nicht mehr einschalten. Beim anschließen des NT blink sie rot, die Frequenz des blinken ist pulsierend. WIr also schneller und begint dann wieder langsam. Auch nach längerem Laden keine reaktion mehr von der Box. Daraufhin habe ich google bemüht und kam zu der Info "Akku defekt" .. diesen wollte ich tauschen jedcoh ist er bei der BOSE SLM2 fest mit einer der 4 Platinen verlötet. Ich habe nach einer Lösung gesucht und wurde bei Akkuplus.de fündig. Zellentausch gegen vorkasse. Ich habe alle in die Wege geleitet und habe in zwischen meine Bos zurück. Info von Akkuplus.de "Zellentausch bringt keinen Erfolg" steht auf dem Lieferschein. Die Box von unten sichtabr geöfnet. Akkufach leer. Soweit so ägerlich. Ich möchte an dieser Stelle Akkuplus.de nicht weiter Thematisieren. Fakt, Box zurück kein Akku mehr im Gerät. Darauf hin habe ich mich durch meinen Keller gwühlt und zwei passende Zellen gefunden und verbaut. Einschalten, nicht möglich! Nach anschluss des NT wieder das rote blinken wie schon zuvor. Ich habe noch einmal Google bemüht und kam auf diverse Tips wie: A factory reset - Press the Power button to turn the speaker on - Press and hold the Power button for ten seconds. The system will turn off once it has been reset Putting the speaker into "Ship Mode" - Connect the speaker to power - Press and hold the Multi-function button for 10 seconds - While continuing to hold the Multi-function button, unplug the speaker from power - Release the Multi-function button Alles ohne erfolg. Weitere Idee ein Softwareupdate, doch ich bekomme keine Verbindung mit dem PC ... "Please connect your Bose product" ... Inzwischen ist die Box zerlegt und liegt in Einzelteilen vor mir. Ich hatte die Hoffnung ein defektes Bauteil zu sichten .. ohne Erfolg. Irgendwie lebt die Box noch .. sie blinkt! Und wenn ich sie in den "Ship Mode" versetzen will bekomme ich auch nach den 10 Sekunden ein anderes blink Verhalten. Aber sie will einfach nicht erkennen dass ein Akku vorhanden ist. Ist hier irgendjemand mit dem selben Problem?? Oder hat jemand eine Idee?? Ich will sie ungern in den E-Schrott werfen. Auch wenn mir dass momentan als einzige Möglichkeit scheint. Viele Grüße
Hi! Ich nehme an, du hast die vorhandenen Threads dazu schon gelesen? Scheint ein gängiges Problem zu sein. Scheint an der Spannungsversorgung zu liegen - es wird als einzige Lösung ein Firmware-Update vorgeschlagen bzw. den Bose Support zu kontaktieren. https://community.bose.com/t5/Bluetooth-Only-Speakers/Soundlink-Mini-red-light-flashing/td-p/38773 https://community.bose.com/t5/Bluetooth-Only-Speakers/SoundLink-mini-II-not-charging-with-red-light-blinking/td-p/47998
dumm gelaufen - Bose bietet idR. exzellenten Service inkl. Umtausch - aber wenn die schon zerlegt ist, dann wohl nicht mehr..
Ja genau richtig, ich habe all diese Threads bereits gelesen und versucht was drin stand umzusetzen ... ohne Erfolg. Trotzdem danke ;-) ... ja da hast du Recht "dumm gelaufen" ... aber da die Garantie schon abgelaufen ist hat mich die Neugier gepackt. Zu dem kann man die Box ohne große Mühe wieder zusammen bauen ohne sichtbare Spuren ;-) Ich werde trotzdem mal BOSE kontaktieren. Danke euch für die Mühe. Grüße
Hallo, habe leider exakt dasselbe Problem. Gibt es ggf. zwischenzeitig alternative Herangehensweisen, Lösungen oder Ideen?
Mark schrieb: > Gibt es ggf. zwischenzeitig > alternative Herangehensweisen, Lösungen oder Ideen? Nicht, das ich wüsste. Es gibt einen 2ten Thread zu dem Thema, aber der hilft auch nicht weiter. Ich hatte bei meiner SL2 die Nase voll und habe eine andere Elektronik eingebaut. Symptome hier waren exakt die gleichen wie beim TE. Es ist übrigens nicht primär der Akku. Ich hatte den angebohrt und extern geladen - kein Unterschied zum ursprünglichen Verhalten. Muss was mit der Firmware der Ablaufsteuerung zu tun haben.
Moin zusammen, ich habe mich jetzt auch schon einige Monate mit dem Problem gequält! Mein Bose Soundlink Mini 2 blinkte beim Laden nur noch Rot. Sämtliche Tipps die ich bisher gelesen habe, konnten das Problem nicht beheben (Reset, Update der Firmware). Heute habe ich die Lösung gefunden: Es besteht die Möglichkeit die Firmware komplett neu zu installieren !!! Dazu geht man auf https://btu.bose.com/, schließt die Box an, sobald die Prüfung auf die aktuelle Version abgeschlossen ist drückt man die folgende Tasten nacheinander: "A D V [Pfeil nach oben] [Pfeil nach unten]". Anschließend erscheint der verstecke "Advanced mode". Dort einfach die aktuellste Version auswählen und die Reinstallation starten!
Danke Karsten!!! Echt jetzt, nachdem hier alle schon ALLES versucht haben kommst Du wieder mit diesem Schrott?!
Vielen Dank, dass hat geholfen, jetzt funktioniert sie wieder.
Karsten schrieb: > Dazu geht man auf https://btu.bose.com/, schließt die > Box an, sobald die Prüfung auf die aktuelle Version abgeschlossen ist > drückt man die folgende Tasten nacheinander: "A D V [Pfeil nach oben] > [Pfeil nach unten]". Anschließend erscheint der verstecke "Advanced > mode". Dort einfach die aktuellste Version auswählen und die > Reinstallation starten! Vielen Dank, sie funktioniert wieder :-)
...bei mir half das auch, ich konnte es selbst nicht glauben! Klaus.
Das stinkt mir nach einprogrammierter Obsoleszenz.
Hi, geht das auch irgendwie bei der mini1 ?
Astrein, das hat super geklappt. Danke für den genialen Tip mit ADV...
...und, warst du genau so baff wie ich? Hört sich nach youtube hoax an, aber...geht! Klaus.
Hallo Zusammen Falls jemand wieder mal übers gleiche stolpert: Tipp mit den Tastenkombinationen um die Firmware erneut zu schreiben hat mir geholfen. Nur dies hatte ich zu spät gelesen, deshalb einige Erkenntnisse: - Akku hatte ich abgetrennt und geöffnet, siehe Fotos. - Verbaut ist ein TI BQ28Z610 mit I2C. (Evtl. Deshalb Probleme beim anschliessenden anlöten bzw. in Betrieb nehmen) - Nachdem der Akku wieder angelötet war, einfach nochmals die Firmware rauf schreiben anschliessend hat wieder alles funktioniert. Ich hoffe damit konnte ich jemanden weiterhelfen;-) Gruss Footwalker
Hallo Zusammen, voelen Dank für die Hilfe. Die Lösung mit dem Advanced Modus hat ebenfalls geholfen. Es ist schade, dass diese Lösung nicht von Bose angeboten wird. DANKE.
Sehr schön - wird sie ja indirekt, was mich aber fast noch mehr verwundert... Klaus.
Mist, bei mir klappt die Tastenkombination nicht. Eine Idee?
Wieso Schrott? Hat super funktioniert. Zur Klarheit, es müssen auf der BOSE Website (Link siehe vorherigen Post), dort die Buchstaben [A] [D] [V] auf der Tastatur gedrückt werden, dann kann man Firmware neu aufspielen.
ADV+Pfeil nach oben (iwie so, siehe youtube)...wieso auch IMMER das überhaupt mal funktioniert hat und immer noch funktioniert, verstehe das bis heute nicht. Ich kann mir nicht vorstellen, dass Bose das gutheißt :) Klaus.
Großartig, danke für's Aufwärmen des Threads. Mein Akku tut zwar noch, aber dass das Gerät sich vorzeitig in den "Transportmodus" versetzt und dann erst wieder mit einer Stromversorgung von außen wachgeküßt werden muss, hatte mich auch schon extrem genervt - genau das soll die letzte Firmware aber verhindern. Schauen wir mal. Habe ich das jetzt richtig verstanden (den Thread lang), dass das sattsam bekannte Akkuproblem keines ist, sondern durch ein Neu-Aufspielen der Firmware beseitigt werden kann? btw: Zur Tastenkombination [A] [D] [V] gehört noch Cursor [/\] und [\/]. Ohne das ist hier (testweise) nix passiert.
Moin, bei mir kommt eine Fehlermeldung mit: There are no available updates for this product. Jemand eine Idee?
Zuallererst ist das eine Meldung, dass es keine frischere Firmware gibt. Das sollte nur Grund zur Sorge geben, wenn die auf dem Gerät installierte nicht die aktuellste ist...
...ich hatte auch die 1.4.1. (oder sowas) und die einfach NOCHMAL drüber gebügelt, was dann geholfen hat! Es geht vermtl nicht um die Firmware, sondern um einen Reset des EEPROMs, welches ggf "Algo Params" enthält, die die SOC / lifetime Berechnung des Akkus dann resetten & grdstzl ändern. Klaus.
... stimmt, hatte ich schon vergessen. Tastenkombi anwenden und dann kann auch die gleiche Version nochmal geflasht werden.
Ich habe mal zwei screenshots angehangen. Die Bose hat gerade noch eine neue Ladeplatine und einen neuen akku bekommen. Nochmal beim Versuchen zu flashen, leider ohne Erfolg. Habt ihr eine Idee wie ich die doch noch zum laufen bekommen kann? mit adv(hoch) (Runter) geht es auch nicht.
...schau dir das youtube video an, du musst es KORREKT eingeben. Klaus.
Claus, ich komme ja in den Advanced Menü rein. Jedoch wenn ich Versuche die Firmware draufzuspielen kommt bei mir die Fehlermeldung wie Oben gesehen
...ah, ok - dann habe ich nix gesagt. Dann ist das wohl erstmal "Pech", so doof es klingt. Klaus.
OT: Beim Beolit15 ist auch so ein Selbstzerstörungs-Software-Mechanismus eingebaut. Mit viel Geduld, einem Programmer für den CSR-Chip bekommt man das aber auch wieder hin. Ist ähnliches Problem. Falls jemand dieses haben sollte.
"einem Programmer für den CSR-Chip bekommt man das aber auch wieder hin." Das ist aber doch der BT SOC und kein fuel gauge? Was genau ist denn da für eine Fiesität eingebaut? Klaus.
Klaus R. schrieb: > "einem Programmer für den CSR-Chip bekommt > man das aber auch wieder hin." > > Das ist aber doch der BT SOC und kein fuel gauge? Was genau ist denn da > für eine Fiesität eingebaut? Das ist der SOC, richtig, nicht der Akku-Chip (da ist ein anderer verbaut). Der CSR hat eine umfangreiche Konfiguration, und scheint sich einige Dinge zu merken (z.B. Pairing). Dabei scheint es einen Bug zu geben, und dann startet der Chip nicht vollständig. Löschen der persistenten Daten per Programmer und der Software (BlueSuite) hilft. War aber eine langwierige Operation, und es nervt gewaltig extra dafür den Programmer aus China kaufen zu müssen. Sch.... Software.
Da wurde aus Kostengründen auf einen EEPROM verzichtet und die Daten im RAM gehalten. Und sobald der Akku einbricht, vergißt ein RAM seine Daten. Ein guter Firmwareentwickler würde für den Fall den RAM so vorbelegen, daß die CPU auch bei fehlerhaften Daten startet und z.B. in ein Konfigurationsmenü geht.
Thomas W. schrieb: > Beim Beolit15 ist auch so ein Selbstzerstörungs-Software-Mechanismus ...naja, lohnt es sich wenigstens? Wie immer bei B&O ja sauteuer das Ding, aber auch saugut? Klaus.
Klaus R. schrieb: > ...naja, lohnt es sich wenigstens? Wie immer bei B&O ja sauteuer das > Ding, aber auch saugut? Nein, saugut würde ich nicht sagen. Gut schon, für Leute die ordentlich Bass wollen. Für Sprache (Hörbeitrag) eher nicht. Hält recht lange mit dem Akku, hat Ladebuchse fürs Handy und Netzteil eingebaut. Und sieht schick aus. Aber innen halt der Chinachip. Die haben halt das Design und die Lautsprecher gemacht und dann "Wer liefert uns eine Bluetooth Anbindung" machen lassen. Hätte ich es für den Neupreis gekauft würde ich mich über die Qualität des Boards ärgern. Ich werds vermutlich verscherbeln...
Naja, immerhin CSR was schon gut ist! :) Bose hat mich auch nicht überzegt, habt ich verscherbelt. Die beste Box - für mich - ist die alte Rockster XS 2016 - die neue ist auch eher nicht so gut vom Klangbild her. JBL Xtreme ist das nächst "kräftigere", auch alles von mir repariert :) Klaus.
Moin, Jetzt nochmal zurück zur Bose. Was ist da genau los? Kann man das irgendwie hinbekommen? Könnte auch von einer Spenderplatine notfalls ein Chip rüberlöten etc.
...ruf doch mal bei Bose an und frag die - woher sollen wir das wissen? Sicher, dass du das kannst (abgesehen davon bringt das nichts, was du wüsstest, wenn du den Fred aufmerksam gelesen hättest)? Klaus.
Wo war der Link zu dem Youtube Video gleich noch ? Ich finde es nicht, würde mich interessieren.
Super! Auch von mir vielen Dank für den "ADV(^)(v)-Trick". Hat direkt funktioniert.
Fantastisch, der Tipp mit dem ADV Mode hat mir auch geholfen. Danke für den Tipp und die Anleitung. Das Update Tool ha to mir angezeigt, dass ich bereits die neueste FW installiert habe, aber ich habe sie trotzdem nochmal "darüber" installiert und jetzt geht meine kleine tolle Box wieder. Wirklich super!
War bei mir ja genau so...Danke für deine pos. RüMe! Klaus.
Bei mir hat das updaten ebenfalls funktioniert. aber was ich nicht verstehe: Warum handelt es sich um eine so geheime, merkwürdige Prozedur? Wenn man eine Reperatur verhindern will, könnte man das Update doch gleich offline stellen. Statdessen so eine versteckte Funktion.
...ja, mir kommt das auch SEHR spanisch vor und ich habe NULL Plan wieso so ein Trick bei einem imp. kap. Unternehmen auf der Firmware website überhaupt existiert - vll eine vergessene Fkt, oder gar nicht offiziell bekannt, oder...fragen wir dort lieber nicht nach 😜 Klaus.
Funktioniert bei mir leider nicht. Der Advanced Mode erscheint nicht. Auch die Internetseite sieht anders aus als in dem Video. Wenn ich A V D eingebe, wird es unten links im Fenster angezeigt. Bei Eingabe der Pfeiltasten wird nichts angezeigt und es ändert sich auch nichts auf der Seite. Weiß jemand, ob die Funktion mittlerweile deaktiviert ist? Frankie
Oh, Buchstabendreher. Ich gebe natürlich A D V ein, nicht A V D. Dann Pfeil rauf und Pfeil runter. Funktioniert leider nicht. Frankie
Frankie schrieb: > Oh, Buchstabendreher. Ich gebe natürlich A D V ein, nicht A V D. > Dann > Pfeil rauf und Pfeil runter. Funktioniert leider nicht. > > Frankie Dann haben sie vielleicht die Geheimfunktion deaktiviert um die geplante Obsoleszenz nicht zu torpedieren? Weiß da jemand mehr?
...das hat jahrelang funktioniert - vll hat sie der Thread aufgerüttelt :) Klaus.
Wollte den Trick auch anwenden. Geht aber angeblich nicht, weil der Akku zu wenig aufgeladen wäre (der seit gestern am Kabel hängt...)
Fritz schrieb: > Vielen Dank, dass hat geholfen, jetzt funktioniert sie wieder. wäre ja auch viel einfacher gegangen: ohne dem E-Schrott-Chinesen die Seriennummern und Software-Stempel aufzudrücken. Boose ist was? Qualität? Worin? Aber glaubt ruhig, was euch irgenwer über diesen Chinesenschrott erzählt * Schritt 1: AKKU TRENNEN * Schritt 2: auf Chassis die beiden I2C-Bus-PullupWiderstände (2x4,7 K) an VDD ablöten, SCLK und SDAT Leitungen nach GND für ca. 5 Sekunden. das wars schon * Schritt 3: Akku anschließen, einschalten, warten bis Box startet, * Schritt 4: Gerät ausschalten, Akku trennen, Pullups wieder anlöten, und einschalten Fertig....................... Funktioniert übrigens nicht nur bei der E-Schrott-Prahl-Fa Bose, sondern auch bei JBL, KAIDA, Technaxx uva... Einfachster und schnellster und effektivster Trick Kanntet ihr nicht? Geil, das Internet schreibt viel Fake, aber solche Tricks findet ihr dort nicht? Siehste mal, zu was wirklich Internet taugt Der Software-Quatsch ist Unfug, so habt ihr alle nur eins erreicht: Boose weiß jetzt, wer welche Geräte besitzt Und die erwähnte neue Obselleszens (programmiertes Ablauf-Ausfalldatum!) ist in dem Mikrochip nun wieder erneuert und auf Ausfall programmiert! Aber wer so dumm ist . . . dem kann man nicht helfen Kimisch, was manche so für elektronische Probleme haben, dass die dazu das Internet brauchen weil sie dämlich sind, nicht mal selbst nachzudenken, wie man solche Probleme am schnellsten beseitigt Wir, die da sind für solche Fälle von Hirnknappheit, decken nur auf, was andre mit dem Internet für Geschäfte mit Software-Trackern, Webseiten-Trackern, Vollidioten und sonstigen Verblödeten noch so anstellen Das hier ist ein Thraed aus: "Wahrheit und Lüge-Das Internet" Quelle: TV-Live-Sendung (Aus Datenschutzgründen wurde der Sendername " ********* ***** " -TV, hier nicht genannt! "Verbraucher-Magazin": Sa und So. jeweils 21:15 -22-15 Uhr
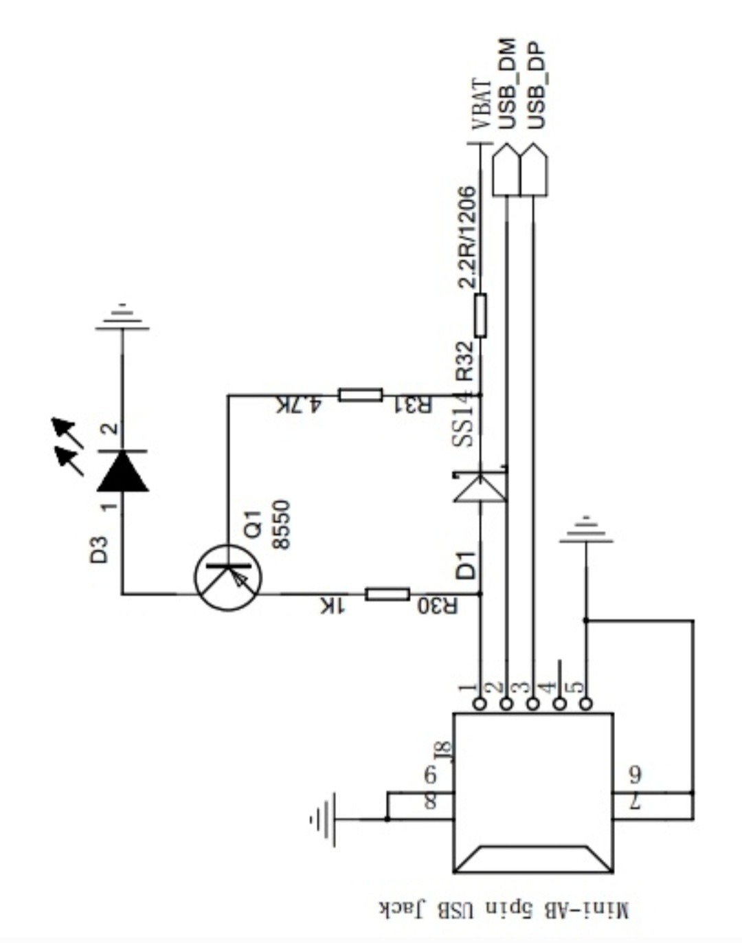
Das besagte blinken ist ein Zeichen, dass der integrierte Akku Kapazitätsprobleme aufweist, zum Beispiel, wenn er internen KURZSCHLUSS oder anderes chemisches Problem hat. Dieses Blinken heißt hier: Akkuwechsel, bevor der platzt!!!!! Das blinken kommt in unregelmäßigen Frequenzen, mal schneller, mal langsamer, und erscheint beim Ladeversuch. In vielen dieser Boomboxen ist keine direkte Ladeelektronik verbaut, sondert nur über einen pnp-Transistor, eine Diode SS14 o.ä., 2 Widerstände und die Ladespannungsanzeige-LED, die bei Ladesättigung allmählich aus geht. So wird damit angezeigt, der Akku ist voll. Hier darf kein Blinken bis flackern der LED zu sehen sein. Ist das aber der Fall, heißt das Akku sofort tauschen, den die Ladespannung wird weiterhin dem Akku aufgezwungen, der wiederum 'wehrt sich' dagegen, weil er die Spannung nicht aufnehmen kann. Normalzustand ist, dass die LED anfangs bei leerem Akku maximal aufleuchtet und im Laufe des Ladezustandes immer schwächer wird, bis sie ganz aus ist. Blinkt diese LED, dann ist der Akku defekt bis intern kaputt. Das Blinken wird hier so meist durch die Akkuinterne Protected-Schaltung ausgelöst, die durch diese Blinkfrequenz die Ladespannung ab und anschaltet, da die Impulsweise AusEinAus-Schalterei versucht, die Sperrspannung zu ignorieren, solange paar Stromimpulse länger noch keine Sättigung erkannt wurde, die erst bei ca 4,25 V erreicht ist, wo diese Akkuinterne Elektronik dann die weitere Stromzufuhr automatisch sperrt, um das Überladen zu vermeiden. Wem das zu technisch ist: Anbei ein Beispielschaltbild, wie die 'einfache' Ladeanzeige-LED angesteuert wird. Die LED leuchtet solange, bis der Gegenstrom des Akku und die damit verbundendene maximale Spannung von ca 4,25 V +/- die Sättigung von Transistor T1 (pnp-Typ) erreicht ist, und dadurch der Transistor T1 sperrt, heißt: Voll=Aus! Entsteht hier aber ein blinken der statischen LED; das ist keine Blink-LED! : ist der Schluß anzunehmen, daß der Akku nur noch versuchte Stromimpulse bekommt, die er aber nicht aufnimmt, weil er intern kaputt ist! Sowas passiert nur, wer ständig seine Akkus komplett solange tiefentladen lässt, bis er das benutzte Gerät zum AbsturzAusschalten quält, statt regelmäßig immer wieder spätestens ab 《 30% Ladezustand Reststrom,Kapazität NACHZULADEN!! Auch längeres Nichtbenutzen des Gerätes heißt: AKKUS IN REGELMÄSSIGEN ABSTÄNDEN NACHLADEN!!!! NIEMALS TIEFENTLADEN ODER GAR ZWANGHAFT ENTLADEN!!! DAS ZERSTÖRT DIE AKKUSTRUKTUR FRÜHER ODER SPÄTER!!! WER DAS MISSACHTET, IST SELBST SCHULD, WENNS PLÖTZLICH DANN SOLCHE GERÄTEAUSFÄLLE GIBT!!IM INTERNET STEHT DARÜBER VIEL UNFUG UND BLÖDSINN: THEMA AKKUS ENTLADEN!!!!!!!!!!!!!!!!!!!! AKKUS MÜSSEN STÄNDIG AUFGELADEN WERDEN, DAMIT CHEMIE DA DRIN 'ARBEITEN' KANN!!! WER WAS ANDRES BEHAUPTET, LÜGT UND SPINNT!! KLAR ERZÄHLEN VERKÄUFER UND HERSTELLER SOWAS: warum wohl?? WEIL DIE HERSTELLER WAS VERKAUFEN MÜSSEN!!! WÜRDEN DIE DIE WAHRHEIT SAGEN, KÖNNTEN DIE ALLE ZU 1000% 'EINPACKEN'!!!! Aber soweit denkt ihr Spinner nicht, sondern glaubt dem Hersteller!!!!! Ok, Für was ich solche Gedanken halte, ist euch vorbehalten, wie ihr das 'aufnehmt'.
******-TV schrieb: > * Schritt 1: AKKU TRENNEN > * Schritt 2: > auf Chassis die beiden I2C-Bus-PullupWiderstände (2x4,7 K) an VDD > ablöten, SCLK und SDAT Leitungen nach GND für ca. 5 Sekunden. das wars > schon > > * Schritt 3: Akku anschließen, einschalten, warten bis Box startet, > > * Schritt 4: Gerät ausschalten, Akku trennen, Pullups wieder anlöten, > und einschalten Halte ich für fake - also Vorsicht. XforU schrieb: > In vielen dieser Boomboxen ist keine direkte Ladeelektronik > verbaut, sondert nur über einen pnp-Transistor, eine Diode SS14 o.ä., 2 > Widerstände und die Ladespannungsanzeige-LED, die bei Ladesättigung > allmählich aus geht. Stimmt NUR für absolute Billigboxen, nicht für Markenware. -> Vermtl stammen beide Beiträge aus der selben Troll Fabrik. Klaus.
Klaus R. schrieb: > -> Vermtl stammen beide Beiträge aus der selben Troll Fabrik. Schon wegen des uebermaessigen Gebrauch von Grossbuchstaben. wendelsberg
Hallo liebe Community, ich glaube ich habe eine einfache Lösung gefunden (bei meiner war es so dass die Batterie LED nach kurzem Wechsel auf weiß konstant rot geleuchtet hat): ich habe auch alle Tricks wie FirmwareUpgrade / downgrade / reset versucht.. nichts hat geholfen. Ich habe die Box mal eine Woche nicht angefasst und einfach aus Interesse mal wieder an das Ladegerät angeschlossen; und da funktionierte alles wieder.. Also gebt der Box mal eine Woche Zeit und probiert es dann noch einmal. Ich vermute die Box schaltet sich in einen Sicherungsmodus, wenn sie denkt, die Batterie sei tiefenentladen. Ist jeglicher Reststrom verbraucht (also auch der der speichert, sie sei Tiefenentladen, lässt sie sich wieder laden. Viele Grüße
Servus... Ich hatte natuerlich das gleiche Problem. Die ADV Peil Hoch/ Pfeil runter Nummer hat wunderbar funktioniert und nach dem Update ist alles wieder wunderbar! Vielen Dank fuer diesen tollen Tipp!!!!!!
...na guck, also geht das doch noch. Danke für die Bestätigung & schön dass es geklappt hat! Klaus.
Leider funktioniert der "Trick" mit dem Update auf eine andere Firmware-Version. Der Bose-Updater meldet, die Software ist auf dem neuesten Stand. Schade, auf der Internet-Seite von Bose wird eine Reparatur für 55 € empfohlen, mit eingeschränkter Garantie. Es wäre schon dreist, wenn dieser "Kunstgriff", der beschrieben worden ist, jetzt bei Bose mit dieser Summer beglichen werden muss.
FrustBox schrieb: > Der Bose-Updater meldet, die Software ist auf dem neuesten Stand. Nochmal: Es ist egal, ich habe auch die SELBE nochmal drüber gebügelt und dann war es OK! Klaus.
Hallo, wie ist denn eure Erfahrung nachdem ihr mit Updates etc den Fehler behoben habt? Mir ist das vor ca 1 Monat auch passiert. Die Box wollte einfach nicht laden. Also habe ich alles gemacht. Ship-Modus, Reset, Firmware advanced neu geflashed. Hat alles nicht geholfen. Dann hatte ich sie einfach mal leer laufen lassen indem ich sie wie gewohnt benutzt habe nach den ganzen Schritten. Irgendwann war sie Tod. Ein Tag danach habe ich sie angeschlossen und sie hat wieder geladen bis auf grün. Da ich sie nur tagsüber zum arbeiten benutze, schließe ich sie entsprechend auch nur sehr selten an den Strom an. Nun, nach dem oben beschriebenen Vorgang, hatte sie gestern das erste mal wieder einen niedrigen Akkustand und ich wollte sie wieder laden. Und siehe da, selbes Problem wieder ... Diesmal blinkt aber nichts organge, rot, sondern ein dauer rotes Leuchten, kein starten etc. Ship-mode reagiert, aber nichts passiert/verbessert im Anschluss. Bei Power on macht sie das typische Signal. Aber nur halb so lange und dann stille. Das geht aber auch nur wenn USB angeschlossen ist. Muss ich das jetzt bei jedem laden versuchen? Wie war es bei euch? Ist das Problem erneut aufgetreten? Danke für die Antworten Gruß Coli
...hier ging es zuletzt maßgeblich um den patch wie "(neue) FW drüberbügeln" *. Andere erfolgreiche patches sind hier nicht bestätigt worden (außer vll sie ewig am Ladekabel zu lassen, was aber nicht wrkl bewiesen werden konnte, mMn). Aber das * hat bei mir langfristig geholfen, habe die Box aber selten benutzt da sie nicht annähernd so gut ist wie die Teufel Rockster XS (Mod. 2016). Und dann vertickt... Klaus.
Bester Mann ohne Witz ich wollte die Box schon in die Ecke werfen. Vielen dank <3
Hallo liebe Leute!
Danke an all jene die den Tip gegeben haben das Firmware Update forciert
zu installieren! Das wars nun auch bei mir.
>Dazu geht man auf https://btu.bose.com/, schließt die
Box an, sobald die Prüfung auf die aktuelle Version abgeschlossen ist
drückt man die folgende Tasten nacheinander: "A D V [Pfeil nach oben]
[Pfeil nach unten]". Anschließend erscheint der verstecke "Advanced
mode". Dort einfach die aktuellste Version auswählen und die
Reinstallation starten!
Ihr seid echt super!
All das hilft doch aber nicht beim oben genannten Problem, wenn sich die Box nicht einschalten, nicht mit dem Computer verbinden und damit auch nicht vom Update-Programm erkennen lässt?
Hallo zusammen, ich hab' mich nun extra für diesen Post hier im Forum angemeldet :-) Ich verfolge mikrocontroller.net zwar schon länger für andere Themen, obwohl ich gar kein "Mikrocontroller" bin. Hervorheben an diesem Forum hier kann man echt die konstruktive Findung von Lösungen zu Problemen/Fragen, sowie einen guten Umgang miteinander :-) Und jetzt konnte ich mit Eurer Hilfe auch meine Soundlink Mini II wieder zum Leben erwecken. Schlüsselpunkt war hier wohl der genannte "ADV/Advancedmode-Hack", aber ich musste noch einen weiteren Schritt unternehmen. Und zwar wurde die Box am Notebook überhaupt nicht mehr per USB erkannt. Die Rote LED hat regelmäßig "schnell" geblinkt. Nichts ging mehr. Was hier geholfen hatte: Den Akku ausbauen und mittels eines abgeschnittenen USB-Kabels die beiden +/- - Pole (es sind die beiden äußeren) direkt mit einem USB-Netzteil zu verbinden. Nach ca. 20 Minuten hat sich die Box zumindestens dann wieder per USB gemeldet. Dann ging erst einmal nichts. Nach Installation der letzten Firmware 1.14 per Updater funktionierte sie dann aber wieder vollständig :-) Mensch! Ich war schon kurz davor eine neue zu holen. Doch das bleibt mir nun erspart :-) Dank Euch! Ich hoffe mit diesem kleinen Kniff kann ich der Sache hier einen dienlichen Beitrag leisten. Vielen Dank nochmal an Alle für diesen wie ich finde sehr wertvollen Thread zu diesem Thema. LG und noch schöne Feiertage! Der Wolle PS: Bin keiner E-Techniker sondern absoluter Laie ;-)
Wolfgang A. schrieb: > sowie einen guten Umgang miteinander :-) Das ist leider SEHR selten der Fall, aber manchmal läufts auch gut...leider zu selten. 😅 Wolfgang A. schrieb: > Was hier geholfen hatte: Den Akku ausbauen und mittels eines > abgeschnittenen USB-Kabels die beiden +/- - Pole (es sind die beiden > äußeren) direkt mit einem USB-Netzteil zu verbinden. Guter Hinweis und zml mutig als Nicht Etechniker...oder gerade deshalb 😁 Sehr lange laden soll auch helfen, sagte mal jmd... Gut dass sie wieder läuft! Klaus.
Karsten schrieb: > Moin zusammen, ich habe mich jetzt auch schon einige Monate mit > dem > Problem gequält! Mein Bose Soundlink Mini 2 blinkte beim Laden nur noch > Rot. Sämtliche Tipps die ich bisher gelesen habe, konnten das Problem > nicht beheben (Reset, Update der Firmware). Heute habe ich die Lösung > gefunden: Es besteht die Möglichkeit die Firmware komplett neu zu > installieren !!! Dazu geht man auf https://btu.bose.com/, schließt die > Box an, sobald die Prüfung auf die aktuelle Version abgeschlossen ist > drückt man die folgende Tasten nacheinander: "A D V [Pfeil nach oben] > [Pfeil nach unten]". Anschließend erscheint der verstecke "Advanced > mode". Dort einfach die aktuellste Version auswählen und die > Reinstallation starten! Vielen Dank! Das ist schon nen hartes Vorgehen von Bose (weil es recht geplant wirkt). Ich habe auch so vieles versucht aber der Hinweis hier hat sehr, sehr geholfen - meine Bose Sound Link Mini II Special Edition (mit USB-C) geht jetzt auch wieder, nachdem sie nur noch am rot rumblinken davor war. DANKE!
XeloXT schrieb: > meine Bose Sound Link Mini II Special Edition (mit USB-C) Interessant, dass das auch mit neueren Varianten klappt 👌🏼 Klaus.
Pfeil nach Oben & Pfeil nach unten (ADV) bedeutet, dass man auf der Box die Tasten + und - drückt ????? Oder ist mit ADV die Tastatur am Rechner gemeint..? Thank u
Hallo Karsten, danke für den einfachen aber genialen Tipp. Nach mehrmaliger Anwendung dieser Vorgehensweise hat es bei mir funktioniert. Der Akku lädt wieder und das rote Blinken der Batterieanzeige ist weg. Echt genial! Hätte nie gedacht das es so einfach geht. Hoffe die Box hält durch :-)
Hallo Karsten, da auch ich das gleiche Problem mit meiner BOSE hatte, bin ich bei der Suche nach einer Lösung auf deinen Beitrag gestoßen. Und tatsächlich... meine BOSE läuft wieder. Vielen vielen Dank an dich. Toll, dass es Foren gibt, in denen man sich austausch und häufig auch eine Lösung findet. Torsten
Hallo Karsten, nach einiger Recherche bin ich auf diesem Thread und Deine Antwort gestoßen. Auch bei mir hat Deine Lösung funktioniert (ADV oben unten). Vielen Dank dafür! Beste Grüße, Sven
...mich würde mal interessieren, woher Karsten die Info hatte - vermtl ja auch nicht selbst rausgefunden? ;) Es gibt da aber auch einige Videos auf youtube aus dem Ostasiatischen Raum, zeitgleich mit diesem Post (oder ggf sogar älter). Schon ne spannende Sache, denn Bose wird den Hack ja nicht "absichtlich" enabled haben, weil die sich so sehr um ihre Kunden sorgen und die Umwelt schützen möchten :) Klaus.
Hallo, ich habe das gleiche Problem. Bei meinem Mini 2 leucht die rote LED konstant. Ich habe den ADV - Trick auch versucht. Es kommt: Halt, die Batterie ist zu schwach. Lade die Batterie auf. Das ist ja das Problem. Das Gerät lädt nicht mehr. ich hoffe, ihr könnt mir helfen.
Hajo F. schrieb: > ich hoffe, ihr könnt mir helfen. Tja, ich habe bei meiner hoffnungslos abgestürzten Soundlink das Akkupack an der richtigen Stelle angebohrt, ohne es vom Mainboard zu trennen und habe den Akku direkt mit dem Labornetzteil geladen, bis sie wieder kräftig rot geblinkt hat. Allerdings war mein Exemplar so tot, das bei ihr auch der ADV Trick nicht funktioniert hat. Bohren in Akkupacks ist generell nicht zu empfehlen, da es gefährlich werden kann. Nur für jemanden mit Fingerspitzengefühl und auf keinen Fall mit der Maschine bohren, sondern nur mit Handbetrieb.
Karsten schrieb: > Moin zusammen, ich habe mich jetzt auch schon einige Monate mit dem > Problem gequält! Mein Bose Soundlink Mini 2 blinkte beim Laden nur noch > Rot. Sämtliche Tipps die ich bisher gelesen habe, konnten das Problem > nicht beheben (Reset, Update der Firmware). Heute habe ich die Lösung > gefunden: Es besteht die Möglichkeit die Firmware komplett neu zu > installieren !!! Dazu geht man auf https://btu.bose.com/, schließt die > Box an, sobald die Prüfung auf die aktuelle Version abgeschlossen ist > drückt man die folgende Tasten nacheinander: "A D V [Pfeil nach oben] > [Pfeil nach unten]". Anschließend erscheint der verstecke "Advanced > mode". Dort einfach die aktuellste Version auswählen und die > Reinstallation starten! Super Hinweis! Jetzt funzt die "kleine" wieder - DANKE
Es hat geklappt. Das Gerät funktioniert wieder. Vielen Dank für den super Tipp. Gruss Hajo
Nicht zu fassen wie viele Leute hier Dankbarkeit äußern. So etwas gehört in die Bedienungsanleitung, es scheint Bose aber nicht im geringsten zu interessieren. Das macht Eindruck. Ich kaufe mir bestimmt nichts von dieser Marke.
Schon Cliff Richards sang: "Sollst nicht Bose sein"
Von Bose gibt es eh nur 2 Produkte, die die Mäuse wert sind. Das ist die alte 901 und evtl. noch die 301. Alles andere ist Schrott, der schon im Laden kaputt geht.
Super Tipp ... Nach wochenlagen verzicht und dem Gedanke eine neue kaufen zu müssen, weil sie vom Klang unschlagbar ist... , hat die Kombi a-d-v-hoch-runter das problem gelöst !!! Jipieee !!! Vielen vielen Dank
Das ist ja genial. Vielen Dank für diesen Tip.
Vielen Dank!!! ADV (hoch,runter) hat geklappt! Bester Beitrag :D :)
Congrats, es gibt doch manch gute CodeAnalyzer in DE ! A D V Pfeil hoch /runter hat auch bei mir top funktioniert, vielen Dank für die Info !
Ich hab ein schönes neues Fehlerbild bei Soundlink II (mit angelötetem Akku): Rote LED blinkt mit abnehmendem Puls/Pause Verhältnis, bis die LED dunkel ist, dann geht es wieder bei voller Helligkeit los. Lang drücken der Mittleren Taste führt zum Leuchten aller Leds mit geblinke, bis man losläßt. Datenverbindung USB geht nicht, jedoch der elektrische Betrieb der Box. Akku durch Netzteil ersetzt, das gleiche Verhalten. Die "PWM" von 100% bis 0% der roten LED kommt direkt vom STM-Controller. Was will mir die Box da sagen ?
Moin zusammen, ich hab gefühlt alles gemacht. Im Irrglauben, dass es am Akku liegt, nen neuen Akku eingelötet. Danach hatte ich weiterhin das selbe Phänomen: rot blinkende LED. Bei YouTube dann auf das Video mit dem ADV Trick + Softwareupdate gestoßen. Witzigerweise verbindet sich mein Handy während des Updates ganz kurz via Bluetooth mit der SL2. Danach besteht das Problem weiterhin. Reset via 10sec Powerbutton sowie Shopping Mode (Multifunktionsbutton in der Mitte 10sec gedrückt und dann Kabel gezogen & Taste losgelassen) probiert; jeweils ohne Erfolg. Hab auch ein USB Multimeter dazwischen geklemmt und das springt nur ab und zu auf 0,02 bis 0,05 Ampere, wenn die Box beim Softwareupdate oder ähnlichem einen Ton von sich gibt. Aber laden möchte sie einfach nicht... Was kann ich noch ausprobieren?
Beitrag #7186499 wurde von einem Moderator gelöscht.
hallo habe mal nee frage wo gebe ich die tastenkompi ein wenn software auf neusten stand ist habe tastenkompi eingegeben nix pasiert? s
Jesus...wasn Text, alter Verwalter! Versuchs nochmal ETWAS präziser. Klaus.
Hallo ich habe das problem Soundbox mini 2 blinkt rot.Ich habe den akku getauscht nicht gelötet sondern fertig mit platine gekauft und getauscht mit dem erfolg das die BOx immer noch rot blinkt.Hier im Forum habe ich von der Tastenkombi um die in den Avandet modus versetzt ich habe box am Rechner angeschlossen und bekam die meldung software aktuell ,batteriewechselmodus habe dann "AVD[↑][↓]"eingeben es ist nix pasiert, wo genau muß man die Tastenkombi eingeben und sind die Zeichen so richtig ?Ich würde mich über jede hilfe sehr freuen.
Da gibts nen youtoube video zu, meine das wäre hier auch verlinkt... Klaus.
Die Tstaturreihenfolge ist adv cursor rauf cursor runter ...nicht avd...
....das war ja mal ein echt guter Tip. Nach der "AVD"-Aktion läd der Akku wieder! Hatte auch alles versucht. Wollte schon zum nächsten Händler, was dann bestimmt nicht billig geworden wäre. Besten Dank! Gruß! Thomas
DANKE für den Tip mit dem Firmware nochmals aufspielen - hat meinem BOSE SoundLink Mini wieder zum Leben erweckt :-)
Hallo! Wenn sich die Soundbox nicht mit dem PC Verbinden lässt, es mit dem Original usb Kabel von Bose versuchen und nicht mit einem normalen usb Kabel; bei mir war dass so. Lg
Habe das selbe Problem mit der Box (leuchtet rot, lässt sich nicht laden). Offenbar scheint die Lösung ja in der Re-Installation der Firmware zu liegen. Nur hab ich jetzt das Problem, dass mir der Updater im Advanced Mode sagt, dass die Firmware nur installiert werden kann, wenn der Akku geladen ist (was die Box ja eben genau verweigert, ist ja genau das Problem..sie lässt isch nicht laden). Was tun?
Ungewöhnlich...und mir bisher so nicht bekannt. Vll ist das Tor geschlossen. Klaus.
Wäre ja super nett von Bose, wenn sie die letzte Möglichkeit, die Box zu retten (abgesehen von Reparatur...niiiiicht) auch noch verunmöglichen. Schweinerei.
Das ist ja keine offizielle Möglichkeit. Da hätten die auch als gewinnorientiertes Unternehmen gar kein Imteresse dran, Beschwerden sind daher unbegründet. Klaus.
Beitrag #7334600 wurde von einem Moderator gelöscht.
Auch bei mir hat ADV+Pfeil oben/unten funktioniert! Danke an die Hinweisgeber: Bode Support Möglichkeiten alle probiert ohne Erfolg Akku Ausbau + neuen Akku eingelötet (für mich nicht ganz einfach) keinen Erfolg ADV Pfeil - YES!!! Danke!
Rainer U. schrieb: > Bose bietet idR. exzellenten Service inkl. Umtausch "bot" sollte man besser sagen, denn seit der Bose-Gründer vor 15 Jahren aus der Firma raus und inzwischen verstorben ist, hat sich das Marketing deutlich von Qualität zu Masse gewandelt. Man bedient mehr und mehr das Niedrigpreissegment und nutzt dabei den Namen, den man sich in 50 Jahren zuvor gemacht hat, um sich von der Billigkonkurrenz abzuheben. Ich denke es dürfte jedem klar sein, dass man für 149,- Euro Endpreis nichts Großartiges auf die Beine stellen kann und nur sehr günstig und produktionsoptimiert bauen kann. Solche mobilen Soundsysteme sind - abgesehen von ihrem grenzwertigen musikalischen Nutzen - aus technischer Sicht letztlich Wegwerfsysteme, die nicht auf Reparatur angelegt sind. Fest verbaute Akkus wie wir es in Telefonen haben, sprechen da eine eindeutige Sprache. Folglich darf man auch nicht hoffen, dass dort intelligente Akku-schonende Lade- oder Entladeschaltungen verbaut sind, sondern man stopft die billigste China-Schaltung rein, die sich realisieren lässt. Das ist natürlich anfällig für Defekte. Muss ja nur 2 Jahre halten. Auch in den Autos bauen sie vergleichsweise billige Komponenten ein, die hart kalkuliert sind und wirbt mit dem tollen "Bose-System". In Realität werden die viel zu teuer vertickt, weil sie überproportionale Gewinne abwerfen müssen, um die Projekte in Nobelkarossen zu finanzieren, mit denen man sich einen Namen macht, die aber wegen der extrem geringen Stückzahlen nicht lohnen und allesamt "rot" sind. Das ist dasselbe, wie bei Becker und Alpine: Die Vorzeigeprojekte in den Supersportwagen werden extrem preisgünstig angeboten, um reinzukommen damit man nachher behaupten kann, dass der neueste Ferrari mit einem XYZ-System aus dem eigenen Hause arbeitet, real legt man aber richtig Geld drauf, weil diese Entwicklungen noch um so teurer sind. Also werden die als Werbung gefahren und die Entwicklung mit "Synergieeffekten" schöngerechnet, um 50% davon auf die breite Produktpalette umzuverteilen. Das nächste Beispiel ist Peiker aus Friedrichsdorf, in Sachen Audio im Übrigen eine Art "Nachbar" von Bose dort: Haben vor 15 Jahren mal ein riesenteures Projekt mit Maserati gehabt, wo sie sich ein Bein ausgerissen haben, um es an Land zu ziehen. Da wurde richtig Geld in die Hand genommen und was richtig tolles aufzuziehen, dass sich hinten und vorne nicht gelohnt hat und nur den möglichen Kostenrahmen für andere Projekte limitiert hat - nebst dem Gehaltsrahmen für Mitarbeiter :-( Gefreut hat das nur die Produktmanager von Maserati! Das ist ein generelles Phänomen, sich durch buhlen und unterbieten in die Autos heineinzuquetschen, damit man etwas Repräsentatives für die Webseite hat. Auf diese Weise kriegen die Sportwagenhersteller das technisch sehr gute Soundsystem für lau und der Normalanwender zahlt das alles mit.
ADV Pfeil - hmm ..hat das rote Blinken nach kurzer Zeit in Dauerrot verwandelt. Ladegerät angeschlossen, und - und - rotes Blinken... Nun habe ich mich durchgerungen, den Akku zu tauschen. (Grauenhafte Frickelei!!) Aber danach war alles wieder OK. Hurra Bei der ganzen Aktion ist mir noch aufgefallen, dass alles unter Windows 10 das FW-Update erst garnicht zulässt. ADV Pfeil - geht da nicht. ( Steht ja auch im "Kleingedruckten", dass Win 10 Voraussetzung ist) Viel Glück an die Bose-Junkies
Kar-sten schrieb: > Nun habe ich mich durchgerungen, den Akku zu tauschen. Die Zellen? Mit Fremdversorgung oder unnötig? Kar-sten schrieb: > Steht ja auch im "Kleingedruckten", dass Win 10 Voraussetzung ist Ah! Klaus.
Klaus R. schrieb: > Die Zellen? Mit Fremdversorgung oder unnötig? @ Klaus: Nein, das geamte Akkupack war gemeint. Die einzelnen Zellen kann man nicht tauschen, ohne den Träger zu zerstören. Ist alles ziemlich perfekt verklebt. Ich habe das Akkupack samt Mikrofonplatine ausgebaut, wie es auf der Bose-Seite auch bebildert beschrieben wird. (Hierbei ist extreme Vorsich vor Kuzschlüssen auf dem Platinenbereich geboten - unbedingt auch Gummehandschuhe gebrauchen) - Fremdversorgung ist bei der Aktion nicht nötig! Irgendwo auf der Boseseite stand noch, dass die Zellen nach ca. 300 Ladezyklen verbraucht sein sollen. Das erscheint mir recht wenig, da Litiumakkus im Allgemeinen deutlich mehr Zyklen können. Meist im unteren Tausenderbereich. (je nach Behandlung natürlich) Karsten.
Kar-sten schrieb: > ass die Zellen nach ca. 300 > Ladezyklen verbraucht sein sollen. ...worst case vermutlich, da die ja auch nicht balancen (was aber auch nicht üblich ist). OK, dachte du hast da was richtig "gemacht" und nicht nur das pack getauscht. Klaus.
Klaus R. schrieb: > OK, dachte du hast da was richtig "gemacht" und nicht nur das pack > getauscht. @Klaus Das habe ich auch noch vor, allerdings mit dem jetzt ausgebauten Teil. Da muss mal genauer "rangegengen" werden.. ;-) - nicht zuletzt schon wegen des hohen Wiederbeschaffungspreises eines Neuen. Sollte da was gehen, werde ich es hier berichten. Karsten.
...ich habe kürzlich den Akku einer revolve aufgesägt, mit der PUK. Ja, das ist etwas verklet aber es ließ sich super rundherum ansägen und dann eine kappe abziehen, dann zellen raus und so. der verbaute BQ irengdwas hat KEIN lockout feature, er merkt also nicht bzw speichert sich nicht, wenn man ihn stromlos macht (zellenwechsel). wäre zu klären ob das bei der SL2 mini auch so ist. Klaus.
Hallo, auch bei mir hat ADV+Pfeil oben/unten teiweise funktioniert (jedenfalls hat sie danach mal wieder Töne von sich gegeben) Die Box lässt sich jedoch nun nicht mehr einschalten und es blinkt gar keine Lampe mehr. Hat jemand vielleicht noch nen Tip für mich ?
Hallo, meine Bose Sound link Mini Zwei geht nicht mehr an, doch wenn ich
sie mit dem Ladekabel anstecke, leuchtet sie konstant rot. Ich habe sie
versucht zu updaten mit "A D V [Pfeil nach oben]
> [Pfeil nach unten]" doch, wenn ich das Update durchführen möchte komm ich gar
nicht so weit siehe Bild.
Ich hoffe, ihr könnt mir helfen.
Freue mich über Rückmeldungen.
Gino A. schrieb: > Ich hoffe, ihr könnt mir helfen. Die Meldung ist ziemlich eindeutig. Lass sie mal ein paar Tage am Ladekabel. Wenn dann immer noch nichts passiert ist, dann ist das Akkupack hinüber. Wenn du basteln willst, könntest du probieren, das Pack vorsichtig anzubohren, um die Zellen direkt zu laden. Das ist aber was für Fortgeschrittene, weil die Zellen auf keinen Fall angebohrt werden dürfen. Nur das Plastik darf durchbohrt werden.
hallo Danke für deine Rückmeldung könnte ich auch einfach den Akku tauschen gegen einen neuen?
Gino A. schrieb: > könnte ich auch einfach den Akku tauschen > gegen einen neuen? Das kann ich dir nicht sagen. Das ganze Akkumodul hängt mit einem fummeligen Flachbandkabel an der Verteilerplatine und die Akkuzellen sind in diesem Modul verklebt. Es hängt also ertsens davon ab, ob du das ganze Akkumodul tauschst oder nur die Zellen und zweitens, wie gut du löten und dremeln kannst.
Hallo, vielen Dank für die zahlreichen Beiträge. Ich hab das mit gleiche Problem und hab das Update mit der Tastenkombination durchgeführt. Das rote blinken ist vorbei allerdings macht die Box nun garnichts mehr, kein Akkublinken mehr aber auch kein einschalten möglich. Hat jemand noch eine Idee. Danke euch
Ungewöhnlich...mehr weiss ich auch nicht. Erkennt der uploader sie noch? Vll über Nacht mal am Lader lassen? Klaus.
Ja der Bose uploader erkennt sie noch und hat auch ein zweites Mal die ganze Prozedur wie oben beschrieben durchgeführt.
...das ist schonmal gut. Manche behaupten ja, dass sie sich am Ladekabel dann iwann fängt - klingt aber mystisch. Der Test kostet aber nix ;) Vll gibt es auch iwo eine dokumentierte Reset Routine für die Box? Klaus.
Ich hab keine Resetroutine gefunden. Vielleicht kennt ja jemand hier eine Lösung. Danke erstmal
Moin Leute! Ich habe nun auch bei meiner Box versucht mir das Update über meine rot-blinkende-Box zu "bügeln". Vorab habe ich den Updater runtergeladen und den "Advanced-Trick" angewendet. Dennoch sagt der Updater jedes Mal, dass meine Box auf dem neusten Stand ist. Vor einem Jahr ca. habe ich dies schon einmal gemacht. Da hat alles gut geklappt und die Box wurde einfach erneut mit der Software bespielt. Im Anschluss lief sie einwandfrei. Meine Frage: Hat dies jemand mal in letzter Zeit probiert und ist auf das gleiche Problem gestoßen? Evtl. weiß ja jemand eine Lösung.
Hallo zusammen, meine Box zeigt mittlerweile das gleiche Verhalten. So, also versuche die Firmware neu aufzuspielen. Funktioniert aber nicht, da der Bose-Updater das Update nicht aufspielen will (im Advanced Mode), da der Akku angeblich nicht voll wäre! Mache ich da was falsch, bzw. kann man die Prüfung umgehen?
du musst den Akku eben auf einen gewissen Ladestand bringen, einfach extern 4V drauflegen und mal 30 Min warten, wenn es mit der internen Lademöglichkeit nicht mehr klappt.
Du meinst ich muss den Akku ausbauen und laden?
...wie hättest du es sonst vor? Worst case sogar die zellen einzeln (BTDT@Revolve). Klaus.
Keine Ahnung wie man den Akku aktuell sonst zum Laden motiviert bekommt. Das ist natürlich schon ein gewisser Aufwand! Lieber wäre mir wenn man den Bose Updater dazu motiviert bekommt dass er auf die Akku-Prüfung verzichtet. Tatsächlich ist der Akku schließlich höchstwahrscheinlich nahezu voll. Das muss ja auch mal funktioniert haben, ansonsten würde das ja nicht ein Lösungsweg für genau dieses Problem zu sein.
ja, ich meinte denn Akkupack manuell laden mit 4V pro Zelle die in Reihe hängt.
Also.. Da ich den Akku nicht direkt ausbauen wollte, habe ich zunächst mal folgendes probiert: Box solange laufen lassen bis der Akku tatsächlich leer ist. Lief noch 3h mit dem angeblich leeren Akku. Dann konnte ich den Akku wieder ganz normal laden.. :-) Hatt knapp über 4000 mAh aufgenommen. Der Akku ist jetzt laut Box 90% voll. Jetzt wollte ich sicherheitshalber trotzdem das "Zwangsupdate" machen. Funktioniert nicht! Sagt jetzt trotz "Advanced Mode" dass die Firmware aktuell wäre... So macht der Advanced-Mode irgendwie überhaupt keinen Sinn, oder? Die gelbe LED leuchtet jetzt übrigens dauerhaft, was ja auch nicht richtig ist. Laut Bose Homepage müsste die Box den Akku neu kalibrieren. Akku leer machen und neu laden.
Ich hatte wie viele hier auch das Problem, dass die Box nur noch Rot-Leuchtet und nicht mehr lädt und somit auch keine Neuinstallation der Firmware durch zu geringen Akku möglich war. Egal welches Ladegerät, die Box wollte nicht mehr Laden und hat nur Rot geleuchtet (nicht geblinkt). Es scheint aber über die Bose-Seite eine weiter Funktion zugeben und zwar die Errorlogs zu löschen und siehe da, nun hat die Box wieder geladen und leuchtet jetzt wieder grün mit 100% geladen. Zur Anleitung: * Gehen Sie zu btu.Bose.com * Laden Sie den Bose-Updater herunter und installieren Sie ihn * Schließen Sie Ihren Bose Soundlink an * Drücken Sie auf Ihrer Tastatur „o“, „p“, „t“, den Aufwärtspfeil und den Abwärtspfeil. * Befolgen Sie die Anweisungen zum Löschen von Fehlern * Nachdem alle Fehler behoben wurden, sollte der Lautsprecher wieder normal funktionieren Ich hoffe es kann den einen oder anderen hier auch weiterhelfen.
Tim T. schrieb: > Drücken Sie auf Ihrer Tastatur „o“, „p“, „t“, den Aufwärtspfeil und > den Abwärtspfeil. ...das wäre neu :) Klaus.
Hallo, mit dem Tip von tim_t350 hat es bei mir funktioniert. Bei mir hat die rote Lampe geleuchtet und ich konnte kein Update aufspielen (es kam die Fehlermledung mit dem zu niedrigen Batteriestand). Kleine Anmerkung. Du muss die O,P,T (Grossschreibung, d.h. die Umstelltast drücken) und dann den Aufwärtspfeil und den Abwärtspfeil. Nach dem Löschen habe ich die SL2 vom PC genommen und anschließen an ein externes Ladegerät angeschlossen. Die rote Lampe hat wieder geleuchtet. Danach habe ich die Multifunktions-Taste gedrückt bis die Anzeige gelb geblinkt hat. Nach dem Loslassen hat dann die Anzeige gelb geblinkt (es wird geladen). Falls es nicht auf Anhieb klappen sollte, ich habe auch ein bisschen experimentiert, vielleicht ein paar Versuche starten. Viel Erfolg.
Sorry, ich wurde nach der Anmeldung auf diesen Thread weitergeleitet (war der falsche, ich wollte eigentlich hier antworten: www.mikrocontroller.net/topic/546664#7744382) und hab diesen wieder gelöscht, bzw. bei obigen Link hinzugefügt ;-) Bei mir funktionieren auch die Kleinbuchstaben (a d v bzw. o p t) auf der Bose Seite.
Karsten schrieb: > Moin zusammen, ich habe mich jetzt auch schon einige Monate mit > dem > Problem gequält! Mein Bose Soundlink Mini 2 blinkte beim Laden nur noch > Rot. Sämtliche Tipps die ich bisher gelesen habe, konnten das Problem > nicht beheben (Reset, Update der Firmware). Heute habe ich die Lösung > gefunden: Es besteht die Möglichkeit die Firmware komplett neu zu > installieren !!! Dazu geht man auf https://btu.bose.com/, schließt die > Box an, sobald die Prüfung auf die aktuelle Version abgeschlossen ist > drückt man die folgende Tasten nacheinander: "A D V [Pfeil nach oben] > [Pfeil nach unten]". Anschließend erscheint der verstecke "Advanced > mode". Dort einfach die aktuellste Version auswählen und die > Reinstallation starten! Karsten, ein toller Tipp, vielen Dank!!! Nachdem meine Box jetzt seit fast zwei Jahren im Schrank liegt und ich sie schon auseinander genommen hatte, wollte ich jetzt nach vielen Versuchen einen neuen Akku einlöten (lassen). Sie war mir zu schade für den Elektroschrott. Zufällig las ich gestern deinen Thread mit dem erweiterten Menü und siehe da, unglaublich, meine Box läuft wieder!! Dass der Bose Service diese Lösung nicht anbietet, ist eine Frechheit...
Hallo in die Runde, auch ich war ja hellauf begeistert als ich den "ADV-Tipp" hier las und ausprobierte. Leider fällt unsere Bose-Box nach ganz kurzer Zeit (spätestens nach einem Tag) wieder in alte Verhaltensmuster zurück und ist tot. Ich kann sie dann zwar jedes Mal mit dem hier diskutierten Tipp reaktivieren und das Spiel endlos reproduzieren, aber eine Lösung ist das ja nicht. Mich wundert jetzt, dass dies noch niemand hier berichtet hat und es bei euch allen wirklich dauerhaft zu funktionieren scheint. Oder gibt es hierfür schon einen neuen Thread? Geht es denn jemandem ähnlich und/oder existiert dafür eventuell auch ein Lösungsansatz, was ich probieren könnte? Ich bin kein Bastler, mag die Bose aber auch nur ungern entsorgen, weil sie ja wunderbar funktioniert, wenn sie funktioniert. ;-)
Na dann sind vermutlich wirklich deine Akkus defekt und du musst diesen tauschen?! Klaus.
Hallo zusammen, erstmal großes Danke an Karsten, mit deiner Beschreibung konnte ich die Bose-Box bereits zweimal wiederbeleben :-)! Hatte das Gleiche verhalten bei meiner Bose-Box wie Rainer das beschrieben hat. Nach Wechsel des AKKU und erneuten Flashen mit der Advanced Methode funktioniert die Bose Box wieder einwandfrei … auch über einen längeren Zeitraum ;-) Stefan
Hallo in die Runde, erst nochmal herzlichen Dank für die Rückmeldungen. Der Akku als Übeltäter klingt ja auch recht plausibel und so habe ich mal einen besorgt. Laut Anleitung von Bose geht es ja nur um aufschrauben, alten Akku rausziehen, neuen Akku reinstecken, zuschrauben, fertig. Also auch für Nichtbastler wie mich machbar. Dachte ich. Nun sieht es auf den ersten Blick allerdings so aus, als müsse da auch gelötet werden und ich wollte mich hier nur nochmal vergewissern, dass ich da richtig liege. Außerdem ist das Anschlusskabel in der Box auch noch mit einer Art Schaumstoff geschützt, den man (oder besser gesagt: ich) nicht so ohne Weiteres entfernen kann. Zur Veranschaulichung habe ich die betreffende Passage der Anleitung und je ein Foto vom Anschluss in der Box und dem neuen Akku beigefügt. (Die Anleitungspassage ist wohl doppelt, weil ich mich mit den Dateianhängen vertan und keine Funktion zum Löschen gefunden habe. Aber ist es richtig, dass ich hier mit dem Lötkolben ran muss? Dankesehr + viele Grüße Rainer
Bist du dir sicher dass das Original ware ist sowohl der Akku als auch die Box das sieht irgendwie nach Fake aus... Etwas zu löten wird und kann Bose auf keinen Fall von einem Endkunden erwarten Klaus.
:
Bearbeitet durch User
Hallo Rainer, schau dir mal das Video von "KingSener"über das Wechseln des Akkus beim Soundlink II an. Das erklärt sehr vieles. Titel: "So ersetzen Sie die BOSE SoundLink Mini 2-Batterie|BOSE SoundLink Mini II" Viele Grüße und gutes Gelingen. Stefan
Bitte melde dich an um einen Beitrag zu schreiben. Anmeldung ist kostenlos und dauert nur eine Minute.
Bestehender Account
Schon ein Account bei Google/GoogleMail? Keine Anmeldung erforderlich!
Mit Google-Account einloggen
Mit Google-Account einloggen
Noch kein Account? Hier anmelden.








