Hallo Liebes Forum, ich bin stolzer Besitzer einer Rotwerk EFM 200 DS Fräsmaschine (vgl. Sieg X2) die ich bereits an diversen Stellen modifiziert habe. Die Spindel wird mit einem 230V Gleichstrom (DC) Motor mit 2,2A angetrieben (~350W). Der Spindel-antrieb wurde von dem lauten Getriebe auf leisen Keilriemen umgestellt. Die Steuerung scheint eine Phasenanschnitt Regelung zu sein die auch den Strombedarf nach regelt (Last unabhängige Drehzahl in gewissen Grenzen). Die verbauten Thyristoren erledigen den Job zuverlässig aber sorgen für ein ordentliches Brummen sowohl in der Schaltung als auch im Motor. 1. Wie groß müsste ich etwa einen 400V Elko dimensionieren, der dann parallel geschaltet würde, damit der Motor nicht mehr so laut brummt? 2. Wo ist der Elko am besten an zu bringen vor oder hinter der Entstör-Drossel (Beide Kabel 4x durch Ferrit-rund-kern gewickelt)? 3. Ist eine solche Steuerung überhaupt dafür ausgelegt "gegen" einen Elko zu Regeln oder sollte ich das lieber lassen und das Brummen akzeptieren? Vielen Dank für Eure Hilfe.
Jens G. schrieb: > oder sollte ich das lieber lassen und das Brummen > akzeptieren? Meine Meinung: So belassen...
Beitrag #5138265 wurde von einem Moderator gelöscht.
Der Elko muss aus Entstörgründen nahe ans Netz und aus Glättunggründen nahe an den Motor. Du brauchst also 2! Ich fürchte aber, dass Du enorme Kapazitäten benötigen wirst, um das Brummen zu dämpfen. Ausserdem: Wenn du den ELKO nicht mit einer Drossel gegen hochfrequente Signale schützt, zieht der zuviel Strom und geht in Binsen. Richtig entbrummt werden Motoren durch eine intelligente Ansteuerung z.B. Phasenmodulation / Raumzeigermodulation oder Feldabschwächung.
Ein kleiner Folienkondensator 0,1µF ist nahe am Netz, dann eine Drossel (s.o.) am Kabelanfang und eine kurz vor dem Motor. Ich habe mal mit einem 250µF400V Elko über einen Brückengleichrichter nahe am Motor getestet und war sehr begeistert was die Laufruhe angeht. Man hörte nur noch die Elektronik brummen. Allerdings stieg der Regelstrom auch soweit an das die thermische Sicherung (4A am Eingang der Elektronik) auslöste. Und zwar bei starken Lastwechseln und bei hoher Drehzahl. Sehr schade, d.h. wohl das die Steuerung nicht für so einen Leiselauf geeignet ist bzw. angepasst werden müsste oder durch eine andere Schaltung ersetzt werden müsste, oder? Leider gibt es keine Dokumentation/Plan zur Schaltung. Ob der Motorschutz dann noch richtig funktioniert (vermutlich einfache Strommessung)? Ich könnte ja auch mal mit kleineren 10-50 µF werten probieren und hoffen einen guten Kompromiss zu finden. Nur befürchte ich aber das ich dann auch den Rest der Ansteuerung drauf anpassen muss... ein Oszi wäre da auch sicherlich hilfreich. Ich habe auch schon überlegt mal ein gebrauchtes Laufband zu zerlegen, die Steuerungen sind sicher etwas höherwertiger.
Jens G. schrieb: > Die Steuerung scheint eine Phasenanschnitt > Regelung zu sein die auch den Strombedarf nach regelt (Last unabhängige > Drehzahl in gewissen Grenzen). Die verbauten Thyristoren erledigen den > Job zuverlässig Die Schaltung benötigt zur "Regelung" sicher die EMK des Motors, die man nicht stören sollte... Vielleicht finde ich die Schaltung dazu...
Diese Schaltung unterliegt den Urheberrechten einer Selbstbau/Bastel- Zeitschrift für alle Elektronikinteressierten...
Och menno und ich hatte schon die Hoffnung das Ding mit einem simplen Elko zu optimieren... Die Schaltung bei mir weist zwar einige R/C und L/C Glieder mehr auf, aber im Prinzip scheint das ja nichts anderes zu sein. Also bringt nix - da muss eine komplett andere Steuerung her. Die mangelhafte Drehzahl Stabilität verursacht durch den Kohleschleifpoti (25k) plane ich durch einen Präzisionspoti mit Drahtwicklung zu ersetzen. Oder lohnt sich das auch nicht?
Mani W. schrieb: > Diese Schaltung unterliegt den Urheberrechten einer Selbstbau/Bastel- > Zeitschrift für alle Elektronikinteressierten... Boah, sicher Elektor Jahrbuch oder sowas, stimmts? 1977 ist 40 Jahre her. Die Halbleiter von damals gibt es nicht mehr und die Patente sind abgelaufen. :-)
Analog OPA schrieb: > Boah, sicher Elektor Jahrbuch oder sowas, stimmts? > 1977 ist 40 Jahre her. Die Halbleiter von damals gibt es nicht mehr und > die Patente sind abgelaufen. :-) Nein, das ist das 100 Schaltungen Heft Juli/August 1977, eine Ikone mit interessanten Schaltungen, aber aufwärts habe ich auch noch viele... Und die Halbleiter gibt es noch, lassen sich aber leicht durch andere ersetzen - Elektronik eben...
Könnte man das Brummen nicht weg bekommen wenn man die Schaltung mit einer 20 kHz Frequenz betreiben würde?
Jens G. schrieb: > Könnte man das Brummen nicht weg bekommen wenn man die Schaltung mit > einer 20 kHz Frequenz betreiben würde? Dazu würde man einmal den Schaltplan benötigen...
Ich tue mich ziemlich schwer eine Ersatzschaltung (Motor-schutz und -Regelung) passend (Einstellbar) zu dem Motor zu finden... Den Schaltplan wird der Hersteller wohl nicht raus rücken wollen. Da ich keine Möglichkeit habe die Spulen selbst durch zu messen und auf einigen Bauteilen keinerlei Typeninformation zu finden sind, ist ein selbst erstellen des Schaltplans leider auch keine Option. Bleiben noch zwei Optionen: Frequenzumrichter mit Drehstrommotor einbauen oder ein gebrauchtes Laufband ausschlachten. Danke erst mal für die Denkanstöße! PS: Vielleicht hat ja noch jemand einen Tipp.
Jens G. schrieb: > 1. Wie groß müsste ich etwa einen 400V Elko dimensionieren, der dann > parallel geschaltet würde, damit der Motor nicht mehr so laut brummt? Wie kommst du auf die Idee überhaupt mit einem Elko an einer Wrchselsoannungsschaltung was bewirken zu können. > 2. Wo ist der Elko am besten an zu bringen vor oder hinter der > Entstör-Drossel (Beide Kabel 4x durch Ferrit-rund-kern gewickelt)? Nirgends passt ein Elko weil Wechselspannungsschaltung. > 3. Ist eine solche Steuerung überhaupt dafür ausgelegt "gegen" einen > Elko zu Regeln oder sollte ich das lieber lassen und das Brummen > akzeptieren? Du wirst es akzeptieren müssen oder eine völlig andere Elektronik einbauen müssen. Die hier enthält keinen Gleichrichter für den Motorstrom sondern 2 Baugruppen, je eine für jede Polarität der Wechselspannung. Daher brummt der Motor. Wenn du aber wirklich mit der Maschine arbeiten wirst, ist das Motorbrummen der geringste Krach. Obwohl, das Getriebe hast du ersetzt.
Jens G. schrieb: > Och menno und ich hatte schon die Hoffnung das Ding mit einem simplen > Elko zu optimieren... Eine ziemlich dämliche Idee, einen Elko nach einer Phasenanschnittsteuerung bzw. Phasenanschnittsteuerungsgleichrichter parallel zu schalten. Bei ersteren kann es aufgrund der Wechselspannung nicht funktionieren und bei zweiteren fließt jedes Mal knapp 100A Ladestrom zum nachladen des Elkos durch die Halbleiter, da der Stromflußwinkel extrem kurz ist sobald die Thyristoren zünden. Dann brummt nur noch die Schaltung und das auch nicht mehr lange. Zudem funktioniert die Drehzahlsteuerung nicht mehr (richtig). Jens G. schrieb: > PS: Vielleicht hat ja noch jemand einen Tipp. Ja, eine Drossel in Reihe zum Motor schalten um die Strom-Welligkeit zu glätten. Eine große PFC-Drossel wäre geeignet (z.B. DX-LN1-006, DX-LN1-009, siehe: https://www.electricautomationnetwork.com/PDF/GERMAN/EATON/269490.pdf) oder versuchsweise eine große Vorschaltdrossel einer Quecksilberdampflampe (>=500W).
MaWin schrieb: > Jens G. schrieb: >> 1. Wie groß müsste ich etwa einen 400V Elko dimensionieren, der dann >> parallel geschaltet würde, damit der Motor nicht mehr so laut brummt? > > Wie kommst du auf die Idee überhaupt mit einem Elko an einer > Wrchselsoannungsschaltung was bewirken zu können. Der aufmerksame Leser hätte bemerkt das es sich um einen Gleichstrommotor (DC) handelt der mit einer Halbphase angesteuert wird.... >> 2. Wo ist der Elko am besten an zu bringen vor oder hinter der >> Entstör-Drossel (Beide Kabel 4x durch Ferrit-rund-kern gewickelt)? > > Nirgends passt ein Elko weil Wechselspannungsschaltung. Falsch, s.o.. Im übrigen funktioniert es mit einem Elko, halt nur nicht richtig. >> 3. Ist eine solche Steuerung überhaupt dafür ausgelegt "gegen" einen >> Elko zu Regeln oder sollte ich das lieber lassen und das Brummen >> akzeptieren? > > Du wirst es akzeptieren müssen oder eine völlig andere Elektronik > einbauen müssen. Die hier enthält keinen Gleichrichter für den > Motorstrom sondern 2 Baugruppen, je eine für jede Polarität der > Wechselspannung. Daher brummt der Motor. Wenn du aber wirklich mit der > Maschine arbeiten wirst, ist das Motorbrummen der geringste Krach. > Obwohl, das Getriebe hast du ersetzt. Ja, Danke, soweit war ich bereits auch.
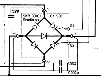
Автомат К. schrieb: > Jens G. schrieb: >> Och menno und ich hatte schon die Hoffnung das Ding mit einem simplen >> Elko zu optimieren... > > Eine ziemlich dämliche Idee, einen Elko nach einer > Phasenanschnittsteuerung bzw. Phasenanschnittsteuerungsgleichrichter > parallel zu schalten. > Bei ersteren kann es aufgrund der Wechselspannung nicht funktionieren > und bei zweiteren fließt jedes Mal knapp 100A Ladestrom zum nachladen > des Elkos durch die Halbleiter, da der Stromflußwinkel extrem kurz ist > sobald die Thyristoren zünden. Dann brummt nur noch die Schaltung und > das auch nicht mehr lange. Zudem funktioniert die Drehzahlsteuerung > nicht mehr (richtig). Dämlich finde ich deinen Tonfall, schließlich frage ich ja um etwas zu lernen. Und noch mal, es ist eine Halbphasensteuerung an einem Gleichstrommotor. Wer lesen kann ist klar im Vorteil! Die Schaltung hat u.a. noch ein R/C Glied zwischen Motor und Thyristor, damit dürfte das Glied eventuelle Ladeströme wohl etwas abmildern... > Jens G. schrieb: >> PS: Vielleicht hat ja noch jemand einen Tipp. > > Ja, eine Drossel in Reihe zum Motor schalten um die Strom-Welligkeit zu > glätten. Eine große PFC-Drossel wäre geeignet (z.B. DX-LN1-006, > DX-LN1-009, siehe: > https://www.electricautomationnetwork.com/PDF/GERMAN/EATON/269490.pdf) > oder versuchsweise eine große Vorschaltdrossel einer > Quecksilberdampflampe (>=500W). Da ist bereits eine große Drossel auf der Platine (im Bild s.o. oberhalb der Motoranschlüsse 4 und 5 von rechts n. links), ich vermute Sieg hatte bereits die selbe Idee. Trotzdem Danke für den Tipp!
MaWin schrieb: > Die hier enthält keinen Gleichrichter für den > Motorstrom sondern 2 Baugruppen, je eine für jede Polarität der > Wechselspannung. Die Schaltung enthält schon einen Gleichrichter, gebildet aus den 5 Leistungshalbleitern auf der Platine (2x Transistor/Thyristor für Phasenanschnitt & Gleichrichtung, 2x Dioden Gleichrichtung, 1x Freilaufdiode). Prinzipschaltbild siehe Anhang, exemplarisch aus einem Netzteil entnommen. Kann man gut anhand des Layouts auf der Unterseite nachvollziehen, zudem sind die Bezeichnungen auf der Oberseite teilweise erkennbar (D.../Q...). MaWin schrieb: > Daher brummt der Motor. Der Motor brummt aufgrund der Stromwelligkeit nach der Gleichrichtung (100Hz).
Jens G. schrieb: > Und noch mal, es ist eine Halbphasensteuerung an einem > Gleichstrommotor. Wer lesen kann ist klar im Vorteil! Wer das Layout und die Beschriftung anhand Deiner Bilder interpretieren kann, ist noch vielmehr im Vorteil (siehe ein Betrag von mir weiter oben). Jens G. schrieb: > Da ist bereits eine große Drossel auf der Platine (im Bild s.o. oberhalb > der Motoranschlüsse 4 und 5 von rechts n. links), ich vermute Sieg hatte > bereits die selbe Idee. Die "große" Minidrossel auf der Platine bewirkt bei 100Hz rein gar nix, die ist für Oberwellen/EMV zuständig. Zudem scheints eine Stromkompensationsdrossel zu sein (siehe Layout) und hat damit keine Drosselwirkung für die Restwelligkeit. Für 100 Hz brauchst Du was anderes, schau doch mal in den Link wie groß die Drossel wirklich ist!
Автомат К. schrieb: > Jens G. schrieb: >> Und noch mal, es ist eine Halbphasensteuerung an einem >> Gleichstrommotor. Wer lesen kann ist klar im Vorteil! > > Wer das Layout und die Beschriftung anhand Deiner Bilder interpretieren > kann, ist noch vielmehr im Vorteil (siehe ein Betrag von mir weiter > oben). Komisch, dann hättest du vielleicht auch bemerkt das nur 3 Dioden vorhanden sind, es dürfte demnach nur die obere Halbphase zur verfügen stehen. Das erklärt auch das 50Hz Brummen. > Jens G. schrieb: >> Da ist bereits eine große Drossel auf der Platine (im Bild s.o. oberhalb >> der Motoranschlüsse 4 und 5 von rechts n. links), ich vermute Sieg hatte >> bereits die selbe Idee. > > Die "große" Minidrossel auf der Platine bewirkt bei 100Hz rein gar nix, > die ist für Oberwellen/EMV zuständig. Zudem scheints eine > Stromkompensationsdrossel zu sein (siehe Layout) und hat damit keine > Drosselwirkung für die Restwelligkeit. > Für 100 Hz brauchst Du was anderes, schau doch mal in den Link wie groß > die Drossel wirklich ist! Es sind immer noch nur 50Hz und für die Oberwellen/EMV ist noch eine weitere Drossel auf halber strecke zum Motor verbaut (Beide Kabel 4x durch Rundkern gewickelt). Ich traue dem Hersteller zu das er die Richtlinien damit in etwa einhalten wird.
Jens G. schrieb: > Komisch, dann hättest du vielleicht auch bemerkt das nur 3 Dioden > vorhanden sind, es dürfte demnach nur die obere Halbphase zur verfügen > stehen. Lies doch mal den Betrag von mir durch, den ich an MaWin gerichtet habe und schau Dir das Bild an. Nochmal: Zwei Dioden sind durch Thyristoren ersetzt um den Phasenanschnitt zu machen. Quasi Phasenanschnittssteuerung und Gleichrichtung in einem! Du könntest ja mal die Bezeichnung der dreibeinigen Halbleiter auf den Kühlkörpern posten. Jens G. schrieb: > Das erklärt auch das 50Hz Brummen. Dein Brummen ist 100Hz... Messe es oder oszilloskopiere es doch einfach mal nach. Zudem nimmt man ein 50 Hz Brummen kaum mehr war. Und Trafos brummen auch mit 100 Hz zum Vergleich der Tonhöhe. Jens G. schrieb: > Es sind immer noch nur 50Hz und für die Oberwellen/EMV ist noch eine > weitere Drossel auf halber strecke zum Motor verbaut (Beide Kabel 4x > durch Rundkern gewickelt). Ich traue dem Hersteller zu das er die > Richtlinien damit in etwa einhalten wird. Immer noch 100 Hz... Und ja, ich gehe auch davon aus, dass der Hersteller seine EMV-Maßnahmen einhält. Das hat aber nichts mit der Restwelligkeit zu tun.
Автомат К. schrieb: > Du könntest ja mal die Bezeichnung der dreibeinigen Halbleiter auf den > Kühlkörpern posten. 2x BT152-R600, wahrscheinlich ein Pärchen. > Dein Brummen ist 100Hz... Messe es oder oszilloskopiere es doch einfach > mal nach. Zudem nimmt man ein 50 Hz Brummen kaum mehr war. Und Trafos > brummen auch mit 100 Hz zum Vergleich der Tonhöhe. Leider habe ich kein Oszi und so ein Siglent wollte ich mir bis jetzt nicht antun. Ich schwärme für ein Rohde&Schwarz RTB2002... Danke ich denke ich kenne das Prinzip eines Brückengleichrichters. Müsste dann die Ausgangsspannung bei Maximaleinstellung nicht bei 325V liegen und damit etwa 95V über der Motorspezifikation? Ich kann noch 18,5 Hz hören und Unterschiede in der Tonhöhe kann ich durchaus wahrnehmen, ich habe nur gerade keine Referenz und dann gibt es das Problem der Oberwellen ja noch.... Ich werde mal eine Tonaufnahme machen und das Spektogramm davon auswerten, das müsste ja etwa einen Hinweis geben um welche Tonhöhe es sich nun tatsächlich handelt. So nun aber genug Offtopic, das Brummen ist damit ja immer noch nicht weg und einer Lösung bin ich bisher auch nicht näher gekommen. > Immer noch 100 Hz... Und ja, ich gehe auch davon aus, dass der > Hersteller seine EMV-Maßnahmen einhält. Das hat aber nichts mit der > Restwelligkeit zu tun. -_- Die Quadratur des Kreises ist noch nicht abgeschlossen... Ich habe mal gelernt das man Restwelligkeit mit min. einem großen Elko minimieren kann, je größer desto weniger Restwelligkeit und immer vorausgesetzt das das Netzteil die nötigen Ladeströme bewältigen kann. Aber dann kommt ja das Problem mit der verstellten EMK wieder... Eine Möglichkeit wäre dann ja die Schaltung mit >= 22 kHz zu befeuern, was aber ohne diverse Anpassungen wohl nicht klappen wird und ohne Oszi schon mal gar nicht. Damit sind wir dann auch schon wieder am Anfang, wie ent-brumme ich meinen Spindelmotor? Oder wo finde ich eine passende Schaltung bzw. ein fertiges und geeignetes Steuerungsmodul das man ggf. auch anpassen kann.
Beitrag #5138581 wurde von einem Moderator gelöscht.
Jens G. schrieb: > 2x BT152-R600, wahrscheinlich ein Pärchen. Jens G. schrieb: > Danke ich denke ich kenne das Prinzip eines Brückengleichrichters. Ich habe mir erlaubt, den Brückengleichrichter in Dein Layoutfoto einzuzeichnen, nachdem mir die Polarität der Thyristoren bekannt ist. Damit weißt Du jetzt auch, wo sich Plus und Minus in der Schaltung befinden ;-) Jens G. schrieb: > Müsste dann die Ausgangsspannung bei Maximaleinstellung nicht bei 325V > liegen und damit etwa 95V über der Motorspezifikation? Nein, der Effektivwert der ungesiebten Gleichspannung bleibt gleich. Siehe hierzu: https://de.wikipedia.org/wiki/Formfaktor_(Elektrotechnik)#Formfaktoren BTW: Der Spannungsverlauf sieht dann in etwa wie hier dargestellt aus (rechte Abbildung): https://upload.wikimedia.org/wikipedia/commons/8/87/Gleichrichtwert-Anschnitt.svg Wenn Du allerdings einen Elko nachschaltest, ändert sich das natürlich.
Jens G. schrieb: > Die > Spindel wird mit einem 230V Gleichstrom (DC) Motor mit 2,2A angetrieben Ist wohl eher ein Allstrommotor. Mani W. schrieb: > zur "Regelung" sicher die EMK Das ist korrekt.
Werner H. schrieb: > Jens G. schrieb: >> Die >> Spindel wird mit einem 230V Gleichstrom (DC) Motor mit 2,2A angetrieben > > Ist wohl eher ein Allstrommotor. Definitiv nicht! Es ist ausdrücklich ein Gleichstrommotor mit Bürsten und Dauermagneten. Ich kann noch lesen, schreiben und das war kein ablese Fehler. Mit Wechselstrom geht der Motor garantiert kaputt. Bitte nicht alles anzweifeln was ich hier schreibe, ich bin nicht so blöd wie ich hier verkauft werde. > Mani W. schrieb: >> zur "Regelung" sicher die EMK > > Das ist korrekt. Danke, soweit waren wir schon...
Автомат К. schrieb: > Jens G. schrieb: >> 2x BT152-R600, wahrscheinlich ein Pärchen. > > Jens G. schrieb: >> Danke ich denke ich kenne das Prinzip eines Brückengleichrichters. > > Ich habe mir erlaubt, den Brückengleichrichter in Dein Layoutfoto > einzuzeichnen, nachdem mir die Polarität der Thyristoren bekannt ist. > Damit weißt Du jetzt auch, wo sich Plus und Minus in der Schaltung > befinden ;-) Klasse Arbeit, scheint tatsächlich ein Gleichrichter zu sein, Danke! > Jens G. schrieb: >> Müsste dann die Ausgangsspannung bei Maximaleinstellung nicht bei 325V >> liegen und damit etwa 95V über der Motorspezifikation? > > Nein, der Effektivwert der ungesiebten Gleichspannung bleibt gleich. > Siehe hierzu: > https://de.wikipedia.org/wiki/Formfaktor_(Elektrotechnik)#Formfaktoren > > BTW: Der Spannungsverlauf sieht dann in etwa wie hier dargestellt aus > (rechte Abbildung): > https://upload.wikimedia.org/wikipedia/commons/8/87/Gleichrichtwert-Anschnitt.svg > > Wenn Du allerdings einen Elko nachschaltest, ändert sich das natürlich. Also das LC Glied mit einer 0,1µF Kapazität (Werte der Spule leider unbekannt) siebt natürlich nicht wie eines mit einem 250µF Elko, aber ändert das dann nicht doch etwas den Effektivwert? OK, dann sollte das ja endlich geklärt sein, wie kann ich das Brummen (50/100Hz) los werden?
Hi Habe auch eine kleine Rotwerk - zugegeben: das Letzte, was die Maschine machen musste, war eine Rolle Toiletten-Papier 'umzurollen', um darin Geldscheine einzuarbeiten - war ein Hochzeitsgeschenk und kam auch gut an :) Ein Brummen wäre mir aber nicht in Erinnerung, eher ein hochfrequentes Surren. Das Poti musste ich bei Meiner auch Mal tauschen, nach Recherche im Netz wurde dann ein Log-Poti eingebaut - man kann die kleinen Drehzahlen wesentlich feinfühliger einstellen. Bearbeitet wurde Alu, POM, Stahl - halt in entsprechender Zustellung, gehen tut Da aber Einiges mit. MfG PS: Habe den Thread ab dem ~30.ten Beirag nur noch überflogen
So habe das ganze mal Abmikrofoniert und die Spektrumanalyse zeigt primär ein 100Hz Brummen mit allerhand Oberwellen (200/300/400 und 500Hz). Alle anderen Laufgeräusche sind vergleichsweise Leise.
Patrick J. schrieb: > Ein Brummen wäre mir aber nicht in Erinnerung, eher ein hochfrequentes > Surren. Das kommt dann wohl auch darauf an was da surrt und wie hoch die Drehzahl dabei eingestellt ist. Und da ich die Maschine auf Riemenantrieb umgestellt habe ist das surren vom Getriebe bei mir weg. Bleibt also nur noch das Brummen. > Das Poti musste ich bei Meiner auch Mal tauschen, nach Recherche im Netz > wurde dann ein Log-Poti eingebaut - man kann die kleinen Drehzahlen > wesentlich feinfühliger einstellen. Richtig aber oben rum wird das Ding dann ja noch unpräziser. Also will ich ein 10-Gang-Präzisions Poti einbauen der linear läuft, das sollte dann in jedem Bereich eine genaue Drehzahl ermöglichen. > Bearbeitet wurde Alu, POM, Stahl - halt in entsprechender Zustellung, > gehen tut Da aber Einiges mit. Tja, ich muss mir mal die Leitspindeln angucken der Y-Tisch lässt sich von Hand um 0,5 cm verrücken. Ich hoffe das lässt sich leicht beheben. Ich suche ja jemanden der mir die Gleitbahnen aufwerten und schaben könnte.
Автомат К. schrieb: > Die Schaltung enthält schon einen Gleichrichter Ok, gut wenn man den Schaltplan hat.
Jens G. schrieb: >> Bearbeitet wurde Alu, POM, Stahl - halt in entsprechender Zustellung, >> gehen tut Da aber Einiges mit. > > Tja, ich muss mir mal die Leitspindeln angucken der Y-Tisch lässt sich > von Hand um 0,5 cm verrücken. Ich hoffe das lässt sich leicht beheben. > Ich suche ja jemanden der mir die Gleitbahnen aufwerten und schaben > könnte. Die Spindeln kann man nachstellen, die Führungen ebenfalls. Schaben geht, kostet aber mehr wie eine bessere Maschine.
Schreiber schrieb: > Jens G. schrieb: >>> Bearbeitet wurde Alu, POM, Stahl - halt in entsprechender Zustellung, >>> gehen tut Da aber Einiges mit. >> >> Tja, ich muss mir mal die Leitspindeln angucken der Y-Tisch lässt sich >> von Hand um 0,5 cm verrücken. Ich hoffe das lässt sich leicht beheben. >> Ich suche ja jemanden der mir die Gleitbahnen aufwerten und schaben >> könnte. > > Die Spindeln kann man nachstellen, die Führungen ebenfalls. > > Schaben geht, kostet aber mehr wie eine bessere Maschine. Ein Kontakt wäre schön, wo ich das Schaben durchführen lassen kann, ich würde es auch selbst versuchen, wenn mir jemand die Werkzeuge zur Verfügung stellt, aber bis auf einen Schaber von Hazet und die Farbe zum auftragen habe ich noch nichts gefunden.
Jens G. schrieb: > ich > würde es auch selbst versuchen, wenn mir jemand die Werkzeuge zur > Verfügung stellt, aber bis auf einen Schaber von Hazet und die Farbe zum > auftragen habe ich noch nichts gefunden. Die Tuschierplatte (Granit, geschliffen, ab 100€), einige Dosen Bremsenreiniger und Putzlappen fehlen noch. Handschaber (für den Anfänger am besten einen ohne Motor) und Farbe sind billig. Als Zubehör benötigt man sonst nur noch Zeit, Bizeps und Übung, aber das kann man leider nicht ausleihen. Jens G. schrieb: > Ein Kontakt wäre schön, wo ich das Schaben durchführen lassen kann Hier: http://www.ruemema.de/ Einfach mal schauen, welcher Aufwand erforderlich ist, um aus einer ausgeleierten/ab-Werk-krummen Maschine eine brauchbare zu machen. Bei einer Rotzwerk-Maschine definitiv untragbar unwirtschaftlich.
Jens G. schrieb: > ich würde es auch selbst versuchen Vergiss es. Es geht nicht nur darum, die Bahnen glatt zu bekommen, sondern auch alle 4 winkelmässig passend. Und leider geht es nicht nur durch auflegen auf eine glatte Anreissplatte, sondern man braucht ein U und 45 Grad. > wenn mir jemand die Werkzeuge zur Verfügung stellt, aber bis auf > einen Schaber von Hazet und die Farbe zum auftragen habe ich noch > nichts gefunden. Natürlich, das sauteure sind die Prismen und Leisten zum auflegen.
Michael B. schrieb: > Jens G. schrieb: >> ich würde es auch selbst versuchen > > Vergiss es. Es geht nicht nur darum, die Bahnen glatt zu bekommen, > sondern auch alle 4 winkelmässig passend. Und leider geht es nicht nur > durch auflegen auf eine glatte Anreissplatte, sondern man braucht ein U > und 45 Grad. Habe ein Video gesehen wo einer das von Hand gemacht hat und daher weiss ich das man es so macht, ich würde es ja gerne versuchen, Zeit hab ich ja genug nur eben nicht das Werkzeug. >> wenn mir jemand die Werkzeuge zur Verfügung stellt, aber bis auf >> einen Schaber von Hazet und die Farbe zum auftragen habe ich noch >> nichts gefunden. > > Natürlich, das sauteure sind die Prismen und Leisten zum auflegen. Ein Tipp wo ich das her bekomme? In meiner Lehre haben wir einen Präzisionswinkel, einen Satz Feilen und Schulkreide bekommen für sowas, das ist aber nicht ganz das selbe ;)
Bei einer Phasenanschnittsteuerung bekommt du das Brummen nicht weg, weil ja die 50Hz als Grundwelle quasi moduliert werden. Schließ doch mal den Motor vor den Thyristor an oder überbrücke den. Das brummt trotzdem. Aber ist diese Technik bei einem Gleichstrommotor nicht ohnehin unsinnig? PCM wäre da für gewöhnlich das Mittel der Wahl. Diese Thyristorschaltung funktioniert nämlich nur, wenn die EMK des Motors den Thyristor wieder löscht, denn wenn der Laststrom nicht Null oder Negativ würde, würde der Thyristor gezündet bleiben, selbst wenn man das Gate kurzschließen würde. Ein Elko beeinflusst die Signalintegrität und hat deshalb im Lastkreis des Motors nichts verloren. Jens G. schrieb: > Es ist ausdrücklich ein Gleichstrommotor mit Bürsten > und Dauermagneten. Die Treiberschaltung passt halt nicht so ganz, auch wenn sie im Prinzip funktioniert. Jens G. schrieb: > Bitte > nicht alles anzweifeln was ich hier schreibe, ich bin nicht so blöd wie > ich hier verkauft werde. Nur nicht fähig sich mal an die Netiquette zu halten und gleich mit seinem Halbwissen zu schwadronieren. Wenn dem nicht so ist, kannst du ja schreiben was dich qualifiziert. Bastler-Kenntnisse allein reichen nicht. Wenn man etwas wissen will und Unsinn schreibt, sollte man seine Gefühle im Zaum halten und einen Tonfall weg stecken. Das ist hier kein Ponyhof und ein Streichelzoo schon gar nicht. Höhle der Löwen trifft es schon eher. Jens G. schrieb: > Der aufmerksame Leser hätte bemerkt das es sich um einen > Gleichstrommotor (DC) handelt der mit einer Halbphase angesteuert > wird.... Was nicht Stand der Technik ist, dafür aber billig. Jens G. schrieb: > Die Steuerung scheint eine Phasenanschnitt > Regelung zu sein die auch den Strombedarf nach regelt (Last unabhängige > Drehzahl in gewissen Grenzen). Die verbauten Thyristoren erledigen den > Job zuverlässig aber sorgen für ein ordentliches Brummen sowohl in der > Schaltung als auch im Motor. Das vermutest du also? Selbst wenn deine Einschätzung stimmt, ändert das nichts an meiner Aussage. Jens G. schrieb: > Dämlich finde ich deinen Tonfall, schließlich frage ich ja um etwas zu > lernen. Das muss aber auch verdient sein. Einen Anspruch dir oder jemanden anders zu helfen gibts hier nicht. Denk mal drüber nach. > Und noch mal, es ist eine Halbphasensteuerung an einem > Gleichstrommotor. Wer lesen kann ist klar im Vorteil! Die Schaltung hat > u.a. noch ein R/C Glied zwischen Motor und Thyristor, damit dürfte das > Glied eventuelle Ladeströme wohl etwas abmildern... Und wer Sprüche hier kloppt, klar im Nachteil. Was sagst du nun? Jens G. schrieb: > Ich habe mal gelernt das man Restwelligkeit mit min. einem großen Elko > minimieren kann, je größer desto weniger Restwelligkeit und immer > vorausgesetzt das das Netzteil die nötigen Ladeströme bewältigen kann. > Aber dann kommt ja das Problem mit der verstellten EMK wieder... Im Energie-Versorgungen aka Netzteilen ist das größtenteils richtig. In Motorschaltungen liegen die Verhältnisse meist anders. Regelung ist nämlich nicht gleich Regelung. Jens G. schrieb: > Bitte > nicht alles anzweifeln was ich hier schreibe, ich bin nicht so blöd wie > ich hier verkauft werde. Gibts aber Anlass dazu und das sehe nicht nur ich so. Jens G. schrieb: > OK, dann sollte das ja endlich geklärt sein, wie kann ich das Brummen > (50/100Hz) los werden? Andere Treibertechnologie verwenden. Jens G. schrieb: > Müsste dann die Ausgangsspannung bei Maximaleinstellung nicht bei 325V > liegen und damit etwa 95V über der Motorspezifikation? Bei Volllast unter Motornennspannung trifft das zu, aber nicht bei modulierten Spannungen. Da kann man auch Spannungen weit über Nennspannung benutzen. Die Wicklungen halten locker 2KV aus. Entscheidend ist der Strom und die Verlustleistung die im Motor in Wärme umgewandelt wird. Kann man ausregeln.
Schreiber schrieb: > Hier: http://www.ruemema.de/ > Einfach mal schauen, welcher Aufwand erforderlich ist, um aus einer > ausgeleierten/ab-Werk-krummen Maschine eine brauchbare zu machen. Bei > einer Rotzwerk-Maschine definitiv untragbar unwirtschaftlich. Wow, wenn man sich mal die Messprotokolle durchliest von den Maschinen die die Verkaufen bekommt man ja echt feuchte Augen. Ach man, Millionär müsste man sein...
Cerberus schrieb: > PCM wäre da für gewöhnlich das Mittel der Wahl. Korrektur, hab mich verschrieben, es aber erst später bemerkt. Muss natürlich PWM heißen. https://de.wikipedia.org/wiki/Pulsweitenmodulation
Jens G. schrieb: > Schreiber schrieb: > Hier: http://www.ruemema.de/ > Einfach mal schauen, welcher Aufwand erforderlich ist, um aus einer > ausgeleierten/ab-Werk-krummen Maschine eine brauchbare zu machen. Bei > einer Rotzwerk-Maschine definitiv untragbar unwirtschaftlich. > > Wow, wenn man sich mal die Messprotokolle durchliest von den Maschinen > die die Verkaufen bekommt man ja echt feuchte Augen. Ach man, Millionär > müsste man sein... Laut Homepage sind die nicht so teuer, ab 50k€ wechseln die Maschinen ihren Besitzer. Bei gewerblicher Nutzung zwar nicht billig, dafür aber definitiv preiswert.
Hi Jens G. schrieb: > Ich hoffe das lässt sich leicht beheben. > Ich suche ja jemanden der mir die Gleitbahnen aufwerten und schaben > könnte. Hier sind Einige unterwegs, Die auch Schaben, sich selber Tuschierplatten zurecht schleifen (man benötigt drei Platten) und auch sonst viel mit spanabhebendem Zeug zu tun haben. http://forum.zerspanungsbude.net Vll. findest Du Jemanden in Deiner Nähe, bei/mit Dem Du an Deinem Maschinchen schaben kannst - dann wäre das Werkzeug und Jemand mit Ahnung bereits vorhanden :) MfG
Bitte melde dich an um einen Beitrag zu schreiben. Anmeldung ist kostenlos und dauert nur eine Minute.
Bestehender Account
Schon ein Account bei Google/GoogleMail? Keine Anmeldung erforderlich!
Mit Google-Account einloggen
Mit Google-Account einloggen
Noch kein Account? Hier anmelden.





