Hallo liebes Forum, ich habe eine Frage bzgl einer Schaltung. Ich habe eine Wechselspannung von 6VA / 50Hz Diese liegt an einem Widerstand, dabei soll ein Strom von 80mA durchfließen. Jetzt ist die Frage, wie berechne ich den Widerstand bei Wechselspannung? I = U/R wäre ja die Formel für Gleichspannung, gilt diese aber auch für Wechselspannung? Dann wäre es umgestellt: R = U/I und wäre: 75 Ohm = 6V / 80mA Ist das so richtig? Würde mich über eine vernünftige Antwort freuen. Gerne auch mit Erklärung. Danke im vorraus :)
Hallo, die Spannung ist wohl 6V, nicht 6VA. Ansonsten gilt das ohmsche Gesetz auch für Wechselspannung. Die Berechnung ist damit so OK.
Thomas S. schrieb: > die Spannung ist wohl 6V, nicht 6VA. Hallo, danke für den Hinweis, es sollte 6V AC heißen :) Danke für die Bestätigung
Thomas S. schrieb: > Die Berechnung ist damit so OK. ... wenn die 6V AC und die 80mA AC jeweils den Effektivwert der Spannung bzw. der Stromstärke darstellen.
Achim H. schrieb: > Thomas S. schrieb: >> Die Berechnung ist damit so OK. > > ... wenn die 6V AC und die 80mA AC jeweils den Effektivwert der Spannung > bzw. der Stromstärke darstellen. Nein, das gilt auch wenn beides Spitzenwerte sind. Das ohmsche Gesetz gilt immer, auch wenn die Spannng ihren Scheitelwert erreicht. Cheers Detlef
> dabei soll ein Strom von 80mA durchfließen > wenn die 6V AC und die 80mA AC jeweils den Effektivwert > Nein, das gilt auch wenn beides Spitzenwerte sind. Die ursprüngliche Frage war ungenau formuliert. Da nimmt man halt einfach an, er gute Mann will 6V, 80mA für eine Glühbirne und muss mit den Effektivwerten rechnen.
Also ich möchte aus 230 VAC über einen Trafo 6 VAC raus bekommen und über einen Widerstand sollen dabei 80mA fließen.
Petr t. schrieb: > Also ich möchte aus 230 VAC über einen Trafo 6 VAC raus bekommen und > über einen Widerstand sollen dabei 80mA fließen dann muss der Trafo auch 6V liefern, er darf nicht zu klein und nicht zu groß sein.
R = U/I gilt allerding nur für ohmsche Lasten. Bei induktiven, kapazitiven oder gemischten Lasten wird es dann etwas komplizierter. Rein induktiv: X = 2*PI*f*L Rein Kapazitiv: X = 1/(2*PI*f*C) RC oder RL kombiniert, also der Scheinwiderstand/Impendanz wird mit dem Pythagoras aus R (Wirkwiderstand) und X (Blindwiderstand) berechnet. PI ist in dem Fall die Kreiszahl 4,1415... Bin momentan mobil unterwegs, deswegen die Krücke
Petr t. schrieb: > Also ich möchte aus 230 VAC über einen Trafo 6 VAC raus bekommen und > über einen Widerstand sollen dabei 80mA fließen. ...und diesen Widerstand willst Du dann zum heizen benutzen?
Harald W. schrieb: > ...und diesen Widerstand willst Du dann zum heizen benutzen? Nein, nachfolgend soll ein Akku geladen werden.
> Nein, nachfolgend soll ein Akku geladen werden.
Jetzt wird's schwieriger ...
Gibt es noch mehr Würmer, die sich gegen das Herausziehen wehren?
;-)
Petr t. schrieb: >> ...und diesen Widerstand willst Du dann zum heizen benutzen? > > Nein, nachfolgend soll ein Akku geladen werden. Mit Wechselspannung? Da stimmt irgendwas nicht. Du willst also eine Akkuladegerät bauen? Für was für einen Akku?
ok^^ habt mich erwischt, da komme ich aus den Argumenten nicht mehr raus. Ich möchte einen Alkalinelader berechnen: http://de.academic.ru/dic.nsf/dewiki/57249#Wiederaufladen
Damit das Ohmsche Gesetz bei Wechselstrom auch angewendet werden kann, hat man den Effektivwert erfunden. Und der wiederum hat mit Heizen zu tun Der Wechselstrom muss dabei ein reiner Sinus sein, sonst wirds sehr kompliziert mit dem Rechnen. (Spitzenwert, Phasenverschiebung,keine Sinusform, Mischspannung usw.) Wenns um das Laden eines Akkku geht ist das der Fall: Mit Wechselspannung kann man keinen Akku laden. Da braucht man eine Gleichrichterschaltung und irgendwelche Vorrichtungen um den Ladestrom zu begrenzen und auch die Überladung des Akku zu vermeiden. Also beschreib genau, was Du vorhast: welche Größe hat der Akku, welche Chemie hat der Akku (Blei, NIMH,Lion). Das muss man mindestens wissen, wenn man mit Rechnen anfangen will. Denn der Gleichrichter bringt auch Spannungsverlust. Die Gleichspannung muss größer sein als die Spannung des Akku,sonst kann man weder die Spannung noch den Strom begrenzen. Also mit "Trafo 6V und 80mA" kann man zunächst garnichts anfangen.
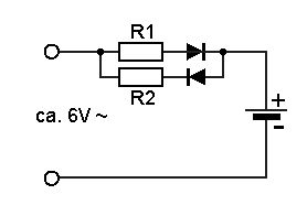
Na also, gehts nicht gleich so? Nimm halt 68 Ohm, für die Auflade-Stromrichtung und etwa 270 Ohm für die Entlade-Stromrichtung. Widerstände mit 1/4 W (übliche bedrahtete Bauform)reichen aus. Die Werte brauchen nicht genau sein, denn ob die Schaltung wirklich richtig arbeitet, entscheidet die Zusammensetzung bzw. der Aufbau der Zelle. Du wirst wahrscheinlich feststellen, dass das "Aufladen" nur sehr dürftig gelingt. Auch die Lebensdauer von 5...20 Ladungsvorgängen wird eher ein Einzelfall bleiben. Aber probiers halt aus.
Ach du Scheiße. Lass doch einfach die Stromverschwendung und kauf Dir lieber einen AKKU!! Immer diese wir-können-alles-auch-wenns-nicht-geht-Gläubigen. Das nervt.
Leroy M. schrieb: > R = U/I gilt allerding nur für ohmsche Lasten. > Nein, das ohmsche Gesetz gilt für alle Lasten. Für ein C lautet der Widerstand, der jetzt Impedanz heißt, 1/(j*w*C), für ein L kriegt man j*w*L. Damit rechnet man mit komplexen Spannungen und Strömen genauso wie mit rein reelen. Cheers Detlef
Bitte melde dich an um einen Beitrag zu schreiben. Anmeldung ist kostenlos und dauert nur eine Minute.
Bestehender Account
Schon ein Account bei Google/GoogleMail? Keine Anmeldung erforderlich!
Mit Google-Account einloggen
Mit Google-Account einloggen
Noch kein Account? Hier anmelden.
