Hallo Forum, trotz wiederholtem Male und Recherchen komme ich nicht weiter : Ich möchte einen DC-Motor 40V / 5A mittels PWM aus einem Arduino betreiben. Der Standard erhitze den MOSFET zu stark. So kam ich auf den IR 2184. Es gibt verschiedene Beispiele, einmal die Applikation mit dem Motor zwischen den beiden MOSFET oder einmal parallel zum oberen. Gate-Widerstände = 10 Ohm. Es funktioniert bei mir in keinster Weise ( Motor immer an, MOSFETS heiss ). Nun habe ich den IR 2184 erst mal alleine betrieben und ich bekomme an LO meine PWM nun auf 12V gehoben invertiert und an HD nur ein statisches Signalvon 10-12V je nach C ( 100nF - 2UF ). Was mache ich falsch ? Vielen Dank für Infos Gruss olmuk
Poste mal den Stromlaufplan. Uwe C. schrieb: > Motor zwischen den beiden MOSFET oder einmal parallel zum oberen hört sich irgendwie gruselig an.
Hallo, so habe ich gemessen ( Bild ) : Die Parallel-Schaltung hatte ich hier im Forum gefunden, kann sie aber momentan nicht finden. Bisher verwendete MOSFET : IRF 1018E, IRF 540N
Uwe C. schrieb: > so habe ich gemessen ( Bild ) : Was Du da zeigst, ist aus dem Datenblatt. Aber was hast DU gemacht? Komplette Schaltung? Wenn Du die hier veröffentlichst, wirst Du morgen in der Firma fertig gemacht, oder was?
Nein, Nein - die Firma bin ich selbst und ich muss mal das Profil ändern, Ärgre darf nur meine Frau machen. Da ist keine andere Schaltung. Ich halte mich an die Schaltung vom Hersteller mit C=100nF als Abblockung und 100nF bis 2uF zwischen VS und VB. VCC = 12VDC.R = 10 OHM. Diode getestet 1N4148 und 1N58, kein Unterschied. MOSFET's IRF540N, IRF 1018E. Die erste Frage war : Habe ich ohne MOSFET's Signale an LO und HO invertiert ? Schon das geht nicht, auch mit etlichen Treibern probiert. PWM dürfte um die 10kHz liegen - mit einem MOSFET und Schottky geht es einwandfrei bis auf die Verlustleistung des MOSFET.
Uwe C. schrieb: > Nun habe ich den IR 2184 erst mal alleine betrieben und ich bekomme > an LO meine PWM nun auf 12V gehoben invertiert und an HD nur ein > statisches Signalvon 10-12V je nach C ( 100nF - 2UF ). Das ist schon okay so, denn ohne eine angeschlossene Last wackelt Vs nicht, und somit funktioniert auch die Chargepump für Vb nicht. Was für Mosfets verwendest du, und haben die einen Kühlkörper?
Uwe C. schrieb: > oder IRF 1018E Na, dann eher den. Rds_on ist ca. 1/5 ggü. IRF540N -> deutlich weniger Verlustleistung Kühlblech/-fläche ist aber sicherlich trotzdem keine schlechte Idee, wenn man 200W treiben will.
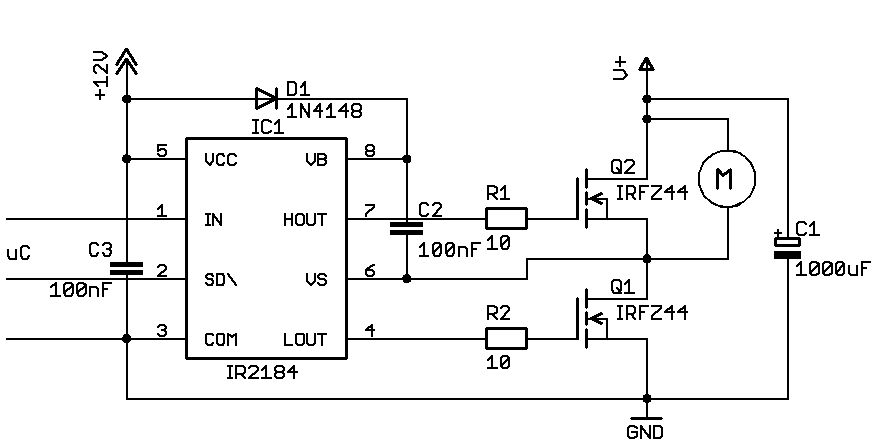
Hallo, wie soll der Motor am Ende funktionieren Nach der Schaltung oben ist jetzt der obere Transistor überbrückt? Also dreht daer Motor in eine Richtung? Oder Welche Vcc ? und V+ ist wirklich vorhanden. Schaltfrequenz? Die Standardschaltung ist das Bild IR2184.JPG der Motor zwischen den Transistoren. der IRF 1018E hat 8mR ; 5Ax8mR=40mW mit Schaltverlusten 100-200mW da braucht man keinen Kühlkörper! mfG www.pinsonne-elektronik.de
pinsonne-elektronik.de schrieb: > der IRF 1018E hat 8mR ; 5Ax8mR=40mW > mit Schaltverlusten 100-200mW da braucht man keinen Kühlkörper! 5A * 0,0084 Ohm = 0,042 V 0,042V * 5A = 0,21W und zwar ohne Schaltverluste...
Uwe C. schrieb: > Motor zwischen den beiden MOSFET oder einmal parallel zum oberen. Zwischen den Mosfet`s? Die schalten abwechselnd ein. Parallel zum Oberen(!) Der macht dann die "Freilaufdiode". Sehr gut. Was nennst Du Verlustleistung? TO220 mit einem Watt erwärmt kannst Du nicht mehr anfassen (ungekühlt). Und wie steuerst Du den IR2184 eigentlich an? Wenn sonst alles passt, mußt Du da den Fehler suchen.
Bitte melde dich an um einen Beitrag zu schreiben. Anmeldung ist kostenlos und dauert nur eine Minute.
Bestehender Account
Schon ein Account bei Google/GoogleMail? Keine Anmeldung erforderlich!
Mit Google-Account einloggen
Mit Google-Account einloggen
Noch kein Account? Hier anmelden.


