Hallo zusammen, Ich habe als Wandler einen IRM-20-24 verbaut. (https://www.reichelt.de/index.html?ACTION=7&LA=3&OPEN=0&INDEX=0&FILENAME=D400%252FIRM-20-DB.pdf) Diesen habe ich in einen Plattenspieler (16W) montiert, um von der alten 110V Einspeisung weg zu kommen. Spannungsmässig ist auch alles wunderbar. Allerdings ergeben sich 2 Probleme: - Knacken in den Boxen des Verstärkers beim Einschalten (Entstörkondensator?) - Der Einschaltstrom mit max 40A laut Datasheet. Da es sich um einen Plattenspieler handelt, ist das Ein- und Ausschalten in kürzeren Abständen nicht auszuschliessen, was eine potentielle Strombegrenzung über zusätzlichen NTC zunichte macht. NTC mit Relais wäre ne Option, aber leider ist kaum Platz fürs Relais vorhanden, bzw "spielen" manche Leute auch mit häufigem Ein- und Ausschalten. Da wüsste ich nicht ob selbst die Option mit Relais für eine ausreichend schnelle NTC Abkühlung sorg. Eine bisherige (blöde) Idee ist, den Trafo zwecks Eingangs-Kondensatorladung in Leerlauf zu fahren (Verlustleistung) und sekundärseitig zu schalten. Habt ihr noch weitere Tipps, wie ich den Strom begrenzen kann? Abgesichert ist nur primärseitig mit T500.
Hallo Manuel Schulze, hast Du ein Oszilloskop, also ein DSO !! zur Verfügung? Nur damit kan man das Problem analysieren. Ich denke die Störung kommr von der Ausgangsseite! Also 12V oder was es ist? Indem man die Betriebsspannung misst beim Ein, bzw. Ausschalten. und das Schaltnetzteil mit dem 110V ?? Aufbau vergleicht! Es ist sicher eine zusätzliche Ausgangssiebung notwendig, Also mehrere Kondensatoren (keramisch LOW ESR) oder besser LC Glied, oder PI-Glied (2xC und 1xL) Aber wie gesagt, erstmal mit DSO Oszilloskop messen damit man die Signalverläufe sehen kann und daraus mit LC Filtern experimentieren kann oder es dann mit LTspice aussimuliert mfG www.pinsonne-elektronik.de
Hallo, > Manuel S. schrieb: > - Knacken in den Boxen des Verstärkers beim Einschalten > (Entstörkondensator?) Die Ursache ist eher nicht auf der Primärseite zu suchen, denn in den Moment wo eingeschaltet wird, steht auf der Sekundärseite noch gar keine Spannung an. Aber genau das ist meist das Problem. Mit dem Ansteigen der Betriebsspannung am Verstärker durchläuft dieser undefinierte Zustande (Arbeispunke) und es werden gleichzeitig auch Spannungimpulse vom Eingang bis zum Ausgang verstärkt. Deshalb wird das Problem bei hochwertigeren Verstärkern umgangen, indem man die Lautsprecher erst zeitverzögert zuschaltet. > Der Einschaltstrom mit max 40A laut Datasheet. Das ist normal noch kein Problem für normale Sicherungsautomaten, weil der Strom nur für paar ms anliegt. > Da es sich um einen Plattenspieler handelt, ist das Ein- und Ausschalten > in kürzeren Abständen nicht auszuschliessen, was eine potentielle > Strombegrenzung über zusätzlichen NTC zunichte macht. Du denkst da viel zu kompliziert. Unter 20W bei 230V macht einen Primärstrom von weniger als 0,1A. Wenn du da einen Reihenwiderstand von z.B. 33 Ohm auf der Primärseite einschleifst, kann der Strom auf kaum mehr als ca. 10A ansteigen. Über den Vorwiderstand fallen dann bei max. 0,1A gerade ca. 3V ab, was einer statische Verlustleistung von ca. 0,3W entspricht. Damit der Widerstand den Inrush current auch verträgt, sollte es schon ein ausreichend robuster Widerstand sein (z.B. 3W Drahtwiderstand). > Abgesichert ist nur primärseitig mit T500. Sichere halt die Primärseite so ab, das die Sicherung nicht gleich kommt, z.B. mit T2A oder so. Als Schutz gegen Fehlerfälle (z.B. Kurzschluss) ist das immer noch sehr wirksam. Denke bei der ganzen Sache auch an die elektrische Sicherheit (Berührsicherheit, Luft- und Kriechstrecken usw.). Gruß Öletronika
U. M. schrieb: > Deshalb wird das Problem bei hochwertigeren Verstärkern umgangen, > indem man die Lautsprecher erst zeitverzögert zuschaltet. Ich vermute, er meint mit "Einschalten" das Einschalten des Plattenspielers.
Vielen Dank für die Antworten und fürs Lesen des Beitrags :) Ja, genau. Ich beziehe mich auf den Einschaltmoment des Plattenspielers. Direkt danach folgt das kurze Knacken in den Boxen. Mit original Spannungsversorgung tritt das nicht auf. Der alte und neue Aufbau sind in den Bildanhängen zu erkennen. Folgendes sollte ich vielleicht noch dazu sagen: Der Plattenspieler wird orignial mit 30V, statt 24V versorgt. Das sollte aber egal sein, da es direkt nach dem Gleichrichter auf dem Mainboard durch nen Festspannungsregler geht, der auf 20V reduziert. Macht er mit meinen 24V auch wunderbar. Allerdings hat der IRM-20-24 ja bereits einen Gleichrichter an Board. Jetzt gehe ich somit durch 2 GR, was aber egal sein sollte wegen internem Diodenprinzip. Wenn ich das jetzt richtig verstanden habe, wird der Einschaltstrom vom Netzteil gar nicht sekundärseitig weiter gegeben, weil es sich um die 5Tau Kondensatorladung eingangsseitig handelt, welche den Strom verursacht? Mit großzügigen 18W Nennleistung bei 24V, hab ich die Primärsicherung jetzt mit TT1A gesichert. Hab mir da 857mA ausgerechnet. TT sollte den Einschaltstrom ja locker weg stecken... Ein DSO hab ich übrigens nicht. Hab ein gutes altes HM303-6 von Hameg. Bin erst morgen wieder in der Werkstatt und werde noch etwas rum probieren wegen dem Knacken.
Hab es jetzt gelöst, indem ich Sekundärseitig ein und aus schalte. Der Spannungsfall (knacken) ist jetzt nur noch kurzzeitig beim einstecken des Schukosteckers vorhanden. Der Eingangskondensator des Schaltnetzteils entlädt sich zwar, aber ziemlich langsam. Wäre also uncool direkt nach dem Stecker ziehen an den Stecker zu fassen. Anmerkung: Standby-Verbrauch ist mit <<0,1W ein Witz. Hab daher mal gemessen und ein bisschen gerechnet: - Als Entladewiderstand hab ich mein Oszilloskop genommen (Ri = 1 MOhm) - Spannung im Kondensator folglicherweise 230V - Entladestrom habe ich 25uA gemessen - R = U/I -> 230V / 25uA = 9,2 MOhm - 9,2 MOhm - 1 MOhm = 8,2 MOhm Ri Netzgerät - Somit sollte maximaler Entladestrom bei 28uA liegen. Laut Diagramm sind <200mA ungefährlich und <0,5mA nicht fühlbar. Und das Diagramm ist für AC. Bei DC in meinem Falle sollten die Schwellwerte höher sein. Preisfrage: ist das nun erlaubt? Haben ja dennoch die 230V kurzzeitig, auch wenn sie völlig ungefährlich sind. Ein Ähnlicher Effekt liess sich auch beim Original-Trafo beobachten. Stecker ziehen, sofort dran fassen und es kribbelt kurz^^
Manuel S. schrieb: > Ja, genau. Ich beziehe mich auf den Einschaltmoment des Plattenspielers. > Direkt danach folgt das kurze Knacken in den Boxen. Mit original > Spannungsversorgung tritt das nicht auf. Trat das Knacken denn auch auf, wenn du den Plattenspieler mit der Originalstromversorgung betreibst und dann den neuen Wandler einschaltest, ohne dass er den Plattenspieler versorgt?
Ja, das neue Schaltnetzteil muss mit keiner Schaltung verbunden sein, damit es nen Spannungsfall verursacht. Kann ich auch 10m neben dem Plattenspieler einschalten, so lange es am gleichen UV-Kreis ist. Gestern getestet
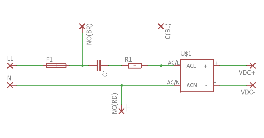
Hallo, nachdem es jetzt auf der Sekundärseite geschalten wird macht der C1 absolut keinen Sinn mehr! Das Weglassen von R1 macht auch keine Störung. mfG www.pinsonne-elektronik.de
Habe ich schon entfernt. Vielen Dank für eure Antworten :D
Bitte melde dich an um einen Beitrag zu schreiben. Anmeldung ist kostenlos und dauert nur eine Minute.
Bestehender Account
Schon ein Account bei Google/GoogleMail? Keine Anmeldung erforderlich!
Mit Google-Account einloggen
Mit Google-Account einloggen
Noch kein Account? Hier anmelden.

