Ab und zu fällt ein Tintenstrahldrucker aus und wird entsorgt. Manchmal befindet sich ein Netzteil zum Ausrasten drin. Mit einem DC-DC Wandler wird daraus ein brauchbares Bastlernetzteil. z.B. http://www.ebay.de/itm/400830390526
Lutz H. schrieb: > Ab und zu fällt ein Tintenstrahldrucker aus und wird entsorgt. > Manchmal > befindet sich ein Netzteil zum Ausrasten drin. > > Mit einem DC-DC Wandler wird daraus ein brauchbares Bastlernetzteil. > z.B. > Ebay-Artikel Nr. 400830390526 Schreib nicht irgend was, sondern welche Ausgangsspannung und welchen Strom darf man erwarten?
Lutz H. schrieb: > Ebay-Artikel Nr. 400830390526 Vergiss die Teile, die halten natürlich nicht was sie versprechen und sind als Labornetzteil ungeeignet.
An 40V Piezostrahlernetzteilen rauchen die China-LMxx Dinger beim ersten Kurzschluß ab. Jede Wette.
Mh, danke für den Hinweis. Ich hab noch nen alten Laserdrucker den ich ausschlachten wollte. Brauch noch was im 80V Bereich für nen Class D Amp. Vielleicht hab ich Glück. Vermutlicher aber nicht und es sind doch Standard 12V oder 24V.
THOR schrieb: > Brauch > noch was im 80V Bereich für nen Class D Amp. Vielleicht hab ich Glück. > Vermutlicher aber nicht und es sind doch Standard 12V oder 24V. Sorry! Aber Deine Aussage ist schon ein wengerl eigenartig...
batman schrieb: > An 40V Piezostrahlernetzteilen rauchen die China-LMxx Dinger beim ersten > Kurzschluß ab. Jede Wette. Was zum Henker sind Piezostrahler und wieso komm ich beim Googeln danach auf ukrainsiche Seiten, doer auf das hier? http://www.gummibaeren-forschung.de/hoer/hoer.htm Aber zum (neben-)Thema - solch Step Wandler taugen zumindest als behelfsmäßiges Ladegerät. Habe zwei davon im Einsatz. Wenn man größere lasten damit betreiben will, sollte man vieleicht sicherheitshalber größer dimensionieren.
Dann nochmal langsam zum Mitschreiben, es geht um Tintenstrahler und die haben heutzutage oft Piezodruckköpfe. Die Versorgungsspannungen liegen bei meinen 2 um die 40V, was für billige Buck-Konverter meist zuviel ist.
batman schrieb: > Dann nochmal langsam zum Mitschreiben, es geht um Tintenstrahler und die > haben heutzutage oft Piezodruckköpfe. Die Versorgungsspannungen liegen > bei meinen 2 um die 40V, was für billige Buck-Konverter meist zuviel > ist. Der TE will aber nicht, das Originalnetzteil eines Tintenstrahldruckers irgendwie durch solch einen Konverter ersetzen, sondern wohl das NT eines anderweitig kaputten Druckers, für etwas anderes verwenden. Dabei kann man mit einem solchen Step-Down Konverter die Spannung wieder runterregeln, je nachdem wofür man sie braucht. Oder hast du es doch richtig verstanden und meinst nur dass das vom TE verlintke Modul halt mit 40 V nicht geht? Okey, das ist klar, dessen Eingang soll bei 5-36V liegen. Da muss man halt messen was das Netzteil liefert. Dieses hier soll aber auch 40V verkraften: https://www.ebay.de/itm/XL4016-DC-DC-Buck-Step-Down-Leistung-Modul-4V-40V-to-1-25V-36V-8A-200W-/322661007200?hash=item4b20183f60:g:7aEAAOSwgIpZhCGm
Vielen Dank für die Antworten. Hier ein Beispiel, Auf diesem Teil steht 24V 1,2A. Ich finde es ist eine optimale Spannung, um weitere Wandler damit zu betreiben. Warnung gerade gelesen: Mein verlinkter Wandler hat eine gefährliche USB Buchse, lieber entfernen oder zukleben, da die Spannung mit der Ausgangsspannung geändert wird. Er kann als Stromquelle oder Spannungsquelle arbeiten. Durch die Anzeige wird die Versorgungspannung und der Versorgungsstrom gemessen. MaWin schrieb: > und > sind als Labornetzteil ungeeignet. Ein gutes Labornetzteil kostet etwas mehr als 4,49 Euro
Alter Hut, hier noch ein Universalnetzteil, diesmal ist Epson der grosszügige Spender gewesen: Beitrag "Re: Quick&dirty - schnelle Problemlösungen selbst gebaut"
wenn man nur so ein 0-30V Labornetzteil hat und man in die Bereiche von LED-Leuchtmitteln kommen will oder sonstwie z.B. mal 50Volt benötigt, kann man sowas schonmal in Reihe zum Labornetzteil hängen. hab selbst kürzlich ein 42V (zweiundvierzig) aus einem Drucker gezogen.
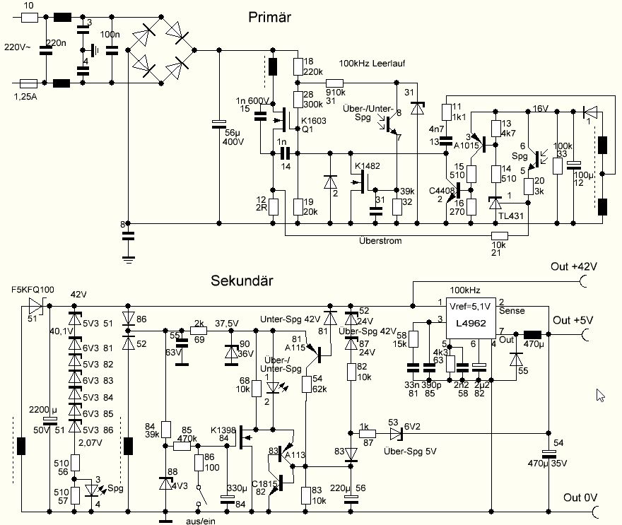
Ich habe auch 3 gleiche Netzteile aus Epson-Druckern. Die wollte ich jetzt mal einsetzen und habe mir dazu die Schaltung aufgenommen (siehe Anlage). Es kommen 42V heraus und 5V über einen zusätzlichen integrierten Schaltregler mit L4962. Ich habe dem L4962 einen Spg-Teiler an Sense verpasst, so daß er jetzt eine beliebige Spannung von 5V bis knapp unter 40V liefert. Die ZD53 als Über-Spg-Schutz habe ich entfernt. Der L4962 schafft theoretisch bis 1,5A, aber ab ca. 0,6A wir alles ein bisschen heiß - das ist abhängig von den unterschiedlich dimensionierten Kühlkörpern. Soweit klappt das bestens, aber ich wollte die 42V erniedrigen, weil ich 2 Spannungen brauche (30V und 12V). Dazu habe ich 2 von den vielen Zenerdioden überbrückt. Das geht vom Prinzip, aber dann schaltet der Haupt-Mosfet Q1 nicht mehr sauber durch. Das liegt daran, dass alle Hilfs-Spg auch keiner werden und jetzt reicht die Mitkopplung über das RC-Glied R11,C13 nicht mehr zum vollen Durchsteuern des Mosfet. Was macht man da? Mir ist die Dimensionierung nicht ganz klar. Kann man R11,C13 sinnvoll anpassen oder einfach an die doppelte Spannung hängen (Anode von D1)? Ich traue mich noch nicht einfach zu probieren. Ich habe im Netz keine Infos über diese Art der Mitkopplung gefunden. Habt ihr Tipps oder eine Info-Seite?
In der Schaltung ist eine Schutzfunktion gegen Über -Unterspannung verbaut. 37,5v Z Diode 90 36V Die Funktion auch anpassen.
Lutz H. schrieb: > In der Schaltung ist eine Schutzfunktion gegen Über -Unterspannung > verbaut. 37,5v Z Diode 90 36V > Die Funktion auch anpassen. Ja, das habe ich gemacht. Die halbe Schaltung besteht aus Schutzfunktionen: Über-Spg 5V, Über-Spg 42V, Unter-Spg 42V, Über-Strom primär.
Der manchem schwer erträgliche Dave Jones hat recht günstige einstellbare Schaltreglermodule untersucht und für gut befunden, mit denen man sich einfache Labornetzteile konstruieren kann, insbesondere, da die Dinger auch über eine einstellbare Strombegrenzung verfügen. Die Ausgangsspannung liegt relativ knapp unter der Eingangsspannung, mit dem hier im Thread erwähnten 24-V-Netzteil ließe sich problemlos ein Labornetzteil mit 0-20 V konstruieren. Die Ausgangsspannung hat eine gewisse Restwelligkeit, aber für viele Zwecke ist das ausreichend sauber. https://www.eevblog.com/2017/10/11/eevblog-1030-20-diy-bench-power-supply/ Hier wird der Wirkungsgrad bei unterschiedlichen Eingangs- und Ausgangsspannungen untersucht: https://www.eevblog.com/2017/10/12/eevblog-1031-25-dps3003-psu-module-characterisation/ Und hier gibt es einen Defekt bei einer Hochlastausführung, bei dem Keramikkondensator(!) spektakulär ablebt: https://www.eevblog.com/2017/11/09/eevblog-1035-flaming-diy-power-supply/ Das Problem (ein mechanisch belasteter Keramikkondensator) aber ist nicht in allen vergleichbaren Modulen vorhanden, und es kann auch repariert werden: https://www.eevblog.com/2017/11/09/eevblog-1036-psu-fire-pcb-repair/ Als Fazit scheinen die Dinger tatsächlich empfehlenswert zu sein.
Wie hoch ist die Spannung über C12 bei verringerter Ausgangsspannung. Die 16V scheinen wichtig zu sein für den Arbeitspunkt von Q1.
Ich habe das Netzteil (42V) und den DC-Motor aus einem C528 PSH Epson Model EPS-83U gewonnen. Der Motor hat eine 3,16mm-Achse. Mit einem 3€-Bohrfutter aus China ist er nun meine Platinenbohrmaschine und wird dabei mit seinem orginal Netzteil betrieben. Dreht zwar nur ca. 5000 U/min, ist dafür aber ziemlich kräftig.
Plötzlich geht es und ich weiß nicht warum. Damit ich gleichzeitig primär und sekundär messen kann, habe ich die primäre und sekundäre Masse verbunden. Plötzlich habe ich ein sauberes Signal mit voll durchgesteuertem Mosfet. Mit 2 kurzgeschlossenen Zenerdioden komme ich problemlos auf die gewünschten 30V. Was war da verkehrt? Das Schaltnetzteil habe ich am Trenntrafo betieben und der Oszi ist geerdet. Sekundär habe ich als Last einen 100 Ohm Festwiderstand angeschlossen - frei schwebend ohne Potentialbindung. Das ergab ein unstabiles, unsauberes Durchschalten des Fet mit starker Abhänigkeit bei sekundärem Ändern der Spannung. Erde ich jetzt die sekundäre Masse, ist alles super stabil. Statt Erdung reicht auch ein keines C zwischen den Massen. Hatte ich nicht erwartet. Hoffentlich wird es nicht peinlich. Jedenfalls habe ich jetzt 3 Schaltnetzteile, die ich auf 2 in weiten Grenzen veränderbare Spannung einstellen kann. Die 42V mit +-200mV hochfrequenten Umschaltschwingung, die man leicht filtern kann und die Spannung des L4962 sehr sauber. Übrigens: das RC-Glied R11,C13 habe ich jetzt an die doppelte Spannung gehängt. Das Durchschalten hat sich deutlich verbessert.
Das die Primärseite und die Sekundärseite von einander isoliert sein müssen ist klar? Deshalb haben mich die herausziehbaren Plastikkästchen so begeistert. Beim Messen auf der Primärseite würde ich die Linie mit der 8 als Bezugspotential nehmen und auf der Sekundärseite das eingezeichnete Massesymbol.
Bitte melde dich an um einen Beitrag zu schreiben. Anmeldung ist kostenlos und dauert nur eine Minute.
Bestehender Account
Schon ein Account bei Google/GoogleMail? Keine Anmeldung erforderlich!
Mit Google-Account einloggen
Mit Google-Account einloggen
Noch kein Account? Hier anmelden.


