Hallöchen zusammen, ich arbeite derzeit an einer Platine, die einen Mega32u4 nutzen wird. Allerdings möchte das Klötzchen keinen Ton von sich geben. Weder per ISP noch per USB (Atmel DFU). Die Platine, die ich machen lassen habe ist (laut Hersteller) zu 100% e-getestet und kann wahrscheinlich als Fehlerquelle ausgeschlossen werden. Ich bin gerade mit meinem Latein am Ende - vielleicht hat ja einer von Euch eine Idee :-( Ich hab den relevanten Teil des Schaltplans mal angehängt. Informationen bzw. was ich bisher gemacht habe: * ATMega32u4 ist jungfräulich direkt aus der Packung (einen zweiten hatte ich auch schon drin - falls der eine zufällig kaputt ist) * Angeschlossen: USB => usbasp => ISP 10pin (der usbasp funktioniert hervorragend woanders - kann auch ausgeschlossen werden) * USB - Spannung: 4,8V * Chip wird nicht warm * Mit Multimeter gemessen: ** sämtliche VCC/AVCC/UVCC pins gegen GND = 4,8V ** sämtliche GND pins gegen VCC = 4,8V ** VBUS 4,8V jetzt wirds komisch: XTAL1/XTAL2 gegen GND = 0,02V <-- ich hab leider kein oszilloskop. Ein ProMicro mit 32u4 zeigt bei mir auf dem MultiMeter ca. 0,66V an UCAP gegen GND => 0 Sämtliche Lötverbindungen sind geprüft Vielleicht hatte einer oder mehrere von euch dieses Verhalten schonmal oder jemand hat eine Idee was ich noch tun kann um hier den Fehler zu finden. :-) Vielen Dank im Voraus! Mfg, Volker
Volker R. schrieb: > Die Platine, die ich machen lassen habe ist > (laut Hersteller) zu 100% e-getestet und kann wahrscheinlich als > Fehlerquelle ausgeschlossen werden. Beim E-Test wird nur die Leiterplatte mit deinem Boarddesign verglichen. Der garantiert noch keine funktionierende Schaltung. Zeig doch mal den Schaltplan zu deiner Platine.
Fuses gesetzt? Im Auslieferungszustand läuft der mit internem Takt, daher funktioniert dort erstmal kein Quarz.
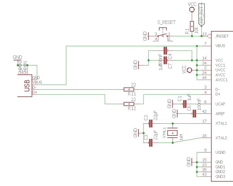
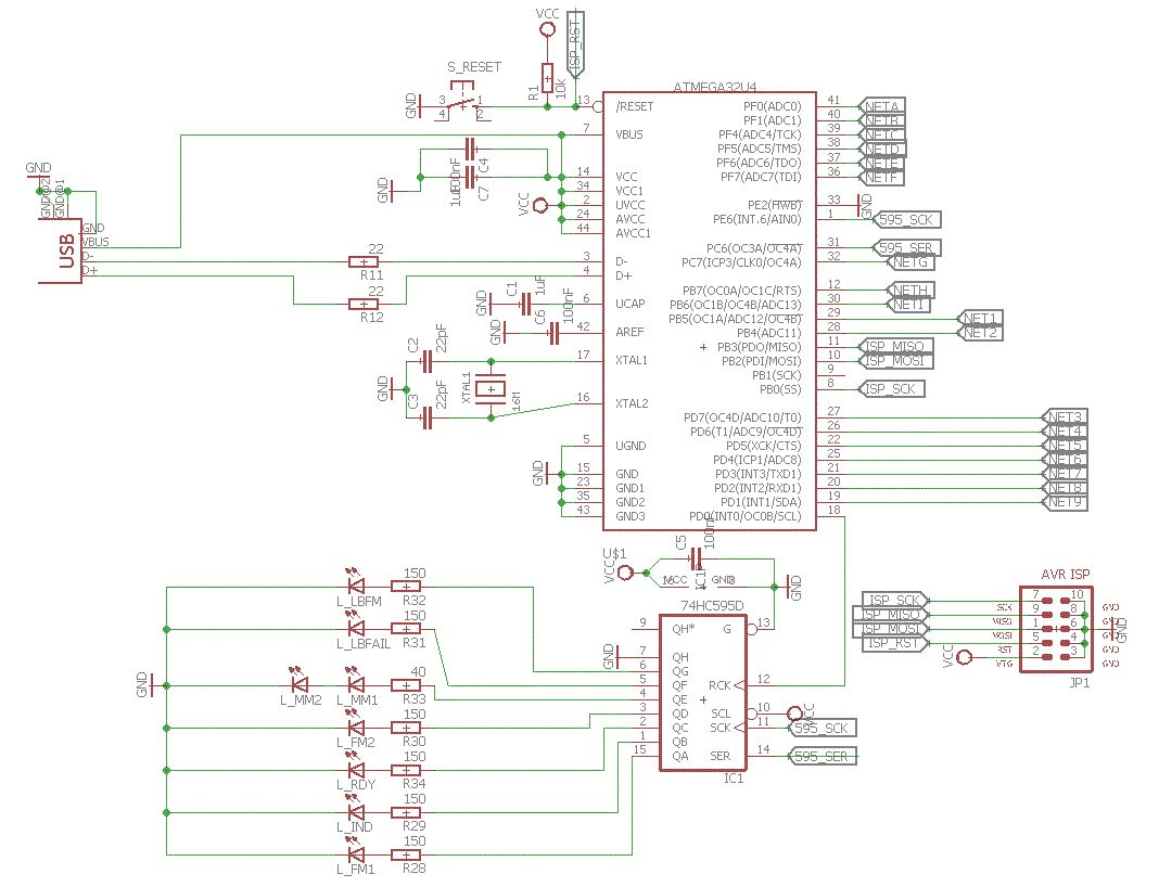
das hier ist der gesamte plan .. bzw der teil des plans vom chip. Dazu kommt noch NET1-9 + NetA-I die eine 9x9 matrixschaltung. Wenn die relevant sein sollte kann ich die auch nochmal hochwerfen
> Fuses gesetzt? Im Auslieferungszustand läuft der mit internem Takt, > daher funktioniert dort erstmal kein Quarz. Soweit komme ich nichtmal. Atmel Studio + USBIsp lässt mich nichtmal die Device Signature auslesen (geschweige denn Fuses)
Und aus welchen Grund hast du QH auf Masse gelegt? Und warum das SR nicht an die SPI?
QH auf Masse war keine grandiose Idee - keine Ahnung warum ich das gemacht hab ehrlich gesagt. Hardware SPI hab ich nicht benutzt weil der 595 so selten geschaltet wird, dass die Geschwindigkeit für mich nicht wichtig war. Ich hab den 595 mal rausgenommen um ihn als Fehlerquelle auszuschließen. Hat aber leider nicht geholfen :-(
An D+ und D- fehlen die Zenerdioden (3V9). So könnte es den USB-Host zerstören.
Dieter F. schrieb: > Sieht das nur wie ein Kurzschluss aus oder ist es einer? das sieht nur so aus .. habs mal vergrößert H.Joachim S. schrieb: > ISP_SCK hockt auf dem falschen Pin :-) Auf Pin7 des ISP, sieht für mich korrekt aus oder irr ich mich? 7 SCK 9 MISO 1 MOSI 5 RST
BlaBla schrieb: > An D+ und D- fehlen die Zenerdioden (3V9). So könnte es den > USB-Host > zerstören. Danke, sehe ich fürs nächste Design vor :-) Fred R. schrieb: > Ist Resetpin auf GND wenn Proger angesteckt? hab ihn gerade dran und steht auf 5V
Volker R. schrieb: > plan2.GIF Was ist das bei JP1 für eine merkwürdige Pin-Anordnung? Passt das zu deinem Programmieradapter?
H.Joachim S. schrieb: > Am MC. > PB1/Pin9. AAAAAH du hast völlig Recht.. wie blind kann man sein Dankeeeeeeee
Wolfgang schrieb: > Was ist das bei JP1 für eine merkwürdige Pin-Anordnung? > Passt das zu deinem Programmieradapter? sieht etwas komisch aus, war ein fertiges bauteil "avr-isp-10" aus der avr-5 library. Im endeffekt aber das gleiche wie ein 10pin Wannenstecker - nur halt mit komischer Anordnung :-D
Durch das einlöten des professionellen Bauteils namens "dicker zinnklotz" meldet sich der 32u4 nun auch. Viele Augen sehen mehr als 2 :-) Sehr geil! Vielen Dank an alle!
Volker R. schrieb: > hab ihn gerade dran und steht auf 5V Dann kommst du auch nicht ans Eingemachte. Reset muss immer GND sein um zu flashen.
Fred R. schrieb: > Dann kommst du auch nicht ans Eingemachte. > Reset muss immer GND um zu flashen. der ist ja durch den PullUp auf 5V bis der USBasp ihn auf GND zieht. Das funktioniert gerade hervorragend :-)))
Bitte beachten, der ATMega32u4 hat einen Booloader drauf und er ist auch entsprechend vorkonfiguriert - FuseBits. Ich verwende dieses hier: https://www.ehajo.de/baus%C3%A4tze/bedrahtete-baus%C3%A4tze/atmega32u4-breakout-board.html?search=ATMega32u4 Die Schaltung ist ausgereift und funktioniert problemlos! http://dokuwiki.ehajo.de/bausaetze:display-adapter:anleitung http://dokuwiki.ehajo.de/_media/artikel:lcd-adapter-004.pdf
Volker R. schrieb: > ich arbeite derzeit an einer Platine, die einen Mega32u4 nutzen wird. Warum nicht etwas für 3,70 € vom freundlichen Chinesen? ebay 381967399038
Bitte melde dich an um einen Beitrag zu schreiben. Anmeldung ist kostenlos und dauert nur eine Minute.
Bestehender Account
Schon ein Account bei Google/GoogleMail? Keine Anmeldung erforderlich!
Mit Google-Account einloggen
Mit Google-Account einloggen
Noch kein Account? Hier anmelden.




