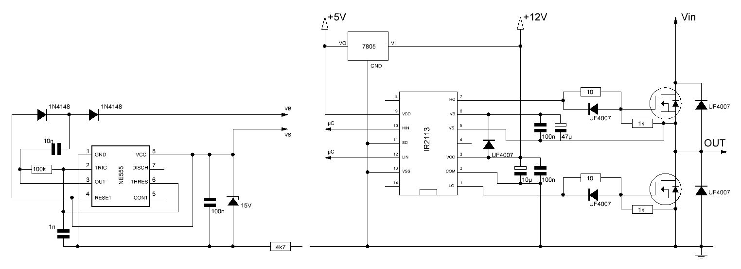
Hallo liebe Gemeinde, ich versuche mich gerade an einer Halbbrücke, basierend auf dem IR2113 und 2xIRZL44N. Die angehängte Schaltung entspricht weitgehend der aus dem Blog: http://tahmidmc.blogspot.de/2013/01/using-high-low-side-driver-ir2110-with.html und funktioniert auch solange die PWM-Frequenz hoch genug ist. Nun habe ich versucht die in der Application Note https://www.infineon.com/dgdl/an-978.pdf?fileId=5546d462533600a40153559f7cf21200 (Bild 16) erwähnte Ladungspumpe anzuschließen. Leider gelingt es mir nicht damit den high-side MOSFET dauerhaft anzuschalten. Nach wenigen Sekunden (ca. 3) schaltet er einfach ab. Der NE555 erzeugt bis dahin das erwartete Rechtecksignal. Die 3 Sekunden erreiche ich auch nur wenn ich den 1K-Widerstand zwischen Gate und Source weglasse, sonst geht es um einiges schneller. Die Ladungspumpe für sich alleine scheint auch zu funktionieren, wenn sie an eine normale Spannung (also ohne diese komische Versorgung aus 4,7kOhm + Zehnerdiode) angeschlossen ist. Hat das irgendjemand schon einmal erfolgreich versucht? Sind die 1K-Widerstände zwischen Gate und Source wie im genannten Blog empfohlen tatsächlich sinnvoll? Vielleicht hat ja jemand eine Idee. Danke schon mal für's Lesen bis hierher.
@Cube_S (Gast) >und funktioniert auch solange die PWM-Frequenz hoch genug ist. Wie hoch? >(Bild 16) erwähnte Ladungspumpe anzuschließen. Leider gelingt es mir >nicht damit den high-side MOSFET dauerhaft anzuschalten. Nach wenigen >Sekunden (ca. 3) schaltet er einfach ab. Der NE555 erzeugt bis dahin das >erwartete Rechtecksignal. Was sagt die Spannung zwischen VB und VS? >Die 3 Sekunden erreiche ich auch nur wenn ich den 1K-Widerstand zwischen >Gate und Source weglasse, sonst geht es um einiges schneller. Was schließt du daraus? >Hat das irgendjemand schon einmal erfolgreich versucht? Nein, aber die Schaltung funktioniert. >Sind die 1K-Widerstände zwischen Gate und Source wie im genannten Blog >empfohlen tatsächlich sinnvoll? Sie sind Unsinn, weil viel zu niederohmig! Dort gehören eher 10k-100k hin! Der 100k Widerstand, welcher GND vom ICM555 mit GND der Leistungsversorgung verbindet, muss an eben diese Spannung Vin angepaßt werden, sodaß ca. 1-2mA fließen. R = U / I = Vin / 2mA Man muß auch beachten, daß in der App-Note von IRF der ICM755 genutzt wird, das ist die sparsame CMOS-Variante vom NE555. Der echte, bipolare NE555 geht nicht, der braucht zuviel Strom! Es gibt auch andere CMOS-Varianten von anderen Herstellern, z.B. TLC555 von TI.
Falk B. schrieb: > Wie hoch? bis 90Hz ging's auf jeden Fall herunter > Was sagt die Spannung zwischen VB und VS? 11.6V mit fallender Tendenz >>Die 3 Sekunden erreiche ich auch nur wenn ich den 1K-Widerstand zwischen >>Gate und Source weglasse, sonst geht es um einiges schneller. > > Was schließt du daraus? dass der 47µF (Bootstrap-) Kondensator schneller ent- als aufgeladen wird. >>Hat das irgendjemand schon einmal erfolgreich versucht? > > Nein, aber die Schaltung funktioniert. Ok, aber ohne Versuch natürlich eine Glaubensfrage. >>Sind die 1K-Widerstände zwischen Gate und Source wie im genannten Blog >>empfohlen tatsächlich sinnvoll? > > Sie sind Unsinn, weil viel zu niederohmig! Dort gehören eher 10k-100k > hin! Ok klingt plausibel, aber Du bist der Meinung, dass da welche sein sollten. Im Datenblatt zum IR211x fehlen sie nämlich genauso wie dieses Dioden-Widerstand-Verzögerungszeugs am Gate. > Der 100k Widerstand, welcher GND vom ICM555 mit GND der > Leistungsversorgung verbindet, muss an eben diese Spannung Vin angepaßt > werden, sodaß ca. 1-2mA fließen. > > R = U / I = Vin / 2mA Dass es mit 100k bei Vin=24V nicht geht ist mir dann auch irgendwann klar geworden (da ging gar nichts). Habe dann ohne zu rechnen einfach mal 4,7kOhm versucht aber das war immer noch zu viel. Mit 1kOhm geht es jetzt. > Man muß auch beachten, daß in der App-Note von IRF der ICM755 genutzt > wird, das ist die sparsame CMOS-Variante vom NE555. Der echte, bipolare > NE555 geht nicht, der braucht zuviel Strom! Es gibt auch andere > CMOS-Varianten von anderen Herstellern, z.B. TLC555 von TI. Mit 1kOhm geht's schon, aber da lag der Hase wohl im Pfeffer. Vielen Dank jedenfalls für die aufklärenden Worte.
Bitte melde dich an um einen Beitrag zu schreiben. Anmeldung ist kostenlos und dauert nur eine Minute.
Bestehender Account
Schon ein Account bei Google/GoogleMail? Keine Anmeldung erforderlich!
Mit Google-Account einloggen
Mit Google-Account einloggen
Noch kein Account? Hier anmelden.
