Welcher Prozessor wurde hier verbaut? Ist es ein ATmega169? Wo findet man einen Schaltplan für diesen Heizungsregler? Könnte auch ein "MAX! Funk-Heizkörperthermostat" sein. Danke Bernhard
Entferne die schwarze Pampe von Chip und schau nach !!!
Wie kommst du auf atmega? Dein "uC" wird unter dem schwarzen blob bei IC2 sein. Lohnt sich nicht das ab zu kratzen
ich tippe auf Display Controller unterm blob Der 8-Piner ist es nicht?
Joachim B. schrieb: > ich tippe auf Display Controller unterm blob Ich tippe auf µC mit integriertem Display Controller unterm "Blob". Der schwarze 8-beiner dürfte ein EEPROM sein. Bernhard S. schrieb: > Ist es ein ATmega169? Wie kommst Du zu dieser Vermutung? Ich würde tippen, dass Atmel zu teuer für sowas ist...
Hab irgendwo (eventuell auch direkt bei ELV/Eq3) schon Schaltungen von ähnlichen Thermostaten gesehen, dort waren OTP-Controller von Samsung verbaut. Also keine gute Basis für eigene Projekte.
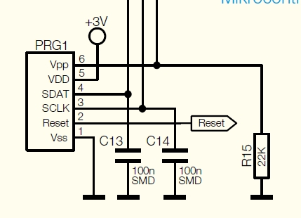
Da ist doch ein 6-Pin Programmiersockel sichtbar. Versuch doch mal den als ISP zu nutzen und einen Programmer anzuschließen.
Hab im Internet etwas dazu gefunden: "Smart home Schematic.jpg" Nur die Auflösung ist nicht besonders, müsste hier irgendwo versteckt sein, konnte es aber nicht finden :-( Vielleicht könnte jemand helfen. https://www.engineersgarage.com/contribution/smart-home-automation-using-avr >Da ist doch ein 6-Pin Programmiersockel sichtbar. Versuch doch mal den >als ISP zu nutzen und einen Programmer anzuschließen. ...bin gerade dabei >> Ist es ein ATmega169? >Wie kommst Du zu dieser Vermutung? Ich würde tippen, dass Atmel zu teuer >für sowas ist... Beitrag "Heizkörperregler THERMOtronic ATmega169 Assembler" >ich tippe auf Display Controller unterm blob ATmega169 incl. 4 x 25 segment LCD driver
Alle Anschlussvariationen mit "mySmartUSB" ausprobiert... ohne Erfolg :-( Scheint wohl doch ein PIC o.ä. zu sein?
Im Anhang, etwas ältere Modelle. Allerdings scheint in allen Thermostaten der gleiche Controller verwendet zu werden, den Pinbezeichnungen nach, wohl MCS-51-artig. Der ISP-Anschluss ist nicht immer eingezeichnet, aber immer vorhanden.
Danke R.M. Kein Wunder, daß ich den µC nicht auslesen konnte, lt. Deinem Schaltplan könnte es auch ein S3CP72N4 sein. Es ist auch kein ISP-Anschluss...leider.
Habe hier den Schaltplan vom Homematic HM-CC-RT-DN, die Schaltung ist aus dem gleichen Stall und sieht vom Foto her relativ identisch aus. Auf jeden Fall ist hier ein STM8L152R8T6 verbaut. Und nein, den Schaltplan werde ich hier nicht veröffentlichen.
Beitrag #5229904 wurde von einem Moderator gelöscht.
Beitrag #5229917 wurde von einem Moderator gelöscht.
Beitrag #5229922 wurde von einem Moderator gelöscht.
Beitrag #5229925 wurde von einem Moderator gelöscht.
Beitrag #5230011 wurde von einem Moderator gelöscht.
Beitrag #5230023 wurde von einem Moderator gelöscht.
Mittels Google kann man übrigens den Schaltplan vom Homematic finden, man suche nach „hm-cc-rt-dn ext:pdf“. Inwieweit das der Schaltung vom obigen Regler entspricht, ist mir allerdings nicht bekannt.
Bitte melde dich an um einen Beitrag zu schreiben. Anmeldung ist kostenlos und dauert nur eine Minute.
Bestehender Account
Schon ein Account bei Google/GoogleMail? Keine Anmeldung erforderlich!
Mit Google-Account einloggen
Mit Google-Account einloggen
Noch kein Account? Hier anmelden.






