Hallo MC Freunde! Ich habe günstigst ca. 200 Stück AT89C4051 erstanden, nun lag natürlich nahe einen Programmer für die alten Dinger zu bauen. Nach langer suche bin ich auf eine Seite gestoßen und habe den DL2TM gefunden und nachgebaut, nun meine Frage und Bitte: Hat jemand diesen Programmer in Betrieb ? ich komme einfach nicht zurecht damit, obwohl gefühlt 50 mal alle Teile und Leitungen geprüft, nach Chip löschen (Erases) und dann ein recht einfaches Programm (natürlich ohne Fehler compiliert) zeigt der Programmer ständig "Fehler beim schreiben" (Error while writing byte). Es ist zum verrückt werden, schreibe ich den leeren Buffer auf den Chip, funktioniert der Programmierlauf, Hin und wieder läuft der Programmiervorgang mit o.g. durch, aber auf dem Chip sind oft ganz andere Werte geschrieben worden. Es ist mir erst ein einziges mal gelungen fehlerfrei einen 4051 zu beschreiben. Laut Oszi sind alle Signale auf Sollpegel. Hinweis: Bascom 8051 läuft auf altem Win98 Laptop über LPT1. Das die 4051 mit der Zeit defekt werden kann ich auch kaum glauben, löschen funktioniert ja, und diese Dinge werden ja auch noch verkauft, die sind ja alle etwa gleich alt. bin für jede Hilfe dankbar auch gerne für einen Hinweis eines anderen Programmers. lg.
Ist natürlich toll, die Schaltpläne in ein exe-file zu packen, ich hab Linux und Wine, die "Archivverwaltung" und 7zip wollen nicht entpacken: http://www.amateurfunkbasteln.de/download.html unten "Atmel AT89C2051/4051 Programmer" Datei: atprog_atbmps.exe Bitmaps erst mit Virtualbox und XP ging es. BMP das ist wirklich alt.
Da war doch mal was mit ECP EPP usw. für den Druckerport. Passt das aktuell?
Hast du mal die 12V geprüft? Der 7812 hat eine Dropout-Spannung von 3 Volt. Dann noch die Verpol-Diode. Ich denke, du solltest es mit mindestens 17 Volt versuchen.
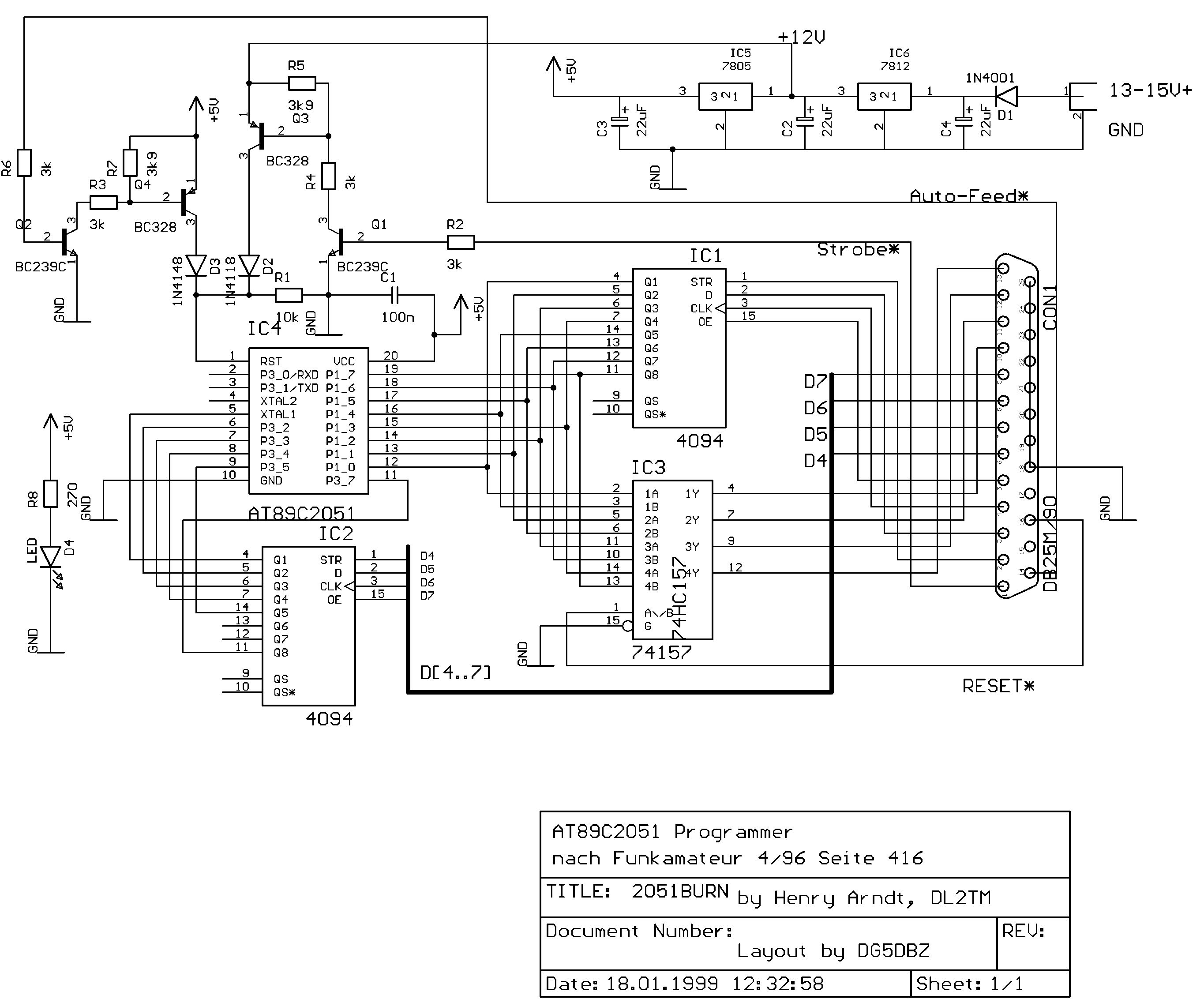
Danke für die schnellen Antworten, das ist der von mir verwendete Schaltplan !!, ECP bzw. EPP hab ich durchprobiert -> hat keinen Einfluss, den 7812 hab ich weggelassen, mit dem Netzgerät kann ich so ganz einfach die Programmierspannung einstellen, habs von 8 bis 18 VDC durchprobiert, nicht geholfen. Ich werd mal den 4094 als HC probieren, (74157 tauschte ich schon in HC bzw. HCT ohne Erfolg). Wegen der Übertragungsgeschwindigkeit, wie kann ich diese verstellen ?, unter Programmer im Bascom gibt es zwar eine Delay zum Einstellen, nur kann ich dabei keinen Einfluss feststellen. und (db1uq) hast recht, das Zeug ist alt, aber ich bin auch nicht mehr jung :) mfg.
>den 7812 hab ich weggelassen, mit dem Netzgerät kann ich so >ganz einfach die Programmierspannung einstellen, habs von 8 bis 18 VDC >durchprobiert, nicht geholfen. Wie schön dass laut Datenblatt 11,5-12,5V benötigt werden. Mit 18V haste den gekillt. Und verwende kurze Kabel unter 30cm.
hallo, Fehler gefunden, R2 + R4 sind mit 3K angegeben, hab 2,7K genommen, habs selber glauben können, aber das war schuld, nun sind 3,3K drin und alles funktioniert tadellos, egal ob die IC TTL, LS, HC, HCT sind. Hab nun einen Laptop mit XP-SP2 und (unbedingt erforderlich) LPT Anschluss. Ich hab mir dazu (wegen der vielen Brücken) Platinen machen lassen (mit 10 Stück Mindestabnahme), wenn jemand Interesse daran hat, ich geb einige fertig gemacht ab (rein Privat als Gebrauchtware, ohne Geschäftliches Interesse), 10 Programmer brauch ich natürlich nicht, Kontakt unter nupe(et)gmx(punkt)at mfg.
Bitte melde dich an um einen Beitrag zu schreiben. Anmeldung ist kostenlos und dauert nur eine Minute.
Bestehender Account
Schon ein Account bei Google/GoogleMail? Keine Anmeldung erforderlich!
Mit Google-Account einloggen
Mit Google-Account einloggen
Noch kein Account? Hier anmelden.
