Hallo, ich wäre für allerlei Denkanstöße sehr dankbar. Trotz intensiver Recherche (Internet, Literature etc.) komme ich bei der folgenden Aufgabe einfach nicht weiter. Gegeben: P=75 kW , nN=2.100min−1 (Nenndrehzahl) , Un=320V , Isn=170A Außerdem noch: LS=747,49 pikoH (Synchroninduktivität), Up=147,1V (Polradspannung), phi=37,3° , Xs=0,66 (Synchronreaktanz) , Q=57,09kW (aufgenommene Blindleistung) und Mn=341Nm (Nenn-Drehmomen) Stromwärme und Reibungsverluste werden vernachlässigt! Frage: Wie groß ist die maximal abgegebbare Leistung, wenn Nennspannung und Nennstrom nicht überschritten werden dürfen? Bei welcher Drehzahl und welchem Drehmoment stellt sich dieser Betriebspunkt ein? (Tipp: Kosinus-Satz) Mein Ansatz: Zuerst die max. Leistung rechnen, d.h. bei cos(phi)=1 (phi=0) habe ich ein Zeigerdiagramm, bei dem die Stator-Spannung Usn und Nenn-Strom Isn in Phase stehen. -> Pmax = wurzel(3)*Un*Isn*cos(0) = wurzel(3)*320V*170A = 94,22 kW Jetzt um die nmax (max. Drehzahl) zu berechnen, kann ich doch das Verhältnis nmax / nN = Upmax / Usn setzen??? Laut Aufgabenstellung bleiben Usn und Isn unverändert, spricht ich zeichne im Zeigerdiagramm die Usn senkrecht ein (siehe Anhang). Leider habe ich immer noch zwei bzw. drei Unbekannten, nämlich Xs (frequenzabhängig), Up und Polradwinkel. Ich brauche einen Tipp. Vielleicht habe ich etwas übersehen. Wahrscheinlich muss ich mit der berechneten max. Leistung irgendwas machen. Außerdem hilft mir der Kosinus-Satz cos(polradwinkel) = (Us²+Up² - (Xs*Is)² ) / 2UsUp nicht wirklich weiter, da eben Up und Xs nicht bekannt sind. (Lösung: nmax=4063min-1 und Mmax=221,5Nm) Danke! mfG
Xs ist eigentlich nicht unbekannt, die Frequenz der Speisespannung ist ja konstant, oder? Damit ist Xs auch als konstant anzunehmen. Ma D. schrieb: > Außerdem noch: > LS=747,49 pikoH (Synchroninduktivität), Up=147,1V (Polradspannung), > phi=37,3° , Xs=0,66 (Synchronreaktanz) , Q=57,09kW (aufgenommene > Blindleistung) und Mn=341Nm (Nenn-Drehmomen) Gilt das für den Nennpunkt? Also für Ma D. schrieb: > Gegeben: > P=75 kW , nN=2.100min−1 (Nenndrehzahl) , Un=320V , Isn=170A Btw, Blindleistung niemals in Watt, Einheit ist VAr, Watt nur für Wirkleistung. Der Hinweis mit dem Cosinussatz lässt mich überlegen, ob da thetha (Polradwinkel) 90° (Kipppunkt) angenommen wird. Ich meinem, denk mal drüber nach...Synchronmaschine an fester Frequenz hat eine fest Drehzahl und ein variables Moment. Dieses ist maximal wenn thetha 90° ist M~sin(thetha). Dh deine Gleichung kann lautet dann 1 = Ma D. schrieb: > (Us²+Up² - (Xs*Is)² ) / 2UsUp Das kannst du jetzt nach den gesuchten Größen auflösen. Ach ja, eine wichtige Formel um allgemein elektrische und mechanische Leistung umzurechnen ist das Wissen das Pmech = M * omega = M *2*pi*n (n muss in 1/s umgerechnet werden)= eta * Pel Ich hab deine Aufgabe nicht selbst durchgerechnet aber ich hab das Gefühl, dass dir noch etwas Erfahrung und Grundwissen fehlen. Aber dafür sind solche Aufgaben ja da. Dran bleiben.
Hm. Irgendwas ist da noch komisch. Wird diese Maschine an fester oder variabler Frequenz betrieben? Darüber hast du leider nichts gesagt. Ich hab nur gerade gesehen, dass du ein Ergebnis hast, bei dem die Drehzahl fast doppelt so hoch wie die Nenndrehzahl ist.
Ralf B. schrieb: > Dh deine Gleichung kann lautet dann 1 = > > Ma D. schrieb: >> (Us²+Up² - (Xs*Is)² ) / 2UsUp da cos(90°) natürlich 0 ist, ist die 1 oben Blödsinn, sondern: 0=....
Ma D. schrieb: > Mein Ansatz: > Zuerst die max. Leistung rechnen, d.h. bei cos(phi)=1 (phi=0) habe ich > ein Zeigerdiagramm, bei dem die Stator-Spannung Usn und Nenn-Strom Isn > in Phase stehen. > -> Pmax = wurzel(3)*Un*Isn*cos(0) = wurzel(3)*320V*170A = 94,22 kW Hab jetzt mal einen Moment Zeit gehabt und mal die mechanische Leistung aus deinem gegebenen Ergebnis berechnet. Liegt auch bei circa 94kW. Ich hab immer noch das Gefühl, das die Angabe der Frequenz fehlt. Sonst könntest du nämlich verschiedene Wege gehen. 1) Xs ausrechnen aus Xs=omega*Ls (mit omega= 2*pi*f) Mit Xs mal Isn den Spannungsabfall ausrechnen, Up bestimmen (ablesen Zeigerdiagramm oder Pythagoras) Dann die Verhältnisgleichung nutzen, die du bereits genannt hast: n_max/n_nenn=Upmax/Upnenn Dann P=M*n um das Moment zu berechnen 2) Über die gegebene Frequenz die dazugehörige Synchrondrehzahl ausrechnen (Polpaarzahl benötigt). Dann aus der el. Leistung wieder über P=M*n
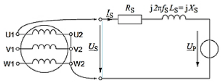
Zunächst einmal danke für die Ratschläge. Das ging ja schneller als gedacht. Zu den Fragen kurz: Ralf B. schrieb: > Xs ist eigentlich nicht unbekannt, die Frequenz der Speisespannung ist > ja konstant, oder? Damit ist Xs auch als konstant anzunehmen. Hätte ich anfangs auch gedacht, jedoch spricht die Formel aus der Synchronmaschinen-Schaltung (siehe Anhang) dagegen: Xs = ws*Ls = 2Pi*fs*Ls in der Frequenz (fs = n*p) befindet sich doch die Drehzahl und Polpaarzahl, daher habe ich vermutet, dass die Xs (Synchronreaktanz) von der Frequenz abhängt. Ralf B. schrieb: >> Außerdem noch: >> LS=747,49 pikoH (Synchroninduktivität), Up=147,1V (Polradspannung), >> phi=37,3° , Xs=0,66 (Synchronreaktanz) , Q=57,09kW (aufgenommene >> Blindleistung) und Mn=341Nm (Nenn-Drehmomen) > > Gilt das für den Nennpunkt? Also für Ja genau, die Werte gelten ebenfalls für den Nennpunkt, die ich aus vorherigen Teilaufgaben berechnet habe. Außerdem habe ich die Polpaarzahl von 4 (achtpoliger permanent-erregter Antrieb) vergessen zu erwähnen. Damit lässt sich die Frequenz berechnen (140 Hz = fs = p*n = 4*2100min-1). Ralf B. schrieb: > 1) > Xs ausrechnen aus Xs=omega*Ls (mit omega= 2*pi*f) > Mit Xs mal Isn den Spannungsabfall ausrechnen, Up bestimmen (ablesen > Zeigerdiagramm oder Pythagoras) > Dann die Verhältnisgleichung nutzen, die du bereits genannt hast: > n_max/n_nenn=Upmax/Upnenn > Dann P=M*n um das Moment zu berechnen Genauso bin ich auch vorgegangen, allerdings bin ich über die Xs und Up (oder Polradwinkel) gestolpert. Um den Zeigerdiagramm komplett zeichnen zu können, brauche ich doch mindestens einer diesen Werten. Ich weiß aber, dass beim max. Wirkleistung Us und Xs*Isn im rechten Winkel zueinander liegen. Mit dem Polradwinkel hätte sich das ganze schnell erledigt. Dann hätte ich einfach im Zeigerdiagramm die Gegenkathete (Xs*Isn) bis zum Winkel verlängert und hätte alles. Ach ja, den Pythagoras habe ich folgendermaßen angewendet: Up² = Us² + (Xs*Isn)² Wobei Up und Xs (glaube?) meine Unbekannten sind. mfG
Schönes einphasiges ESB. Ich werde richtig nostalgisch *g Noch ein paar Grundlagen: Das Ersatzschaltbild ist statorbezogen. Damit sollte fs konstant sein, damit dann auch Xs. Wenn nicht, fehlt die Frequenz, sonst ist das System unterbestimmt. Die einzige drehzahlabhängige Größe ist Up. n und damit Up wird sich so einstellen, dass die komplexe Masche eingehalten wird, in Phase und Betrag. Das kennst du vielleicht im Gleichstromsystem von der Gleichstrommaschine, wo sich die Ankerspannung drehzahlabhängig einstellt. Ma D. schrieb: > Hätte ich anfangs auch gedacht, jedoch spricht die Formel aus der > Synchronmaschinen-Schaltung (siehe Anhang) dagegen: > Xs = ws*Ls = 2Pi*fs*Ls > in der Frequenz (fs = n*p) befindet sich doch die Drehzahl und > Polpaarzahl, daher habe ich vermutet, dass die Xs (Synchronreaktanz) von > der Frequenz abhängt. fs=n*p ist die sog. Frequenzbedingung. fs ist hier die Ursache, nicht die Wirkung, also n die abhängige Variable, nicht umgekehrt, zumindest nicht im Motorbetrieb. Im Generatorbetrieb ist es natürlich so wie du es aufgestellt hast und die Frequenz der Statorspannung würde sich dann gemäß Frequenzbedingung einstellen. Aber den richtigen Schritt hast du schon erkannt. Du bist fast fertig. Du hast das Zeigerdiagramm genau richtig aufgemalt. Us und Is in Phase für maximale Leistung. Damit ist Uxs (Spannung über Xs) Is*jXs. Wegen der Multiplikation mit j ist das ganze dann 90° voreilend, genau wie in deinem Zeigerdiagramm. Damit ist dann Up^2=Un^2+(In*Xs)^2. Ich hab das mal durchgerechnet. Ich komme auf 339.1V als Up und dann mit (Upmax/(Un/sqrt(3)))*n_nenn auf 3854 1/min. Nicht ganz dein gegebenes Ergebnis aber schon nah dran. Kann es sein, dass du eventuell noch eine Angabe für R_s, den Statorwiderstand, hast? Dieser Spannungsabfall In*Rs könnte diese Abweichung leicht erklären.
Ach ja, die Aufgabe hat ein paar interessante Interpretationen, die für das Verständnis förderlich sind. Überleg dir zB. mal was es bedeutet, dass Up tatsächlich fast doppelt so groß ist wie die Strangspannung. Man bezeichnet das ganze wegen der Ähnlichkeit zu einer Gleichstrommaschine auch als Betrieb im Feldschwächbereich und es folgt daraus, dass sich die Drehzahl deutlich über die Nenndrehzahl erhöhen kann. Und die einzige Änderung die man macht ist den Strom auf die Phasenlage der Spannung zu regeln, also cos(phi) auf 1. Man tauscht also Moment für Drehzahl ein. Unter der Nenndrehzahl kann die Synchronmaschine immer ihr volles Moment liefern. Über der Nenndrehzahl sinkt das Drehmoment parabolisch. Eine Hauptanwendung für 100kW PSM sind Elektroautos. Die Tatsache, dass Up im Feldschwächbereich größer als Us ist, muss bei der Auslegung der Isolierung berücksichtigt werden. Die Tatsache das Moment mit Drehzahl sinkt ist allerdings positiv, da dies ähnlich wie ein Getriebe wirkt. Niedriger "Gang", niedrige Drehzahl, hohes Moment. Hoher "Gang", hohe Drehzahl, niedriges Moment.
Bitte melde dich an um einen Beitrag zu schreiben. Anmeldung ist kostenlos und dauert nur eine Minute.
Bestehender Account
Schon ein Account bei Google/GoogleMail? Keine Anmeldung erforderlich!
Mit Google-Account einloggen
Mit Google-Account einloggen
Noch kein Account? Hier anmelden.

