Schönen guten Morgen, ich würde gerne eine Spannung von 5mV (Messsignal eines Shunt, der auf GND liegt) um das 10-fache mit einem OPv verstärken. Das Problem ist, dass ich keine negative Spannung zu Verfügung habe. Warum funktioniert ein Nicht-invertierender Verstärker nur mit einer Positiven und einer negativen Versorgungsspannung? (Habe es ausprobiert! + Simuliert) Welche einfache Möglichkeit gibt es, das ohne negative Versorgungsspannung zu realisieren? Vielen Dank schon mal für die Antworten.
Beitrag #5305837 wurde von einem Moderator gelöscht.
MaWin schrieb im Beitrag #5305837: > tsaG schrieb: >> Warum funktioniert ein Nicht-invertierender Verstärker nur mit einer >> Positiven und einer negativen Versorgungsspannung > > Weil du was falsch gemacht hast. Ok das kann natürlich sein. Wo liegen da die beliebtesten Fehlerquellen bzw. welche Voraussetzungen muss der OP-amp erfüllen das das so richtig funktioniert?
tsaG schrieb: > welche Voraussetzungen > muss der OP-amp erfüllen das das so richtig funktioniert Das, was hacky schon geschrieben hat. Du benötigst einen Opamp, der Ein- und Ausgangsspannungen bis GND erlaubt, also einen sogen. Rail-To-Rail Opamp, zumindest am Eingang. Der o.a. MCP616 erfüllt das.
Allenfalls ist die Shuntspannung unterhalb der Speisespannung, und auch nur wenn's ein paar mV sind.
Ja, man könnte jetzt einwerfen, das der MCP 616 nicht komplett R2R ist, weil die Eingangsspannung nicht bis VCC geht, aber das ist hier auch wurscht. VSS ist jedenfalls erlaubt, und das ist es, was hier zählt.
Beitrag #5306012 wurde von einem Moderator gelöscht.
Beitrag #5306015 wurde von einem Moderator gelöscht.
Also könnte ich diese Shunt-Spannungsverstärker-Schaltung mit einem LM358 durch die gleiche Schaltung ersetzen, nur eben mit einem MCP616? Der LM358 geht zwar fast schon ans untere Rail, aber eben auch nur fast (Spannungen unter 0,15V werden bei single-Supply-Betrieb vom LM358 nicht mehr erfasst)!
Das ist immernoch ein invertierender Verstärker, den du mit Singlesupply betreibst. Wenn dein Bezugspunkt der Verstärkung GND ist (+ Eingang), dann will der deine xxxmV in -xxxmV wandeln. Das kann der nicht ohne negative versorgungsspannung. Lege an den positiven Eingangs die halbe Betriebsspannung an und sorge dafür, dass deine Shuntspannung als Referenz auch diese halbe Betriebsspannung hat. Nimm einfach einen nicht-invertierenden verstärker mit rail to rail op. MCP602 würde gehen.
Äxl (geloescht) schrieb im Beitrag #5306015: > Karl schrieb: >> MaWin schrieb: >>> tsaG schrieb: >>>> Warum funktioniert ein Nicht-invertierender Verstärker nur mit einer >>>> Positiven und einer negativen Versorgungsspannung >>> >>> Weil du was falsch gemacht hast. >> >> Ist das eine blöde Antwort: woher sollten die Designer von >> Operationsverstärker gewusst haben, dass der TO irgendwann einmal einen >> Fehler machen wird? > > ich find's, gelinde gesagt, respektlos dem TO gegenüber. Das macht der Typ doch in jedem Thread. Unfreundlich sein und nichts zum Thema beeitragen. Sag mal, welchen OPV du hast? Hast du eine Schaltung? Was sind die 5mV (Sinus, Gleichspannung, Rechteck usw.). Bitte um mehr Info.
Ach Du grüne Neune schrieb: > Also könnte ich diese Shunt-Spannungsverstärker-Schaltung mit einem > LM358 durch die gleiche Schaltung ersetzen, nur eben mit einem MCP616? Nö. Du legst den nicht invertierenden Eingang auf GND und legst eine leicht positive Spannung auf den invertierenden Eingang. Wo will der Output hin? Er will nach unten Richtung Minus. Nils N. schrieb: > Das kann der nicht ohne negative versorgungsspannung. So isses. Sinnvoll wäre hier also ein nicht invertierender Verstärker, der auch die Auswertung erleichtert.
Karl schrieb im Beitrag #5306012: > Ist das eine blöde Antwort Es entspricht der genau so blöden Frahe von tsaG Ohne Schaltplan, ohne Bauteilwerte, ohne Photo, schreibt er nur genau von den Dingen die funktionieren müssten wenn er alles so gemacht hätte wie er es schreibt. Einen Fehler kann man darin nicht finden, und das: tsaG schrieb: > Wo liegen da die beliebtesten Fehlerquellen setzt dem noch die Krone auf: Nun will er von denjenigen, die sich die Mühe machen zu antworten, dass sie die hunderten von Möglichkeiten aufschreiben, weil er zu faul ist genauere Angaben zu machen. Äxl (geloescht) schrieb im Beitrag #5306015: > ich find's, gelinde gesagt, respektlos dem TO gegenüber. Ich finde die Frageausarbeitung des tsaG frech faul und ein Verstoss gegen die Netiquette, und dich zu dumm, das zu erkennen.
http://www.linear.com/parametric/Current_Sense_Amplifiers https://en.wikipedia.org/wiki/Current_sense_amplifier
Nils N. schrieb: > Das ist immernoch ein invertierender Verstärker Matthias S. schrieb: > Sinnvoll wäre hier also ein nicht invertierender Verstärker Also würde ich es so machen wie jetzt im Bild gezeigt, aber dann könnte ich mit dem 100k Widerstand nicht mehr die Verstärkung so schön einstellen? Nils N. schrieb: > Lege an den positiven Eingangs die halbe Betriebsspannung an und sorge > dafür, dass deine Shuntspannung als Referenz auch diese halbe > Betriebsspannung hat. Laut TO liegt aber der Shunt leider einseitig an Masse: tsaG schrieb: > ich würde gerne eine Spannung von 5mV (Messsignal eines Shunt, der auf > GND liegt) um das 10-fache mit einem OPv verstärken. Das Problem ist, > dass ich keine negative Spannung zu Verfügung habe.
Gut, dann würde der TO einen LT6105 einsetzen und dann würde aber die Schaltung endlich so wie gezeigt funktionieren? Das interessiert mich nämlich auch!
Hast nicht ein gravierendes Problem mit Rauschen? 5mV sind nicht gerade viel. Probier mal den AD8655
Soo, jetzt stimmt's endlich. Und es gibt auch keine Probleme mit Schwingneigungen, weil der 100k Trimmer in der Mitkopplung liegt?
Ach Du grüne Neune schrieb: > Soo, jetzt stimmt's endlich. > > Und es gibt auch keine Probleme mit Schwingneigungen, weil der 100k > Trimmer in der Mitkopplung liegt? Einfach - und + tauschen ist nicht, so macht man keinen nicht-invertierenden verstärker. Du hast jetzt eine Mitkopplung, quasi einen Komparator (auch wenn der hier unnütz ist, da Singlysupply und GND als Vergleichsspannung). Schau mal bei Wikipedia unter opamps und nicht-invertierenden Verstärker. Dir fehlt hier einiges an Grundlage.
Kannst du mir endlich sagen, was für ein Signal auf dem Shunt anliegt? 5mV Sinus? 5mV Rechteck? 5mV Gleichspannung?
Das Schluesselwort heisst nicht-invertierenden Verstaerker...
Nils N. schrieb: > Schau mal bei Wikipedia unter opamps und nicht-invertierenden > Verstärker. Dir fehlt hier einiges an Grundlage. Oder hier im Forum den Artikel Operationsverstärker-Grundschaltungen, der hat mir zumindest sehr geholfen. Gruß, PatHoff
Könnte das so funktionieren? (Ich weiß extrem unschön gezeichnet hab aber kein Scanner) PS: Für was steht die Abkürzung TO?
Nils N. schrieb: > Lege an den positiven Eingangs die halbe Betriebsspannung an und sorge > dafür, dass deine Shuntspannung als Referenz auch diese halbe > Betriebsspannung hat. Das kann ich machen, dann kann ich aber auch weiterhin den LM358 verwenden und hätte sogar eine einstellbare Verstärkung bis weit über 100. Der 10nF dient nur zur Rauschunterdrückung. Aber das größte Problem ist jetzt, dass der Shunt potenzialmäßig keinen Bezug mehr zu GND hat. Und genau darum geht es. tsaG schrieb: > Ein steilflankiges Rechtecksignal Ein nachgeschalteter Tiefpass am Ausgang (RC-Glied) bildet automatisch den arithmetischen Mittelwert.
tsaG schrieb: > (Ich weiß extrem unschön gezeichnet hab aber kein Scanner) Aber ein Handy und Papier und Bleistift tsaG schrieb: > Für was steht die Abkürzung TO? Für dich (Thread Owner) tsaG schrieb: > Könnte das so funktionieren? Nein Was hast du an den mehrfach schon gezeichneten Schaltplänen und an dem Text "nichtinvertierender Verstärker" NICHT verstanden? Ach Du grüne Neune schrieb: > Das kann ich machen, dann kann ich aber auch weiterhin den LM358 > verwenden und hätte sogar eine einstellbare Verstärkung bis weit über > 100. Der 10nF dient nur zur Rauschunterdrückung. Bist du ein alter Ego des TO oder hast du den Thread gekapert? Dein Bild hat doch nichts mit dem Problem des TO zu tun. Und ein Schaltplan zeichnet man nicht so wie du das da machst.
Der Andere schrieb: > Bist du ein alter Ego des TO oder hast du den Thread gekapert? Nein. Der Andere schrieb: > Dein Bild hat doch nichts mit dem Problem des TO zu tun. Doch, die vorherigen Bilder haben nur nicht funktioniert, obwohl der TO das aber eigentlich so bräuchte. Ich habe nur das gemacht was Nils N. mir empfohlen hatte: Nils N. schrieb: > Lege an den positiven Eingangs die halbe Betriebsspannung an und sorge > dafür, dass deine Shuntspannung als Referenz auch diese halbe > Betriebsspannung hat. Der Andere schrieb: > Und ein Schaltplan zeichnet man nicht so wie du das da machst. Doch, nur dass der Shunt nicht einfach so in der Luft rumhängt, da gebe ich Dir Recht.
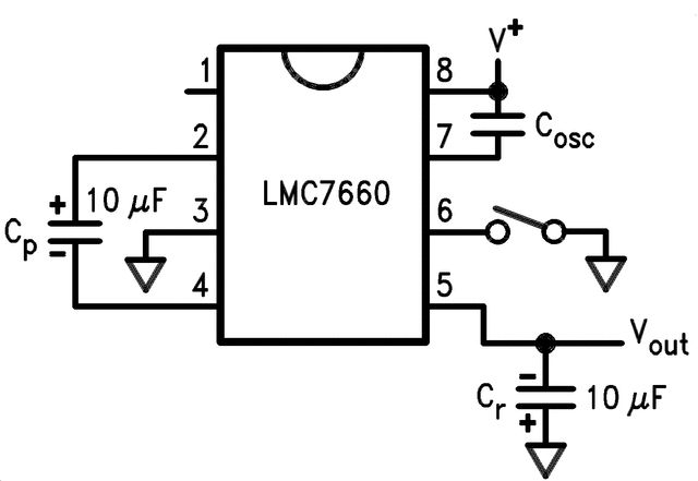
tsaG schrieb: > Das Problem ist, > dass ich keine negative Spannung zu Verfügung habe. Du könntest auch mit einem LMC7660 eine negative Spannung für Deinen OPV erzeugen, dann würden sich alle Probleme in Wohlgefallen auflösen.
tsaG schrieb: > Könnte das so funktionieren? Das ist im Prinzip richtig. Nun klopf das Dings mal in LTSpice ein und gebe ihm eine Rampe auf den Eingang. Dann siehst du, wo es noch in der Dimensionierung hakt. Ach Du grüne Neune schrieb: > Ach Du grüne Neune Es wäre schön, wenn du den Thread nicht mit deinen Fragen verwässerst, mach doch einen eigenen auf. Wie schon angemerkt, ist LTSpice ein guter Simulator gerade für OpAmp Schaltungen, da kann man so gut wie alles simulieren. > Du könntest auch mit einem LMC7660 eine negative Spannung für Deinen OPV > erzeugen, dann würden sich alle Probleme in Wohlgefallen auflösen. Und tritts dir wieder andere Probleme ein, denn der Chip erzeugt eine schöne Frequenz im Hörbereich, die man auch erstmal wieder wegfiltern muss.
Matthias S. schrieb: > Und tritts dir wieder andere Probleme ein, denn der Chip erzeugt eine > schöne Frequenz im Hörbereich, die man auch erstmal wieder wegfiltern > muss. Die 7660S Variante (wichtig, mit S am Ende) schaltet im nicht hörbaren Frequenzbereich. Aber Ladungspumpen sind immer irgendwie unschön.
Ach Du grüne Neune schrieb: > Der Andere schrieb: >> Und ein Schaltplan zeichnet man nicht so wie du das da machst. > > Doch, nur dass der Shunt nicht einfach so in der Luft rumhängt, da gebe > ich Dir Recht. Nein, man zeichnet kein Dil Gehäuse in einem Schaltplan! Das ist eher ein Zwitter aus Schalt- und Lochraster-Verdrahtungsplan. Der To braucht einen Verstärker mit Faktor +10 und nichts mit jenseits von 100 und per Trimmer einstellbar (was übrigens die Temperatur und Langzeitstabilität der Verstärkung so wie gezeichnet ziemlich versaut). Die beiden Dioden sind so unnütz. Der Hinweis mit dem 7660 ist auch nicht nötig zumindest bei derzeitigen Anforderungen des TO. Wobei erst mal zu klären wäre was tsaG schrieb: > steilflankiges Rechtecksignal genau heisst (Frequnz und Anstieg/Abfallzeit der Flanken.
Matthias S. schrieb: > Es wäre schön, wenn du den Thread nicht mit deinen Fragen verwässerst, > mach doch einen eigenen auf. Sehr richtig
Matthias S. schrieb: > Es wäre schön, wenn du den Thread nicht mit deinen Fragen verwässerst, > mach doch einen eigenen auf. Ich habe mich halt auch genau für dieses Problem interessiert und das schon seit Jahren. Ich werde mich aber jetzt zurückhalten und diesen Thread nur noch beobachten. Bin gespannt auf eine EINFACHE Lösung von euch.
Frequenz soll ca. 400kHz betragen. Anstiegs- und Abfalzeit liegt geschätzt bei 2,5ns
tsaG schrieb: > Anstiegs- und Abfalzeit liegt geschätzt bei 2,5ns Und du erwartest die 2,5ns auch am Ausgang des OPV? Dann kannst du alle bisher vorgeschlagenen Lösungen vergessen, keiner der hier behandelten OPVs kommt annähernd in diesen Bereich. Wenn du diese Flankensteilheit wirklich brauchst, dann ging die ganze bisherige Diskussion am eigentlichen Problem vorbei, weil diese kritische Randbedingung nicht klar war. Wenn du deine Anforderungen an die steilen Flanken deutlich reduzierst, dann löst die Standardschaltung eines nicht-invertierenden OPV-Verstärkers dein Problem, sofern der OPV an Eingang und Ausgang bis an die untere Versorgungsspannung herankommt. Verschiedene OPV-Typen, die das können, wurden schon aufgeführt. Den Link zu der Beschaltung gab es oben ebenfalls schon (https://www.mikrocontroller.net/articles/Operationsverst%C3%A4rker-Grundschaltungen#Verst.C3.A4rkergrundschaltungen)
Naja, es gibt schon schnelle R2R Opamps, wie z.B. die LT620x Serie, allerdings kann es hier sein, das 5V Speisung knapp werden.
Matthias S. schrieb: > Naja, es gibt schon schnelle R2R Opamps, wie z.B. die LT620x Serie, > allerdings kann es hier sein, das 5V Speisung knapp werden. Ich habe ja auch nicht geschrieben, dass die Schaltung damit unmöglich wird. Ich habe nur geschrieben, dass alle bisher diskutierten Exemplare das bei weitem nicht können. Und wenn man aus meinen Zeilen herausliest, dass ich dem TO empfehlen würde, sich erst mal mit etwas langsameren (einfacheren) Lösungen zufrieden zu geben, dann war das durchaus auch beabsichtigt.
Matthias S. schrieb: > die LT620x Serie den hab ich grad nochmal angeschaut. Für 2,5 ns Anstiegszeit bräuchte der Verstärker eine Bandbreite von 0,35/2,5ns=140MHz. Da die Signalverstärkung 10 sein soll, müsste das GBW des OPVs nochmal einen Faktor 10 höher liegen. Das ist weit von dem entfernt, was der LT620x kann. Und es ist tatsächlich nichts, was der TO mit seinem Wissensstand aufbauen sollte. Wenn er mit einem hundert mal langsameren OPV klar kommt, wäre das schon mal ein guter Anfang.
Der post von tsaG von 06.02.2018 13:58 passt. So geht's. Aber mit 2.5ns Anstiegszeit wird's nichts. Egal welcher OpAmp. Denn wenn man so fragt, schafft man kein Design, das so schnell ist. Zudem ist fraglich weshalb man einen so schnellen Shut hat und braucht.
tsaG schrieb: > Anstiegs- und Abfalzeit liegt geschätzt bei 2,5ns Hi, was wäre denn mal mit messen??? 2,5nS sind schon ordentlich, egal ob bei 400KHz oder 400Hz. Vielleicht schaust du mal nach Video-Ops, z.B. bei LT. Viel Spass, Rainer
Bitte melde dich an um einen Beitrag zu schreiben. Anmeldung ist kostenlos und dauert nur eine Minute.
Bestehender Account
Schon ein Account bei Google/GoogleMail? Keine Anmeldung erforderlich!
Mit Google-Account einloggen
Mit Google-Account einloggen
Noch kein Account? Hier anmelden.






