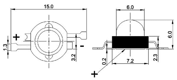
Auf dem Bild ist eine SMD LED mit einem Thermalpad. Frage: sollte man solche Leuchtdioden von unten mit der Kupferfläche auf der Leiterplatte verlöten oder vielleicht Wärmeleitpaste drauf schmieren? Vielen dank in Voraus.
Das Pad ist zum Anlöten da, wie bei allen anderen Chips mit Thermal Pads auch. Ist halt nicht recht lötkolbentauglich. MfG Klaus
Klaus schrieb: > Das Pad ist zum Anlöten da, wie bei allen anderen Chips mit Thermal Pads > auch. Ist halt nicht recht lötkolbentauglich. Nicht alles was eine Verallgemeinerung ist, ist auch eine gute Empfehlung. Hab' bei genügend 4W China MR16-Lampen die 1W-Leds getauscht, da war immer Wärmeleitpaste zwischen Pad und Platine, als auch zwischen Platine und Alukühlkörper. Das ist durchaus verständlich, das Auflöten würde die Leds erheblich unter Wärmestress setzen, warum sollten man so dumm sein, gezielt für Ausschuss zu sorgen, nur um einen etwas besseren Wärmeübergang auf die Platine zu erreichen? Außerdem sind die Ledpins problemlos handlötbar, beim Auflöten des Pads ist damit Schluss. Ergo: Wärmeleitpaste ist für eine normale, ohne mit Speziallötmitteln machbare Verarbeitung genau richtig.
Hmmm, löten ist eigentlich nicht das Problem, das Pad auf der Leiterplatte hat Vias, ein Prehater und eine Heißluftstation sind vorhanden, die Überlegung war eher, was die bessere Lösung ist...
led schrieb: > die Überlegung war eher, was die bessere Lösung ist... Definiere "bessere". Wärmeableitung auf die Platine ist mit Auflöten des Pads besser, Einlöten oder Ersatz ist mit WLP einfacher. Kommt wohl auch auf die abzuführende Leistung an, wozu nichts geschrieben wurde.
> Klaus schrieb: > Hab' bei genügend 4W China MR16-Lampen die 1W-Leds getauscht, da war > immer Wärmeleitpaste zwischen Pad und Platine, als auch zwischen Platine > und Alukühlkörper. Genau bei diesen Leuchtmiteln habe ich anfangs eine hohe Ausfallrate gehabt. Allerdings war die Wärmeleitpaste zwischen Platine und Kühlkörper hingepfuscht. Dann habe ich die LEDs getauscht und incl. Thermal Pad auf der Herdplatte neu verlötet (allerdings mit bleihaltigem oder Bismut Lot). Seitdem laufen die Lampen ohne Probleme. Reflow mit IR Heizung oder Heißluft sollte man aber besser nicht verwenden. Damit würden die LEDs geschädigt.
Einhart P. schrieb: >> Klaus schrieb: Das schrieb nicht Klaus. > Dann habe ich die LEDs getauscht und incl. Thermal Pad auf der > Herdplatte neu verlötet (allerdings mit bleihaltigem oder Bismut Lot). Ohne Verlöten des Thermal Pads, nur mit WLP und Austausch der Leds gegen qualitativ hochwertigere Typen ergab das bei mir das gleiche Ergebnis: > Seitdem laufen die Lampen ohne Probleme. Das sagt also gar nichts aus. Bei 5W pro Led würde ich für Auflöten plädieren.
Ich weiß nicht, warum hier wieder seltsame Meinungen auftauchen. Schaut man sich die Verarbeitungshinweise der Hersteller an, so äußern diese klar, dass das thermal pad verlötet werden muss. Also macht man das dann auch. Zum Basteln kann man sicherlich auch Wärmeleitpaste verwenden, sollte dann aber bitte auch für einen entsprechend hohen Anpressdruck sorgen, damit der Wärmeübergang nicht allzu schlecht ist. LEDs sind für Lötprozesse spezifiziert, die gehen dadurch nicht kaputt, wenn man das sorgfältig durchführt. Der bessere Wärmeübergang durch verlötete thermal pads sorgt übrigens auch für bessere Effizienz, da die LED kühler bleibt und daher für einen geforderten Lichtstrom weniger Strom benötigt. Wenn man seine eigenen Platinen macht, kann man die Lötfläche für das thermal pad so groß auslegen, dass man mit dem Lötkolben noch daran kommt, wenn die LED darauf sitzt. Ordentlich vorverzinnen und mit einer großen Menge Flussmittel ausstatten (alternativ Lotpaste und extra Flussmittel verwenden), die LED aufsetzen und das Pad dann mit einer großen Lötspitze zügig erwärmen, bis die LED aufschwimmt und daher ordentlich benetzt wurde. Das ist nicht optimal, da man hierdurch eine relativ dicke Schicht Lötzinn zwischen LED und Platine erzeugt, die die Wärme nicht extrem gut leitet, aber immer noch besser als Wärmeleitpaste.
someone schrieb: > Ich weiß nicht, warum hier wieder seltsame Meinungen auftauchen. Es wird schon noch mehr geben, was Du nicht weißt. > Schaut > man sich die Verarbeitungshinweise der Hersteller an, so äußern diese > klar, dass das thermal pad verlötet werden muss. Behauptungen bitte mit Zitat und Referenz der "Hersteller". Tatsächlich zeigen kommerzielle Produkte wie die erwähnten Led-Lampen, dass die Verarbeitung auch anders erfolgt. Und wären die Leds verlötet gewesen, hätte man nicht vernünftig austauschen können, das wäre dann Elektroschrott geworden. War doch super, dass da jemand eine "seltsame Meinung" hatte.
Und wo ist zu deiner Behauptung, daß Wärmeleitpaste ausreicht, das Zitat und die Referenz von einem Hersteller ?
MWS schrieb: > Tatsächlich zeigen kommerzielle Produkte wie die erwähnten Led-Lampen, > dass die Verarbeitung auch anders erfolgt. kommerziell - issklar. Du meinst 'billig' aus China? Wen wunderts. Die vollautomatische Bestückung inklusive Lötprozeß lässt doch garkeine andere Herangehensweise zu, als die LEDs ganz normal, wie jedes andere Bauteil auch, mit zu verlöten. Es wird sicher in "fernost" kommerzeille Bastelklitschen geben, die die Cree-Clone mit der Hand setzen und dann WLP zwischenschmieren. Ich hätte hier im Prozeß Probleme, die LED NICHT anzulöten, sondern mit Paste händisch zu setzten. ZU Hause am Basteltisch: das ist dann schon etwas tricky, wenn man sich nicht zu helfen weis. Man kann aber die PLatine auf einen 20W-Halogenspot legen und der wärmt die von unten durch. Dann reichen rel. kleine Wärmeenergiemengen, um die Oberseite zügig mit wenig Zinn zu verlöten.
Verlöten mag ja das Beste sein, wenn aber die Kupferfläche aufgrund ihres Querschnitts und der Oberfläche nicht in der Lage ist die Wärme anständig weg zu leiten, dann bringt das Verlöten auch nicht viel. Es hat schon seinen Grund, wieso LED hauptsächlich auf MPCB wie Starplatinen z.B. verlötet werden, und nicht auf normale Platinen mit Kupferfläche. Das geht zwar auch, dann doch aber eher kleine SMD-LEDs weit unter 1W und nicht wo 3-5W in einem einzigen Emitter konzentriert sind.
E. S. schrieb: > wenn aber die Kupferfläche aufgrund > ihres Querschnitts und der Oberfläche nicht in der Lage ist die Wärme > anständig weg zu leiten, dann bringt das Verlöten auch nicht viel. Und was soll die WLP dann dort verbessern?
Christian B. schrieb: > E. S. schrieb: >> wenn aber die Kupferfläche aufgrund >> ihres Querschnitts und der Oberfläche nicht in der Lage ist die Wärme >> anständig weg zu leiten, dann bringt das Verlöten auch nicht viel. > > Und was soll die WLP dann dort verbessern? Das musst du schon dich im Selbstgespräch fragen, da ich das gar nicht behauptet habe.
Micid schrieb: > Sag mal welche LED das ist. Es steht immer im Datenblatt Wahrscheinlich irgendeine China-LED mit einem Chip der vor 10 Jahren aktuell war, vielleicht 20% Wirkungsgrad hat und jetzt noch billig bei eBay, Aliexpress abgewrackt wird. Müllentsorgung sozusagen.
Bitte melde dich an um einen Beitrag zu schreiben. Anmeldung ist kostenlos und dauert nur eine Minute.
Bestehender Account
Schon ein Account bei Google/GoogleMail? Keine Anmeldung erforderlich!
Mit Google-Account einloggen
Mit Google-Account einloggen
Noch kein Account? Hier anmelden.
