Hallo Ich bin gerade dabei mir einen 0-10V Dimmer zu basteln. (Platine ist ein wenig größer geworden als geplant, aber naja isthaltso) Meine Frage ist bezüglich meiner Einbindung der Netzteile. Habe mich für Print AC-DC Wandler entschieden. Zur Sicherheit habe ich versucht möglichst große Abstände zwischen den Leiterbahnen zu lassen. Zusätzlich habe ich mir überlegt das ich eine Leiterbahn um den 230V Bereich legen kann den ich mit Erde verbinde. (Rot im Bild, Blau sind Schnitte) Die Platine kommt in eine Alu-Box die auch geerdet ist. Sie wird "InHaus" gefertigt und hat damit keine Lötmaske. Ich hab schon mehrere Projekte mit Netzspannung gemacht und hab genügend Vertrauen in meine Fähigkeit um nicht meine Wohnung abzubrennen. :] Jedoch habe ich keine direkte Ausbildung in Elektronik, und wollte deshalb einmal die Meinung von Profis einholen. Grüße P.s.: Zusatzfrage: Erde und GND verbinden? (werde diese Frage noch selber im Forum recherchieren)
@ Matthias Geist (muchmore) >Zur Sicherheit habe ich versucht möglichst große Abstände zwischen den >Leiterbahnen zu lassen. Wie groß sind deine Mindestabstände? https://www.mikrocontroller.net/articles/Leiterbahnabst%C3%A4nde#Praktische_Anwendung >Zusätzlich habe ich mir überlegt das ich eine Leiterbahn um den 230V >Bereich legen kann den ich mit Erde verbinde. (Rot im Bild, Blau sind >Schnitte) Kann man machen, vermindert aber nicht die Mindestabstände. >P.s.: Zusatzfrage: Erde und GND verbinden? Klingt hier sinnvoll. Die Fräsungen kannst du dir sparen. Unten rechts bei F8 kannst du die Leiterbahnen noch deutlich weiter auseinander ziehen, du hast genug Platz auf deiner Platine.
Falk B. schrieb: >>Zusätzlich habe ich mir überlegt das ich eine Leiterbahn um den 230V >>Bereich legen kann den ich mit Erde verbinde. (Rot im Bild, Blau sind >>Schnitte) > > Kann man machen, vermindert aber nicht die Mindestabstände. Ist nicht üblich. Wenn, dann sollte sie nach beiden Seiten den Mindestabstand haben. Und es entsteht eine Kurzschlußschleife. Ich würde es nicht machen.
Danke für die Schnelle Antwort. Hab nach ein wenig Suchen eine Schaltung gefunden wo Erde und GND über ein RC Glied verbunden sind. Hab das so einmal eingefügt. Die Abstände hab ich noch einmal erhöht. Sie sind jetzt bei 4&5mm. Also ganz schaffe ich die 6mm aus dem Artikel nicht. Deshalb würde ich die Schnitte doch machen. Auch bin ich mir nicht sicher was der Mindestabstand zum Schutzleiter/Erde sein soll. Würde einmal annehmen die 3mm wie zwischen L&N.
>Ich muesste ein Schema sehen. Bin mir zwar nicht sicher ob man das so gut am Schaltplan verfolgen kann, aber wie gewünscht. >Ist nicht üblich. >Wenn, dann sollte sie nach beiden Seiten den Mindestabstand haben. >Und es entsteht eine Kurzschlußschleife. >Ich würde es nicht machen. Was ist mit einer Kurzschlußschleife gemeint. Die Erde-Schleife,(die ich einfügen möchte) wäre ja nur da den FI-Schalter fliegen zu lassen falls etwas schwerwiegend schief gehen sollte.
Du hast doch Platz! Ich habe immer 8mm genommen bei selbstgemachten Platinen. Geht auch bei dir locker. Du bist unsicher und knauserst da mit den Abständen. Mach die komische Masseschleife raus!
https://www.ebay.de/itm/AEG-Netz-Akkubetrieb-Herrenrasierer-Folienrasierer-Rasierapperat-Bartschneider/182811227595?epid=197289549&hash=item2a9065f5cb:g:bSUAAOSwuk1Z15YK Netzteil kaufen, schutzisoliert ... .
Lutz H. schrieb: > Ebay-Artikel Nr. 182811227595 > > Netzteil kaufen, schutzisoliert ... . Warum verlinkst du einen Herrenrasierer? :-)
@michael_ (Gast) >Ich habe immer 8mm genommen bei selbstgemachten Platinen. >Geht auch bei dir locker. Ja. >Mach die komische Masseschleife raus! Mach mal halblang. Da hast du wohl ein tolles Buzzword gehört? Diese Schleife ist vollkommen egal. Denn selbst WENN in der Nähe STARKE HF-Magnetfelder wären, würden dort halt ein paar mA fließen. Der Schaltung macht das keine Probleme. Allerdings ist so ein arg dünner Schutzring eher Selbstbetrug, denn wenn es WIRKLICH mal einen Überschlag geben sollte, verdampft der in 0,nix. Schutzwirkung praktisch Null. Ob es vorher durch starke Verschmutzung zu einem Leckstrom und damit Auslösen eines FI-Schutzschalters kommt ist eher fraglich, vor allem weil die meisten Stromkreise KEINEN FI-Schalter haben. Ergo. Man sollte den Pseudoschutzring entfernen.
Sumo schrieb: > Warum verlinkst du einen Herrenrasierer? :-) Das Netzteil ist eine Baugruppe und die der Herrenrasierer auch eine. Diese Bauform wird Vorteile haben, weil die gefährliche Spannung im Netzteil eingesperrt wird.
Falk B. schrieb: > >>Mach die komische Masseschleife raus! > > Mach mal halblang. Da hast du wohl ein tolles Buzzword gehört? > Ergo. Man sollte den Pseudoschutzring entfernen. Das ist mal wieder ein typischer "Falk"scher Schnitzer :-)
So viele Antworten habe ich mir nicht erwartet >Herrenrasierer Solche Antworten habe ich erwartet... Bin wirklich nicht begeistert von "Wandwarzen" die ständig Standby-Leistung ziehen. >Leiterbahnabstand Ich lasse absichtlich recht viel platz zwischen allen Leiterbahnen. Da dann bei meinen DIY Platinen nicht so genau sein müssen. Außerdem dürfen in manchen Bereichen keine Bauteile sein, wegen Höhenbeschränkung. >Kurzschlußschleife So war das gemeint. Mit Induzierten Strömen. Na ja die Netzteile haben zusammen 2W. Aber gut man soll ja immer Vorbildhaft Arbeiten >FI Der Einsatzbereich ist auf jeden Fall mit einem FI gesichert. und selbst wenn die Leiterbahn verpufft sollte sie ja genügend Strom abführen um den FI auszulösen? Wenn die Generelle Meinung ist, bringt nix und unnötig, dann werde ich es so hinnehmen und die Idee Fallen lassen.
@ Matthias Geist (muchmore) >>FI >Der Einsatzbereich ist auf jeden Fall mit einem FI gesichert. und selbst >wenn die Leiterbahn verpufft sollte sie ja genügend Strom abführen um >den FI auszulösen? Ein FI löst je nach Typ schon bei 30-300mA aus, da verpufft nix. Aber wenn es einen massiven Oberflächenüberschlag gibt, dann schon. >Wenn die Generelle Meinung ist, bringt nix und unnötig, dann werde ich >es so hinnehmen und die Idee Fallen lassen. Tu das. Der Rest der Welt kommt auch ohne aus.
Falk B. schrieb: >>Mach die komische Masseschleife raus! > > Mach mal halblang. Da hast du wohl ein tolles Buzzword gehört? Ich bin noch von früher, solche neumodischen Worte kenne ich nicht. Egal wie du sie nennen willst, für diesen Zweck habe ich sowas noch nicht gesehen. Und habe schon viel gesehen. Matthias G. schrieb: >>FI > Der Einsatzbereich ist auf jeden Fall mit einem FI gesichert. Der Nächste nimmt das Ding und steckt das bei Tante Frieda an. Hat dein Optokoppler VDE-Kennzeichen?
Matthias G. schrieb: > Zur Sicherheit habe ich versucht möglichst große Abstände zwischen den > Leiterbahnen zu lassen MÖGLICHST wäre so viel wie zwischen den 230V~ AC und den DC Pins der DC/DC Wandler bzw. Optokoppler liegen. Du hast den Platz hingegen weitgehend mit nutzlosen Leiterbahnen aufgefüllt. Du wirst dein Layout nochmal machen müssen. Vergiss deine Schnitte. Vergiss die PE-Leitung. Theoretisch erlaubt eine PE Leitung zwischen 2 Punkten ein Halbierung des Abstands, da aber die PE Leitung ebenfalls eine Dicke hat, wird es damit nur breiter. Matthias G. schrieb: > Erde und GND verbinden? Warum ? Taugt deine Isolation nichts ? Damit sind deine 0-10V nicht mehr potentialfrei sondern auf Schutzleiter bezogen, mit allen Problemen die auftreten wenn noch ein 0-10V Gerät auch mit Schutzleiter verbunden sein sollte. Masseschleifen, Brummen, Fehlerströmen, Blitzempfindlichkeit.
>Optokoppler VDE_Kennzeichen....??? Ist ein Panasonic AQW210EH mit 5000V isolation. Und nein wird niemand anderes umbauen. Außerdem kenne ich niemanden der keinen FI hat. Soweit ich weiß ist das schon lange Pflicht. >unnötige Leiterbahnen Kannst mir vertrauen das da keine unnötige Leiterbahnen sind. Und wie schon gesagt kann ich die Bauteile nicht viel verschieben da ich an manchen Stellen höhenbegrenzung hab. >Erde und GND verbinden war ursprünglich nicht mein Vorhaben. Aber hab gemerkt das ich zwei Potis, und einen LCD mit Metallrahmen hab die am Alu Gehäuse montiert sind. Durch die Bauteile hätte ich eine undefinierte Verbindung mit der PE Leitung deshalb wollte ich das gleich fix verbinden.
Ich habe noch eine Nachfrage/Anmerkung zum Schaltplan: Warum brauchst du 2 AC/DC-Wandler? Ich verstehe dass du unterschiedliche Spannungen brauchst. Aber dann würde ich einen 12V AC/DC-Wandler nehmen und die 2. Spannung mit einem normalen Spannungregler aus den 12V erzeugen. Je nach Stromverbrauch kann man da ja auch so ein fertiges Schaltreglermodul (3-Bein) nehmen. Nicht nur ist das billiger, du sparst auch Platz, wovon die Platine erheblich profitieren kann. Hässlich an deiner Platine ist, dass die Optokoppler oben noch so nah an die Stecker ranrücken und so der Netzspannungsteil von der Niederspannung regelrecht umzingelt ist. Wenn du den Platz für den 2. AC/DC-Wandler sparst kannst du dort den Optokoppler hintun und kannst so eine deutlich klarere Trennung des Netzspannungs- und Kleinspannungbereichs auf deiner Platine erreichen. Den "Schutzring", ebenso wie die PE-GND-Verbindung sehe ich auch eher kritisch bzw. halte ich für unnötig. Es gibt isolierte Potis oder man macht den mechanischen Aufbau so, dass das Poti nicht in der Frontplatte verschraubt wird sondern nur die Poti-Achse dort endet.
Matthias G. schrieb: > Und nein wird niemand anderes umbauen. Außerdem kenne ich niemanden der > keinen FI hat. Soweit ich weiß ist das schon lange Pflicht. Erst seit 2009 Pflicht für alle Steckdosen < 20A. Siehe z.B. https://mps-heidenheim.de/files/MPS%20Elektrotechnik%20GmbH/Themen%20des%20Monats/2014/Thema_des_Monats_Juli_2014_-_RCD_-_Nachruestung_und_Bestandsschutz.pdf Für alle älteren Installationen gilt in der Regel erst mal Bestandsschutz (=nichtumrüstungspflicht) Insofern dürften wahrscheinlich in maximal 25% aller Haushalte schon alle Steckdosen mit einem RCD geschützt sein.
>FI Ok hingenommen. >12V/5V Hab mir gedacht das ich einen LDO nehmen könnte. Aber: 1.) der 12V block gibt mir nur 83mA und wäre zu wenig gewesen. 2.) ich benötige nicht immer die 5V. Dann müsste ich ein Ausschalten vom µC machen. 3.) die Wandler kosten nur 5,40€ Und derzeit wird es ein Unikat. 4.) jetzt hab ich sie schon also möcht ich sie auch verwenden. >Optokopler Die werden 230V schalten deshalb sind sie auch auf der 230V Seite meiner Platine.
Matthias G. schrieb: > Solche Antworten habe ich erwartet... Bin wirklich nicht begeistert von > "Wandwarzen" die ständig Standby-Leistung ziehen. Meinst du, dein selbstgestricktes Ding mit 2 AC/DC-Wandler tut das nicht?
>Standbypower
Wellwellwell meine Print Netzteile werden extern geschallten. Jetzt
könnte man sagen das dies auch mit den Wandwarzen möglich wäre, aber man
stelle sich einmal vor welchen Aufwand dafür notwendig wäre.
Matthias G. schrieb: >>Standbypower > Wellwellwell meine Print Netzteile werden extern geschallten. Jetzt > könnte man sagen das dies auch mit den Wandwarzen möglich wäre, aber man > stelle sich einmal vor welchen Aufwand dafür notwendig wäre. Ja, wir kennen halt das Gesamtkonzept deiner Schaltung nicht. Bisher haben wir nichtmal den ganzen Schaltplan der Platine gesehen. So nach und nach haben wir rausgefunden, dass das ganze in ein Metallgehäuse kommt und da noch Potis und ein Display dran sind. Außerdem gibt es noch irgendwelche externen Schaltungen, was das ganze Konzept noch rätselhafter macht, weil dein uC dann nicht immer Spannung hat. Zudem muss es in dem Gehäuse ja noch andere Kontakte o.ä. geben, zumindest den Anschluss für das Schutzklasse 1 Gehäuse. Es wäre nett, du hättest das ganze Projekt vorgestellt. Das wäre erstens für das Forum cooler, weil wir dir nicht alle Infos aus der Nase ziehen müssten. Zum Anderen wären die Vorschläge halt auch passender, weil wir wüssten, um was es insgesamt gehen soll. Nach deinen weiteren Andeutungen vermute ich, dass dein Gesamtkonzept noch andere Mängel hat und/oder zumindest zu kompliziert gedacht ist. Aber beurteilen kann ich es halt nicht.
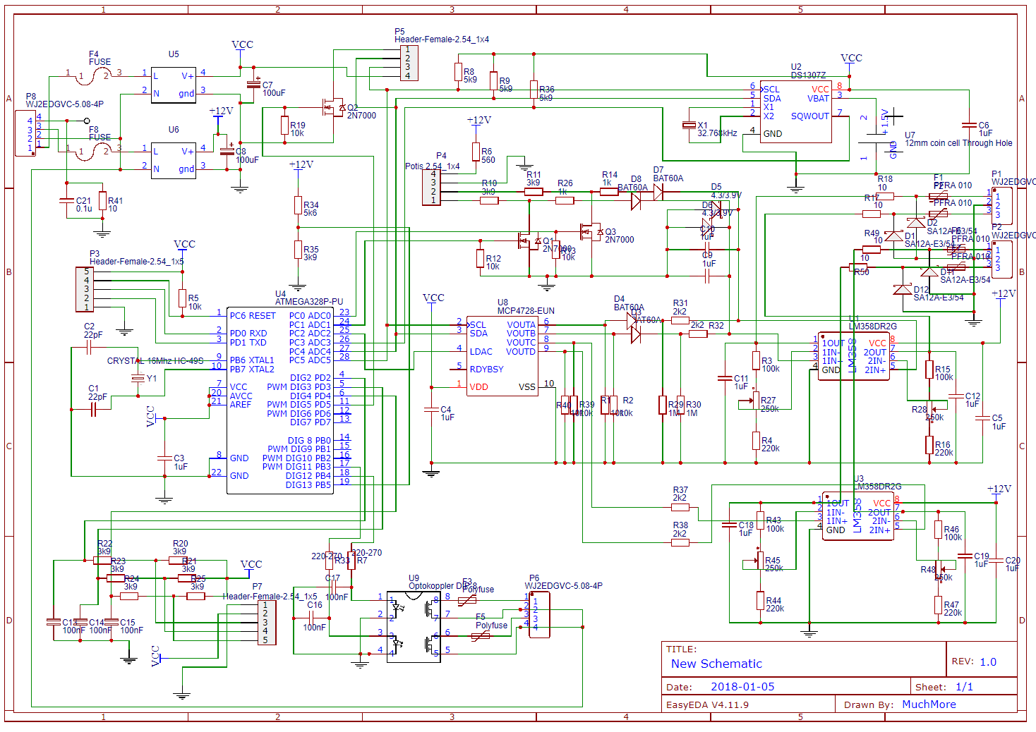
>Projekt Hab geglaubt das Beste wäre das ganze möglichst kurz zu halten. Damit ich niemanden langweile. Kurze Beschreibung meines Projektes: Es wird eine Programmierbare-Zimmer-Lampen-Steuerung. Funktionen: - Standard Lampen-Schalter sollen erhalten bleiben. - Dimmung der Helligkeit und Farbtemperatur ohne µC - ein Poti für Helligkeit, eins für Farbe - Zuschaltbare Programmierbare Zeit-Schaltung&Dimmung - Sonnenaufgang und Untergang abhängige Dimmung - Aktivierbare Weckfunktion - 0W Standby der Lampen-Netzteile - 0W Standby der Steuerung wenn nicht aktiv - Interface mit 16x2 LCD und Rotory-Encoder Benötigte Komponenten: - 4x5m 24V LED Strips ~22W/m - 2x240W Meanwell 0-10V Netzteile mit Dimm to OFF - Stromstoßrelai mit nullpunktschaltung - Strombegrennungsrelai da Einschaltstrom der Netzteile ~100A - Steuerbox mit 2xPoti für Manuelle Dimmung, sowie 16x2 LCD und Encoder - Arduino für die Programierung - LCD über I2c - RTC über I2c damit der sich die Uhrzeit merkt - 4xDAC über I2c damit ich eine saubere Spannung ausgeben kann (4 Ausgänge falls ich in Zukunft mehr Netzteile dimmen möchte) - 2xDaual OP-Amps um die 0-4V des DAC auf 0-10V zu bringen - Steuerschaltung um entweder Manuel oder Digital zu dimmen (findet "leider" zwischen DAC und OP-Amp statt => Daher müssen die OPamps immer laufen wenn die Lampen laufen :/ ) Anbei der gesamte Schaltplan. Ist aber absolut nicht übersichtlich. Hab mir auch nicht gedacht das den jemals jemand anderes sieht. Es sind wahrscheinlich viele unnötige Bauteile drin. Gerade an den Ausgängen war ich mir nicht sicher wie ich die Schützen soll.
Aber meine Fragen sind eigentlich schon beantwortet worden. Weder testen müssen ob ich PE und GND verbinden muss oder ob ich eine halbwegs gute Isolation zustande bekomme. Der Rest der Schaltung wird für mich Trial and Error. Also bitte nicht zu viele Kommentare was ich nicht alles verbockt hab.
Matthias G. schrieb: > Anbei der gesamte Schaltplan. Vergiss die Polyfuses zum Schutz der U9 PhotoMOS, da müssen superflinke Halbleitersicherungen hin. Vergiss die PFRA010 zum Schutz der Z-Diode, das Schmelzintegral der Z-Diode ist kleiner. Vergiss die BAT60A Dioden zum mischen, die erzeugen bloss Spanungsfehler und deine 12bit DACs werden zum schlechten Witz. Da du sowieso das Poti mit dem 2N7000 auf 0V ziehst und den DAC auf 0 stellst, einfach addieren
1 | DAC ---------100k---+ |
2 | | |
3 | +12V +--+-- 0..2.5V damit entfallen Z-Dioden |
4 | | | | |
5 | Poti--140k-+--100k--+ 10nF |
6 | | | | |
7 | GND --|I 2N7000 GND |
8 | |S |
9 | GND |
und noch besser die Potis auch aus 5V versorgen, und noch besser statt der wahlfreien Spannung aus den DC/DC Wandlern einfach mal eine ordentliche Refernzspanung wie TL431 oder so verwenden. Mach niemals 1uF direkt an LM358 Ausgänge, einfach weglassen. Offiziell liefert ein LM38 der mit 12V versorgt wird auch keine 10V, sondern nur 9.5V. Ich würde mich nach qualitätsvolleren OpAmps umsehen. Vor DC/DC Wandler würde ich noch 250V~ VDR zum Schutz vor Überspannung heften (nach der Sicherung, eine reicht), und offiziell bekommt der VDR eine Thermosicherung im Schrumpfschlauch beigepackt. Keine Ahnung was Q2 macht.
Interessant Interessant Interessant >PhotoMOS Da hab ich Bourns MF-RM008/240 vorgesehen. PTC bei 80mA / 240V Photomos geht bis 120mA Unter Halbleitersicherung hab ich mit Google nicht so wirklich etwas gefunden. Außer es waren PTC gemeint?? >PFRA010 Die Z-Diode dort ist eine TVS 12.2 V 600 W (11V Breakdown) Sollte die Sicherung anspringen oder? >Mischer Hatte in den ersten Versionen keine Dioden vorgesehen. Aber ich bin mir nicht sicher wie sich der DAC im ausgeschalteten Zustand verhält. Das würde die Poti Funktion verzerren. Die BAT60A hab ich ausgewählt weil sie eine sehr niedrige Vorwährtsspannung hat. Mir ist klar das sich die verändert aber glaub das der Strom über den 1MOhm Widerstand klein genug ist das sich das wenig auswirkt. Der 12bit DAC war der einzige den ich gefunden hab der 4 Ausgänge hatte und über I2c angesprochen wird. 12Bit ist wahrscheinlich sowiso übertrieben. Referenzspannung für die Potis überlege ich mir noch. Aber danke für den Hinweiß. >LM358 Ok 1uF am Ausgang klingt nach einer schlechten Idee... Aber das aller wichtigste: Die LM358 bekommen keine 10V heraus wenn sie mit 12V gespeißt werden?? Das wäre sehr schlecht. Laut Specsheet sollte er bis -1,5V schaffen. Also 10,5V und minimum 0V. Wenn das nicht so ist muss ich neue OPAmps suchen. >AC/DC 250V~ VDR wird hinzugefügt.
Matthias G. schrieb: > Jedoch habe ich keine direkte Ausbildung in Elektronik, und wollte > deshalb einmal die Meinung von Profis einholen. Lasse den Schutzleiter auf der Platine komplett weg. Denn er nützt nichts, und ist als alleinige Verbindung auch nicht zulässig. Denn Bei Geräten der Schutzklasse 1 muss der ( gelb grüne ) Schutzleiter direkt mit allen leitfähigen Gehäuseteile , welche von aussen zugänglich sind unlösbar verbunden sein. Zu gut Deutsch Es muss der Schutzleiter z.B. mit Hilfe einer vercrimten Ringoese und einer Schraube an das leitfähige Gehäuseteil verschraubt sein. Dabei darf die Schraube nicht von aussen lösbar sein. Es muss sicher gestellt sein, das jedes von aussen berührbare Gehäuseteil mit dem Schutzleiter verbunden ist. Entweder jedes Gehäuseteil an diese Schraube anschließen, oder dafür Sorge tragen, das das Gehäuseteil eine sichere Verbindung mit dem Schutzleiter hat. Hierbei kann die isolierende Eloxalschicht eines Aluminiumteils recht hinderlich sein. Man muss diese an den Verbindungsstellen entfernen. Ob es erlaubt ist den Schutzleiter erst auf eine Klemme einer Platine zu führen wage ich zu bezweifeln. Auf keinen Fall ist das reinschieben der Leiterplatte in die Gehäusenuten eine ausreichend sichere Verbindung. Im Zweifelsfall würde ich einen Elektriker fragen, der auch eine entsprechendes Messgerät hat um die Zuverlässigkeit des Schutzleiters zu prüfen. ( Diese Prüfung gehört nämlich auch dazu ). Matthias G. schrieb: > Die Platine kommt in eine Alu-Box die auch geerdet ist. > Sie wird "InHaus" gefertigt und hat damit keine Lötmaske. Aha du willst das Gerät vertreiben. Dann gilt es noch um so mehr die VDE 0100 einzuhalten. Ralph Berres
> Jedoch habe ich keine direkte Ausbildung in Elektronik, und wollte deshalb einmal die Meinung von Profis einholen. Also Nichtprofi sollten man nichts mit Netz machen und ein externes Netzteil verwenden. Und falls doch, allenfalls mit einem Plastikgehaeuse arbeiten. Dann spart man sich die Erderei. >>12V/5V >Hab mir gedacht das ich einen LDO nehmen könnte. Aber: Nebenbei.. Ein LDO, ist ein Lowdropout Regler. Bedeutet, er kann noch mit zB 0.3V Spannungsabfall arbeiten. Normale Spannungsregler haben aber bessere Werte und sind gunestiger. Also besser einen 7805 rein. >Erde und GND auf das Gehaeuse.. Wie Ralph schon sagte, ein Metallgehaeuse muss geerdet werden. Und nein, die Netzerde muss gleich auf das Metall-Gehause, ohne vorher auf die Leiterplatte zu gehen. Das macht man am Unproblematischsten mit einem Netzfilter, das auch gleich noch eine Kaltgeraetedose und Sicherungen enthaelt. Das Netzfilter ist aus Metall und wird in die Gehaeusewand geschraubt, macht somit gleich den Erdkontakt, sofern man die Aluproblematik beachtet hat. Normalerweise koppelt man den GND kapazitiv gegen Erde, um Stoerungen durch andere ein- & ausgehenden Signale zu vermeiden. Um ein Floaten zu vermeiden wuerde ich mindestens einen Widerstand parallel dem Kondenser haben wollen, oder gleich eine bidirektionale (Zehner-)diode, abhaengig von externen Geraeten. Zum Schema. P3 ist aber nich der Programmierstecker ? Der benoetigt : Vcc, GND, Reset, MISO, MOSI & SCLK
Zwölf M. schrieb: > Das Netzfilter ist aus Metall und wird in die Gehaeusewand > geschraubt, macht somit gleich den Erdkontakt, sofern man die > Aluproblematik beachtet hat. Das reicht nur , wenn man die Befestigungsschrauben des Netzfilters nicht von aussen lösen kann. Ansonsten hat auch das Netzfilter auf der Rückseite einen Anschluss für den Schutzleiter, welches unlösbar mit dem Gehäuse verbunden sein muss. Ralph Berres
Ralph B. schrieb: > Bei Geräten der Schutzklasse 1 muss der ( gelb grüne ) Schutzleiter > direkt mit allen leitfähigen Gehäuseteile , welche von aussen zugänglich > sind unlösbar verbunden sein. Also unlösbar ist ja nun Quatsch. Geschraubte oder aufgeschweisste Faston-Laschen und Verbindung der PE-Kabel über Faston-Stecker ist durchaus üblich. Und Federleisten zur Erdung von angebauten Gehäuseteilen sind bei professionellen Geräten (19") auch üblich. Allerdings müssen die tatsächlich federn und nicht einfach nur anliegen. Sowas gibt auch zum Aufstecken auf Leiterplatten.
>PE-Leitung Fühle mich als hätte ich da ein Wespennest angestochen. Aber Legen wir das beiseite. Ich verspreche das ich eine Stabile Verbindung mache. >Vertreiben Nein das möchte ich nicht. Da wurde ich falsch verstanden. (größtes Hindernis dafür wären genau diese Zertifikate und Richtlinien die ich einhalten müsste.) >Programmierstecker P3 ist der Programmierstecker. Ich verwende den Arduino Bootloader der wird mit RX/TX Programmiert. Bin mir im klaren das ich damit recht viel Leistung verpisse aber ich benötige viele fertige libraries für alles und ich bin auch kein Programmier Wizard. (Der 328 Wird in eines socked eingebaut also könnte ich nachträglich den chip herausziehen und über ISP Programmieren)
Matthias G. schrieb: > Sollte die Sicherung anspringen oder? Nein. Die TVS 12.2 V 600 W ist vorher kaputt. Sollte doch klar sein, wie gross ist die PTC Sicherung, wie klein der Siliziumchip. Matthias G. schrieb: > Unter Halbleitersicherung hab ich mit Google nicht so wirklich etwas > gefunden. https://www.henri.de/bauelemente/sicherungen/platinensicherungen/halbleitersicherungen/12101/1a-halbleitersicherung-n25-t-rastermass-5-08mm.html Auch superflinke Sicherung. Entscheidend ist, daß die Sicherung ein niedrigeres Schmelzintegral hat als das zu schützende Bauteil. Matthias G. schrieb: > Laut Specsheet sollte er bis -1,5V schaffen. http://www.ti.com/lit/ds/symlink/lm158-n.pdf Output Voltage VOH (bei Betriebsspannung V+ = +30V und RL=10kΩ): 27V, also 3V weniger, typisch 28V also 2V weniger.
Zwölf M. schrieb: >>Erde und GND auf das Gehaeuse.. > Wie Ralph schon sagte, ein Metallgehaeuse muss geerdet werden. Meine HiFi-Geräte sehen das anders. Ist innen alles SKII, darf es aussen mit Metall umschlossen sein.
Bitte melde dich an um einen Beitrag zu schreiben. Anmeldung ist kostenlos und dauert nur eine Minute.
Bestehender Account
Schon ein Account bei Google/GoogleMail? Keine Anmeldung erforderlich!
Mit Google-Account einloggen
Mit Google-Account einloggen
Noch kein Account? Hier anmelden.




