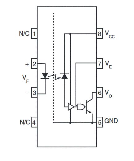
Hallo, ich habe mich durch diverse Schaltungen mit dem 6N137 (http://cdn-reichelt.de/documents/datenblatt/A500/6N137.pdf) durchgearbeitet in der Hoffnung zu verstehen, wie man ihn verwendet. Nun sind ein paar Fragen aufgetaucht, auf die ich hier im Optopkoppler-Artikel keine Antwort gefunden habe oder bei denen ich einfach sicher gehen möchte, dass ich es richtig verstanden habe. Entschuldigt, falls die Fragen für euch noobig oder dappig sind, aber ich bin noch ziemlich neu in der Mikrocontrollerwelt. (: - V_F+ verbinde ich mit dem digitalen Ausgangs-Pin des Arduinos, den ich übertragen möchte? - V_F-verbinde ich mit Ground des Arduinos? - V_CC ist die Stromversorgung des Optokopplers. Den verbinde ich mit 5V des Arduinos? - V_E verbinde ich ebenfalls mit den 5V des Arduinos, um den Optokoppler zu enablen? Laut Datenblatt kann man den Enable-Pin auch einfach nicht verbinden. Gibt es da eine best practice? - V_O ist das galvanisch getrennte Signal? - GND verbinde ich mit dem Ground aller nachfolgenden Komponenten, die isoliert sein sollen? - Kann ich für nachfolgende Komponenten, die 5V Versorgungsspannung brauchen einfach die 5V des Arduinos nehmen oder muss ich die 5V nochmal "trennen"? - Laut Anmerkung 1 des Datenblattes brauche ich einen 0.1uF Kondensator mit guter "Hochfrequenzcharakteristik". Wie entscheide ich mir für ein Modell? Bezieht sich das "should be connected as close as possible to the package VCCand GND pins of each device" auf den Optokoppler oder auf jede weitere nachfolgende Komponente? (Die Anwendung ist ein kleiner DMX-Controller.) Vielen Dank für eure Zeit!
Wenn du GND und/oder Vcc mit der Versorgung des Arduino verbindest, hast du keine Potentialtrennung mehr, der OK wäre dann sinnlos. Du musst für die rechte Seite des OK und alle nachfolgenden Komponenten eine getrennte Versorgung nehmen. Vo ist ein open-Kollektor-Ausgang, da muss noch ein Lastwiderstand nach Vcc oder die Versorgung der nachfolgenden Schaltung ran. Als Kondensator nimm einen keramischen Vielschicht-Kondensator oder Folie.
ArnoR schrieb: > da muss noch ein Lastwiderstand nach > Vcc oder die Versorgung der nachfolgenden Schaltung ran. meinte: da muss noch ein Lastwiderstand nach Vcc oder an die Versorgung der nachfolgenden Schaltung ran.
Arno B. schrieb: > - V_F+ verbinde ich mit dem digitalen Ausgangs-Pin des Arduinos, den ich > übertragen möchte? > > - V_F-verbinde ich mit Ground des Arduinos? Dann könnten der Optokoppler oder der Arduino bald sterben. Wie jede LED braucht auch die LED in einem Optokoppler eine Strombegrenzung.
Route 6. schrieb: > jede LED braucht auch die LED in einem Optokoppler eine > Strombegrenzung. Arno B. schrieb: > aber > ich bin noch ziemlich neu in der Mikrocontrollerwelt. Didaktisch reduziert: Jede LED (auch die in einem Optokoppler) braucht einen Vorwiderstand!
M.A. S. schrieb: > Didaktisch reduziert: Danke, Herr Oberlehrer... M.A. S. schrieb: > Jede LED (auch die in einem Optokoppler) braucht einen Vorwiderstand! Leider Unwahr: wenn man eine andere Form der Strombegrenzung wählt...
Hallo als kleine Hilfestellung: Der Vorwiderstand für die interne LED des Optokopplers sollte mindestens 195 Ohm (ausgehend von Datenblatt absolut Maximum Ratings If 20mA und eine Vf von min. 1,1V) betragen und maximal 660Ohm (ausgehend von recommenden Input current high level von 5mA und Vf max.1,7V) betragen. Also praktisch 220Ohm, 330 Ohm, 470 Ohm oder 560 Ohm aus der E12 Reihe, 1/4W Belastbarkeit sind vollkommen ausreichend ob 5% oder 1% Genauigkeit ist egal. Immer vorausgesetzt wir sprechen von einen 5V System (High = 5V soll) aber das ist ja bei den meisten Arduinoboards der Fall. mfg Jemand
Jemand schrieb: > aber das ist ja bei den meisten Arduinoboards der Fall. ..., es sei denn, es handelt sich um ein 3.3V Arduino Board. > (ausgehend von Datenblatt absolut Maximum Ratings If 20mA Was hast du denn für eine Datenblattausgabe vorliegen? Bei der oben verlinkten ist unter Maximum Ratings ein If von 50mA angegeben. Viel relevanter ist der unter Recommended Operating Conditions angegebene Wert von 6.3mA, der etwas Reserve für Verschlechterung des CTR durch Alterung vorhält. Empfohlen wird dort, nicht über 15mA zu gehen.
Vielen Dank für eure Antworten. Dann werde ich mich weiter einlesen. :)
Route 6. schrieb: > Danke, Herr Oberlehrer... Das musst Du gerade schreiben! Der TO hat deutlichst darauf hingewiesen, Anfängerstatus zu besitzen. Route 6. schrieb: > Leider Unwahr: wenn man eine andere Form der Strombegrenzung wählt... Was willst Du ihm denn jetzt für 'andere Formen der Strombegrenzung' empfehlen? Vielleicht eine schaltenden LED-Treiber oder wie?
hier ist die Foto mit dem Schaltung bei dem das Signal nicht invertiert wird. Wichtig ist das die Stromstärke am 5V Eingängen nicht unter etwa 4-6mA sein muss sonst läuft gar nichts.Und man nimmt am besten Tantalkondensator mit 1mikroF(105) 35V. Widerstand R10k ist nicht unbedingt notwendig.
@Waldemar S. (wsws) hier ist die Foto mit dem Schaltung bei dem das Signal nicht invertiert wird. >Wichtig ist das die Stromstärke am 5V Eingängen nicht unter etwa 4-6mA >sein muss sonst läuft gar nichts sein darf >.Und man nimmt am besten >Tantalkondensator mit 1mikroF(105) 35V. Ein 100nF Keramikkondensator ist üblicher und vollkommen OK, dazu kleiner und billiger. Und 35V muss der bei 5V Betriebsspannung sicher nicht aushalten, 10V Typen reichen. >Widerstand R10k ist nicht unbedingt notwendig. Der ist ziemlicher Unsinn. Bei einer schnellen Digitalschaltung schaltet man keine 10k in Reihe, auch nicht in Reihe zum Tastkopf. Und VE sollte NICHT in der Luft hängen sondern an VCC angeschlossen werden, auch wenn so ein klassischer TTL-Eingang ohne Anschluß ein logisches HIGH ergibt.
Route 6. schrieb: > Leider Unwahr: wenn man eine andere Form der Strombegrenzung wählt... Das kommt erst in der zweiten Stunde des Kursus "OK für Anfänger!" dran. :-)
Harald W. schrieb: > Route 6. schrieb: > >> Leider Unwahr: wenn man eine andere Form der Strombegrenzung wählt... > > Das kommt erst in der zweiten Stunde des Kursus "OK für Anfänger!" dran. > :-) Genaaaaauuu! :)
1)habe vergessen zu erwähnen:die Schaltung mit dem 6n137 wurde auf einem Steckboard mit Labortrafo und 3 Präzisionspoti aufgebaut.Nach einigen (praktischen nicht theoretischen )Versuchen habe ich herausgefunden dass gerade mit diesen Werten kriegt man das beste Signal am pin6. Wird das teil einer anderen Schaltung muss man natürlich schauen: woher die 5V?Und wohin das Signal gehen soll. 2)dass man 10V Kerko ausreicht weiss ich selber nur hatte ich gerade Tantal 35v zur Hand.Mit dem Wert von 1 mikroF war das Signal aber am besten.
Bitte melde dich an um einen Beitrag zu schreiben. Anmeldung ist kostenlos und dauert nur eine Minute.
Bestehender Account
Schon ein Account bei Google/GoogleMail? Keine Anmeldung erforderlich!
Mit Google-Account einloggen
Mit Google-Account einloggen
Noch kein Account? Hier anmelden.

