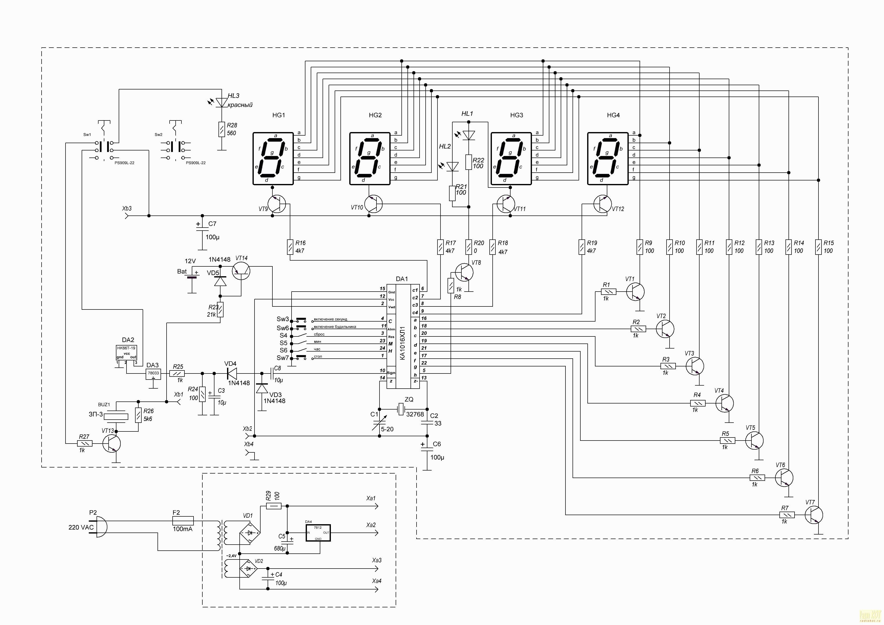
Hallo zusammen! Gleich vorweg möchte ich sagen, dass ich mich mit Elektronik sehr wenig auskenne. Ich kann Löten (auch SMD), Bausätze zusammenbauen, prinzipiell die Funktionsweise von Beauelementen verstehen und einfache Pläne lesen. Wenn es aber zum "warum" kommt, bin ich meistens überfragt. Daher bitte alles wie einem Kleinkind erlären xD Also, Ich möchte eine einfache Uhr mit einem VFD Display (IVL2–7/5) bauen. Dazu habe ich mir einen passenden IC (KA1016XL1) mit dazugehörigem Schaltplan besorgt. (beides ist noch am Weg, weshalb ich leider - oder zum Glück - noch nicht einmal probieren kann) Beim Shaltplan blicke ich aber nicht mehr durch. Ich habe ihn auch einfach mal in ein Programm übertragen in der Hoffnung dass sich dann alles aufklärt, aber Fehlanzeige. Ich habe den original Plan (IC universal electronic clock driver KA1016XL1) und meine "Interpetation" (Einfache_uhr_Schematic-2.pdf) einmal angehängt. Meine Fragen dazu: 1) habe ich das richtig übertragen? 2) Warum zum Teufel wird hier überall mit negativen Spannungen gearbeitet? 3) Warum geht man an die Anode und das Grid mit MINUS 24V?! 4) In einer Anderen Zeichnung zu dem IC (Schaltung.gif) liegen, genau umgekehrt, auf Pin 15 GND und auf Pin 12 Vcc. (hier wird aber mit 7 Segment LED bausteinen gearbeitet, nicht mit einem VFD) 5) Warum wird das Grid "Stunden Zehnerstelle" mit der Anode der Punkte verbunden? 6) Welche Version beim Quartz-Oszillator ist "besser"? 7) Wenn ich nur das Display ausschalten, aber die Uhr weiterlaufen lassen möchte, wo muss ich schalten? (ich möchte einen Schalter einbauen mit dem das VFD ein und ausschaltbar ist) So und jetzt die Frage der Fragen, wo ich komplett anstehe: Wie kann ich aus 6V DC (2x CR2 Batterien) ca 2,4V für die Heizung, -15V für den IC und ca -24V für Grid und Anoden machen? Das ganze soll auf alle Fälle Batteriebetrieben (darum das VFD ausschaltbar) und so klein wie möglich werden (wenn ich das hinbekomme, möchte ich eine Zweite als Armbanduhr bauen). Hier noch ein Link zum Datemblatt des IVL2–7/5 http://loststeak.com/ivl2-75-vfd-datasheets/ Und hier einer von einem einfachen batteriebetriebenen VFD Tester http://www.tubeclockdb.com/vfd-tubes/100-simple-vfd-tester.html (hier geht man korrekt mit PLUS an die Anode und das Grid) Ich hoffe ihr könnt mir ein Bisschen weiterhelfen :) Edit: wie kann ich das versehentlich hochgeladene Bild "Schaltung.jpg" löschen?
Wenn man schon eine VFD-Uhr mit ru. Bauteilen zusammenbauen möchte dann besorgt man sich den КР145ИК1911 und der Drops ist so gut wie gelutscht. Kaum externe Bauteile, recht einfache Stromversorgung und alles einfach auf einer einseitigen Platine unterzubringen. Gruß
Danke schon einmal für den Tipp mit dem KP145IK1911. Ich hatte den auch schon im Auge, aber leider findet man so gut wie keine Informationen über den Chip. bloß ein zwei Pläne, die aber auf zo ziemlich das Selbe hinauslaufen wie beim KA1016XL1. Der Einzige wirkliche Unterschied scheint zu sein, dass man keine Widerstände braucht, und mit zwei Spannungen (27V und Heizung) auskommt. Dafür ist er deutlich größer. Noch eine Frage zu DC DC Convertern: Wenn ich mir sowas kaufe https://www.conrad.at/de/dcdc-wandler-print-gaptec-1s7e-0524d15up-5-vdc-24-vdc-24-vdc-84-ma-1-w-anzahl-ausgaenge-2-x-1603701.html ist das so einfach wie ich es mri gerade vorstelle, ich gehe auf der einen Seite mit 5V hinein und bekomme auf der Anderen Seite +-24V und GND hinaus?! Und, wie soll ich diese +-V Angaben verstehen?! Bedeutet das, zwischen +24 und -24 sind 48V Unterschied, und zu GND sind es jeweils 24?! Warum macht man das?
Keiner mehr eine Idee?! :( Ich habe mir jetzt einmal die Stromversorgung angesehen, unter der Annahme, dass diese DC DC Wandler von Conrad so einfach funktionieren wie ich es mir vorstelle... Darf man das so wie in meiner Zeichnung machen? Also ich gehe mit 6V aus zwei CR2 Batterien hinein, durch eine Diode (erstens um ein bisschen Spannung abzubauen und zweitens als Verpolungsschutz). dann gehe ich parallel zum -24V und -15V Converter wobei ich deren GNDs verbinde (darf man das machen?) Dann mache ich aus den -24V 2,5V indem ich den dritten DC DC Converter verkehrt (-24V and GND und 0 an Vin) anschließe. Ist das richtig so? Ausbaufähig? Oder kompletter Schwachsinn? Wenn das grundsätzlich so passt, kann ich einfach nach der Batterie einen Schalter zum 24V Converter einbauen, um das Display ein und auszuschalten? Diese Spannungswandler sind leider recht teuer, weshalb ich nicht einfach experimentieren möchte :/
Hat denn wirklich niemand eine Ahnung? :( Besonders die Stromversorgung macht mich verrückt, weil es einfach keinen Sinn ergibt, dass and der Anode -24V anliegen sollen... Warum?! WARUM?! Die Anode sollte doch ca 20-30V ÜBER der Heizung liegen (wie bei dieser Zeichnung zB http://www.tubeclockdb.com/vfd-tubes/100-simple-vfd-tester.html) Wenn ich mein Display wie in dem Link anschließe, funktioniert alles... anders heum - wie zu erwarten - nicht...
Peter P. schrieb: > Besonders die Stromversorgung macht mich verrückt, weil es einfach > keinen Sinn ergibt, dass and der Anode -24V anliegen sollen... Warum?! > WARUM?! Tun sie doch nur über R1 - R12, das sind Pulldowns auf Minus, wenn das Segment aus sein soll. Der Heizfaden liegt auf -24V Level (+/- seine Wechselspannung von etwa 2-3V). Wenn der Chip ein Segment leuchten lassen will, zieht er Grid und Anode auf Masse. Am besten benutzt du einen DC/DC Wandler mit +/- 15V Dual Ausgängen, dann betrachtest du den Mittelpunkt der zwei Spannungen als die -15V Chipversorgung, das ganz untere Ende mit etwa -30V als Speisung für die -25V im Plan und das obere Ende (die ursprünglich +15V des Wandlers) als GND. Dann bleibt nur noch die Speisung des Heizfadens.
Danke! so betrachtet ergibt das alles wieder Sinn... das heißt der Chip schaltet die Anoden und Grids auf GND wenn sie aktiv sein sollen... und GND aus Sicht von -24V ist natürlich +24V Aber ergibt sich dann nicht trotzdem ein Kurzschluss, da ja vor den Wiederständen die -24V anliegen?!
Peter P. schrieb: > Aber ergibt sich dann nicht trotzdem ein Kurzschluss, da ja vor den > Wiederständen die -24V anliegen?! Nö, die sind ja sehr hochohmig und alles andere als ein Kurzschluss. Sie sorgen für definiertes Ausschalten des Segments, indem sie es auf das gleiche Potenzial wie Kathode/Heizfaden bringen.
Ok, super - danke. Du hast mir schon einmal sehr geholfen. Kann ich die Stromversorgung so machen? Verwendet habe ich den https://www.conrad.at/de/dcdc-wandler-print-gaptec-1s7e-0515d15up-5-vdc-15-vdc-15-vdc-68-ma-1-w-anzahl-ausgaenge-2-x-1603700.html?sc.ref=Product%20Details +/-15V DC/DC Wandler. Und reicht es, wenn ich die Heizung ausschalte um das Display abzuschalten? Eigentlich dürfte dann nur mehr der Controller Strom ziehen (da zwischen den Elementen/Grids und der Heizung kein geschlossener Kreislauf ist)
Peter P. schrieb: > Kann ich die Stromversorgung so machen? Das Filament wird dann mit Gleichstrom geheizt, was normalerweise dazu führt, das es auf einer Seite hellere Segmente als auf der anderen Seite gibt. Den 56 Ohm Widerstand musst du vorher checken, niemand mag durchgebrannte Heizfäden. Also keinesfalls mehr als die erlaubte Spannung des Heizfadens raufschicken. Ansonsten sollte es so klappen. Den 120 Ohm Widerstand wirst du dir sparen können, da ja -24 bis -35V erlaubt sind, minus 30V sind also ok. Peter P. schrieb: > Und reicht es, wenn ich die Heizung ausschalte um das Display > abzuschalten? Zuerst mal ja. Allerdings sind die Pulldown Widerstände weiter aktiv und verbraten Energie, wenn auch nicht so viel. Evtl. solltest du mit der Heizung zusammen auch die -30V abschalten.
Please help me to design this properly. I think I've perfectly wired the components but when I short circuit the other ends of 100K resistor (other ends are connected to the anodes and grids) to the ground all segments of the VFD is glowing. What is wrong here? The clock is not functioning> I sthe chip faulty? But when i touch sometimes the pin 14 of the chip the VFD starts flickering. Would appreciate your help.
Bitte melde dich an um einen Beitrag zu schreiben. Anmeldung ist kostenlos und dauert nur eine Minute.
Bestehender Account
Schon ein Account bei Google/GoogleMail? Keine Anmeldung erforderlich!
Mit Google-Account einloggen
Mit Google-Account einloggen
Noch kein Account? Hier anmelden.


