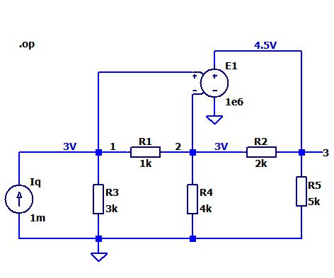
Hallo, ich hab hier eine Klausuraufgabe und muss alle Knotenspannungen und Ströme berechnen. Nur inwiefern beeinflusst der OP die Schaltung? Ist die Spannung über R1=0? Weil die Differenzsspannung zwischen phi+ = phi- sein muss? Und was für ein Strom fließt aus dem Ausgang des OPs? Liebe Grüße Klaus
KlausMartin schrieb: > Nur inwiefern beeinflusst der OP die Schaltung? Über R2 wird das Ausgangssignal zurückgekoppelt. > Ist die Spannung über R1=0? Ja, beim idealen OPA immer. Auch deshalb beeinflusst der OPA die Schaltung. > Weil die Differenzsspannung zwischen phi+ = phi- > sein muss? ?? Ich seh in dem Bild kein phi+ oder phi-. > Und was für ein Strom fließt aus dem Ausgang des OPs? Ua/R5 + Ua/(R2+R4)
Einfach so tun als ob man die Ausgangsspannung schon kennt und diese als eine der Quellen für das Gleichungssystem betrachten. Ich habe die Ausgangsspannung U3 mal mit der Überlagerungsmethode berechnet. Das geht natürlich auch mit anderen Methoden. U3 = Iq*R3*(R2+R4)/R4 Daraus am Ende U2 und U1 aus U3 zu berechnen ist gegen den Rechnenaufwand zunächst eine der Spannungen zu berechnen geradezu trivial. Das habe ich jetzt weggelssen. Ich habe die Knoten mit 1, 2 und 3 numeriert. Siehe Anhang. Das war übrigens eine Simulation mit LTspiceXVII. U1 = U3*(((R1+R3)||R4)/(R2 + (R1+R3)||R4))*R3/(R1+R3) +Iq*(R3||(R1+R4||R2)) U1 = U3*(((R1+R3)*R4/(R1+R3+R4))/(R2 + (R1+R3)*R4/(R1+R3+R4)))*R3/(R1+R3) +Iq*(R3*(R1+R2*R4/(R2+R4))/(R3+R1+R2*R4/(R2+R4))) U1 = U3*((R3*R4/(R1+R3+R4))/(R2 + (R1+R3)*R4/(R1+R3+R4))) +Iq*(R3*(R1*(R2+R4)+R2*R4)/((R1+R3)*(R2+R4)+R2*R4)) U1 = U3*R3*R4/(R2*(R1+R3+R4)+R4*(R1+R3)) +Iq*(R3*(R1*(R2+R4)+R2*R4)/((R1+R3)*(R2+R4)+R2*R4)) U2 = U3*((R1+R3)||R4)/(R2 + (R1+R3)||R4)) +Iq*(R3||(R1+R4||R2)*(R4||R2)/(R1+R4||R2)) U2 = U3*((R1+R3)*R4/(R1+R3+R4))/(R2 + (R1+R3)*R4/(R1+R3+R4)) +Iq*(R3*(R1+R2*R4/(R2+R4))/(R3+(R1+R2*R4/(R2+R4))))*(R2*R4/(R2+R4))/(R1+ R2*R4/(R2+R4)) U2 = U3*((R1+R3)*R4)/(R2*(R1+R3+R4) + (R1+R3)*R4) +Iq*(R3*(R1*(R2+R4)+R2*R4)/((R1+R3)*(R2+R4)+R2*R4))*(R2*R4)/(R1*(R2+R4)+ R2*R4) U2 = U3*((R1+R3)*R4)/(R2*(R1+R3+R4) + (R1+R3)*R4) +Iq*(R3/((R1+R3)*(R2+R4)+R2*R4))*(R2*R4) U2 = U1 U3*((R1+R3)*R4)/(R2*(R1+R3+R4) + (R1+R3)*R4) +Iq*(R3/((R1+R3)*(R2+R4)+R2*R4))*(R2*R4) = U3*R3*R4/(R2*(R1+R3+R4)+R4*(R1+R3)) +Iq*(R3*(R1*(R2+R4)+R2*R4)/((R1+R3)*(R2+R4)+R2*R4)) U3*(R1*R4)/(R2*(R1+R3+R4)+(R1+R3)*R4) = Iq*(R3*(R1*(R2+R4)+R2*R4)/((R1+R3)*(R2+R4)+R2*R4)) -Iq*(R3/((R1+R3)*(R2+R4)+R2*R4))*(R2*R4) U3*(R1*R4)/(R2*(R1+R3+R4)+(R1+R3)*R4) = Iq*(R3*R1*(R2+R4)/((R1+R3)*(R2+R4)+R2*R4)) U3*R1*R4 = Iq*R3*R1*(R2+R4) U3 = Iq*R3*(R2+R4)/R4 U3 = 4,5V
Bitte melde dich an um einen Beitrag zu schreiben. Anmeldung ist kostenlos und dauert nur eine Minute.
Bestehender Account
Schon ein Account bei Google/GoogleMail? Keine Anmeldung erforderlich!
Mit Google-Account einloggen
Mit Google-Account einloggen
Noch kein Account? Hier anmelden.

