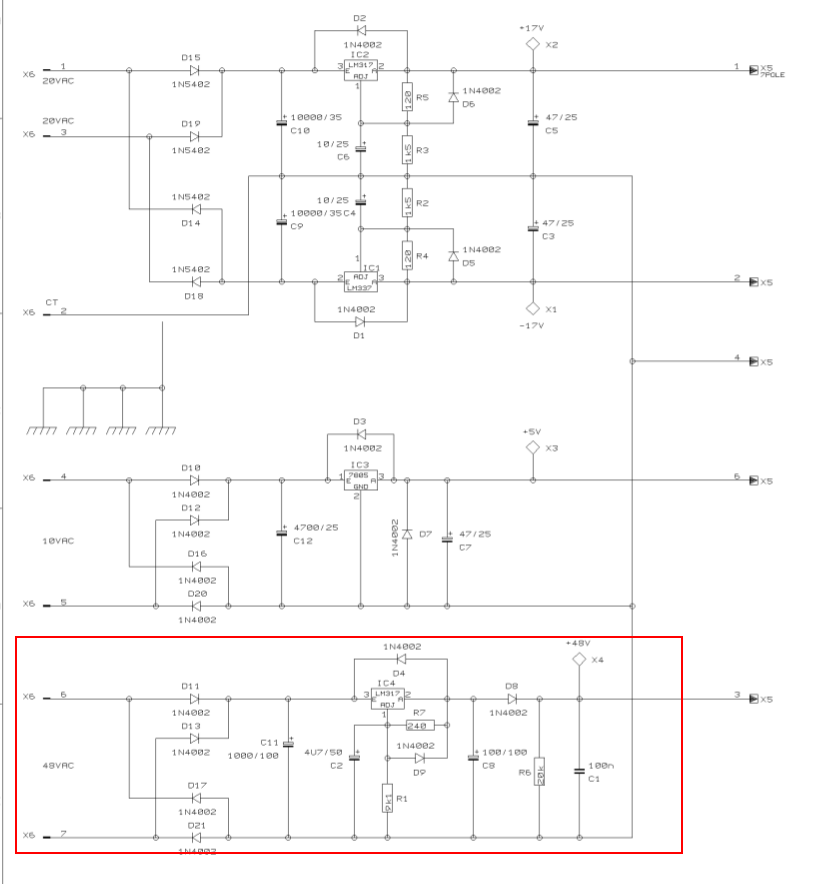
Hallo, ich versuche zu verstehen, wie Behringer in einem Netzteil die 48V Phantomspeisespannung mittels LM317 stabilisiert. Das geht doch gar nicht, oder übersehe ich da was? Arbeitet der Regler in der Schaltung nicht gegen 0V sondern floatet? Ich habe den Schaltplan angehängt und die fragliche Sektion markiert. Vielen Dank für erhellende Antworten.
LM317 "floatet" immer, wenn man das so sagen will. Zumindest solange man ihn ausgangsseitig nicht kurzschließt. Allerdings, die 1000µ am Ausgang, das ist totaler murx! Bei solchen Entwicklerkünsten ist der Verdacht naheliegend, daß die ganze Schaltung nur durch puren Zufall funktioniert... Auch gut möglich, daß der 317 beim Schöpfer des Kunstwerks längst abgeraucht, unbemerkt... Für ne Phantomspeisespannung kommt es auf einige Volt mehr nicht an.
Der LM317 floatet immer (außer man regelt auf 1.25V). Theoretisch könnte der LM317 (im statischen Fall) auch 1030V auf 1000V herunterregeln. Das geht allerdings bei Kurzschluss am Ausgang, evtl. beim Einschalten und anderen Sonderfällen schief, wenn die volle Eingangsspannung über den LM317 abfällt. Im DB wird bei "Absolute Maximum Ratings" nur "Input-to-output differential voltage" begrenzt. Bei den "Recommended Operating Conditions" wird auch die Output Voltage begrenzt, um diese Spezialfälle, bei denen die komplette Eingangsspannung übder dem LM317 abfällt, abzudecken.
Sven D. schrieb: > Ich habe den Schaltplan angehängt und die fragliche Sektion markiert. Fraglich ist eher, warum er haufenweise Angstdioden D1-D7,D9 eingebaut hat, aber die einzig wichtigen, die Verpolschutzdioden die verhindern daß ein Spannungsregler GAR NICHT HOCHKOMMT wenn der andere schneller war, fehlen.
Sven D. schrieb: > Arbeitet der Regler in der Schaltung > nicht gegen 0V sondern floatet? Die Betriebsspannung des LM317 ist die Spannung zwischen Eingang und Ausgang. Zwischen Ausgang und Adjust ist die Referenzspannung mit 1,25 Volt. Eine Verbindung nach 0 Volt (oder GND) gibt es nicht. Im vorliegenden Fall ist die Spannung am LM317 ca. 20 Volt.
der schreckliche Sven schrieb: > Im vorliegenden Fall ist die Spannung am LM317 ca. 20 Volt. Dummerweise muss auch im vorliegenden Fall der Ausgangselko erst aufgeladen werden und so lange sind es 56V. Bei Kurzschluss bzw. Überstrombegrenzung ebenfalls. Es tut nicht weh, den richtigen LM317HV einzubauen.
Phantom des Netzteils schrieb: > Allerdings, die 1000µ am Ausgang, das ist totaler murx! Das Problem mit großen Ausgangskondensatoren am LM317 existiert anscheinend nur in Newsgroups und Internetforen. Der Hersteller ist anderer Meinung: http://www.ti.com/lit/ds/symlink/lm117.pdf => 9.2.1 "Output capacitors in the range of 1 μF to 1000 μF of aluminum or tantalum electrolytic are commonly used to provide improved output impedance and rejection of transients."
Michael B. schrieb: > Dummerweise muss auch im vorliegenden Fall der Ausgangselko erst > aufgeladen werden und so lange sind es 56V. So ein Krampf. Für das Zeiterleben eines LM317 steigt beim Einschalten die Eingangsspannung recht langsam. Und er hat 1,5 Ampere zur Verfügung, den Ausgangselko aufzuladen. Bis die Ausgangsspannung 48 Volt erreicht, fallen am LM317 ca. 3 Volt ab.
Phantom des Netzteils schrieb: > Allerdings, die 1000µ am Ausgang, das ist totaler murx! Ich sehe da sowieso nur 100µF - und lt. Datenblatt wären 1000µF ja auch ok.
der schreckliche Sven schrieb: > Michael B. schrieb: >> Dummerweise muss auch im vorliegenden Fall der Ausgangselko erst >> aufgeladen werden und so lange sind es 56V. > > So ein Krampf. So krampfig finde ich die Bedenken vom "laberkopp" nicht. C2 sorgt dafür, dass er ca. 50ms braucht um am Ausgang hoch zu kommen. Der Ladestrom für C8 beträgt während dieser Zeit lediglich ca. 0,1A. Ich hätte da C2 nicht eingebaut. LG old.
Matthias S. schrieb: > Phantom des Netzteils schrieb: >> Allerdings, die 1000µ am Ausgang, das ist totaler murx! > > Ich sehe da sowieso nur 100µF - und lt. Datenblatt wären 1000µF > ja auch ok. Mehr noch. Der Eingangskondensator ist mit 1000µF zehnmal so groß. So lange der Trafo, der die 48V AC liefert, nicht wenigstens 15A Ladestrom hergibt, wird die Eingangsspannung des LM317 nicht schneller ansteigen als die Ausgangsspannung. Denn der LM317 kann 1.5A in die 100µF am Ausgang schieben. Damit an 1000µF die Spannung genauso schnell steigt, braucht es 15A. Bei einem Trafo für eine 48V Phantomspeisung kann man davon ausgehen, daß er deutlich weniger Kurzschlußstrom hat. Der einzige Betriebsfall, der dem LM317 gefährlich werden könnte, ist ein Kurzschluß am Ausgang. Aber ich vermute, daß zwischen der 48V Rail und den Mikrofonanschlüssen noch Schutzwiderstände sitzen, die genau das verhindern.
Axel S. schrieb: > der LM317 kann 1.5A in die 100µF am > Ausgang schieben. 100mA Beitrag "Re: 48 Volt mit LM317"
Axel S. schrieb: > Denn der LM317 kann 1.5A in die 100µF am > Ausgang schieben. Tut er aber nicht. Wegen C2. Der Anstieg auf 48V dauert wie oben schon erwähnt 50msec, sprich 5 Halbwellen. Nun ist es für einen Trafo üblicherweise kein großes Problem 1000uF innerhalb von 2 oder 3 Halbwellen zu laden.
Karl schrieb: > Nun ist es für einen Trafo > üblicherweise kein großes Problem 1000uF innerhalb von 2 oder 3 > Halbwellen zu laden. Die 48V werden im schlimmsten Fall (beide Eingangspins gegen Masse kurzgeschlossen) mit 15mA (pro Mikrofoneingang) belastet, zulässig im normalen Betrieb sind 10mA, üblich sind vielleicht 5mA. Je nachdem, wie viele Mikrofoneingänge das Gerät versorgen muss, wird der Trafo ziemlich schmal dimensioniert sein und ein paar Halbwellen länger brauchen.
der schreckliche Sven schrieb: > So ein Krampf. > Für das Zeiterleben eines LM317 steigt beim Einschalten die > Eingangsspannung recht langsam. Und er hat 1,5 Ampere zur Verfügung, den > Ausgangselko aufzuladen. Bis die Ausgangsspannung 48 Volt erreicht, > fallen am LM317 ca. 3 Volt ab. Blödsinn, wie man am Simulationsdiagramm der blauen Linie sieht. Axel S. schrieb: > Der Eingangskondensator ist mit 1000µF zehnmal so groß. So > lange der Trafo, der die 48V AC liefert, nicht wenigstens 15A Ladestrom > hergibt, wird die Eingangsspannung des LM317 nicht schneller ansteigen > als die Ausgangsspannung. Denn der LM317 kann 1.5A in die 100µF am > Ausgang schieben. Damit an 1000µF die Spannung genauso schnell steigt, > braucht es 15A. Nun, 1 Ohm Innenwiderstand müsste der Trafo haben, damit die Spannungdifferenz über 40V geht, bei 2 Ohm bleibt er drunter.
Karl schrieb: > Axel S. schrieb: >> Denn der LM317 kann 1.5A in die 100µF am >> Ausgang schieben. > > Tut er aber nicht. Wegen C2. Der Anstieg auf 48V dauert wie oben schon > erwähnt 50msec, sprich 5 Halbwellen. OK. Es dauert etwas länger als ohne C2. Den hatte ich gareade nicht auf dem Schirm. > Nun ist es für einen Trafo > üblicherweise kein großes Problem 1000uF innerhalb von 2 oder 3 > Halbwellen zu laden. Für den Trafo einer Phantomspeisung, die vielleicht 20mA liefern muß? Wohl nicht. Denn: Michael B. schrieb: > 1 Ohm Innenwiderstand müsste der Trafo haben, damit die > Spannungdifferenz über 40V geht, bei 2 Ohm bleibt er drunter. Ich würde eher auf 10 Ohm tippen. Wenn nicht noch mehr. Falls das ein separater Trafo ist und keine extra Wicklung auf einem großen Kern, dann ganz sicher. So kleine Trafos sind sehr weich.
Axel S. schrieb: > Ich würde eher auf 10 Ohm tippen. Wenn nicht noch mehr. Falls das ein > separater Trafo ist und keine extra Wicklung auf einem großen Kern, dann > ganz sicher. So kleine Trafos sind sehr weich. Siehste, und genau das ist das Problem: Du weisst nichts über diesen Trafo. Andererseits wäre für ein paar mA der Kondensator mit 1000µF am Eingang reichtlich großzügig bemessen. Wie auch immer ist es ein Designfehler, Bauteile einzusetzen die über ihren Ratings betrieben werden. Abgesehen davon liegt die Überspannung nicht nur am Ausgang, sondern beim Start und entladenem C2 auch am Adjust an. Man könnte das natürlich auch mit Zenerdioden abfangen... ... oder man könnte einfach einen LM317HV nehmen.
Michael B. schrieb: > Fraglich ist eher, warum er haufenweise Angstdioden D1-D7,D9 eingebaut > hat, Weil es die Standardbeschaltung der zur Verfügung stehenden Applikationsschrift ist, und die hat der Entwickler übernommen > aber die einzig wichtigen, die Verpolschutzdioden die verhindern daß ein > Spannungsregler GAR NICHT HOCHKOMMT wenn der andere schneller war, > fehlen. die Verpolschutzdioden sind da drin, wo sie Sinn machen (obere Spannungsrails. Im 48V Zweig ist diese Diode unnötig, weil die Phantomspeisung nicht von den übrigen Rails abhängt (und diese nicht von ihr).
Ich verstehe nicht, warum Ihr Euch aufregt. Unschönes Design hin oder her, solche Netzteile mit "hochgelegtem" Regler arbeiten in der Industrie jahrzehtelang störungsfrei. War schon in der Applikation des greisen 723-Datenblattes angeführt und wurde auch so nachgebaut. Gruß - Werner
Michael B. schrieb: > wie man am Simulationsdiagramm Bitte mal die asc anhängen. Kann ich gerade gut gebrauchen. LG old.
Karl schrieb: > Axel S. schrieb: >> Ich würde eher auf 10 Ohm tippen. Wenn nicht noch mehr. Falls das ein >> separater Trafo ist und keine extra Wicklung auf einem großen Kern, dann >> ganz sicher. So kleine Trafos sind sehr weich. > > Siehste, und genau das ist das Problem: Du weisst nichts über diesen > Trafo. Du auch nicht. Behringer weiß es aber. Und die haben die Schaltung designed. Ihnen vorzuwerfen, ihre Schaltung wäre Murks, ohne den Trafo zu kennen, ist mindestens unseriös.
Axel S. schrieb: > ohne den Trafo > zu kennen Ohne C2 funktioniert das an jedem Trafo. D9 benötigt man dann auch nicht. Denk da mal drüber nach. LG old.
Aus der W. schrieb: > Bitte mal die asc anhängen. > Kann ich gerade gut gebrauchen. Dann bleibt halt auf Eurem Wissen sitzen. http://www.audio-perfection.com/spice-ltspice/hierarchical-blocks-in-ltspice.html >> You can download example files ... LG old.
Andrew T. schrieb: > die Verpolschutzdioden sind da drin, wo sie Sinn machen (obere > Spannungsrails. Da siehst du was was ich nicht sehen .... Halluszinationen ? Aus der W. schrieb: > Bitte mal die asc anhängen. Axel S. schrieb: > Ihnen vorzuwerfen, ihre Schaltung wäre Murks, ohne den Trafo > zu kennen, ist mindestens unseriös. Nö. Netzteile, deren Bauteile explodieren, bloss weil im angeschlossenen Gerät ein Kurzschluss auftritt, SIND MURKS. Aber es wird allgemein davon ausgegangen, daß der Entwickler schon einen LM317HV vorsah.
Michael B. schrieb: > Axel S. schrieb: >> Ihnen vorzuwerfen, ihre Schaltung wäre Murks, ohne den Trafo >> zu kennen, ist mindestens unseriös. > > Nö. Netzteile, deren Bauteile explodieren, bloss weil im > angeschlossenen Gerät ein Kurzschluss auftritt, SIND MURKS. Das ist ein fest verbautes Gerätenetzteil. Da wo man extern etwas anschließen kann (Mikrofoneingänge) sind Schutzwiderstände. Warum sollte man hier extra noch einen Kurzschlußschutz im Netzteil vorsehen? Damit der LM317 den Wohnungsbrand überlebt, bei dem die Isolation im Kabelbaum aufgibt? > Aber es wird allgemein davon ausgegangen, daß der Entwickler schon > einen LM317HV vorsah. Auch der würde nominal nicht reichen. Aus 48V AC werden gut 66V DC vor dem Regler.
Axel S. schrieb: > Damit > der LM317 den Wohnungsbrand überlebt Zumindest sollte man C2 weglassen, damit der LM317 sicher den Einschaltvorgang überlebt. Michael B. schrieb: > LM317 Danke für die asc. LG old.
Axel S. schrieb: > Aus 48V AC werden gut 66V DC vor dem Regler. Um ehrlich zu sein kann ich den Originalschaltplan nicht so gut lesen, und habe 40V angenommen. Bei 48V sieht die Simulation noch schlimmer aus, da werden auch bei 4 Ohm Trafowiderstand die 40V abs max noch geknackt (Netzüberspannung und Leerlaufüberhöhung des Trafos nicht mal eingerechnet). Aber stimmt: 40V~ wären für 48V DC zu wenig. Kurzschlüsse kommen übrigens in den besten Schaltungen vor, Kondensatoren machen das manchmal, wer will da schon den ganzen Rest auch noch reparieren müssen. Ich habe damals Philips Fernseher-Schaltnetzteile gehasst: War irgendein Problem, zerknallten gleich alle Bauteile.
Aus der W. schrieb: > Zumindest sollte man C2 weglassen, > damit der LM317 sicher den Einschaltvorgang überlebt. C2 wird im Datenblatt des LM317 als Massnahme zur Rauschminderung empfohlen, dort mit 10 µF. Dies wird auch in vielen LM317 Schaltungen erfolgreich umgesetzt.
Michael B. schrieb: > Ich habe damals Philips Fernseher-Schaltnetzteile gehasst: War irgendein > Problem, zerknallten gleich alle Bauteile. Ja, die und andere habe ich vorsorglich modifiziert. Sven D. schrieb: > Dies wird auch in vielen LM317 Schaltungen > erfolgreich umgesetzt. Man sollte dann aber auch soviel Grips haben um zu erkennen in welchen Schaltungen diese Maßnahme zulässig ist und ob sie überhaupt nötig ist. Ein größerer D-Anteil in einer Regelung hat auch Nachteile, z.B. Regelschwingungen. LG old.
Bitte melde dich an um einen Beitrag zu schreiben. Anmeldung ist kostenlos und dauert nur eine Minute.
Bestehender Account
Schon ein Account bei Google/GoogleMail? Keine Anmeldung erforderlich!
Mit Google-Account einloggen
Mit Google-Account einloggen
Noch kein Account? Hier anmelden.



