Hallo zusammen, ich habe folgendes Problem: Ich bin gerade dabei mit meinem Arduino Mega 9 RGB LED-Streifen mit einer maximalen Länge von 30cm anzusteuern. Der LED- Streifen benötigt 24V Versorgungsspannung und ist dieser hier: https://www.conrad.de/de/led-streifen-mit-offenem-kabelende-24-v-502-cm-rgb-barthelme-y51515431-182410-182410.html Zum Schalten benutze ich Logic Level N-Channel Mosfets vom Typ IRLZ34N und zum Arduino hin vom Gate aus sind Widerstände verbaut von einer Größe von 1500 Ohm. Als Netzteil verwende ich dieses hier: https://www.reichelt.de/Netzteile-Festspannung/MW-OWA-90E-24/3/index.html?ACTION=3&LA=2&ARTICLE=203078&GROUPID=4950&artnr=MW+OWA-90E-24&trstct=pol_0 Anfangs hat das Ganze ganz gut geklappt nur jetz brennen mir so wie es mir vorkommt ein Mosfet nach dem anderen durch. Denn die LED- Streifen leuchten nun weiß, was ja bedeutet, dass der Mosfet voll durchschaltet obwohl kein High Pegel am jeweiligen Port anliegt? Normal müssten die MOSFETS das Ganze doch locker aushalten oder irre ich mich? Im Anhang 2 Bilder - einmal wie der LED- Streifen verschaltet ist und einmal wie der Ganze Aufbau des Projektes aussieht. Nicht irritieren lassen vom Bild des Aufbaus - es werden 24V verwendet und keine Bipo Transistoren sonder MOSFETS. Ich bin über jede Hilfe dankbar! Grüße und ein schönes Osterwochenende! Nachteule
FETs können zwar viel, sind aber empfindlich wenn man sie nicht richtig behandelt. Wieviel Gatespannung liegt an? Sind sie irgendwie warm? Wie schnell schaltest du?
Nacht E. schrieb: > Zum Schalten benutze ich Logic Level N-Channel Mosfets vom Typ IRLZ34N > und zum Arduino hin vom Gate aus sind Widerstände verbaut von einer > Größe von 1500 Ohm. Wofür denn die Widerstände bei MOSFETs?
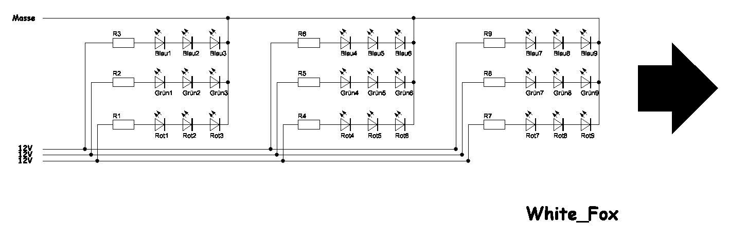
Nacht E. schrieb: > Der LED- Streifen benötigt 24V Versorgungsspannung und ist dieser hier: Warum ist dann im Schaltplan überall von 12V die Rede?
Nacht E. schrieb: > Der LED- Streifen benötigt 24V Versorgungsspannung und ist dieser hier: Das passt aber nun so gar nicht dazu, dass du ihn mit 12V versorgst. Oder ist die oben gezeigte Schaltung gar nicht deine? Nacht E. schrieb: > Normal müssten die > MOSFETS das Ganze doch locker aushalten oder irre ich mich? Im Schaltbetrieb müssten die das locker aushalten. Aber mit 1500Ohm vor dem Gate und dann womöglich noch mit PWM-Ansteuerung kann es sein, dass sich eine "mittlere Gate-Spannung" einstellt, bei der der FET im Linearbetrieb arbeitet und eine ordentliche Heizleistung abkriegt. Und wenn er dann nicht gut gekühlt ist, dann kann er schon Schaden nehmen. Warum hast du so einen riesigen Vorwiderstand für das Gate gewählt?
Nacht E. schrieb: > Nicht irritieren lassen vom Bild des Aufbaus - es werden 24V verwendet > und keine Bipo Transistoren sonder MOSFETS. Ja, und die Beschaltung der LED-Streifen (rechtes Bild) ist auch falschrum. Danke für die Rundumverarsche. Nacht E. schrieb: > Denn die LED- Streifen > leuchten nun weiß, was ja bedeutet, dass der Mosfet voll durchschaltet > obwohl kein High Pegel am jeweiligen Port anliegt? Normal müssten die > MOSFETS das Ganze doch locker aushalten oder irre ich mich? Und du bist sicher, dass nicht die Ausgänge deines µC zerschossen (dauerhaft high) sind?
Da kann nur eine Schaltung stimmen, entweder hast du gemeinsamen Plus an den LED, dann stimmt 'LED-Kette-Problem.png' und 'LED-Stripe.BMP' ist falsch oder du hast LED mit gemeinsamer Masse und die erste Zeichung ist falsch. Im letzteren Fall betreibst du die MOSfets als Sourcefollower, was dazu führt, das du an der Source eine Spannung hast die 5V - Ugs, was nur noch unter 2-3V für die LED bedeutet. Gatewiderstände kann man machen, aber nicht grösser als ein paar dutzend Ohm.
Nacht E. schrieb: > Im Anhang 2 Bilder - einmal wie der LED- Streifen verschaltet ist und > einmal wie der Ganze Aufbau des Projektes aussieht. Eines von den beiden Bildern ist falsch, denn sie passen nicht zusammen. Und das hat nichts mit bipolar vs. MOSFET zu tun. Nacht E. schrieb: > jetz brennen mir so wie es > mir vorkommt ein Mosfet nach dem anderen durch. Vermutlich dank falsche "Sourcefolgerschaltung" UGSmax überschritten, darf nur 10V beim IRLZ34 betragen.
Nacht E. schrieb: > Zum Schalten benutze ich Logic Level N-Channel Mosfets vom Typ IRLZ34N > und zum Arduino hin vom Gate aus sind Widerstände verbaut von einer > Größe von 1500 Ohm. Schwachsinn. Du willst wohl die Dinger unbedingt killen? Wenn man überhaupt Gatewiderstände einbaut (was meist völlig überfüssig ist), dann liegen diese eher im Bereich von <=100Ohm. Mit 1,5KOhm zwingst du den FET in den "analogen" Bereich außerhalb seiner SOA. Welcher Vollidiot hat dir den Rat mit den 1,5KOhm gegeben?
c-hater schrieb: > Nacht E. schrieb: > >> Zum Schalten benutze ich Logic Level N-Channel Mosfets vom Typ IRLZ34N >> und zum Arduino hin vom Gate aus sind Widerstände verbaut von einer >> Größe von 1500 Ohm. > > Schwachsinn. Du willst wohl die Dinger unbedingt killen? Wenn man > überhaupt Gatewiderstände einbaut (was meist völlig überfüssig ist), > dann liegen diese eher im Bereich von <=100Ohm. Mit 1,5KOhm zwingst du > den FET in den "analogen" Bereich außerhalb seiner SOA. > > Welcher Vollidiot hat dir den Rat mit den 1,5KOhm gegeben? Die Frage finde ich jetzt aber nicht zielführend und außerdem overhead erzeugend.
Nacht E. schrieb: > Im Anhang 2 Bilder - einmal wie der LED- Streifen verschaltet ist und > einmal wie der Ganze Aufbau des Projektes aussieht. Wenn die LED-Streifen wirklich so geschaltet sind, wie im rechten Bild, wäre es ein Wunder, wenn du die mit der linken Schaltung überhaupt jemals vernünftig hast ansteuern können. Was hast du da wirklich verschaltet?
c-hater schrieb: > Mit 1,5KOhm zwingst du > den FET in den "analogen" Bereich außerhalb seiner SOA. > > Welcher Vollidiot hat dir den Rat mit den 1,5KOhm gegeben? "Welcher Vollidiot" hat denn hier eine deutliche Rechenschwäche? Wieviel µF-Gatekapazität hat ein IRLZ34, um auf eine kritische Zeitkonstante zu kommen? Ich fahre hier ein paar IRLZ44 über 1k2 an, da passiert genau garnichts. Der schlechteste Wert vom 34 "Total Gate Charge 35nC" ergibt welche Schaltzeit? Wieviel Verlustleistung macht er da, wenn er (ungünstigst) ab 1V leitend wird und bei 4V schon 70mOhm RDS erreicht?
Es ist eine Frage der Frequenz :-) Es gibt keinen sinnvollen Grund, den Gatewiderstand derartig hoch zu machen. Keinerlei Vorteil, nur Nachteile.
Nacht E. schrieb: > Anfangs hat das Ganze ganz gut geklappt nur jetz brennen mir so wie es > mir vorkommt ein Mosfet nach dem anderen durch. Hast Du denn etwas verändert? Wie verhält sich der Streifen wenn die. Verbindungen zu den Arduino-Ports getrennt werden und die Gate auf GND gelegt werden? Der Streifen sollte dann aus sein. Die 1K5 wurde schon angesprochen, die würde ich auch deutlich verkleinern. 100R reichen und schaden nicht. Zusätzlich würde ich von jedem Gate einen Widerstand mit 100K gegen GND anbringen. Zeige mal Fotos vom Aufbau, eines oder mehrere auf denen alles zu erkennen ist. Der Streifen hat vermutlich eine gemeinsame Plus für die Leds, die jeweiligen Farben kommen dann gegen GND. Das linke Bild wäre dann das einigermaßen Korrekte. Abgesehen von den falschen Symbolen für die Transistoren und die Angabe der Versorgungsspannung für die Ledstreifen. Wenn du Hilfe möchtest müssen deine Angaben und Fotos schon verwertbar sein. Alles erst zu Hinterfragen macht keinen Spass.
Manfred schrieb: > "Welcher Vollidiot" hat denn hier eine deutliche Rechenschwäche? > > Wieviel µF-Gatekapazität hat ein IRLZ34, um auf eine kritische > Zeitkonstante zu kommen? Ich fahre hier ein paar IRLZ44 über 1k2 an, da > passiert genau garnichts. > > Der schlechteste Wert vom 34 "Total Gate Charge 35nC" ergibt welche > Schaltzeit? Wieviel Verlustleistung macht er da, wenn er (ungünstigst) > ab 1V leitend wird und bei 4V schon 70mOhm RDS erreicht? Mag sein, trotzdem muss der Gatewiddestand nicht so hoch sein. Eigentlich könnte er sogar entfallen. Gehts auch ohne verbale Beleidigungen??
Zusätzlich zu dem schon Gesagten würde ich noch einen hochohmigen Widerstand vom Gate zu Masse legen. So 10-100K, was die Teilekiste hergibt. Wenn der Ausgang vom µC nicht initialisiert ist, oder das ganze modular aufgebaut ist, das "der Leistungsteil" bei den LEDs ist, der Controller aber wo anders, dann hängt das Gate in der Luft, sieht irgendwas und der FET arbeitet im Linearbetrieb. Da schafft besagter Widerstand klare Verhältnisse.
Gerald B. schrieb: > Zusätzlich zu dem schon Gesagten würde ich noch einen hochohmigen > Widerstand vom Gate zu Masse legen. So 10-100K Wurde auch schon gesagt?
H.Joachim S. schrieb: > Es ist eine Frage der Frequenz :-) Vollkommen richtig! Die Frage bleibt, ab welcher Frequenz das kritisch wird und ob man sich pauschal in die Hose machen muß. Auf die schnelle per Google: "the PWM default frequency is 490 Hz for all pins, with the exception of pin 13 and 4, whose frequency is 980 Hz", sehe ich als unkritisch langsam.
Selbst wenn dem so wäre (ich weiss es nicht) macht es dennoch kaum Sinn, einen so "hochohmigen" Widerstand zu verwenden. Einen positiven Effekt gibts allerdings: Störstrahlungen werden verringert, auf Kosten der Schaltverluste.
Manfred schrieb: > H.Joachim S. schrieb: >> Es ist eine Frage der Frequenz :-) > > Vollkommen richtig! Wenn das so vollkommen richtig ist, spielt die Pulsflankensteilheit keine Rolle? Wird nicht, je langsamer die Flanken werden, die SOA auch langsamer erreicht und die Verlustleistung im "analogen" Bereich größer?
grüner schrieb: > spielt die Pulsflankensteilheit > keine Rolle? Wird nicht, je langsamer die Flanken werden, die SOA auch > langsamer erreicht und die Verlustleistung im "analogen" Bereich größer? Wenn die Flankensteilheit geringer wird, steigt die Zeit, in der der FET noch nicht vollständig durchgesteuert ist - in Folge wird dessen Verlustleistung größer. Trotzdem bezweifele ich, dass diese für den Tod der FETs verantwortlich ist, wenn der Arduino bei einigen hundert Hertz ein paar Dutzend Milliampere schaltet.
Bleibt bei einem Mosfet an PWM ansonsten alles gleich (also Leistungsschalter samt Treiber und Beschaltung dazwischen, und natürlich auch die Pulsbreite), sind die Schalt-Verluste praktisch direkt von der Frequenz abhängig. (Bis hin zu der Frequenz, bei welcher nicht mehr völlig durchgeschaltet wird - weil keine Leitphase mehr "übrig bleibt". Ist aber meist kein sinnvoller Anwendungsfall.) Ist ja auch logisch: Der einzelne Schaltvorgang und die dabei im Wärme umgesetzte Energie bleibt jeweils gleich. Nur die "Häufigkeit" steigt, und damit die Energie pro Zeiteinheit (aka Leistung). In gewissen Grenzen und/oder je nach Fall kann es sinnvoll sein, Schaltvorgänge zu entschleunigen. Z.B., wie schon genannt, zur Verminderung von Störaussendungen. Dazu wird im einfachsten Fall ein Gatewiderstand hinzugefügt, bzw. der vorhandene Wert erhöht. (Oder um z.B. Ein- und Ausschaltvorgang unterschiedlich schnell / steil auszuführen. Dazu kann man, ebenfalls im einfachsten Fall, mit einer passenden Diode + mind. einem weiteren R den wirksamen Gate-R niederohmiger gestalten, als den anderen.) @Manfred: Bei niedrigen oder gar sehr niedrigen Schaltfrequenzen kann man schon den Gatewiderstand (evtl. auch stark) erhöhen, ohne dadurch zu hohe Verlustleistung im Fet zu riskieren. Nur, welchen Sinn hat ein extrem hoher Gate-R (mehrere 100 bis an die 1000 Ohm, oder gar größer) genau, Manfred? Gibt es nicht sogar Szenarien, bei denen so eine hochohmige Anbindung des Gates vielleicht schadet? Ich habe mehrfach ähnliches gelesen, so daß ich eher "von der anderen Seite" (so niedrig wie möglich) an die Sache herangehe. Habe leider kein Dokument in petto, deshalb frage ich ja nochmal nach. MfG
Manfred schrieb: > Wenn die Flankensteilheit geringer wird, steigt die Zeit, in der der FET > noch nicht vollständig durchgesteuert ist - in Folge wird dessen > Verlustleistung größer. Bevor sich hier jetzt eine endlose Episode über Verlustleistung auf Grund von Schaltverlusten entfaltet, wäre vielleicht seitens des TO eine Angabe über den maximal pro geschaltetem Strang fließenden Strom ganz hilfreich und würde die Sache deutlich abkürzen. Nacht E. schrieb: > RGB LED-Streifen mit einer maximalen Länge von 30cm anzusteuern. Auf welcher Streifenlänge die LEDs angeordnet sind, ist bezüglich der Ansteuerung ziemlich egal, aber es ist ein Unterschied ob das 10 LEDs mit je 10mA oder 30 LED-Cluster mit je 300mA sind.
Ihr streitet Euch rum wegen nix. Nacht Eule hat bisher nur fehlerhafte Infos gegeben. Solange er zu faul ist, aufzuzeichnen (und zu fotografieren), was er wirklich gemacht hat, kann seine Frage nicht beantwortet werden.
der schreckliche Sven schrieb: > Ihr streitet Euch rum wegen nix. > Nacht Eule hat bisher nur fehlerhafte Infos gegeben. > Solange er zu faul ist, aufzuzeichnen (und zu fotografieren), was er > wirklich gemacht hat, kann seine Frage nicht beantwortet werden. ACK. (ebenso typisches Arduino-User Problem: Alles wird irgendwie nur zusammengesteckt ohne tiefes Verständnis, dann wundert man sich wenns nicht geht. Da nichtmal der Schaltplan mit der Realität übereinstimmt kann auch niemand das Problem finden geschweige denn finden) Klare Infos. Klare Schaltpläne. Klare Bilder vom Aufbau. Dann reden wir weiter.
Hilfe! Was muß man eigentlich machen, um so einen FET zu killen? Bei 12V.
michael_ schrieb: > Hilfe! > Was muß man eigentlich machen, um so einen FET zu killen? > Bei 12V. Es gibt Leute, die killen ihn und wissen nicht wieso. Andere kriegen ihn nicht zum Laufen und wissen auch nicht warum. Du willst wohl beides schaffen.
michael_ schrieb: > Hilfe! > Was muß man eigentlich machen, um so einen FET zu killen? > Bei 12V. Source oder Drain irgendwo anschließen, dann am Gate-Anschluss anfassen und ein wenig mit dem Hintern auf dem Plastikstuhl herumrutschen sollte schon recht zuverlässig funktionieren - ganz ohne 12V!
Hallo zusammen, da sind ja schon zahlreiche Nachrichten hier mit dem habe ich nicht gerechnet! Hab ich schon fast ein schlechtes Gewissen jetzt erst nach dem Osterwochenende anzuworten. Danke schonmal und tut mir leid um die Fehlinformation, wie ich bereits im Text oben beschrieben habe: Nicht irritieren lassen vom Bild des Aufbaus - es werden 24V verwendet und keine Bipo Transistoren sonder MOSFETS. Und natürlich hab ich nach einem langem Arbeitstag am Donnerstag auch noch vergessen zu erwähnen, dass der Schaltplan von den LED's natürlich 3 Grounds (für die jeweilige Farbe einen) und ein 24V Versorgungsspannungskabel hat. Und keine 3 Versorgungsspannungen. Sorry für die so genannte "Rundumverarsche". Wenn ich einen Vorwiderstand von 125 Ohm einbaue könnte es demnach also sein, dass das Ganze funktioniert? Berechnet durch U = R* I mit max 40mA pro Ausgangs-Pin und 5V Ausgangsspannung. Richtig so? Also müssen die FETS noch garnicht unbedingt durchgebrannt sein? =) Und die Pins vom Arduino sind noch nicht durch, das habe ich überprüft mit dem Multimeter.
Nacht E. schrieb: > Wenn ich einen Vorwiderstand von 125 Ohm einbaue könnte es demnach also > sein, dass das Ganze funktioniert? Das ist egal, auch mit 1500ohm müsste es gehen. Sehr viel wahrscheinlicher hast Du die Fets falsch angeschlossen, schau nochmal genau auf die Anschlussbelegung. Als Anfänger hat man oft Probleme, die Pins richtig zuzuordnen: Ansicht von oben, Ansicht von unten. Aber Du solltest Dir mal EINEN RICHTIGEN Schaltplan zeichnen, schon allein damit Dir klar wird, was wohin gehört.
Nacht E. schrieb: > Sorry für die so genannte "Rundumverarsche". > > Wenn ich einen Vorwiderstand von 125 Ohm einbaue könnte es demnach also > sein, dass das Ganze funktioniert KEINER WEISS WAS DU WIRKLICH GEBAUT HAST, also gibt es keine Antwort, so lange von dir KEINE RICHTIGEN Informationen kommen (Bild vom Aufbau und VOLLSTÄNDIGEN Schaltplan).
Karl schrieb: > Nacht E. schrieb: >> Wenn ich einen Vorwiderstand von 125 Ohm einbaue könnte es demnach also >> sein, dass das Ganze funktioniert? > > Das ist egal, auch mit 1500ohm müsste es gehen. Das ist nicht egal. > Aber Du solltest Dir mal EINEN RICHTIGEN Schaltplan zeichnen, schon > allein damit Dir klar wird, was wohin gehört. Und vor allem dir auch.
Ok nun im Anhang der Schaltplan von der Verschaltung einer 10cm langen Einheit. Die Mosfets sind vom Typ IRLZ34N. Das ganze habe ich 8x wiederholt. Einen Schaltplan vom LED- Streifen find ich keinen aber ich gehe davon aus, dass er so verschaltet ist wie im 2. Bild im Anhang.
Eine 10cm Einheit braucht 1,44W also 60mA wenn alle 3 Farben leuchten also weiß. bei einer Farbe sind es 20mA pro Einheit Stromverbrauch.
Mach die 1.5K Widerstände weg. Die schaden nur und bringen nix. Direkt verbinden, testen. Wenn das Radio ausfällt: 15 Ohm, nicht 15000 Ohm versuchen. vermutlich hat sich in den Schaltplan, den du in x-ter Generation abgemalt hast, da irgendwann mal ein "k" eingeschlichen...
grüner schrieb: > Das ist nicht egal. Es würde mit 1500ohm funktionieren, wenn auch die Verluste an den Mosfets bei PWM steigen. Wenn es gar nicht funktioniert, liegt das sicher nicht an den 1500ohm. Für den regulären Betrieb ist es sinnvoll sie auf unter 100ohm zu reduzieren oder ganz wegzulassen. Bis dahin schützen sie erstmal den Arduino vor falsch angeschlossenem Mosfet (24V - Uled auf die Pins, wenn S an den LED und D am Pin hängt).
https://www.vishay.com/docs/91327/91327.pdf Wirf mal einen Blick auf die 1. Seite des verlinkten Datenblattes. Vgs ist dort mit maximal +/-10V angegeben. Wenn das Gate offen ist, weil der Controller noch nicht initialisiert ist, noch nichts verkabelt ist o.ä. und du beim Löten villeicht nicht zu 100% sauber gearbeitet hast und Reststrom vom Drain, das ja über die Last hochohmig auf 24V liegt, dann schlägt dir das Gate am Transistor durch! Du mußt dem also irgendwie vorbeugen. Entweder, wie von mir weiter oben vorgeschlagen, das Gate hochohmig mit 10-100K auf Masse legen, oder mittels Z-Diode gegen Masse das Gate schützen. Die Z-Diode sollte maximal 9V Zenerspannung haben, da die Fertigungstoleranz ein weiteres Volt betragen kann. Wobei bei geringen Strömen die Z-Spannung ohnehin geringer aus der Nennwert ausfallen wird. Wenn du nicht weißt warum deine FETs kaputtgehen, würde ich mal in diese Richtung tätig werden.
Da gibt es von Pollin so ein Bausatz, dort sind extra Optokopper vor den Mosfets... Je nach dem wo der Controller noch dranhängt, macht das im worst-case richtig Freude, dass nicht alles im Eimer ist!
Kalauer schrieb: > Mach die 1.5K Widerstände weg. > Die schaden nur und bringen nix. > > Direkt verbinden, testen. > Wenn das Radio ausfällt: 15 Ohm, nicht 15000 Ohm versuchen. > > vermutlich hat sich in den Schaltplan, den du in x-ter Generation > abgemalt hast, da irgendwann mal ein "k" eingeschlichen... Und Du vergrößerst den Wert gleich nochmals um den Faktor 10? ##### Ich würde 100 R zwischen Gate und Arduino einbauen. Zusätzlich 100 K zwischen Gate und GND. Ansonsten, Bilder vom Aufbau! Wurde ja schon mehrfach gefordert.
Nacht E. schrieb: > nun im Anhang der Schaltplan von der Verschaltung einer 10cm langen > Einheit. Die Mosfets sind vom Typ IRLZ34N. Das ganze habe ich 8x > wiederholt. > > Einen Schaltplan vom LED- Streifen find ich keinen aber ich gehe davon > aus, dass er so verschaltet ist wie im 2. Bild im Anhang. Warum 2 Schaltpläne und nicht einer ? Die Verbindungen beider darf man nun raten ? Wohin geht die Masse der 2%V, doch nicht an GND blau GND grün, GND rot. Der Plan ist doch schon wieder falsch. Wenn alles was man NICHT sieht, richtig wäre, würde kein MOSFET kaputt gehen.
Nacht E. schrieb: > Eine 10cm Einheit braucht 1,44W also 60mA wenn alle 3 Farben > leuchten also weiß. bei einer Farbe sind es 20mA pro Einheit > Stromverbrauch. Ja, aber diese Information löst dein Problem nicht und hilft uns nicht weiter. Die IRLZ34 lässt das nicht einmal gähnen. @TO Es gibt genügend Auswahl an kostenloser SW um Schaltpläne zu zeichnen. Da kann dann auch schnell mal etwas korrigiert werden. Wenn du nun weiter Hilfe erwartest müssen Informationen kommen, ohne Salamitaktik. Also, korrekter Schaltplan und Bilder vom Aufbau. Sonst hat sich der Thread wohl erledigt.
Vermutung aus eigener Erfahrung: Hier fehlen die Gate - Source Widerstände für den Fall, dass der Controller beim Reset, Programmieren usw die Ausgänge hochohmig schaltet. Dann nimmt die Gatespannung nämlich nur sehr langsam ab und plötzlich ist der Fet sehr lange nur halb auf. Dann wird er sehr warm und danach geht er nicht mehr aus..
Der Wert von 1500R mag zwar etwas hoch sein, hat aber ganz sicher nichts mit dem Problem zu tun. Ihn einfach wegzulassen oder deutlich unter 100R zu wählen kann dagegen wieder ganz neue Probleme verursachen. Hat mal jemand überlegt, wie hoch da die Spitzenströme im AVR werden, insbesondere, wenn da mehrere FETs exakt gleichzeitig per Timer gesteuert werden. Das gibt nicht zu vernachlässigende Spannungsabfälle auf den internen Verbindungen und Bonds. Das mag in den allermeisten Fällen gut gehen, aber ich würde den Vorwiderstand schon so auslegen, dass der einzelne Pin nie mehr als 20mA sieht. Und dazu braucht man bei 5V nun mal 250R. Hat man gleichzeitig noch einen ADC am laufen, würde ich auch noch höher gehen. Bei diesen niedrigen Schaltfrequenzen kann man die Schaltverluste trotzdem vernachlässigen. Nacht Eule sollte mal prüfen, was die Gate-Spannung eigentlich macht, ob die überhaupt die 5V erreicht oder ob einfach nur die Ports falsch initialisiert sind. Wird der FET kurz vor dem Defekt heiß? Ist auf den LED-Streifen irgendwo ein Kondensator verbaut? Michael
Michael S. schrieb: > Ist auf den LED-Streifen irgendwo ein Kondensator verbaut? Oder sind die Leitungen so lang, dass der FET beim Abschalten mit einer Induktionsspitze abgeschossen wird?
Michael S. schrieb: > Ist auf den LED-Streifen irgendwo ein Kondensator verbaut? Wolfgang schrieb: > Oder sind die Leitungen so lang, dass der FET beim Abschalten mit einer > Induktionsspitze abgeschossen wird? ??? Jörg R. schrieb: > Wenn du nun weiter Hilfe erwartest müssen Informationen kommen, ohne > Salamitaktik. Also, korrekter Schaltplan und Bilder vom Aufbau.
Wolfgang schrieb: > Oder sind die Leitungen so lang, dass der FET beim Abschalten mit einer > Induktionsspitze abgeschossen wird? Gute Idee. Bei 1500R Gatevorwiderstand aber unwahrscheinlich. Diese Problematik würde bei kleinere Gatevorwiderständen aber größer werden. Der IRLZ34N ist "fully avalanche rated", würde das bis zu einem gewissen Maße also problemlos hinnehmen. Trotzdem habe ich mal gehört, dass Avalanche FETs altern lässt. Ich denke aber eher, dass das Gate das Problem ist und irgendwie geschädigt wird/wurde, z.B. durch ESD. Bei kritischen Schaltungen sollte auch eine Z-Diode ans Gate, um dieses vor Ladungen, die durch die Drain-Gate-Kapazität reinkommen, zu schützen. Ist hier zwar unwahrscheinlich, aber wer weiß, was der OP schon alles mit der Schaltung/den FETs gemacht hat. Gate-Überspannungen können auch zu schleichendem Sterben führen. Michael
Michael S. schrieb: > Hat mal > jemand überlegt, wie hoch da die Spitzenströme im AVR werden, > insbesondere, wenn da mehrere FETs exakt gleichzeitig per Timer > gesteuert werden. Das klingt ja sehr schön, aber erstens sind die FET im Ausgang des AVR von selbst strombegrenzend, zweitens ist die Gatecharge der IRLZ34 klein und drittens ist ein niedriger Gatewiderstand ein probates Mittel gegen die Millerkapazität, die beim Stromfluss durch den DS Kanal der Gateaufladung entgegenwirkt und den MOSFet länger im linearen Bereich als nötig hält. Da ist ein 1,5k Gatewiderstand einfach fehl am Platz. Wenn man niemals auch nur die 20mA überschreiten will, die so ein Ausgang ohne Stress liefert, nimmt man einen 250 Ohm Widerstand und ist immer auf der sicheren Seite. Viel wichtiger ist dabei allerdings, das die Versorgung des MC stabil ist und mit einem Reservoir (Abblockung) ausgestattet ist. Da die Aufladung des Gate auch innerhalb von ein paar µs erledigt ist, sind aber auch 100 oder 47 Ohm legitim.
Matthias S. schrieb: > Das klingt ja sehr schön, aber erstens sind die FET im Ausgang des AVR > von selbst strombegrenzend ja, aber bei welchen Strömen? Bei 50mA oder 150mA? Außerdem hat man ohne Gatevorwiderstand die ganzen Verluste in diesem Winz-MOSFET im Chip. Dessen zulässige Verlustleistung und dessen zulässige Pulsbelastung ist überhaupt nicht spezifiziert. DC-Strom sind 40mA erlaubt, alle Ports zusammen 200mA. Keine Angabe, für wie lange diese Werte überschritten werden dürfen. Mag hier im konkreten Fall unkritisch sein, aber das ist nicht immer unkritisch. >, zweitens ist die Gatecharge der IRLZ34 klein Naja, so klein ist die jetzt auch nicht, es ist kein BSS138, den man bedenkenlos direkt an den Port anschließen kann. > und drittens ist ein niedriger Gatewiderstand ein probates Mittel gegen > die Millerkapazität, die beim Stromfluss durch den DS Kanal der > Gateaufladung entgegenwirkt und den MOSFet länger im linearen Bereich > als nötig hält. Die Miller-Kapazität ist nicht NUR schlecht. Sie begrenzt die Flankensteilheit am Drain und ihre Charakteristik hat zusammen mit dem Gate-Widerstand maßgeblichen Einfluss auf die EMV. > > Da ist ein 1,5k Gatewiderstand einfach fehl am Platz. Wenn man niemals > auch nur die 20mA überschreiten will, die so ein Ausgang ohne Stress > liefert, nimmt man einen 250 Ohm Widerstand und ist immer auf der > sicheren Seite. Viel wichtiger ist dabei allerdings, das die Versorgung > des MC stabil ist und mit einem Reservoir (Abblockung) ausgestattet ist. > Da die Aufladung des Gate auch innerhalb von ein paar µs erledigt ist, > sind aber auch 100 oder 47 Ohm legitim. Und Du glaubst, dass ein paar µs instabile Versorgung (Bonddrähte haben einen Widerstand) weniger schlimm sind als eine 1ms lang gestörte Versorgung? Das mag hier in diesem konrekten Fall unkritisch sein, da der AVR ja bis unter 3,3V lauffähig ist. Trotzdem macht man das so nicht. Man wählt den Gate-Vorwiderstand so, dass die Verlustleistung hauptsächlich im Widerstand anfällt und nicht im internen Port-MOSFET und wenn ein ADC oder der 5V-Brownout aktiv ist, dann geht es so schon 2mal nicht. u.U. suchst Du wochenlang einen Softwarefehler, dabei ist es die Hardwarebeschaltung, die zu sporadischen Fehler führt. Will man reproduzierbar schneller schalten, nimmt man einen externen Gate-Treiber, da der interne MOSFET riesige Toleranzen aufweist, insbesondere über Temperatur. Was ich damit sagen will: Pauschalaussagen wie "1.5k sind grundsätzlich zu hoch" sind einfach nicht zielführend. Die Zeiten, in denen man MOSFETS grundsätzlich mit einstelligen Ohms ansteuert, sind auch vorbei. Letztes Jahr habe ich einen 400W-DCDC mit 200kHz gemacht. Gate-Vorwiderstand: 82Ohm Flankensteilheit: 100V/20ns Wirkungsgrad: >98% Michael
Michael S. schrieb: > Pauschalaussagen wie "1.5k sind grundsätzlich zu hoch" sind einfach > nicht zielführend. Auffällig ist doch aber, abgesehen von theoretischen Überlegungen, das wir anderen mit unseren 100 Ohm Widerständen die Probleme nicht haben. Der TE verwendet 1,5 kOhm und hat damit Probleme, wobei das eben der einzige Unterschied zur Standardschaltung (abgesehen vom fehlenden Pulldown) ist, die bei uns anderen schon jahrelang läuft. Die 1,5 kOhm bilden eben auch mit der Gatekapazität einen RC Tiefpass, der die Flanken unnötig verrundet. > Die Miller-Kapazität ist nicht NUR schlecht. In diesem Fall doch, denn sie verändert das Schaltverhalten zu etwas, das der TE so nicht will und auch nicht einplanen kann. > Letztes Jahr habe ich einen 400W-DCDC mit > 200kHz gemacht. Jajaj, sehr schön. Ich könnte auch von meinem 4kW BLDC Controller erzählen, der mit 18 * 12 Ohm Gatewiderständen arbeitet, das hilft aber dem TE nicht weiter. Auch der Frequenzumrichter von mir hier im Forum arbeitet sehr schön mit 6 Stück 18 Ohm Widerständen.
Ich denke, es hat was mit dem Arduino zu tun. Trenn doch mal das Gate vom Pin des Arduino und schalte mal per Hand gegen GND und gegen VCC, um überhaupt zu sehen, ob der Mosfet noch geht. Wenn Du im Code z.B. DDRx nicht als Ausgang geschaltet hast, sondern die Pins als Eingang funktionieren, dann wirkt der PORTx bei 1 als PullUp Wid.. Es könnte also sein, dass der Pin beim Arduino immer zwischen 5V und hochohmig hin und her schaltet. Schalte doch mal mit einem Timer den Pin langsam (Sekunde) hin und her und schau, ob die Leds ordentlich ein und aus gehen. Messe dann auch mal am Pin gegen 5V, nicht GND, ob bei Low auch 5V anliegen.
Michael S. schrieb: > ja, aber bei welchen Strömen? Bei 50mA oder 150mA? > Außerdem hat man ohne Gatevorwiderstand die ganzen Verluste in diesem > Winz-MOSFET im Chip. Dessen zulässige Verlustleistung und dessen > zulässige Pulsbelastung ist überhaupt nicht spezifiziert. DC-Strom sind > 40mA erlaubt, alle Ports zusammen 200mA. Keine Angabe, für wie lange > diese Werte überschritten werden dürfen. Doch, steht alles im Datenblatt. Man muss halt ein paar Zahlen multiplizieren. Oder meinetwegen integrieren, wenn man's ganz genau wissen will. ( Verlustleistung die beim Gate-Umladen Umladezeit Frequenz << Ptot(max) oder nach Kürzen und ein paar Worst-Case-Schätzungen: f(pwm) * Qg(ges) << I(max) des IOs) ) Ergebnis: Bis zu mehreren 100kHz kann man so ein "kleines" Mosfet-Gate wie es der IRLZ34N hat direkt an einen AVR-Pin anschließen, und bleibt dabei noch eine Größenordnung von den Absolute Maximum Ratings entfernt. Ein Gate-Vorwiderstand bringt etwas von der Verlustleistung vom AVR-Silizium runter, erzeugt dafür aber ggfs. viel Verlustleistung im FET (Miller-Plateau usw.) Wenn er also nicht aus EMV-Gründen nötig ist, kann man ihn auch weglassen, ohne den AVR zu gefährden. Und wenn man nicht verstanden hat, warum manche Schaltungen im Internet so große Gate-Widerstände verwenden, sollte man das nicht bind nachmachen, sondern erstmal klassisch ohne arbeiten. Getreu dem Motto: erstmal Grundlagen lernen und verstehen, Feinheiten und Sonderfälle später. Lustigerweise war es so gefühlt 20 Jahre ganz normal, CMOS-IOs direkt an FET-Gates anzuschließen, diese Angstvorwiderstandskrankheit hat erst mit Arduino und der "Maker-Kultur" angefangen. Zum Thema zurück: ich vermute auch eine unzureichende Source<->GND Verbindung an den FETs.
Jens schrieb: > Ich denke, es hat was mit dem Arduino zu tun. Ja, denke ich auch. Wegen 1,5k Gaterwiderstand macht keinem MOSFET kaputt. Schon gar nicht bei dem Frequenz und Strom. Sinnvoller wäre es, wie sehr oft erwähnt, ein Gater-Source Widerstand. Nach der Fehlerbeschreibung kann man davon ausgehen, dass MOSFET wegen hoher U_gs gestorben ist (falls er tatsächlich gestorben ist).
Integrator schrieb: > Lustigerweise war es so gefühlt 20 Jahre ganz normal, CMOS-IOs direkt an > FET-Gates anzuschließen Ja, weil die ungepufferten CMOS A-Serien einen derartig hohen Innenwderstand hatten, das dort 10 Ohm vorm Gate witzlos waren, weil der Innenwiderstand allein schon eine Größenordnung höher lag. Dazu kommt noch, das Leistungs-FET inzwischen für größere Leistungen als früher erhältlich sind und bei einem Logiclevel FET das Gate Oxid dünner geworden ist. Mehr Gatefläche und eine dünnere Gateisolation bedeuten was? Mehr Gatekapazität! Dies mit potenteren Ausgängen kann eine Strombegrenzung erforderlich machen.
Matthias S. schrieb: > Auffällig ist doch aber, abgesehen von theoretischen Überlegungen, das > wir anderen mit unseren 100 Ohm Widerständen die Probleme nicht haben. Boah, Junge, ist jetzt mal gut? Die 1500ohm sind NICHT das Problem, dann müsste der Mosfet wenigstens bei 100% PWM einschalten. PUNKT.
Karl schrieb: > Die 1500ohm sind NICHT das Problem, dann müsste der Mosfet wenigstens > bei 100% PWM einschalten. PUNKT. Wie ist das mit den 100% PWM gemeint? Könntest du mal darstellen, wie sich das Problem für dich darstellt und das dann bitte in Beziehung zu der Fehlerbeschreibung des TO im Eröffnungspost setzen?
Integrator schrieb: > Doch, steht alles im Datenblatt. Man muss halt ein paar Zahlen > multiplizieren. Oder meinetwegen integrieren, wenn man's ganz genau > wissen will. > ( > Verlustleistung die beim Gate-Umladen Umladezeit Frequenz << > Ptot(max) > oder nach Kürzen und ein paar Worst-Case-Schätzungen: > f(pwm) * Qg(ges) << I(max) des IOs) > ) Ja, so einfach kann man es sich machen. Tatsächlich ist aber Irms != Imittel Die Verlustleistung im Vorwiderstand/IO-Pin wird mit dem RMS-Strom gerechnet und das auch nur dann, wenn der interne MOSFET rein ohmsch ist. Trotzdem ist nur der Mittelwert spezifiziert. Es wäre das gleiche, wenn Du einen BSS138 mit einmal pro Sekunde mit 10µs langen 50A-Pulsen malträtieren würdest. Im Mittel hält der das locker aus, tatsächlich ist aber aber trotzdem sehr schnell kaputt. In unserem Fall ist die mittlere Verlustleistung im IO tatsächlich trotzdem völlig unkritisch, die rechnet sich nämlich so: P = f Qg Vcc = 1kHz 25nC 5V = 125µW > Lustigerweise war es so gefühlt 20 Jahre ganz normal, CMOS-IOs direkt > an FET-Gates anzuschließen, diese Angstvorwiderstandskrankheit hat > erst mit Arduino und der "Maker-Kultur" angefangen. Das Überlasten des IOs ist das eine und Silizium ist da geduldig. Das andere ist aber das Stören der anderen (analogen) Peripherie im AVR. So ein Problem hast Du im Gatter meist nicht. Also bitte nicht Äpfel mit Birnen vergleichen. Zurück zum Thema: Der hohe Gate-Vorwiderstand hat sicher nichts mit dem Ableben des Transistors zu tun, denn die Schaltverluste sind bei 1kHz trotzdem noch zu vernachlässigen. Die liegen mit geschätzten Werten in der Größenordnung von 24V*60mA*10µs*1kHz = 14,4mW Wie soll das einen TO220-MOSFET kaputt machen? Bei Raumtemperatur kann der deutlich mehr als 1W, also mehr als das 50fache. Ich tippe immernoch auf ESD oder Überspannung durch was auch immer. Michael
Bitte melde dich an um einen Beitrag zu schreiben. Anmeldung ist kostenlos und dauert nur eine Minute.
Bestehender Account
Schon ein Account bei Google/GoogleMail? Keine Anmeldung erforderlich!
Mit Google-Account einloggen
Mit Google-Account einloggen
Noch kein Account? Hier anmelden.



