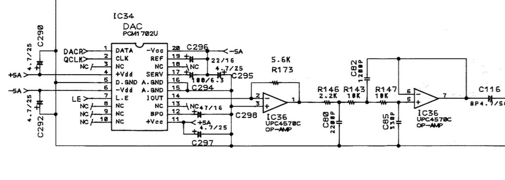
Hallo hier im Forum. Zu Beginn ein paar einleitende Worte. Bin hier neu und unerfahren wie hier das Forum gehandhabt wird, also bitte nicht gleich Rübe ab wenn es irgendwo nicht passt. ;) Zu meinem Problem: Ich bin auf der Suche nach einem bestimmten DAC Burr Brown PCM1702U dieser befindet sich in einem E_Piano von Yamaha. Einer der Stereo-Kanäle ist defekt. Da ich die DAC´s gegeneinander getauscht habe und damit abschließen kann das der Defekt an einer anderen Stelle liegt, bin ich nun auf der suche nach Ersatz. Es handelt laut Hersteller um einen Low Noise DAC mit 20Bit Verarbeitung. Da das Gerät schon nahezu ein Museumsstück ist und der IC auch nicht mehr im Umlauf ist, gehe ich davon aus,dass es evtl. besseren Ersatz gibt. Wenn jemand hier einen Rat für mich hätte, durch welchen ich den original ersetzen kann oder eine zuverlässige nicht CHINA Quelle für mich hätte, wäre mir sehr geholfen. Ich lege hier einen Schaltplan zur genaueren Anwendungsbeschreibung bei. Vielleicht kann mir jemand sagen, ob ich mit den Eigenschaften des DAC´s auch auf ein höhenwertigeren/neueren DAC ausweichen kann ohne aufwendiges umlöten zum Operationsverstärker hin? So zu sagen als UPGRADE. Danke im Voraus.
Andreas Z. schrieb: > Burr > Brown Da steht jetzt Texas Instruments über der Tür. https://www.ebay.at/itm/TI-PCM1702U-SOP-20-BiCMOS-Advanced-Sign-Magnitude-20-Bit/321562603455
Ja, das weiß ich. Danke für den Link, aber leider handelt es sich um einen Anbieter aus Hongkong. Habe bereits dort zwei bestellt aber die kommen aus irgendeinem Grund nicht an. Ist jetzt in etwa ein Monat her.
Geduld: Meine letzte ebay-Fernost-Bestellung hat 50 Tage gebraucht. Andreas Z. schrieb: > Es handelt laut Hersteller um > einen Low Noise DAC mit 20Bit Verarbeitung. ... > ob ich mit den Eigenschaften des DAC´s > auch auf ein höhenwertigeren/neueren DAC ausweichen kann ohne > aufwendiges umlöten Relativ unwahrscheinlich. Selbst wenn Du etwas pinkompatibles findest, die Ansteuerung und das Ausgangssignal müssen ja auch passen. Manchmal hat man Glück und es gibt beim gleichen Hersteller Chips aus der gleichen Serie, die sich dann oft in der Chipbezechnung nur geringfügig unterscheiden. > wenn es irgendwo nicht passt > DAC.tiff Bilder bitte als jpg oder png...
Andreas schrieb: > Ist jetzt in etwa ein Monat her. Da bist Du absolut noch im grünen Bereich. Bis zu 50-60 Tagen darfst Du getrost als normal ansehen, der Kram wird schon noch kommen...
Tom schrieb: > Bilder bitte als jpg oder png... Tut mir leid, hab auf meinem Mac keine Möglichkeit zum konvertieren. Da es ein Schaltplan war, wollte ich kein jpg hochladen.? Das kann schon sein, dass es noch kommt. Aber diese Sendung ist obwohl ich eine spätere Order schon längst bekommen habe, trotzdem sehr spät dran. Ist vllt. sogar beim Zoll gelandet. Könnte ja etwas gefährliches sein!? Ich danke für die Infos. Vielleicht noch eine weitere Frage. Ich habe an meinem Ooerationsverstärker ein Offset von 5V, der Ausgang an dem DAC ist aber, wenn ich das richtig verstanden habe, nicht spannungs sondern als I-out also doch Strom gesteuert. Oder? Ist vielleicht eine blöde Frage, aber es würde mich interessieren, da ich es verstehen möchte. Das mit der Elektronik ist nämlich nur ein Hobby und daher ist mein Wissen auch nicht gerade als fundiert zu bezeichnen.?
Andreas schrieb: > ein Offset von 5V, der Ausgang > an dem DAC ist aber, wenn ich das richtig verstanden habe, nicht > spannungs sondern als I-out also doch Strom gesteuert. um meine Frage zu ergänzen, ich bekomme einen Output mit zu hoher Spannung am OP der sich durch eine starke Überteuerung im Audiosignal bemerkbar macht.D.h. ja dass das Potential am DAC nicht richtig geregelt wird. Also ist eine Funktion des DAC´s noch da, nur im falschen Spannungsbereich. Hat jemand den Aufbau eines solchen DAC und kann mir erklären, wo dieses Problem entsteht?
Bitte melde dich an um einen Beitrag zu schreiben. Anmeldung ist kostenlos und dauert nur eine Minute.
Bestehender Account
Schon ein Account bei Google/GoogleMail? Keine Anmeldung erforderlich!
Mit Google-Account einloggen
Mit Google-Account einloggen
Noch kein Account? Hier anmelden.
