Hallo Freunde, nachdem ich den ersten Versuch einer Leistungsendstufe mit OPV mal Aufgebaut habe, war ich von dem Ergebnis eigentlich positiv überrascht. Allerdings hat dieser Aufbau ein kleines Manko. Bei zum Beispiel eine Sinus von 50-ca. 300 Hz verzerrt dieser nur in der positiven Amplitude ab einem Viertel der Ausgangsleistung. Das machte sich erst auf einem Oszi bemerkbar und als ein unangenehmer zusätzlicher höherer Ton in einem Lautsprecher. Jetzt wurde mir als erstes Empfohlen das Signal einzukoppeln und dann zusätzliche Kondensatoren in die Schaltung einzufügen. Wenn ich die Koppelkondensatoren mit einbaue, kommt so mal gar nichts aus der Endstufe mehr heraus und kratzt nur noch ganz schlimm. Auch mit dem zusätzlichen 68 Ohm Widerstand und einem Kondensator zwischen 10..47 pF ändert es sich nicht im positiven. Die unangenehmen Störgeräusche nehmen eher noch zu. Es wurde mir auch empfohlen den 33pF Kondi zwischen die Eingänge des OP zu setzen. Da ist meine Frage eher, wie auf den Wert gekommen wird und was dieser so genau bezwecken soll. Ich weiß nicht ob ich damit richtig liege, aber kann es sein dass: wenn der Widerstand in der theorie bei kleinen Frequenzen hoch ist und bei hohen niedrig, wird dann der OPV mit dem Kondensator vor einer zu hohen Differenzspannung geschützt bei steigenden Frequenzen? Bedeutet ja dann folglich, dass hohe Frequenzen kurzgeschlossen werden und somit nicht verstärkt. Liegt meine Annahme da richtig? Liebe Grüße
Denim S. schrieb: > Wenn ich die > Koppelkondensatoren mit einbaue, kommt so mal gar nichts aus der > Endstufe mehr heraus und kratzt nur noch ganz schlimm. Natürlich. Der Gleichstrompfad, der den Arbeitspunkt von OPV und Endstufe sicherstellt ist damit aufgetrennt und die Schaltung liegt DC-mäßig an einem Anschlag. Du darfst nur einen Kondensator einbauen, und zwar in Schaltung 1 vom OPV-Ausgang zur Basis Q4. Denim S. schrieb: > Es wurde mir auch empfohlen den 33pF Kondi zwischen die Eingänge des OP > zu setzen. Das solltest du lassen.
Der kleine NE5532 ist nicht so stark am Ausgang und kann da an 600 Ohm nur so etwa 38mA liefern. Alles unter 600Ohm lässt das weiter zusammenbrechen. Ausserdem erreicht er nicht die Betriebsspannungsgrenzen sondern bleibt etwa 2V darunter. Überprüfe mal mit dem Oszi, wann es clippt - es kann gut sein, das du da bei etwa +10V bist. Viele bauen auch direkt an den LS Ausgang ein Boucherot Glied, das dir evtl. ein wenig hilft. https://elektroniktutor.de/analogtechnik/zobel.html
ArnoR schrieb: > Natürlich. Der Gleichstrompfad, der den Arbeitspunkt von OPV und > Endstufe sicherstellt ist damit aufgetrennt und die Schaltung liegt > DC-mäßig an einem Anschlag. Du darfst nur einen Kondensator einbauen, > und zwar in Schaltung 1 vom OPV-Ausgang zur Basis Q4. Retter in der Not! Das hat funktioniert! Vielen Dank! Matthias S. schrieb: > Überprüfe mal mit dem Oszi, wann es clippt - es kann gut sein, das du da > bei etwa +10V bist. Der OPV clippt bei ca. 21,5V PP (am Ausgang ca. 16,5V PP). Ohne clippen dann 16V PP am Ausgang an 4 Ohm, ein Stückchen höher und wir haben unser Rechteck an den Spitzen. Werden VU mal anpassen, damit das gar nicht erst passiert.
Wahrscheinlich würde es auch ganz ohne Koppelkondensator und ohne Verzerrungen funktionieren (Gleichspannungskopplung), wenn man die Schaltung symmetrisch aufbaut (zwei Widerstände am NE5532 Ausgang). Allerdings auf Kosten der Aussteuerbarkeit.
Mach mal in Schaltung1 R5 und R6 größer, so 4,7k bis 15 kOhm wäre ein möglicher Bereich. Dann ist der OPV geringer belastet. Viel Erfolg! MfG
Christian S. schrieb: > Mach mal in Schaltung1 R5 und R6 größer, so 4,7k bis 15 kOhm Genau, dann steigt auch die Aussteuerbarkeit wieder an.
Jürgen von der Müllkippe schrieb: > Wahrscheinlich würde es auch ganz ohne Koppelkondensator und ohne > Verzerrungen funktionieren (Gleichspannungskopplung) Das kann ich ja mal probieren. ArnoR schrieb: > Du darfst nur einen Kondensator einbauen, > und zwar in Schaltung 1 vom OPV-Ausgang zur Basis Q4. Ich habe das jetzt mal beobachtet. Nach kurzer Zeit mit dem Kondensator spring der Ruhestrom von 50mA auf 200mA, geht nur sporadisch runter. Nach Aus- und Einschalten ist es dann weg, bis es wieder auftritt.
Christian S. schrieb: > Mach mal in Schaltung1 R5 und R6 größer, so 4,7k bis 15 kOhm wäre ein > möglicher Bereich. Dann ist der OPV geringer belastet. > > Viel Erfolg! > > MfG Das habe ich jetzt auch probiert. Der OP kann dann tatsächlich höher Aussteuern, allerdings löst es das Problem mit der komischen zackigen Sinuskurve nur in der positiven Halbwelle, nicht. Auch habe ich: Jürgen von der Müllkippe schrieb: > Wahrscheinlich würde es auch ganz ohne Koppelkondensator und ohne > Verzerrungen funktionieren (Gleichspannungskopplung), wenn man die > Schaltung symmetrisch aufbaut (zwei Widerstände am NE5532 Ausgang). diesen Vorschlag wahrgenommen und mal zwei 680 Ohm Widerstände benutzt bei den 1k R5/6 (ca. 2 mA durch die Widerstände) sowie zwei 2k Widerstände mit R5/6 4,7k. Beides brachte leichte Besserung, allerdings ist das Phänomen geblieben. Auch ist mir aufgefallen, dass je größer die Entkoppelkondensatoren ganz speziell C5 wird, desto mehr weißes Rauschen ist wahrzunehmen, sollte der Eingang auf Masse liegen (R12 -> 0%). Vielleicht werde ich jetzt einfach mal den OP Tauschen. Habe hier noch einige 5532 herumliegen. Sind alle ein wenig älter, also wirklich älter. Das lässt mich vermuten, dass der OP einfach so rauscht. Ich hatte jetzt weiter vor ein paar neue 5532 von Ti zu bestellen und gleich mit ein paar RC4559. Ich weiß mir nämlich nicht mehr weiter zu helfen. Grüße euch und einen schönen Start ins Wochenende!
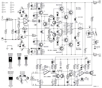
Hier gibts noch einge Beispiele ( avec AOP ): https://sites.google.com/site/francisaudio69/6-l-amplificateur/6-9-schemas#TOC-6.9.6-Les-sch-mas-avec-AOP https://docs.google.com/file/d/0BwTS40IaQa16VjZZR0NfRHNic2M/edit?usp=sharing Mit zwei Stromquellen, Vbe-multiplier, zweistufigem Ausgangsverstärker, NE5534. MFg
Denim S. schrieb: > Ich weiß nicht ob ich damit richtig > liege, aber kann es sein dass: wenn der Widerstand in der theorie bei > kleinen Frequenzen hoch ist und bei hohen niedrig, wird dann der OPV mit > dem Kondensator vor einer zu hohen Differenzspannung geschützt bei > steigenden Frequenzen? Bedeutet ja dann folglich, dass hohe Frequenzen > kurzgeschlossen werden und somit nicht verstärkt. Liegt meine Annahme da > richtig? Ich habe früher ein Blatt Papier genommen, gerechnet und dann gelötet. Aber dann stand ich auch oft vor Fragen, die ich nicht so einfach lösen konnte. Seit über 10 Jahren nehme ich LTspice und simuliere erst einmal. Erst dann wird gelötet. Das spart Dir einigen Ärger. Nicht nur die Aussteuerung läßt sich leicht prüfen. Aber dafür hast Du ja auch einen Oszi. Auch z.B. die offene Schleifenverstärkung mit Phasengang um die Stabilität beurteilen zu können. Dazu gibt es sogar Beispiele in den examples, LoopGain.asc und LoopGain2.asc. mfg Klaus
Solche OPVs gehen bei (passender) Lagerung nicht einfach kaputt. Die Bauteile altern eher durch Beanspruchung, bleiben ohne diese fast ewig haltbar. Ich würde unbedingt a.) einen zweiten OPV aus der Kiste testen, b.) wenn dann kein Erfolg, die tatsächliche Schaltung prüfen (alles korrekt, und sauber gelötet?). Auch ein Test in einer simpleren Schaltung wäre hilfreich. Neue Teile bestellen würde ich erst, wenn ich mir der Nicht- Funktion der "alten" sicher wäre. (Wie gesagt: Unwahrscheinlich.) Außer natürlich, Du brauchst/willst sowieso welche. Zumindest mir sind noch keine Teile in der Kiste "verreckt". (Aber ich betreibe das auch nur als Hobby, sehe das vielleicht falsch? Sollte das so sein, bitte ich um Korrektur.)
Denim S. schrieb: > Allerdings hat dieser Aufbau ein kleines Manko. Bei zum Beispiel eine > Sinus von 50-ca. 300 Hz verzerrt dieser nur in der positiven Amplitude > ab einem Viertel der Ausgangsleistung. Ja, diese Schaltungen sind alle großer Mist, wo hast Du die bloß her? Du brauchst Treiberstufen, die möglichst weit bis an die Versorgung treiben können und das können Deine Schaltungen nicht. Du verheizt also massig Leistung an den Transistoren. Schau Dir einfach mal praktische Schaltungen aus Geräten an. Üblich sind da Stromquellen oder Bootstrap-Schaltungen als Treiber. Noch bessere Aussteuerung erreicht man, wenn die Treiberstufen mit 5..10V mehr als die Endstufen versorgt werden.
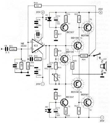
Um deine Endstufe zu retten, kannst du probeweise mal den Aufbau_5 testen, um zu sehen, ob die Zacken weg gehen. Mit dem 47k-Trimmer kannst du die Verstärkung einstellen. Statt einzelne Transistoren (Q1 bis Q4) kannst du dann auch Darlington-Transistoren einsetzen (BD643/BD644). Für eine höhere Aussteuerung kannst du die Betriebsspannung noch auf +15V/-15V anheben.
Jürgen von der Müllkippe schrieb: > Um deine Endstufe zu retten, kannst du probeweise mal den Aufbau_5 > testen Oh Gott, wenn ich da die hochohmigen R5, R6 mit 3,9k als Treiber sehe, wird mir gleich ganz übel. Was ist denn so schlimm an praktisch eingesetzen Schaltungen?
Guten Tag alle zusammen, hoffe ihr habt euer Wochenende gut überstanden! hm? schrieb: > Neue Teile bestellen würde ich erst, wenn ich mir der Nicht- > Funktion der "alten" sicher wäre. (Wie gesagt: Unwahrscheinlich.) > > Außer natürlich, Du brauchst/willst sowieso welche. Ja, wollte schon länger mal auf die Suche nach einem RC4559 gehen und mich interessieren die praktischen Unterschiede vom NE5532P zu A, der soll wohl garantiert rauschärmer sein etc.. Peter D. schrieb: > Ja, diese Schaltungen sind alle großer Mist, wo hast Du die bloß her? > Du brauchst Treiberstufen, die möglichst weit bis an die Versorgung > treiben können und das können Deine Schaltungen nicht. Du verheizt also > massig Leistung an den Transistoren. Das ist mir wohl bewusst, aber sieh das mal so. Ich hätte die Schaltung auch mit Stromquellen und einem Transistor-Differenzverstärker aufbauen können. Das war aber nicht mein Ziel. Ziel war es zu verstehen wieso Endstufen mit OPV nicht allzu häufig anzutreffen sind und was es für Probleme zu beachten gilt. Was die Schaltung also betrifft, ich habe einfach eine Gegentakt-Stromverstärkung dimensioniert und die Vorgeschalteten Spannungsverstärker aka. Differenzverstärker durch den OPV ersetzt. Ähnliche Schaltungen sind ja durchaus öfter mal im Internet zu finden. Denim S. schrieb: > Allerdings hat dieser Aufbau ein kleines Manko. Bei zum Beispiel eine > Sinus von 50-ca. 300 Hz verzerrt dieser nur in der positiven Amplitude > ab einem Viertel der Ausgangsleistung. Dieses Problem konnte ich, auch wenn das jetzt wieder ein no-go ist, lösen indem ein RC Glied am Ausgang des OPV verwendet wurde. Normalerweise sollte man OP's eigentlich tunlichst nicht kapazitiv belasten, dennoch schien dies die Probleme zu lösen. C5 habe ich entfernt, dieser verursachte weißes rauschen am Ausgang auch mit auf Masse gelegtem Eingang. Des weiteren wollte ich R10 sowie R11 niederohmiger machen. Dies resultierte aber in einem Knacken und Rauschen sollte man das Poti R12 benutzen mit einer Eingangsquelle die momentan kein Ton herausgibt (Liedwechsel etc.). Dafür habe ich eigentlich noch keine Erklärung. OPV's fangen doch erst recht an zu schwingen wenn die Rückkoppel-Widerstände zu hochohmig werden. ArnoR schrieb: > Du darfst nur einen Kondensator einbauen, > und zwar in Schaltung 1 vom OPV-Ausgang zur Basis Q4. Auch das dieses hier dazu führt, dass der Ruhestrom aus dem Ruder läuft kann ich nicht weiter beurteilen. Den Kondensator zwischen Ausgang und Basis von Q4 findet man in vielen beliebigen anderen Schaltungen dieser "Art" auch. Nur hierbei funktioniert dies anscheinend weniger gut... Warum auch immer.. Jedenfalls, lasse ich dieses kleine Projekt mehr oder weniger erfolgreich in seiner letzten Version so stehen. Bin aber gerne noch für Vorschläge offen.
Hallo, hast Du eigentlich eine stabile Spannungsversorgung dran angeschlossen, oder erzeugt die Schaltung zusammen mit der Versorgung irgendwelche Regelschwingungen. Lange Zuleitungen können da Wunder bewirken... Eigentlich müßte die letzte Version zumindest bei kleiner Leistung, z.B. bis 4 Watt, zufriedenstellend funktionieren. Hast Du mal die Varianten mit NE5534 aus meinem Link angeschaut? MfG
Denim S. schrieb: > Ziel war es zu verstehen wieso > Endstufen mit OPV nicht allzu häufig anzutreffen sind und was es für > Probleme zu beachten gilt. Das ist ganz einfach. Die hohe Schleifenverstärkung braucht man nicht. Im Gegenteil, sie macht das Ganze schnell instabil. Insbesondere bei komplexen Lasten, wie Mehrwegeboxen mit ihren vielen Ls und Cs drin. Eine Frequenzkompensation von Pin1 nach Pin2 des OPV könnte notwendig sein (dominierende Polstelle). Auch haben OPVs oft eine geringe Slewrate, d.h. Großsignalaussteuerung ist nicht so ihr Ding. Zu Deiner Schaltung: R5 ist überflüssig, die positive Halbwelle treibt der OPV ja direkt. Zwischen die Basen von Q3 und Q4 sollte ein dicker Kondensator (470µF), damit der Arbeitspunkt nicht mit der Aussteuerung schwankt. Dann kann auch R6 hochohmiger sein. Ich weiß nicht, ob der OPV die 24mA (positive Halbwelle) durch 1k treiben kann. Zumindest ist sein Aussteuerbereich stark reduziert. Den C1 kann man weglassen, OPVs sind gut genug bezüglich Offsetspannung.
Da sind ja immer noch R5 und R6 in der Schaltung. Die gehören dringend durch jeweils eine Stromquelle ersetzt. In der jetzigen Schaltung wird der Opamp völlig überlastet wegen diesem Designfehler.
Ein Beispiel. Hier wurde alles bereits berücksichtigt.
Helmut S. schrieb: > Designfehler Die Temperaturkompensation ist falsch ausgeführt. Erklärung findest Du in dieser Reihe: Beitrag "100W Class A, per OPV gegengekoppelt" Die asc fehlt. Funktionieren Deine BDs? Beitrag "Transistormodell defekt?!" LG old.
Christian S. schrieb: > Ein Beispiel. Hier wurde alles bereits berücksichtigt. Danke für das Beispiel mit den Stromquellen. Allerdings finde ich die Verwendung von Darlingtontransistoren für die Ausgänge die bessere Lösung.
Helmut S. schrieb: > Christian S. schrieb: > Ein Beispiel. Hier wurde alles bereits berücksichtigt. > > Danke für das Beispiel mit den Stromquellen. Allerdings finde ich die > Verwendung von Darlingtontransistoren für die Ausgänge die bessere > Lösung. Bitteschön. Ein Indiz, daß niemand ausführlich den link oben studiert hat. Einzel- oder Darlingtontransistoren sind Geschmackssache. Die Darlingtons vereinfachen die Montage auf dem Kühler, wenn man experimentieren und lernen möchte, kann man sich mit den Einzeltransistoren eine neue Spielwiese eröffnen. Viel Erfolg! Und am besten nichts abbrennen. Im Bild die "Großversion". MfG
Christian S. schrieb: > Ein Beispiel. Hier wurde alles bereits berücksichtigt. Vor Allem wird bei diesem Beispiel die Spannung nochmal verstärkt. Beachte die Widerstände R24 und R25.
Beitrag #5476202 wurde von einem Moderator gelöscht.
der schreckliche Sven schrieb: > Christian S. schrieb: >> Im Bild die "Großversion". > > Ist das Absicht, daß man da nichts erkennt? Diese Schaltung nimmt man besser nicht. Deshalb ist es egal ob die unscharf fotografiert wurde.
Guten Abend allen miteinander, tut mir leid, dass ich so lange gebraucht habe zu antworten, habe einiges zu tun im Moment. Ich habe versucht einige von euren Vorschlägen umzusetzen und bin dabei auf die angefügte Schaltung gekommen. Allerdings muss ich gestehen dass ich mit dem Programm Multisim die Widerstände R3 R5 R6 R7 herangetastet habe. Ich Steige da noch nicht ganz durch. Ich hatte zuerst die BD139/40 mit Emitterwiderständen besetzt um die Spannungsverstärkung festzulegen, das hat aber alles andere als gut geklappt. Diese Schaltungsart habe ich mir dann "abgeschaut". Die Spannungsverstärkung ohne Emitterwiderstände der BD139/40 ist doch dann von der Temperaturspannung abhängig. Jedenfalls, die Widerstände sind dort mehr "geraten" als gerechnet. Ich hoffe mein Dilettantismus stört euch nicht allzu sehr. Was haltet ihr von dem Aufbau? Wie dem auch sei, ich wünsche euch schon mal einen guten Start in das Wochenende! Grüße
Denim S. schrieb: > Ich Steige da noch nicht ganz durch. Das kommt schon noch im Laufe der Zeit. Wichtig ist, daß Q7 beste thermische Kopplung mit Q1 und Q3 hat. Q7 muß also auch ein BD139 sein, und alle Drei werden ohne Abstand nebeneinander auf den Kühlkörper geschraubt, mit Q7 in der Mitte.
"Ist das Absicht, daß man da nichts erkennt?" Ja, denn in den PDFs ist es nochmals erklärt und in voller Größe zu sehen. Die neue Version wird schon funktionieren. Es fehlt nur noch eine Strombegrenzung für die Endtransistoren, denn im Fehlerfall werden sie nicht überleben. An der Quelle sind dicke Elkos dran, die ordentlich Strom liefern können. Eine Optimierung der Widerstandswerte kann den Klang sicher noch verbessern, wenn man sich damit auskennt oder durch Simulation die richtige Richtung erkennt. Generell gilt der Kollektor als hochohmig, liegt aber in dieser Variante am niederohmigen Lautsprecherausgang. MfG
Ist der 47 Ohm R5 eigentlich zwingend notwendig? Der erhöht immens den Strom des 10 Ohm R6. Die Spannungsverstärkung der Treiber sollte doch auch so funktionieren. Grüße
Schönen Sonntag! Also, ich habe das gemacht, was mir am sinnvollsten erschien! Ich habe den "Aufbau 7" mal tatsächlich aufgebaut und ein paar Spannungen und Ströme gemessen. Auch habe ich mir die Kennlinien des BD139 und BD243 aufgenommen (Stromverstärkung und Ausgangskennlinie). Danach habe ich mir einfach mal ein Blatt Papier genommen und angefangen zu rechnen. Die exakten Kennlinien waren dabei für die Herleitung der Spannungsverstärkung der Treiber mehr als hilfreich. der schreckliche Sven schrieb: > Denim S. schrieb: >> Ich Steige da noch nicht ganz durch. > > Das kommt schon noch im Laufe der Zeit. Dazu kann ich sagen, das tatsächliche Rechnen hat mir jetzt dort Durchblick gegeben! Jetzt kann ich ernsthaft mal über ein PCB nachdenken. Aber erst passe ich noch ein paar Widerstände an. Denim S. schrieb: > Ist der 47 Ohm R5 eigentlich zwingend notwendig? Der erhöht immens den > Strom des 10 Ohm R6. Hierzu kann ich jetzt guten Gewissens sagen: Besser nicht. Nach Grenzwertsatz ist die maximale Vu der Treiber zwar begrenzt, nichts desto trotz kann man diesen wenigstens ein wenig hochohmiger machen! Im Anhang, für die die es interessiert, mal die Ergebnisse der Herleitung! * Viel Spaß allen und vielen Dank für die Hilfreichen Tipps! * Grüße Vu der Treiber:
Für IE2:
der schreckliche Sven schrieb: > Welchen Sinn haben R1 und R2? Na im einfachsten Fall waren die in den ersten Aufbauten zur Stromgegenkopplung da, jetzt können die an der Stelle weg. Oder wenn man unbedingt gegenkoppeln will die an die Emitter von T1 setzen. So begrenzen Sie nur den Strom.
Die beiden Pläne von Christian S unterscheiden sich aber gewaltig. Gegenkopplung mit und ohne C!
Hey Leute, falls es euch noch interessiert, hier mal das fertig dimensionierte Schaltbild. C3, R15 wurden hinzugefügt, R7 und R8 mussten verkleinert werden, Spannungsverstärkung der Treiber durch R3 R4 angepasst. Auslegung war +/- 12V, am Ausgang 20Vpp ohne clipping. Für eine höhere Versorgungsspannung sollte R18 / R19 größer, R4 für höhere Spannungsverstärkung kleiner. R16 / R17 habe ich zur Ruhestromeinstellung in der Schaltung gelassen. Habe diesen auf 75mA gestellt. Grüße und schönen Tag noch =)
Denim S. schrieb: > falls es euch noch interessiert, hier mal das fertig dimensionierte > Schaltbild. Wo hast Du denn den Spannungsteiler R3, R4 her? Dann brauchst Du die Stromquellen ja nicht mehr, das bischen Aussteuerung schafft der OPV selber. Aber ob das thermisch stabil ist, wage ich zu bezweifeln. In praktischen Geräten habe ich sowas noch nicht gesehen, wird wohl auch seinen Grund haben.
Bitte melde dich an um einen Beitrag zu schreiben. Anmeldung ist kostenlos und dauert nur eine Minute.
Bestehender Account
Schon ein Account bei Google/GoogleMail? Keine Anmeldung erforderlich!
Mit Google-Account einloggen
Mit Google-Account einloggen
Noch kein Account? Hier anmelden.












