Hallo, ich möchte die 2x 18V Sekundär eines 50VA Trafos mit einem Relais umschalten. Für Parallel- und Reihenschaltung. Da es eine unendliche Auswahl an Relais gibt fällt es mir schwer gute von schlechten zu unterscheiden. Welche Relais von welchen Hersteller könnt ihr empfehlen? Soll möglichst lange halten. Die Sekundärseite ist mit 2x 1,38A für 2x 18V angegeben. Ich würde die Kontaktstrombelastung für 2,74A überdimensionieren auf 6A. Wäre das okay für ein langes Realisleben? Es wird sicherlich auch mehrfach bei Lastströmen von ca. 1A umschalten müssen.
Veit D. schrieb: > Es wird sicherlich auch mehrfach bei > Lastströmen von ca. 1A umschalten müssen Dann fliegen ohne Gegenmassnahmen die Funken, das mögen Relaiskonatkte aber garnicht gern. Georg
Mein altes Labornetzteil für 30V/4A nimmt für die Umschaltung 2 Relais des einfachen 2*8A-Wechsler Types und zeigt auch nach etwa 20 Jahren noch keine Abnutzungserscheinungen. Ist etwa sowas hier: https://www.reichelt.de/miniatur-leistungsrelais-ftr-f1-12v-2-wech-8a-ftr-f1cl012r-p79436.html?&trstct=pol_4 Sowas hier sollte auch klappen: https://www.reichelt.de/steckrelais-2x-um-250v-8a-24v-rm-5-0mm-fin-40-52-9-24v-p8107.html?&trstct=pol_35
Matthias S. schrieb: > Mein altes Labornetzteil für 30V/4A nimmt für die Umschaltung 2 Relais > des einfachen 2*8A-Wechsler Types und zeigt auch nach etwa 20 Jahren > noch keine Abnutzungserscheinungen. Auf den richtigen Kontaktwerkstoff sollte man dennoch achten: AgSnO_2.
Genau, und noch eines - am besten AC schalten und nicht DC. Wenn da ein dicker Elko von den DC aufgeladen wird und das vom Relais geschaltet wird, kommt es zu Punktverschweissungen. Aber ich habe Veit so verstanden, das er das sowieso tut.
Hallo, genau, hatte vergessen zuerwähnen das es für ein Netzteil gedacht ist und ich schalte vom Trafo AC der Sekundärseiten um, vorm Gleichrichter. Das im ersten Link hat "AgSnO2" Kontakte. Danke. Snubber hast du sicherlich keine an den Kontakten?
Veit D. schrieb: > Danke. Snubber hast du > sicherlich keine an den Kontakten? Upps, dazu müsste ich es mal aufschrauben, denn einen Schaltplan habe ich nicht von dem Dings. Es sieht aus wie ein älteres Statron, was mal von Conrad verkauft wurde und ist (nachdem ich nochmal raufgeguckt habe) bis 40V und 5A geeignet. Ein ähnliches Netzteil, das Statron 2224.1, enthält keine Snubber am Relais: https://www-user.tu-chemnitz.de/~heha/basteln/Konsumg%C3%BCter/Statron/Typ%202224.pdf
Meine Trafoumschaltung der Sekundärwicklungen für ein 30 V / 3A LNG habe ich vor gut 35 Jahren mit einem Industrierelais realisiert... Lebt bis heute noch...
Veit D. schrieb: > Parallel- und Reihenschaltung Wenns wirklich auch zur Parallelschaltung kommen soll: gut aufpassen dass die Kontaktsaetze (Wechsler) beim umschalten niemals beides gleichzeitig machen. Also erst (frei-)trennen, dann Kontakt herstellen. Ich komm grade nicht auf den (englischen) Fachausdruck.
Bei dpdt-Relais bin ich mir nicht wirklich sicher, aber bei Stufendrehschaltern gibt es absichtlich zwei Geschmacksrichtungen: -schliessen (des naechsten Kontakts) vor oeffnen... -oeffnen (des vorherigen Kontakts) vor schliessen... Hth
Krachpeng schrieb: > [...] Also erst (frei-)trennen, dann Kontakt herstellen. > Ich komm grade nicht auf den (englischen) Fachausdruck. Break-before-make HTH Baku
Krachpeng schrieb: > Ich komm grade nicht auf den (englischen) Fachausdruck. Du meinst wahrscheinlich "zwangsgeführte Kontakte"... Forced out contacts? http://www.schaltrelais.de/ccc1.htm
Veit D. schrieb: > Für Parallel- und Reihenschaltung. Da es eine unendliche Auswahl an > Relais gibt fällt es mir schwer gute von schlechten zu unterscheiden. Du kannst die ganz billigen SongLi verwenden https://funduino.de/nr-15-relaisshield Spannungnpasst, Isolatiknssoannung auch, Strom reicht und dank Wechselspannung trennt es auch problemlos. Schalte Graetz/Halbwelle, statt seriell/parallel.
1 | Trafo Gleichrichter |
2 | o--+ +--------+-|>|-+---------+-- + |
3 | | | | | | |
4 | S:S +-|>|-+ | | |
5 | S:S | | | |
6 | S +--(-----------(---+ Elko |
7 | S:S | | | | |
8 | S:S +-|>|-+ | | | |
9 | | | | | | | | |
10 | o--+ +--(-----+-|>|-+ o\ | |
11 | | \o--+-- GND |
12 | +---------------o |
Veit D. schrieb: > Welche Relais von welchen Hersteller könnt ihr empfehlen? > Soll möglichst lange halten. Eigentlich etwas oversized für diese Anwendung, wird dafür aber ewig halten: https://www.ebay.de/itm/66-22-9-012-0000-Finder-Leistungsrelais-Relais-12V-DC-2-Wechsler-30A/112735420904?hash=item1a3f8e01e8:g:HgsAAOSwZW5aSRrE
Krachpeng schrieb: > Ich komm grade nicht auf den (englischen) Fachausdruck. Unterbrechend schaltend.
Veit D. schrieb: > Die Sekundärseite ist mit 2x 1,38A für 2x 18V angegeben. Ich würde die > Kontaktstrombelastung für 2,74A überdimensionieren auf 6A. Wäre das okay > für ein langes Realisleben? Das geht mit fast jedem 6A Relais, Empfehlung: Nimm 2x um als Kontaktbestückung. Solltest Du in der Nähe von Stuttgart sein, kannst Du Dir bei mir ein Kaco- bzw. Finder-Relais gratis abholen, Spulenspannung müßtest Du dann noch mitteilen. Diese Relais schalten seit mehr als 20 Jahren störungsfrei in meinen drei Netzteilen.
Hallo, Danke für die vielen Informationen. Andrew, leider wohne ich nicht im Raum Stuttgart. Aber Danke für das nette Angebot. MaWin, Verschaltung sieht schön aus, aber ich darf die Sekundäranschlüsse in der Mitte so nicht zusammenschalten für eine Parallelschaltung. http://www.sedlbauer.de/media/ringkerntrafo_datenblatt_826022.pdf
Veit D. schrieb: > aber ich darf die > Sekundäranschlüsse in der Mitte so nicht zusammenschalten für eine > Parallelschaltung. > http://www.sedlbauer.de/media/ringkerntrafo_datenblatt_826022.pdf Deshalb die Empfehlung, ein Relais mit 2 Wechslerkontakten ( 2x um) zu nehmen, da geht nämlich das sehr gut (siehe mein Kommentar oben) - übrigens habe ich auch die Sedlbauer Trafos benutzt, 2x18V 120VA, etwas stärker also. 50VA also in jedem Fall mit 6 A Relais machbar :-)
Hallo, so wollte ich das machen und war dann irritiert gewesen. :-) Alles wird gut.
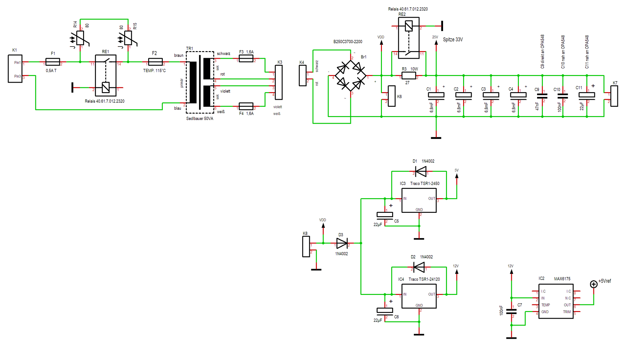
Hallo, ich möchte das wie gezeichnet machen. Jetzt habe ich noch eine Frage zur Sicherheit wegen der Sicherung. Eine Sicherung im Primärkreis ist klar. Die Sekundärseite würde ich mit je einer Sicherung absichern wollen. Direkt am Trafo in der Zeichnung ganz oben (sw) und ganz (wß) unten. Der worst case wäre die Parallelschaltung. Wenn bei einer die Sicherung defekt gehen würde, erstmal egal warum, dann könnte theoretisch die andere Sekundärwicklung überlastet werden, kann aber nicht, weil dann ihre Sicherung auch noch durchbrennen würde. Ist die Überlegung korrekt? Desweiteren würde ich eine zweite Grätzbrücke an einen Sekundäranschluss setzen für die Relaisspannung. Relais für 24V. Habe mal bei Finder geschaut, würde 17mA ziehen. Den Kondensator würde ich nur so groß wählen das die "Grätz-Spannung" nicht unter Umin fällt für das Relais. Bin schon wieder ein paar Gedanken weiter. Am Ende soll in das Netzteil noch eine µC Steuerung rein, die natürlich auch etwas Strom benötigt. µC, Display, Drehencoder, DACs, ADCs, OPVs, paar LEDs. Alles nicht die Welt aber in Summe werden das auch paar mA. Würdet ihr dem einen extra Trafo spendieren? Ich würde dann die µC Steuerung an die andere Sekundärwicklung klemmen und damit eine 3. Grätzbrücke verwenden. Alle Massen (-) zusammen. Damit hätte ich die Relaisschaltvorgänge umgangen auf der einen Sekundär. Ist das eine gängige Methode? Oder doch alles auf einen Sekundäranschluss? Bin mir noch nicht schlüssig.
Veit D. schrieb: > Die Sekundärseite würde ich mit je > einer Sicherung absichern wollen. Ist hier unnötig. Gönn dem Teil aber primär eine Thermosicherung <= 115°C.
Hallo, Warum kann ich keine PN schreiben? Erhalte immer "wrong answer". Sekundärsicherungen unnötig? Eine Thermosicherung kann meinetwegen noch rein, aber die Sekundärsicherung weglassen, dabei fühle ich mich unwohl.
Veit D. schrieb: > Sekundärsicherungen unnötig? Ja, die wären nur nötig wenn die beiden Sekundärwicklungen unterschiedlich belastet werden könnten.
Hallo, die Überlegung war, falls ein Relaiskontakt doch einmal nicht schaltet, dass andere aber schon (das schlimmste was passieren könnte) und ich ziehe hinten in "parallel" über 1A, dann wäre eine Sekundärseite überlastet. Sicherung kommt und alles ist gut.
Du solltest auch unbedingt Vorkehrungen gegen Erdbeben und Vulkanausbruch vorsehen.
Veit D. schrieb: > Hallo, > > die Überlegung war, falls ein Relaiskontakt doch einmal nicht schaltet, > dass andere aber schon (das schlimmste was passieren könnte) und ich > ziehe hinten in "parallel" über 1A, dann wäre eine Sekundärseite > überlastet. Sicherung kommt und alles ist gut. Wenn dich der Aufwand nicht scheut und Platz vorhanden ist, nimm die Sekundärsicherung einfach mit hinzu. Zum einen wird es dein Gewissen beruhigen und zum anderen kommt es immer mal wieder vor, dass Feinsicherungen durch nächst höhere ersetzt werden, weil gerade keine exakt passende zur Hand ist und man das Gerät unbedingt weiter betreiben möchte. Es ist außerdem nie verkehrt Redundanz im Gerät zu haben. ;)
Veit D. schrieb: > Die Sekundärseite würde ich mit je > einer Sicherung absichern wollen. Direkt am Trafo in der Zeichnung ganz > oben (sw) und ganz (wß) unten Verbal in Ordnung. In der Zeichnung aber an der falschen Stelle.
2 Cent schrieb: > Veit D. schrieb: >> Die Sekundärseite würde ich mit je >> einer Sicherung absichern wollen. Direkt am Trafo in der Zeichnung ganz >> oben (sw) und ganz (wß) unten > > Verbal in Ordnung. In der Zeichnung aber an der falschen Stelle. In der Zeichnung sind gar keine Sicherungen enthalten. :-) Das was du vielleicht vermutest sollte etwas anderes darstellen. Ein Wechselspannungszeichen. Ich wollte nicht noch einmal neu zeichnen und habe die Linie drübergezogen. Meine Frage ist dennoch durch dich beantwortet wurden. Danke. Alles gut.
Brueller. Jaaa, Wechselspannungszeichen. Den Kaffee kann ich jetzt aus meiner Tastatur schluerfen. Alles wird gut!
2 Cent schrieb: > Den Kaffee kann ich jetzt aus > meiner Tastatur schluerfen. https://www.chilloutzone.net/video/kein-becherhalter-mein-freund.html
Den größten Vorteil hat man bei Nutzung (allein oder auch) sekundärseitiger Schmelzicherungen übrigens dann, wenn auch keine oder nur wenig Kapazität im Spiel ist. Denn dann ist der Unterschied zur (zusätzlichen oder rein) primärseitigen Absicherung am größten, bei welcher die Sicherungen auch den Trafo-Einschaltstromstoß überleben müssen.
Hallo, na wenigstens gabs etwas zu lachen. :-) Die Sekundär 1,6A Sicherungen sollten das einschalten überleben. Eingeschalten wird in Parallelschaltung, entlastet das Ganze. Auch wenn da eine größere Glättungskapazität dahinter ist. Wenn meine Planspiele zu Ende sind werde ich sehen was geht und was nicht ... Danke euch.
@ Alfred B. (alfred_b979): falls du noch mitliest, es ist mir leider nicht möglich dir zu antworten, ich kann keine PNs versenden, erhalte immer "wrong answer", ist aber jetzt nicht sooo schlimm ... du weißt schon ...
Veit D. schrieb: > na wenigstens gabs etwas zu lachen. :-) Gutes Teamwork :D Lernhinweis an die "jungen deutschen wilden": es gibt wirklich (ich Schwoer!) Schmelzsicherungs-reparaturdraehte. Da kommt das "S"-foermige Schaltzeichen her. Mit diesem Hintergrund musste ich (im Bild) in diese Falle tappen. Zum Gluck habe ich nur Kaffee weggespuckt, jeden Tropfen Bier haette ich Veit in Rechnung gestellt! Mit Zins und Zinseszins! Bei dieser Hitze zaehlt jeder Tropfen! Veit D. schrieb: > Die Sekundär 1,6A Sicherungen sollten das einschalten überleben. > Eingeschalten wird in Parallelschaltung, entlastet das Ganze. Auch wenn > da eine größere Glättungskapazität dahinter ist Naja. Meine Anforderung an einen besseren Selbstbau: Einschalten in High-oder Low-Voltage muss WURSCHT sein. Sicherung MUSS halten. Alles andere bedeutet ernsthaften Fehlerfall. Schmelzi schrieb: > Den größten Vorteil hat man bei Nutzung (allein oder auch) > sekundärseitiger Schmelzicherungen übrigens dann, wenn auch keine oder > nur wenig Kapazität im Spiel ist. Denn dann ist der Unterschied zur > (zusätzlichen oder rein) primärseitigen Absicherung am größten, bei > welcher die Sicherungen auch den Trafo-Einschaltstromstoß überleben > müssen. Schmelzi, Nix fuer Ungut, aber (jaaaa, des beruehmte aber) sekundärseitige Schmelzicherungen sind (nor-) malerweise Unsinn! Besser Primaerstrom+Temperatursicherung. Die "wenig Kapazität" ist nicht imho relevant; Halbleiter verrecken sofort (Mikrosekunden). Beim Trafo dauert es Minuten (Stunden bis Jahre, Alterung der Isolation durch hohe Temperatur) Hier (Relais umschalten. Für Parallel- und Reihenschaltung) handelt es sich aber nicht um einen "Normalfall". Veit macht es gut und richtig: zwei verschiede Strombalastbarkeiten zweier verschiedener Stromkreise (aka zwei Sekundaerwicklungen), niemals einem einzelnen Bauteil/Messwert vertrauen (trennen die Relaiskontakte? funzt die Strommessung/Begrenzung?) rechtfertigen mMn zwei weitere Schmelzsicherungen.
2 Cent schrieb: > rechtfertigen mMn zwei weitere> Schmelzsicherungen. Und Privat man muss es der Ehefrau auch nicht unbedingt als "Extrakosten" auf die Nase binden. Deswegen sind Eigenbauten meistens langliebig. Langliebiger als so manches Eheversprechen. SCNR
2 Cent, ich hätte dir notfalls beim örtlichen Dealer einen Bierkisten Gutschein hinterlegen lassen :-) Ja, zugegeben, privat baut man meistens zu sicher, soll ja ewig + 3 Tage halten.
Veit D. schrieb im Beitrag #5502848 an ab979: > falls du noch mitliest, es ist mir leider nicht möglich dir zu > antworten, ich kann keine PNs versenden, erhalte immer "wrong answer", > ist aber jetzt nicht sooo schlimm ... du weißt schon ... Ach so, Du hattest also mir heute schon schreiben wollen. Hatte den ersten Post "Antwort geht nicht" oben zuerst nicht gesehen, jetzt aber kapiert. Nee, ich hatte mir dann schon gedacht, ist Quatsch, weil Du ja auch digitales einbaust, was eher weniger auf 50 Jahre geplante Nutzungszeit zielen würde, etc. Ich weiß nicht, was bei den Mails da los war oder ist. Könnte auch dran liegen, daß ich aktuell ein wackeliges freies WLAN nutze, das sehr oft gar nicht geht. (Es könnte sogar durch einen solchen Wackler eine Antwort verhindert worden sein. Na, auch wurscht jetzt. Trotzdem besser als gar nix, nach längerer Netz-Absti. Und böse bin ich Dir sicher nicht.) Also egal, oder wie Du oben schriebst: "Alles gut." :)
Hallo, @Schmelzi: an deinem WLAN liegt das sicher nicht, dass ist soweit safe, der Forumsserver muss ein Problem haben und das schon längere Zeit, warum das niemand beheben kann verstehe ich jedoch nicht. @ all: ich muss nun leider nochmal in anderer Form auf meine Eingangsfrage zurückkommen. Ich suche seit Samstag nun ein passendes Relais. Hilfe von Forumsmitgliedern kann ich leider nicht nutzen, weil ich nachwievor keine PN versenden kann. Eine Bitte, wer mir mehr oder weniger "zufällig" eine PN schicken kann, bitte die E-Mail Adresse mit angeben, dann können wir damit kommunizieren. Wird alles vertraulich behandelt. Im Thread wurde erwähnt das ein Kontaktmaterial mit AgSnO2 wichtig wäre. Habe mich schlau gemacht und kam zum Schluss das AgSnO2 und AgSnIn in Frage kommen. AgNi+Au kommt nur in der Messtechnik zum Einsatz wo nur geringste Ströme fließen. So verstehe ich das jedenfalls. Allerdings frage ich mich dann warum diese für mehrere Ampere freigegeben sind? Bei Conrad gibts nur welche mit AgNi und eines mit AgNi+Au. Scheiden demnach alle aus. 17,49€ Bestell-Nr.: 503194 - 62 AgNi https://www.conrad.de/de/printrelais-24-vdc-8-a-2-wechsler-finder-501290245000-1-st-503194.html 13,45€ Bestell-Nr.: 503193 - 62 AgNi https://www.conrad.de/de/printrelais-24-vdc-8-a-2-wechsler-finder-501290244000-1-st-503193.html 12,26€ Bestell-Nr.: 503186 - 62 AgNi https://www.conrad.de/de/printrelais-24-vdc-8-a-2-wechsler-finder-501290241000-1-st-503186.html 8,09€ Bestell-Nr.: 502987 - 62 AgNi+Au https://www.conrad.de/de/printrelais-24-vdc-8-a-2-wechsler-finder-405290245000-1-st-502987.html 4,62€ Bestell-Nr.: 502882 - 62 AgNi https://www.conrad.de/de/printrelais-24-vdc-8-a-2-wechsler-finder-405290240000-1-st-502882.html 4,12€ Bestell-Nr.: 503117 - 62 AgNi https://www.conrad.de/de/printrelais-24-vdc-8-a-2-wechsler-finder-415290240010-1-st-503117.html Bei Mouser wo man noch privat bestellen kann gibts es paar wenige mit AgSnO2, aber da blick ich nicht durch mit den Bezeichnungen. Laut Filter sollten die passen. Schau ich aber in die Datenblätter und vergleiche es mit der Mouser Nummer kommen mir Zweifel ob ich dann das Richtige erhalte. https://www.mouser.de/Electromechanical/Relays/General-Purpose-Relays/_/N-5g36?P=1z0z2x8Z1z0vo2qZ1z0x3vzZ1yf6aakZ1yf6b32Z1yf6b31Z1y97ltx&Ns=Pricing%7c0 diese kommen laut meiner Meinung in Frage - laut Filter 769-JW2SN-DC24V müsste 5A haben aber ohne Kennung F hat es nur AgNi Kontaktmaterial, laut Filter soll es aber AgSnO haben, kostet 3,97 €uro 653-G2R-2A-ASI-DC24 hier wird es ganz verrückt, die ASI Kennung widerspricht komplett dem Filter A steht für NO, Wechsel hat aber NO/NC S und I gibts gar nicht kostet 7,25 €uro 769-SP2-P-DC24V das Einzige wo die Angaben übereinstimmen, kostet 23,- €uro Was nun machen? Panasonic nehmen und gut ist?
Dies hier hat sich bei mir bewährt: https://www.conrad.de/de/printrelais-24-vdc-8-a-2-wechsler-finder-405290240000-1-st-502882.html?WT.mc_id=google_pla&WT.srch=1&ef_id=W17xCwAAAB8543XJ:20180730110547:s&gclid=EAIaIQobChMIxMmAh9fG3AIVA4bVCh3qoQ_dEAQYBSABEgJN9_D_BwE&hk=SEM&insert_kz=VQ&s_kwcid=AL!222!3!254339639474!!!g!! Finder Printrelais 24 V/DC 8 A 2 Wechsler Finder 40.52.9.024.0000 1 St 4,26Euro. hoffe, das hilft dir weiter.
Hallo, demnach spielt das Kontaktmaterial für die Anwendung keine so große Rolle. Es gibt nämlich auch nur sehr wenige Relais mit anderen Material. Gut, dann nehme ich das Teil. Vielen Dank.
Hallo, sitze gerade am Schaltplan zeichnen mit Bauteilauswahl usw. Dabei muss ich feststellen, dass eine Trafo Reihenschaltung der Sekundäranschlüsse für den angedachten OPA548 nicht möglich ist. Der OPA548 ist für max. 60V Ub spezifiert. Selbst dessen maximal ratings gehen nicht über 60V. Der Ringkerntrafo hat eine Leerlaufspannung von 2x 21V. Macht 42V~. Dazu 10% Netzschwankung macht 46,2V~ Nach dem Gleichrichter sind das satte 65V= Leerlaufspannung. Die Diodenspannung ziehe ich nicht erst ab, ist die letzte Reserve. Wäre es Pfusch wenn man mehrere Dioden in Reihe schaltet um unter 60V zukommen? Man würde mindestens 9 Dioden benötigen. Etwas Wahnsinn. Ansonsten verzichte ich komplett auf die sekundäre Reihenschaltung. Parallel wäre die Leerlaufspannung in Spitze max. 32,7V=. Wenn ich den Trafo abwickel kann ich nicht garantieren das beide Sekundärspannungen gleich bleiben.
Hallo, hab ne Idee. Ich kann zwei OPA548 verwenden. Für die Parallelschaltung gibts was im Datenblatt. Serienschaltung müßte auch funktionieren. Wenn ich den im "negativen" Zweig auf "0V" stelle und den im positiven Zweig auf 25V, dann müßte ich ca. 50V Differenz haben. Nur über den Weg des Stromflusses bin ich mir noch nicht ganz im klaren. Ich denke mal darüber nach ...
Veit D. schrieb: > äre es Pfusch wenn man mehrere Dioden in Reihe schaltet um unter 60V > zukommen? Man würde mindestens 9 Dioden benötigen. Zwei R und 2 Z-Dioden tun es wohl auch.
Stephan schrieb: > Zwei R und 2 Z-Dioden tun es wohl auch. Der TE hat aber 0...1A Strom (mind.) vorgesehen :-)
Hallo, richtig :-) Ich mache jetzt folgendes. Ich mach den Plan im stillen Kämmerlein für einen OPA fertig, bestell alles und teste rum. Wenn mir das Ergebnis gefällt kommt ein zweiter hinzu. Und wenn ich eine Frage habe melde ich mich zwischendurch. :-)
Hallo, der Plan für die Spannungsversorgung ist soweit fertig. Bevor ich nun die fehlenden Teile bestelle habe ich noch Fragen. LTspice: Den Trafo mit Grätzbrücke habe ich durch die Spannungsquelle V1 ersetzt, sonst dauert die Berechnung mehrere Tage. Die 12V für die OPVs sollen real von einem Traco TSR 1-24120 erzeugt werden. Die Verzögerung von großzügigen 10ms ist im Delay der Spannungsquelle V2 berücksichtigt. Im Grunde zeigt mir die Simulation fast die angedachten Ergebnisse. Grund überhaupt war zu wissen was die OPVs machen wenn ihre Spannungsversorgung verzögert zur zumessenden Spannung anliegt. Die Tracos hängen später direkt an der Grätzbrücke, also vor R1. OPV 2 soll den NTC vorm Trafo primär überbrücken. OPV 3 soll den Ladestrombegrenzer R1 etwas später überbrücken. Die Glättungselkos werden in Summe 27mF groß, damit ich möglichst eine hohe nutzbare Spannung vom Trafo erhalte. Restripple wären 0,5V. Grund für die Frage hier ist folgende. Im Plot sieht man bei 0,5s zwei Peaks. Das sind die Ausgänge der OPVs 2 und 3. Die schalten kurze Zeit später wie gewollt bei ihren Schwellwerten. Hängen die Peaks mit der verzögerten Spannungsversorgung zusammen? Weil die in dem Moment kurz übern Schwellwert liegen? Und dann fiel mir noch eine Problem auf. Setze ich den Wert von R1 auf unter oder über 27 Ohm, dann passt die C1 Ladestromkurve mit meinen berechneten überein. Setze ich R1 auf 27 Ohm, dann kommt Mist raus, Ladestrompeak beginnt dann bei 33A. Deswegen bin ich mir unsicher ob ich der Simulation vertrauen darf oder nicht. NTC Überbrückung: Bevor Fragen kommen wegen der OPV Schmitt-Trigger Schaltung. In einem älteren Thread hatte ich gelesen das man für die NTC primär Überbrückung auch ein reines VAC Relais verwenden kann, weil das mit >100ms Verzögerung anzieht. Ich habe alle bei Conrad erhältlichen Finder Relais angeschaut. Laut Datenblatt ziehen die alle in 10ms an. Möglicherweise gibts keine langsamen Relais mehr. Das zur Erklärung zu den OPVs. Wobei ich dennoch eine Verzögerung für die R1 Überbrückung benötige. Das Ausgangsignal von OPV 3 soll auch eine Art "power ready" Signal sein. Eh das nicht kommt soll der später angedachte µC und Display in Reset gehalten werden. Gibt es Meinungen oder Beanstandungen?
OT Veit D. schrieb: > Gibt es Meinungen oder Beanstandungen? -Post zu komplex und verwirrend -Neuer Fred dazu noetig, hier offtopic. -R1 (R3 was denn nun?) auf jeden Fall als Sicherungswiderstand -Strombergrenzung D3? Veit D. schrieb: > der Plan für die Spannungsversorgung ist soweit fertig Spannungsversorgung fuer was genau? Ich dachte hier sollte ein "einfaches" Labor-NT entstehen.
Veit D. schrieb: > NTC Überbrückung: > Bevor Fragen kommen wegen der OPV Schmitt-Trigger Schaltung. In einem > älteren Thread hatte ich gelesen das man für die NTC primär Überbrückung > auch ein reines VAC Relais verwenden kann, weil das mit >100ms > Verzögerung anzieht. Ich habe alle bei Conrad erhältlichen Finder Relais > angeschaut. Laut Datenblatt ziehen die alle in 10ms an. Möglicherweise > gibts keine langsamen Relais mehr. Relais mit DC Wicklung sind alle schnell, hast du richtig erkannt. Aber wenn Du der Wicklung einen Widerstand vorschaltest, und parallel zur Relaisspule eine Kondenstor: Dann erreichst du den gewünschten Effekt auch mit DC Relais. z.B. 24V Versorgung, 820 Ohm Widerstand 1W, 330 uF Elko, 12V DC Relais (ich nehme wieder eines von Finder...) mit ca. 760 Ohm Wicklungswiderstand.
Veit D. schrieb: > Wäre es Pfusch wenn man mehrere Dioden in Reihe schaltet um unter 60V > zukommen? Man würde mindestens 9 Dioden benötigen. Etwas Wahnsinn. Ich habe neulich für eine 48V Phantomspeisung aus ungeregelten 60-70V einfach einen per 24V Z-Diode hochgelegten LM7824 benutzt. Das klappt sehr gut. Wenn nach dem Regler eine dicke Kapazität kommt, solltest du aber eine Rücklaufdiode über den 7824 legen. Hier war das unnötig, weil nur 0,1µF am Ausgang und dann gleich die 6,8k Widerstände auf die Mikrobuchse.
Hallo, ich dachte die Fragen passen noch zum Thread. Beim nächstenmal ein Neuer. :-) Ja okay, im Nachgang ist es nicht ganz klar. R3 im Schaltplan = R1 in LTspice. Sorry. D3 im Schaltplan kann ich bei nochmaliger Überlegung auch weglassen. Mit Spannungsversorgung meinte ich die Trafoschaltung mit Grätzbrücke und Ladeelkos. Das ist dann die Spannungsversorgung für das eigentliche NT mit OPA548. Die Traco/Recom Wandler sehe ich schon vor, weil ich das im Endausbau mit µC steuern möchte. Relaisanzugsverzögerung. Ich denke zu kompliziert. RC Glied - sehr gute Idee. Danke. Damit spare ich mir auch die Transistorstufe am OPV die zum schalten des Relais noch dazugekommen wäre. Danke für den LM7824 Hinweis. Der ist aktuell leider nicht mehr notwendig. Ich schalte die Teilwicklungen vom Trafo sekundär nicht mehr in Reihe. Wenn alles so funktioniert wie ich derzeit denke ode mir vorstelle, dann kann ich die Ausgänge von zwei OPA548 in Reihe oder Parallel schalten. Hätte den Vorteil ich hätte im Normalfall zwei Netzteile in einem. Ich fange erstmal mit einem OPA an. Danke @ all.
Veit D. schrieb: > demnach spielt das Kontaktmaterial für die Anwendung keine so große > Rolle. > Es gibt nämlich auch nur sehr wenige Relais mit anderen Material. > > Gut, dann nehme ich das Teil. Vielen Dank. Hallo, falls du noch nicht bestellt hast...DigiKey liefert auch an Private und hat ordentliche Industriequalität im Sortiment. Allerdings einen Mindestbestellwert von 60€. Gruß Rainer
Bitte melde dich an um einen Beitrag zu schreiben. Anmeldung ist kostenlos und dauert nur eine Minute.
Bestehender Account
Schon ein Account bei Google/GoogleMail? Keine Anmeldung erforderlich!
Mit Google-Account einloggen
Mit Google-Account einloggen
Noch kein Account? Hier anmelden.



