Moin, ich würde gerne eine zeitabhängige Kapazität in LTSpice realisieren, dazu habe ich als Wert einer Kapazität folgendes verwendet: C = 1u + 1u * time was gemäß der Unterlagen die ich im Internet gefunden habe, über die Zeit den Wert der kapazität ändern sollte (in einer transient analysis). Leider spuckt LTSpice folgenden Fehler aus (Circuit: Konstantspannungsquelle + konstaner Widerstand + Kapzität): Error on line 4 : c1 n001 0 1µ + 1µ * time Unknown parameter "*" Eigentlich sollte der Operator keine Probleme beraten. Was ist da los, weiß jemand bescheid? Muss ich eine andere Simulationsart wählen?
lt. LTspice-Hilfe sollte die Definition einer variablen bzw. nichtlinearen Kapapzität über die Ladung Q möglich sein, wobei die spezielle Variable x der aktuellen am Kondensator anliegenden Spannung entspricht (Q=C*U). Zum Testen mit einer linear mit 1V/s ansteigenden Spannung gespeist - dann entspricht der Zahlenwert des Stroms durch den Kondensator in Ampere der Kapazität in Farad. Allerdings irritiert mich dabei der Endwert von 1.2µF anstelle der erwarteten 1.1µF. Explizites Klammern hilft nicht und das Einbauen eines Funktionsaufrufs (cx) innerhalb der Q-Formel führt zu einer Fehlermeldung (no such function). Das dürfte aber ein generelles Problem sein, da ich auch schon bei der Definition von variablen Induktivitäten mittels Funktion die gleiche Fehlermeldung hatte.
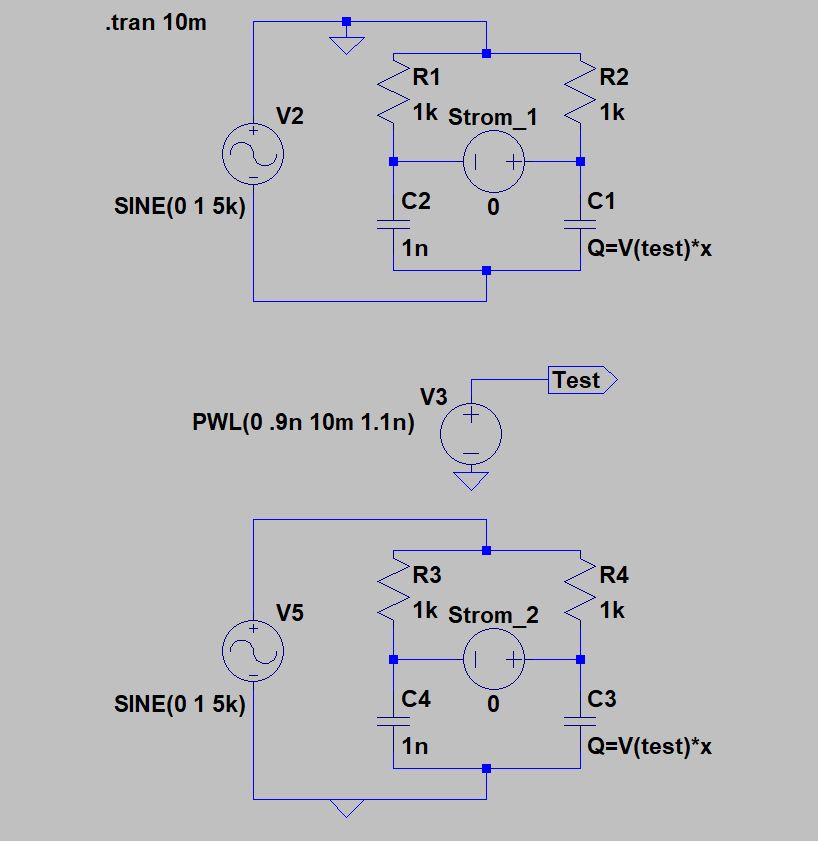
Danke "nop23" für deine Vorlage. ich habe die Schaltung dann noch etwas ausgebaut und die Formel für den Strom hinzugefügt. Siehe Datei var_cap1.asc. I(C) = C(t)*dV/dt + V(t)*dC(t)/dt C(t) = Cconst + Cvar(t) LTspice: Q = (Cconst + Cvar(t))*x Gruß Helmut
Mittlerweile hab' ich dann auch den 'irritierenden' Anteil am Strom verstanden (dC/dt) - war wohl noch etwas früh. Allerdings habe ich eine B-Quelle benutzt um u.a. die Probleme mit der direkten Einbindung von Funktionen zu umgehen.
Hi, sorry, ich will den Thread nicht kapern, aber bei mir funktioniert es mit einer Spannungsquelle im Bauteilewert nicht richtig. Die obere Schaltung läuft, wie sie soll, die Untere nicht. Der einzige Unterschied: der Ground ist mit dem veränderbaren Kondensator und der Steuerquelle verbunden. Ist das mein Fehler oder soll das so sein? Grüße
Felsentreu schrieb: > Die obere Schaltung läuft, wie sie soll, die Untere nicht. Was klemmt denn? Auf den ersten Blick kann ich keinen Fehler erkennen.
Hi, welche Spice Einstellungen verwendes du? Ich habe keine Einstellung gefunden bei der es läuft. Grüße
Bei mir ist einzige Abweichung vom Default, dass ich üblicherweise den 'Alternate' Solver verwende. Aber auch mach dem Zurücksetzen kann ich dein Problem nicht nachvollziehen. Möglicherweise LTspice IV (bei mir) vs. XVII - dazu kann evtl. Helmut mehr sagen.
Felsentreu schrieb: > Die obere Schaltung läuft, wie sie soll, die Untere nicht. Was für eine Fehlermeldung kommt denn bei der unteren?
Hi, es kommt gar keine Fehlermeldung. Die Simu läuft nur etwas langsamer und zeigt ein nicht nachvollziehbaren Brückenstrom. Grüße
Bei mir ging es auch nicht. Dan habe ich alles mögliche erfolglos probiert. Dann habe ich die Steuerung auf Volt statt nV geaändert. Das war es aber auch nicht. Dann have ich deine Strommesser entfernt und durch einen Kurzschluss ersetzt. Dann ging es. Inzwischen geht es auch mit neuen Strommessern. Frag mich nicht warum es jetzt geht. Ich weiß es nicht. Ich verwende den "Normal"-Solver.
Felsentreu schrieb: > Hi, > welche Spice Einstellungen verwendes du? Ich habe keine Einstellung > gefunden bei der es läuft. > > Grüße Erstmal Danke an alle Antworten :) Habe zwar verschiedene probiert, aber es ging auch bei mir bei keiner, derzeit die Standardeinstellungen. Ich habe an mehreren Stellen im Internet die Aussage gelesen, dass es so funktionieren müsste (zugegebenerweise anhand eines Widerstandes der zeitlich verändert wurde). Aber auch mit einem Widerstand läuft es bei mir nicht. Scheint (so) nicht zu gehen, seltsam.
NichtlinearesSpice schrieb: > Felsentreu schrieb: >> Hi, >> welche Spice Einstellungen verwendes du? Ich habe keine Einstellung >> gefunden bei der es läuft. >> >> Grüße > > Erstmal Danke an alle Antworten :) > Habe zwar verschiedene probiert, aber es ging auch bei mir bei keiner, > derzeit die Standardeinstellungen. Ich habe an mehreren Stellen im > Internet die Aussage gelesen, dass es so funktionieren müsste > (zugegebenerweise anhand eines Widerstandes der zeitlich verändert > wurde). Aber auch mit einem Widerstand läuft es bei mir nicht. > > Scheint (so) nicht zu gehen, seltsam. Hast du meine Lösung mit deiner modifizierten Schaltung übersehen? Die läuft. Mit dem Normal-Solver läuft die Simulation meiner Schaltung 10 mal so schnell wie mit dem Alternate-Solver. Den Alternate-Solver nur nehmen, wenn es mit dem Normal-Solver gar nicht geht.
Mahlzeit, Helmut S., deine Formel geht leider nicht bei kleinen Kondensatoren. Mit 56nF gibt es schon deutliche Simulationsartefakte, mit 1nF werden 6 Giga Ampere angezeigt. Grüße
NichtlinearesSpice schrieb: > Habe zwar verschiedene probiert, aber es ging auch bei mir bei keiner, > derzeit die Standardeinstellungen. Ich habe an mehreren Stellen im > Internet die Aussage gelesen, dass es so funktionieren müsste > (zugegebenerweise anhand eines Widerstandes der zeitlich verändert > wurde). Aber auch mit einem Widerstand läuft es bei mir nicht. In LTspice gibt es für einen Widerstand die undokumentierte Form "R=Ausdruck", ein Kondensator kann nur über "Q=Ausdruck" variabel gestaltet werden. Möglicherweise beziehen sich deine Fundstellen im Internet (Wo genau?) auf einen anderen Spice-Abkömmling. Poste deine Simulation (asc) als Anhang, sonst ist eine weitere Diskussion nur mehr Rätselraten.
Hi, ich habe es! LTspice ignoriert den Rser des Kondensators bei einer Formeleingabe. 1f Ohm reichen dass die Sim läuft. Grüße
Felsentreu schrieb: > LTspice ignoriert den Rser des Kondensators bei einer Formeleingabe. > 1f Ohm reichen dass die Sim läuft. In deinem asc kann ich kein explizites Rser finden. Defaultwert ist ein Rpar = 1e12/C, während Rser für Kodensatoren meines Wissens nach Null ist. http://ltwiki.org/index.php?title=Undocumented_LTspice#.options_Gfarad.3D.3Cvalue.3E So ganz bin ich noch nicht überzeugt, ob das wirklich der Grund für die Unteschiede in den beiden LTSpice-Versionen ist - vor allem wegen Helmuts Beschreibung.
Ach ja - für variable C gibt es generell keinen Defaultwert für Rpar. Unterschiede würden also nur C2 betreffen. Aus der oben verlinkten Seite:
1 | The arbitrary capacitor (specified via a behavioral charge equation - refer to the topic in Help) has no parallel conductance and is not affected by Gfarad. |
Hi, beide Widerstände, Rpar und Rser werden ignoriert. Lass die Sim laufen, bei mir kommt dafür auch eine Meldung. Der 1f Ohm Widerstand muss auch an Ground liegen, an der heißen Seite läut es wieder nicht. Grüße
Danke Felsentrau für die Lösung mit dem Serien-R. Ich hatte mit Rser in den Strommessern experimentiert aber das hat nicht wirklich geholfen. Dafür habe ich dann noch eine andere Methode probiert(*_test4) und die scheint auch mit jeder beliebigen Kapazität zu funktionieren. Ich auch noch die von dir erwähnte Lösung mit dem Serienwiderstand angehängt (*_test5). Ich habe Rser=1u genommen. Da könnte man wahrscheinlich auch auf Rser 1m gehen ohne einen größeren Fehler zu machen.
Felsentreu schrieb: > Lass die Sim laufen, bei mir kommt dafür auch eine Meldung. Bei läuft es ja auch mit und ohne expliziten Rser. Die aufpoppende Warnmeldung gibt es auch in LTspice IV - war mir aber neu, da ich diese Kombination von Parametern noch nie verwendet habe. Helmut S. schrieb: > Dafür habe ich dann noch eine andere Methode probiert(*_test4) und die > scheint auch mit jeder beliebigen Kapazität zu funktionieren. Deine Kreativität überrascht mich immer wieder.
Bitte melde dich an um einen Beitrag zu schreiben. Anmeldung ist kostenlos und dauert nur eine Minute.
Bestehender Account
Schon ein Account bei Google/GoogleMail? Keine Anmeldung erforderlich!
Mit Google-Account einloggen
Mit Google-Account einloggen
Noch kein Account? Hier anmelden.










