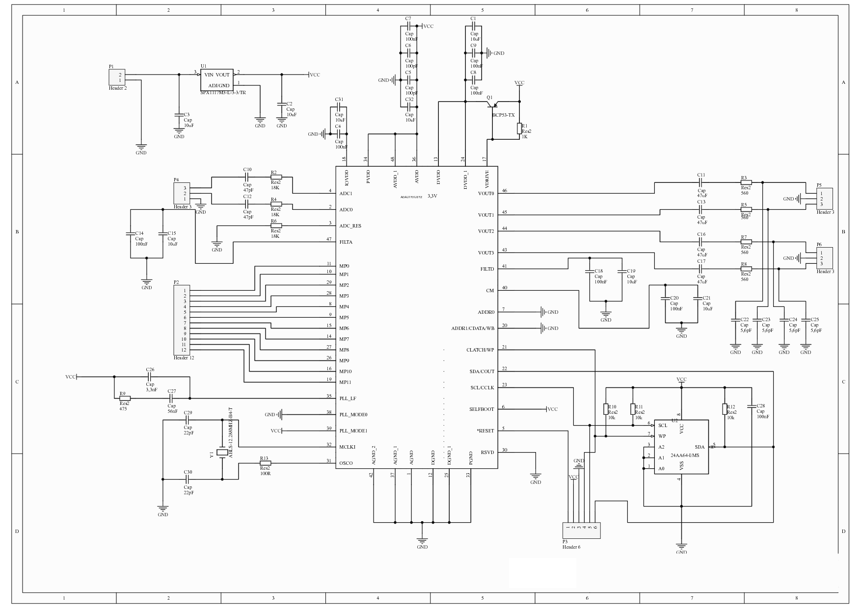
Hallo Ich sage es gleich vorweg, dies ist mein erstes Projekt, bitte steinigt mich nicht, aber ich weiß leider nicht mehr weiter. Ich wollte einen kleinen ClassD Verstärker mit DSP konstruieren, dabei kommt ein TPA 3118 zum Einsatz, wo ich die Platine selber erstellt habe. Dieser Funktioniert auch zufriedenstellend. Doch als DSP Chip wollte ich einen ADAU 1701 verwenden, komme hier aber nicht weiter. Ich habe den Schaltplan wie im Anhang erstellt, schließe ich die bestückte Platine an mein Netzteil an, ergeben auch die Spannungen Sinn. Allerdings kann ich weder den EEPROM programmieren noch kann ich dem ADAU einen Ton entlocken, lediglich Störgeräusche. Wie gehe ich bei sowas auf Fehlersuche.? Danke euch schon mal für eure Antworten.
Gegenüber dem Datenblatt hast du ein paar Abweichungen. In den PLL Filter sollen 3.3nF, nicht 33. Der Quarz ist mit 22pF beaufschlagt, bei dir sind es 30. Dann hast du einen anderen Transistortyp als den von Analog vorgeschlagenen verbaut. Erfüllt deine Auswahl die kriteren auf dem Datenblatt?
1 | two specifications must be considered when choosing a regulator transistor |
2 | : The transistor’s current amplification factor (hFE or beta) should be at least 100, and the transistor’s collector must be able to dissipate the heat generated when regulating from 3.3 V to 1.8 V. The maximum digital current drawn from the ADAU1701 is 60 mA |
Die Pull-Ups an den I2C Leitungen können ruhig auf 4k7 oder 2k2 geändert werden, wobei die 10k eigentlich auch gehen sollten. Reset könnte noch ein Problem sein. Find nichts dazu im Datenblatt oder der Pin einen internen Pull-Up hat. Sonst noch einen anbringen. Der Rest sieht erstmal brauchbar aus.
Yannick schrieb: > Ich habe den > Schaltplan wie im Anhang erstellt, schließe ich die bestückte Platine an > mein Netzteil an, ergeben auch die Spannungen Sinn. Transistor ist verpolt (C und E vertauscht) und dessen Stromverstärkung passt nicht zum empfohlenen Wert bei IC=60mA. Die ganze Reihe an Entkoppelkondensatoren links vom 2N3906 haben keinen Bezug zu GND sonder schweben in der Luft. IOVDD, PVDD, AVDD etc. erhalten keine Betriebsspannung. Kondensatorwert im PLL Filter wurde schon erwähnt. Bürdekapazität (ca. 18pF) für den Quarz sollte OK sein.
Robert M. schrieb: > Yannick schrieb: >> Ich habe den >> Schaltplan wie im Anhang erstellt, schließe ich die bestückte Platine an >> mein Netzteil an, ergeben auch die Spannungen Sinn. > > Transistor ist verpolt (C und E vertauscht) und dessen Stromverstärkung > passt nicht zum empfohlenen Wert bei IC=60mA. > Die ganze Reihe an Entkoppelkondensatoren links vom 2N3906 haben keinen > Bezug zu GND sonder schweben in der Luft. > IOVDD, PVDD, AVDD etc. erhalten keine Betriebsspannung. > Kondensatorwert im PLL Filter wurde schon erwähnt. > Bürdekapazität (ca. 18pF) für den Quarz sollte OK sein. Wow stimmt, hatte ich gar nicht gesehen. Ja das wird wohl die beste Erklärung sein, warum der DSP nicht will.
Vielen Dank für eure Antworten. Also ich habe jetzt den Transistor durch diesen hier ersetzt und richtig herum eingefügt. https://www.mouser.de/ProductDetail/Nexperia/BCP53-10TX?qs=45Avz0nZxhugxTMEwUpTtw%3D%3D Ansonsten am Quarz die Kondensatoren auf 22pF verringert und die Entkopplungskondensatoren an das Datenblatt angepasst. Kann das jetzt so abgenommen werden :D
Yannick schrieb: > Ansonsten am Quarz die Kondensatoren auf 22pF verringert und... Die Bürdekondensatoren hängen im Endeffekt vom eingesetzten Quarz ab. > ...Entkopplungskondensatoren an das Datenblatt angepasst. Zwei Entkoppelkondensatoren, die Trennkondensatoren für die Eingänge und die Filterkondensatoren für die diff. Ausgänge liegen noch im pF-Bereich.
Bitte melde dich an um einen Beitrag zu schreiben. Anmeldung ist kostenlos und dauert nur eine Minute.
Bestehender Account
Schon ein Account bei Google/GoogleMail? Keine Anmeldung erforderlich!
Mit Google-Account einloggen
Mit Google-Account einloggen
Noch kein Account? Hier anmelden.

