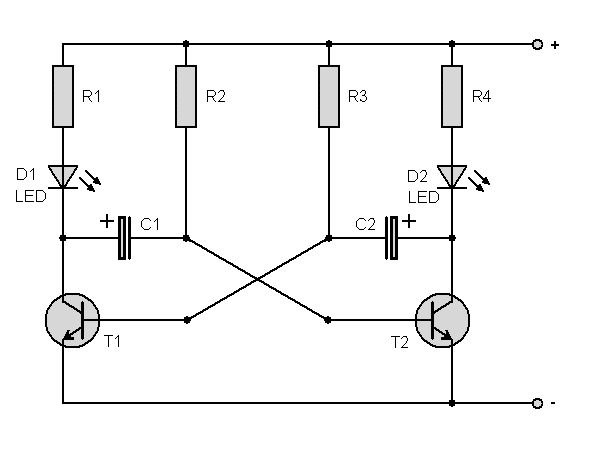
Hallo zusammen, ich versuche gerade das Funktionsprinzip der Astabilen Kippstufe nachzuvollziehen. Das klappt so weit ganz gut, nun meine Frage: Wie kommen die negative Spannungsspitzen an den Basen zustande, wenn die positiven Seiten der Kondensatoren (C1, C2) durch die Transistoren (T1, T2) auf Masse gezogen werden? Grüße von, Cookie.
Weil die Kondensatoren vorher so aufgeladen wurden. Beispiel Stromweg, + R1 D1 C1 Basis-T2 - .
Stell dir vor T1 ist aus. Ube2 ist dann 0,7V und +C1 liegt auf fast Ub. -C1 liegt auf Ube2(0,7V). Irgendwann ist Ube von T1 so positiv, dass T1 anfängt zu leiten. Jetzt sinkt die Spannung am Kollektor von T1 auf annähernd 0V. Damit ist +C1 auf 0V und -C1 ist dann automatisch auf 0,7V-Ub. Ab jetzt wird -C1 iüber R2 in Richtng +Ub geladen. Wenn diese Spannung 0,7V erreicht hat, dann fängt T2 an zu leiten. Dort beginnt dann das gleiche "Spiel".
Wer kann diese Aussprache nachahmen? https://m.youtube.com/watch?v=6J2tid_Frr4 http://www.elektronik-labor.de/Lernpakete/Blinker.html Die negative Spannung entsteht an der Basis immer dann, wenn der geladene Kondensator am Kollektor durch den leitenden Transistor nahezu mit GND verbunden wird. Dann ist seine andere Seite negativer als GND. MfG
Nils S. schrieb: > Spannungsspitzen an den Basen Pass nur auf, dass die "negativen Spannungsspitzen" nicht die Z-Spannung der BE-Dioden erreichen. Wo kommt denn die Schaltung her? LG old.
Günter Lenz schrieb: > Weil die Kondensatoren vorher so aufgeladen wurden. > Beispiel Stromweg, + R1 D1 C1 Basis-T2 - . Das ist auch der Grund, warum obige Schaltung nur für Spannungen bis etwa 6V verwendet werden sollte.
Harald W. schrieb: > etwa 6V plus dem Spannungsabfall der LEDs in Durchlassrichtung. Ich hätte die Schaltung unabhängig davon gemacht, deshalb meine Frage wo sie her kommt. LG old.
Aus der W. schrieb: > Ich hätte die Schaltung unabhängig davon gemacht, > deshalb meine Frage wo sie her kommt. > Willst Du dem Autor der Schaltung etwa auf den Kranz gehen? Das sähe Dir ähnlich.
Gerhard O. schrieb: > Hier findet sich auch noch Nutzvolles: > > https://elektroniktutor.de/analogverstaerker/astabil.html Danke für den Link. Aber bei einer Sache komme ich nicht mit: "Zum Zeitpunkt t = 0 wechselt das Kollektorpotenzial auf +0,5 V. Die Gegenseite des Kondensators hat dadurch −8,5 V. Damit wird der rechte Transistor sicher gesperrt." In einigen Simulations-Tools habe ich festgestellt, dass der Elko für einen kurzen Moment umgepolt wird. (Das ist mir auch soweit klar) Aber diese "-8,5 V" stiegen dort nicht nach einer e-Funktion an, sondern waren sofort da. Kann mir das jemand bitte nochmal genauer erklären? Liebe Grüße, Cookie
Zitat aus https://elektroniktutor.de/analogverstaerker/astabil.html: " Bis zum Zeitpunkt t = 0 liegen am linken Anschluss von C2 +10 V und am rechten Anschluss +1 V. Die Spannung über C2 beträgt somit +9 V (von links nach rechts). " Der Kondensator C2 ist auf 9V aufgeladen. Der linke (positive) Pol liegt über RC1 praktisch auf den +10V Betriebsspannung der Schaltung. Stell dir statt dem Kondensator eine 9V-Blockbatterie vor. Jetzt wird der linke Transistor leitend. Sein Kollektorpotenzial springt von +10V auf +0,5 V. Der positive Pol der 9V-Blockbatterie springt ebenfalls von +10V auf +0,5 V. Da sie immer noch ihre 9V hat, springt ihr negativer Pol auf +0,5V minus 9V = - 8,5V. Jetzt wechsle in deiner Vorstellung wieder von Blockbatterie auf Kondensator, denn der fängt ja jetzt (erst) an, sich nach einer e-Funktion zu entladen (in Richtung 0V).
Bitte melde dich an um einen Beitrag zu schreiben. Anmeldung ist kostenlos und dauert nur eine Minute.
Bestehender Account
Schon ein Account bei Google/GoogleMail? Keine Anmeldung erforderlich!
Mit Google-Account einloggen
Mit Google-Account einloggen
Noch kein Account? Hier anmelden.

