Hallo Liebe Elektroniker! Ich bin E-Technik Student und muss ein DC Strommessgerät prototypisch entwerfen. Als "Sensor" habe ich einen Shunt gewählt und auslesen will ich das ganze mit einem Arduino. Dabei entsteht das Problem. Ein Shunt hat in der Regel eine feste Ausgangsspannung im mV Bereich. Die Analogeingänge des Arduino können aber nur 0-5V. Ich muss meine Spannung am Widerstand also Verstaerken, wenn ich sie mit dem Arduino auslesen will. Dafuer habe ich den OP07CP von TI gewaehlt und will damit eigentlich nur die nichtinvertierende Schaltung realisieren mit einer Verstaerkung von ca 330. . Jedenfalls muss ich vom mV Bereich in den V Bereich verstaerken. Im Datenblatt ist unter Punkt 12 genau die benoetigte Schaltung aufgefuehrt, allerdings erhalte ich lediglich die Versorgungsspannung am Ausgang. Den OP interessiert es kein bisschen was ich mit den Eingaengen mache. Ich hoffe ihr koennt mir helfen. Vielen Dank Gruss Dome
Du hast in dem Datenblatt die Bemerkung unter Punkt 10.2.2.1 und 10.2.2.2 gelesen und verstanden. Mit dem Op brauchst du also eine Versorgung von < -2V und > 7V um von 0-5V zu messen.
Dann zeige doch einfach mal, was du wie verschaltet hast, einschließlich Versorgungsspannung und Werte. Die Schaltung aus Bild 7 funktioniert jedenfalls, und das schon immer ...
Der Andere schrieb: > Mit dem Op brauchst du also eine Versorgung von < -2V und > 7V um von > 0-5V zu messen. Wenn du eine single Supply verwenden willst (oder darfst), dann nehme einen Rail To Rail OPV.
Ach Du grüne Neune schrieb: > Wenn du eine single Supply verwenden willst (oder darfst), dann nehme > einen Rail To Rail OPV. Der an den Rails auch nicht mehr exakt "misst". Dome F. schrieb: > Verstaerkung von ca 330. Das ist der nächste Punkt. In deiner Fehlerabschätzung solltest du dann auch mal über Dinge wie Offsetfehler und Thermospannungen nachdenken.
Der Andere schrieb: > Der an den Rails auch nicht mehr exakt "misst". > > Dome F. schrieb: >> Verstaerkung von ca 330. > > Das ist der nächste Punkt. Richtig. Wenn man etwas genaues haben will, sollte man den Shunt nur so klein wie nötig machen, aber nicht kleiner (hängt vom Messstrom ab). Die Verstärkung so gering wie möglich halten. Und um bei kleineren Strömen trotzdem ein genaues Ergebnis zu erzielen, eine Dual Supply verwenden. Nenne uns doch bitte mal deinen max. Strom!
Dome F. schrieb: >Im Datenblatt ist unter Punkt 12 genau die benoetigte >Schaltung aufgefuehrt, allerdings erhalte ich lediglich >die Versorgungsspannung am Ausgang. Den OP interessiert >es kein bisschen was ich mit den Eingaengen mache. Was passiert wenn du den Eingang auf Masse legst, bei symetrischer Betriebsspannung? Wenn es dann immer noch so ist, dann ist der OP kaputt, oder du hast die Schaltung nicht so wie im Beispiel aufgebaut.
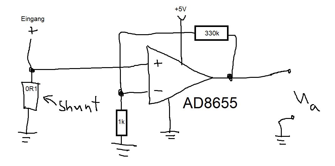
Ach Du grüne Neune schrieb: https://www.mikrocontroller.net/attachment/374297/AD8655.gif Du hättest deutlicher machen können, dass es genau so nicht geht! - AD8655 mit Single Supply - Messen am unteren Rail Diese Schaltung geht mit dem AD8655 nur mit symmetrischer Versorgung! Der kleine Shunt mit der hohen notwendigen Verstärkung und die Unzulänglichkeiten des OPA wurden schon erwähnt ...
Der Fragesteller hat noch vergessen zu erwähnen ob der Stromsensor-Widerstand auf Masse, auf +5V oder auf +12V hängt. @Dome F. An welcher Spannung hängt der Stromsensorwiderstand?
Hallo, > Dome F. schrieb: > Als "Sensor" habe ich einen Shunt gewählt und auslesen will ich das > ganze mit einem Arduino. > Dabei entsteht das Problem. Ein Shunt hat in der Regel eine feste > Ausgangsspannung im mV Bereich. Das muß nicht sein. Wenn man aber einen möglichst geringen Spannungsabfall in der "Stromrichtigen Meßschaltung" über den Shunt haben will, dann ist das natürlich so. https://de.wikipedia.org/wiki/Stromrichtige_Schaltung Alternativ kann man auch spezielle Schaltungtechnik verwenden, die keinen Spannungsabfall am Shunt verursacht (Strom-Spannungswandler) https://de.wikipedia.org/wiki/Transimpedanzverst%C3%A4rker > Die Analogeingänge des Arduino können > aber nur 0-5V. Ich muss meine Spannung am Widerstand also Verstaerken, > wenn ich sie mit dem Arduino auslesen will. > Dafuer habe ich den OP07CP von TI gewaehlt und will damit eigentlich nur > die nichtinvertierende Schaltung realisieren mit einer Verstaerkung von > ca 330. Die Auswahl eines OPV für einen bestimmten Zweck ist manchmal nicht so einfach. Aber bei so hohen Verstärkungen sollte man sich schon mal Gedanken über die wichtigsten Parameter machen. Der OP07 hat eine typ. Offsetdrift von 0,5uV/K (kann aber auch größer sein z.B. über 1uV/K). Mit einer Verstärkung von 330 und angenommen +/-15K Temperaturabweichung bekommst du schon bis über 5mV Offsetdrift. Für Indoor-Laborbetrieb und 10 Bit Auflösung wäre das noch ok. Aber falls das auch Outdoor oder im Automotiv-Bereich eingesetzt werden sollte, wäre ein OPV mit weniger Drift besser geeignet. Da kann man aber auch gleich einen OPV einsetzen, der eine so kleine Offsetspannung hat, dass diese keinen Einfluss mehr hat und nicht kompensiert werden muß. z.B. AD8571 http://www.analog.com/media/en/technical-documentation/data-sheets/AD8571_8572_8574.pdf > Jedenfalls muss ich vom mV Bereich in den V Bereich verstaerken. > Im Datenblatt ist unter Punkt 12 genau die benoetigte Schaltung > aufgefuehrt, allerdings erhalte ich lediglich die Versorgungsspannung am > Ausgang. Den OP interessiert es kein bisschen was ich mit den Eingaengen > mache. Und welche Versorgungsspannung hast du angelegt? Doch nicht etwa 5V Single-Supply? -> siehe Common Mode Input Voltage und -> Output Voltage Range Gruß Öletronika
Und der OP07 verträgt keine hohe Differenzspannung an den Eingängen. Deshalb besser zwei antiparallele Dioden an die Eingänge schalten oder es wird teuer. MfG
Muss die Messung zwingend mit Shunt erfolgen? Wenn auch andere Wege erlaubt sind, dann ist z.B. ACS712 einen Blick wert. Besonders, wenn der Shunt auf für den OP schwierigem Potenzial liegt.
Hallo, > Christian S. schrieb: > Und der OP07 verträgt keine hohe Differenzspannung an den Eingängen. Na immerhin geht der Bereich wie bei vielen OPV bis an die Betriebsspannungsgrenzen. > Deshalb besser zwei antiparallele Dioden an die Eingänge schalten oder > es wird teuer. Die Problematik "Schutzbeschaltung" sollte man evtl. separat besprechen. Grundsätzlich ist das immer ein Thema, worüber man nachdenken sollte. Aber gerade bei einer Shuntmessung mit Nennspannungen im Bereich von paar 10mV wird das Problem womöglich ausnahmsweise ziemlich nebensächlich sein. Eine 100-fache Spannung (z.B. von 20mV ->2V) verursacht eine 10.000-fache Verlustleistung am Shunt. Ehe da der OPV beschädigt wird, ist der Meßshunt wahrscheinl. schon längst abgebrannt. Gruß Öletronika
Zunächst einmal bedanke ich mich für alle eure Antworten! Ich versuche hiermit mal grob jedem zu Antworten, Bilder von der Schaltung werde ich bald nachreichen. Der Andere schrieb: > Du hast in dem Datenblatt die Bemerkung unter Punkt 10.2.2.1 und > 10.2.2.2 gelesen und verstanden. > Mit dem Op brauchst du also eine Versorgung von < -2V und > 7V um von > 0-5V zu messen. Habe ich, leider jedoch keine Ergebnisse. Der Andere schrieb: > Das ist der nächste Punkt. In deiner Fehlerabschätzung solltest du dann > auch mal über Dinge wie Offsetfehler und Thermospannungen nachdenken. ZF schrieb: > Muss die Messung zwingend mit Shunt erfolgen? Das ganze dient einem ersten Prototypen. Das die Verstärkung in Kombination mit dem auslesen per Arduino nicht die genaueste Variante ist habe ich auch schon herausgefunden. TI hat MC die mit solch kleinen Spannungen arbeiten können und darüber hinaus auch mit besseren A/D Wandlern (>10 Bit). Allerdings kenne ich mich mit diesen zu wenig aus, als dass ich sie für meine aktuelle Arbeit verwenden kann. Die Messung mit Shunt ist auch nicht der einzige Aufbau den ich durchführe. Ich habe eine weitere Messung mit der ASC-Reihe von Allegro Microsystems (Hall-Sensoren) dort hat alles wunderbar geklappt. Es ist jedoch ausdrücklich gewünscht eine weitere Messung mit einem Shunt durchzuführen. Ach Du grüne Neune schrieb: > Nenne uns doch bitte mal deinen max. Strom! Der Maximal zu messende Strom liegt bei etwa 300A DC. Helmut S. schrieb: > An welcher Spannung hängt der Stromsensorwiderstand? Aktuell an keiner, da ich momentan noch im Labor teste nutze ich lediglich die Stromquellen um einen genügend hohen Strom zu treiben. Gruß DomeF
Dome F. schrieb: > Helmut S. schrieb: >> An welcher Spannung hängt der Stromsensorwiderstand? > > Aktuell an keiner, da ich momentan noch im Labor teste nutze ich > lediglich die Stromquellen um einen genügend hohen Strom zu treiben. Die Frage von Helmut bezieht sich darauf, wie die Messung erfolgen soll/muß: Shunt LowSide (auf GND referenziert), oder HighSide (auf + referenziert). Und falls HighSide, wie hoch diese Spannung ist oder sein kann - je höher, desto pot. problematischer, weil man mit irgend einer Schaltung wieder GND Bezug herstellen wollen wird ... für Deine Messung am ADC. Das meinte Helmut mit "... hängt ...".
cvbnm schrieb: > Dome F. schrieb: >> Helmut S. schrieb: >>> An welcher Spannung hängt der Stromsensorwiderstand? >> >> Aktuell an keiner, da ich momentan noch im Labor teste nutze ich >> lediglich die Stromquellen um einen genügend hohen Strom zu treiben. > > Die Frage von Helmut bezieht sich darauf, wie die Messung erfolgen > soll/muß: > > Shunt LowSide (auf GND referenziert), oder HighSide (auf + > referenziert). > > Und falls HighSide, wie hoch diese Spannung ist oder sein kann - je > höher, desto pot. problematischer, weil man mit irgend einer Schaltung > wieder GND Bezug herstellen wollen wird ... für Deine Messung am ADC. > > Das meinte Helmut mit "... hängt ...". Danke cvbnm für deine genaue Erklärung. Man braucht über die Messchaltung keinen Gedanken verschwenden solange man nicht weiß auf welchem Potential der Stromsensewiderstand liegt und welche Bandbreite gefordert wird.
Der Shunt wird auf GND referenziert. Low Side
Dome F. schrieb: > Der Shunt wird auf GND referenziert. Low Side Das macht die Sache ja schon mal viel einfacher. Bei 300A wird da auf jeden Fall ein Sensewiderstand mit 4 Anschlüssen benötigt. Für die Auswertung wird dann ein Differenzverstärker benötigt.
Helmut S. schrieb: > Bei 300A wird da auf > jeden Fall ein Sensewiderstand mit 4 Anschlüssen benötigt. Für die > Auswertung wird dann ein Differenzverstärker benötigt. So ist es. Da kann man nicht mehr auf Masse referenzieren, da man sonst einen ordentlichen Fehler über den Masseanschluss des Shunts bekommt. Stichwort: "4-Leitermessung" ist hier obligatorisch wenn man mit einem Shunt im Millivoltbereich messen will.
Unabhängig vom Shunt, seine Schaltung funktioniert ja überhaupt nicht. Da muß noch ein grober Fehler drinn sein, daß müste erst mal geklärt werden. Helmut S. schrieb: >allerdings erhalte ich lediglich die Versorgungsspannung am >Ausgang. Den OP interessiert es kein bisschen was ich mit den Eingaengen >mache.
Ergänzend hier noch meine Schaltung. Am rechten Widerstand wird die Eingangsspannung angeschlossen (Rin im Datenblatt). Das obere grüne Kabel rechts ist mein GND Niveau(bzw. VPS-). Das orangene Kabel auf der linken Seite ist der Abgriff für die ausgangsseitige Spannungsmessung. Das mittige rote Kabel ist die Rückkopplung auf den invertierenden Eingang (zwischen den beiden Widerständen links). Das gründe Kabel links verwende ich für die Spannungsversorgung (5V). Ist gut möglich das ich hier einen Denkfehler drin habe. Korrigiert mich bitte wenn ich falsch liege. Gruß DomeF
Dome F. schrieb: > Der Maximal zu messende Strom liegt bei etwa 300A DC. Heftig. Hast Du schon einen Shunt dafür?
Dome F. schrieb: > Ist gut möglich das ich hier einen Denkfehler drin habe. Ja, Du verwendest ein Steckbrett. Nimm ne ordentlich verlötete Lochrasterplatte (keine Streifenplatine).
M.A. S. schrieb: > Heftig. Hast Du schon einen Shunt dafür? Ja ich verwende einen Shunt von Murata, daher ist mein Ausgangssignal auch so gering. Habe zum testen einmal den 100A/100mV Shunt und für die eigentlichen Messungen den 800A/50mV. Datenblatt im Anhang.
Harald W. schrieb: > Ja, Du verwendest ein Steckbrett. Nimm ne ordentlich > verlötete Lochrasterplatte (keine Streifenplatine). Das wird aber wohl hier nicht das Problem sein. Es sei denn, die 300A werden über das Steckbrett geführt, was ich nicht glauben mag. Auch über eine Lochrasterplatine würde ich diese nicht laufen lassen.
Dome F. schrieb: > Ja ich verwende einen Shunt von Murata, daher ist mein Ausgangssignal > auch so gering. Vielen Dank für die Info, sehr interessant. Die Ausgangsspannung sollte auch sehr gering sein, denn selbst dann wird noch ganz schön viel Leistung im Shunt verbraten.
Helmut S. schrieb: > Bei 300A wird da auf > jeden Fall ein Sensewiderstand mit 4 Anschlüssen benötigt. Für die > Auswertung wird dann ein Differenzverstärker benötigt. Das ist auf jeden Fall richtig. Es gibt speziell für solche Anwendungen Bausteine, zu finden unter Bezeichnungen wie 'current shunt monitor', 'current sense amplifier'... Ein Beispiel ist der INA199, den es mit drei verschiedenen Verstärkungsfaktoren gibt.
Günter Lenz schrieb: > Unabhängig vom Shunt, seine Schaltung funktioniert ja > überhaupt nicht. Da muß noch ein grober Fehler drinn sein, > daß müste erst mal geklärt werden. > > Helmut S. schrieb: >>allerdings erhalte ich lediglich die Versorgungsspannung am >>Ausgang. Den OP interessiert es kein bisschen was ich mit den Eingaengen >>mache. @Günter Lenz Warum zitierts du mich hier mit Text der nicht von mir ist? Dieser Text war von Dome F..
@Helmut S. Entschuldigung, war ein Versehen. Richtig, der Text war von Dome F.
Günter Lenz schrieb: > seine Schaltung funktioniert ja > überhaupt nicht. Da muß noch ein grober Fehler drinn sein, > daß müste erst mal geklärt werden. Das war in den ersten beiden Beiträgen schon geklärt.
@Alle wenn es auch kleinlich klingt, gilt unabhängig vom Einfluss auf den Messfehler rein rechnerisch Folgendes: 1. Für den nichtinvertierenden OV gilt: V=Uout/Uin=R1/R2+1 Damit sollte der Gegenkopplungswiderstand (R1) 329 kOhm betragen, wenn der Widerstand nach Masse (R2) 1 kOhm beträgt. 2. Um die Offsetströme zu kompensieren, sollte in Reihe zum nichtinvertierenden Eingang R1||R2 geschaltet werden, damit beide Eingänge die gleiche Impedanz sehen.
Auf eBay gibt es fertige Platinchen mit AD620. Die benötigen zwar auch eine duale Spannungsversorgung, sollten aber ansonst fast Plug and Play sein. Nur noch Verstärkung einstellen. Fertig.
Dome F. schrieb: > Ergänzend hier noch meine Schaltung. Das ist keine Schaltung, sondern ein schlechtes Foto vom Steckbrettaufbau. Man kann darauf weder erkennen, wo Pin1 des OPV ist, noch sind die Farbringe der Widerstände eindeutig. Also bitte einen Schaltplan mit Werten der Bauelemente zeichnen. > Ist gut möglich das ich hier einen Denkfehler drin habe. Wie schon angesprochen, kann die Schaltung mit Singlesupply nicht funktionieren. VCC- eines OPV ist NICHT gleich Masse! Außerdem hängt der nichtinvertierende Eingang in der Luft, weil der daran angeschlossene Widerstand im Nirvana endet. Schau dir die Grundlagen von OPV Schaltungen an: https://www.elektronik-kompendium.de/sites/bau/0209092.htm
Icke ®. schrieb: > Das ist keine Schaltung, sondern ein schlechtes Foto vom > Steckbrettaufbau. Man kann darauf weder erkennen, wo Pin1 des OPV ist, > noch sind die Farbringe der Widerstände eindeutig. Also bitte einen > Schaltplan mit Werten der Bauelemente zeichnen. PIN 1 befindet sich vom Bild aus gesehen rechts unten, entsprechend ist PIN 4 oben rechts und PIN 8 unten links. Icke ®. schrieb: > Außerdem hängt der > nichtinvertierende Eingang in der Luft, weil der daran angeschlossene > Widerstand im Nirvana endet. Da ich zu der zeit nicht im Labor war konnte ich nur das Steckbrett ohne Quellen und Shunt fotografieren. Ich lasse den nichtinvertierenden Eingang nicht in der Luft hängen, sondern wie im Bild. Sorry musste den plan kurzer Hand mit paint zeichnen hatte grade nichts besseres.
Dome F. schrieb: > Sorry musste den plan kurzer Hand mit paint zeichnen hatte grade nichts > besseres. Eine - nicht zu schludrige - Handskizze mit Bleistift auf Papier, abfotografiert oder gescannt, hätte es auch getan. Für's nächste Mal: Der beste Platz dafür wäre der Eröffnungspost. ;)
Jetzt kommt es nur noch drauf an, mit welchem Punkt der Schaltung der Bezug von Vcc verbunden ist.
Sag mal, bist du wirklich ein Student der Elektrotechnik? Als solcher solltest du doch langsam kapiert haben daß dein Schaltplan so nicht funktioniert, vor allem nicht mit dem gewählten OP. Warum wurde dir mehrfach gesagt, inclusive genaue Kapitelangabe in dem von dir selbst angehängtem Datenblatt.
Der Andere schrieb: > Als solcher solltest du doch langsam kapiert haben daß dein Schaltplan > so nicht funktioniert, vor allem nicht mit dem gewählten OP. Natürlich habe ich kapiert dass er so nicht funktioniert,sonst hätte ich wohl den Beitrag nicht eröffnet ;) Dennoch haben viele nach meiner Schaltung gefragt also habe ich sie nachgeliefert. Ich habe das ganze auch schon mit einer dual Supply ausprobiert und auch da gabs keine sinnvollen Ergebnisse.
Dome F. schrieb: > Ich habe das ganze auch schon mit einer dual Supply > ausprobiert und auch da gabs keine sinnvollen Ergebnisse. Unabhängig von der allgemeinen Tauglichkeit der Schaltung fallen zwei Dinge auf: 1) Auch (viele, die meisten? dieser hier auf jeden Fall!) Differenzverstärker benötigen einen GND-Bezug. In dem von Dir geposteten Schaltplan ist GND (<=> Vss ) nicht mit dem Stromkreis verbunden, in dem Du misst. 2) Der Schaltung nach scheint Pin 2 des ICs der invertierende Eingang zu sein, richtig? Das heißt, dass Du bei der am Shunt eingetragenen Stromrichtung einen invertierenden Verstärker hast. Hast Du dies bedacht?
M.A. S. schrieb: > Auch (viele, die meisten? dieser hier auf jeden Fall!) > Differenzverstärker benötigen einen GND-Bezug. In dem von Dir geposteten > Schaltplan ist GND (<=> Vss ) nicht mit dem Stromkreis verbunden, in dem > Du misst. Das GND Niveau hatte ich an den invertierenden Eingang angeschlossen. Habe die Zeichnung erweitert.
Dome F. schrieb: > Das GND Niveau hatte ich an den invertierenden Eingang angeschlossen. Soll dann der Laststrom über diesen Anschluss deines 4-Draht Shunts auf GND abfließen? Oder fließt der auf den obersten Anschluss deines Shunts und der oberste Anschluss des Shunts liegt tatsächlich ein paar mV unterhalb von GND? (Der Laststrom wird an der Kontaktierung des Shunts und auf der Leiterbahn einen entsprechenden Spannungsabfall verursachen). Dass "Vcc-" und GND bei deinem OPV nicht zusammengelegt werden dürfen wurde ja schon oft genug geschrieben. Du selbst hattest auch schon mal angedeutet, dass "Vcc-" mehr als 2V unter GND liegt. Dome F. schrieb: >> Mit dem Op brauchst du also eine Versorgung von < -2V und > 7V um von >> 0-5V zu messen. > > Habe ich, leider jedoch keine Ergebnisse. Dome F. schrieb: > Ich habe das ganze auch schon mit einer dual Supply > ausprobiert und auch da gabs keine sinnvollen Ergebnisse. Also: entscheide dich, ob du den OPV gegen einen passenden R2R tauschen willst oder ob du eine negative Versorgung spendierst. Single supply mit Messung in GND-Nähe und OP07 funktioniert jedenfalls nicht.
Ich würde es entweder soo machen, oder einen LM358 in Dualsupply einsetzen, wobei der erste OPV eine Verstärkung von 33 hat und der nachgeschaltete OPV eine Verstärkung von 10. Das ergibt auch eine Gesamtverstärkung von 330, aber etwas temperaturstabiler.
Achim S. schrieb: > Soll dann der Laststrom über diesen Anschluss deines 4-Draht Shunts auf > GND abfließen? Der Shunt hat einen Widerstand von 0,1mOhm (in Worten: null-komma-ein-MILLI-Ohm). Da fließt nix (fast nix) am Shunt vorbei in die Schaltung!!! (Immer vernünftigerweise Vorausgesetzt, dass nicht die +Vcc den Riesenstrom von 300A durch den Shunt treibt, sondern eine externe Quelle.
Beitrag #5531547 wurde von einem Moderator gelöscht.
Hallo Dome F., um ein erstes Ergebnis zu erhalten, empfehle ich Dir den Aufbau siehe Bild. Verwende zunächst 2 Betriebsspannungsquellen, zum Beispiel zwei 9 V-Batterien. Schließe am Ausgang ein Voltmeter an. Ohne dass zunächst ein Messstrom durch den Shunt fließt, wird sich eine Ausgangsspannung von etwa 0 V einstellen. Die Abweichung von 0 V ist bei der hohen Verstärkung (331-fach!) durch Offsetströme zu erklären und kann später kompensiert werden. Lass nun einen Strom durch den Shunt fließen, der am Shunt +10 mV erzeugt, das kontrollierst Du mit dem Voltmeter. Achte dabei auf die Polarität (siehe Bild). Dadurch wird sich am Ausgang jetzt eine Spannung von +3,3 V einstellen. Wenn Du zum Test die Stromrichtung am Eingang umkehrst, stellt sich am Ausgang -3,3 V ein, was aber Arduino evtl. nicht vertragen würde. Das muss als Erstes funktionieren, erst dann solltest Du die Schaltung nach den Anforderungen weiter verfeinern (einzelne Betriebsspannung, Offsetkompensation, Schutzbeschaltung,...). Viel Erfolg!
M.A. S. schrieb im Beitrag #5531547: > Wenn nicht: vertausche die beiden Anschlüsse am Shunt. Nein, sein Laststrom ist von "unten nach oben" eingezeichnet. Ich musste auch zweimal schauen, aber wenn die Pfeilrichtung die technische Stromrichtung meint stimmt es. und wenn die Versorgung des Messteils galvanisch getrennt ist dann sollte auch die 4Lieter Messung so funktionieren. Es beiben: unpassender OP oder entsprechende symmetrische Versorgung mit ausreichender Spannung Die sehr hohe Verstärkung mit ihren entsprechenden Nachteilen Ach Du grüne Neune schrieb: > oder einen LM358 in Dualsupply einsetzen mit 3mV Offsetfehler? Dann hat er nach der Verstärkung schon mal bis zu 1V Fehler. Das nenn ich nicht mal mehr schätzen.
Der Andere schrieb: > M.A. S. schrieb im Beitrag #5531547: >> Wenn nicht: vertausche die beiden Anschlüsse am Shunt. > > Nein, sein Laststrom ist von "unten nach oben" eingezeichnet. ... Ja, habe ich auch inzwische bemerkt und meine unqualifizierte Bemerkung deshalb wieder gelöscht. Trotzdem Danke für den Hinweis. :)
M.A. S. schrieb: > a, habe ich auch inzwische bemerkt und meine unqualifizierte Bemerkung > deshalb wieder gelöscht. Ja sorry, habe ich nach dem Posten dann auch gesehen :-)
M.A. S. schrieb: > Der Shunt hat einen Widerstand von 0,1mOhm (in Worten: > null-komma-ein-MILLI-Ohm). Da fließt nix (fast nix) am Shunt vorbei in > die Schaltung!!! Das ist mir bewusst. Und der Shunt hat jeweils einen Sense-Anschluss (über den kein Strom fließen soll) und einen Force-Anschluss (über den der Strom möglichst vollständig fließen soll). Wenn der Laststromkreis einen Massebezug hat (d.h. wenn z.B. der Strom am oberen Force-Anschluss des Shunts nach Masse abfließt), dann kann man nicht einfach mal so eben Masse auch an den weiteren Senseanschluss des Shunts legen. Damit schließt man Force und Senseanschluss kurz und hebelt die Vierdrahtmessung aus. Dann misst man nicht mehr den Spannungsabfall am definierten 0,1mOhm Shuntwiderstand sondern man misst an einer Reihenschaltung aus Shuntwiderstand und Kontaktwiderstand und Leitungswiderstand. Und bekommt nur noch Zufallsergebnisse. Ich hätte meinen Kommentar auch anders formulieren können: ist der Laststromkreis bezogen auf die Verstärkerschaltung floatend? Dann darf man tatsächlich jede beliebige Stelle des Laststromkreises auf die Masse des Verstärkers schalten - z.B. den oberen Senseanschluss - und alles funktioniert. Wenn diese Bedingung aber nicht erfüllt ist (weil Laststromkreis und Verstärkerschaltung schon von Haus aus einen bestimmten Massebezug zueinander haben), dann funktioniert das natürlich nicht.
WR schrieb: > Hallo Dome F., > um ein erstes Ergebnis zu erhalten, empfehle ich Dir den Aufbau siehe > Bild. Verwende zunächst 2 Betriebsspannungsquellen, zum Beispiel zwei 9 > V-Batterien. > Schließe am Ausgang ein Voltmeter an. Ohne dass zunächst ein Messstrom > durch den Shunt fließt, wird sich eine Ausgangsspannung von etwa 0 V > einstellen. Die Abweichung von 0 V ist bei der hohen Verstärkung > (331-fach!) durch Offsetströme zu erklären und kann später kompensiert > werden. > > Lass nun einen Strom durch den Shunt fließen, der am Shunt +10 mV > erzeugt, das kontrollierst Du mit dem Voltmeter. Achte dabei auf die > Polarität (siehe Bild). Dadurch wird sich am Ausgang jetzt eine Spannung > von +3,3 V einstellen. > Wenn Du zum Test die Stromrichtung am Eingang umkehrst, stellt sich am > Ausgang -3,3 V ein, was aber Arduino evtl. nicht vertragen würde. > > Das muss als Erstes funktionieren, erst dann solltest Du die Schaltung > nach den Anforderungen weiter verfeinern (einzelne Betriebsspannung, > Offsetkompensation, Schutzbeschaltung,...). > Viel Erfolg! vielen Dank! habe das Problem bei meiner Schaltung entdeckt dank deiner Hilfe! Funktioniert nun so wie es soll.
Dome F. schrieb: > habe das Problem bei meiner Schaltung entdeckt dank deiner Hilfe! > > Funktioniert nun so wie es soll. Das freut uns, zu lesen. Verräts Du uns freundlicher Weise, wie Deine Schaltung jetzt aussieht (bzw. welches Problem genau Du entdeckt hast)!?
M.A. S. schrieb: > Das freut uns, zu lesen. Verräts Du uns freundlicher Weise, wie Deine > Schaltung jetzt aussieht (bzw. welches Problem genau Du entdeckt hast)!? Ich hatte einen Denkfehler bezüglich der GND Problematik, daher gab es kein einheitliches Bezugspotenzial für meine Messung. Ich hatte praktisch den GND am Knotenpunkt vor dem invertierenden Eingang(siehe Bild), statt dass er links vom Widerstand liegt. Dadurch hab ich mir meinen R1 rausgekickt. Habe mir das richtig aufgezeichnet und simuliert, nur falsch auf dem Steckbrett zusammengefügt.. Gruß Dome
Dome F. schrieb: > Habe mir das richtig aufgezeichnet und simuliert, nur falsch auf dem > Steckbrett zusammengefügt.. :D Gefühlte 95% aller Fehler, die einem in der Praxis unterkommen, sind von genau dieser Natur. ;) Danke für die Rückmeldung!
Dome F. schrieb: > Habe mir das richtig aufgezeichnet und simuliert, nur falsch auf dem > Steckbrett zusammengefügt.. Hättest du oben ein gutes Foto deines Aufbaus gepostet, dann hätte das zu 90% jemand gesehen. Aber so hast zu zumindest Erfahrung in der Fehlersuche bei Steckbrettaufbau gesammelt. :-)
M.A. S. schrieb: > Gefühlte 95% aller Fehler, die einem in der Praxis unterkommen, sind von > genau dieser Natur Man kann sich ja nach folgender Checkliste richten: X die aktuellen physikalischen Gesetze sind falsch X mein Aufbau ist fehlerhaft Man sollte sich nur nicht allzulange mit Punkt 1 beschäftigen. Georg
georg schrieb: > X die aktuellen physikalischen Gesetze sind falsch > :) > > Man sollte sich nur nicht allzulange mit Punkt 1 beschäftigen. > Versuch das mal, Kurt klar zumachen! :D
Ich bedanke mich nochmal bei euch allen für eure Hilfe! Der Andere schrieb: > Aber so hast zu zumindest Erfahrung in der > Fehlersuche bei Steckbrettaufbau gesammelt. Ja die habe ich mit Sicherheit erhalten :D
Bitte melde dich an um einen Beitrag zu schreiben. Anmeldung ist kostenlos und dauert nur eine Minute.
Bestehender Account
Schon ein Account bei Google/GoogleMail? Keine Anmeldung erforderlich!
Mit Google-Account einloggen
Mit Google-Account einloggen
Noch kein Account? Hier anmelden.






