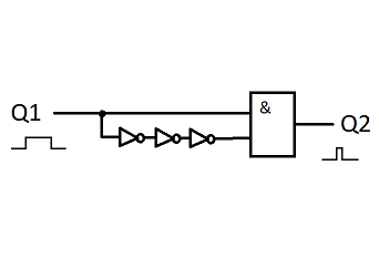
Hallo, kann mir jemand sagen ob diese Schaltung funktioniert ? Ich habe es mit LTSpice zu simulieren versucht aber ohne Erfolg, da die digitale Library fehlte. Es soll aus einem langen Puls ein Puls der Länge von 3 Inverter-Laufzeiten gebildet werden, und zwar immer bei der aufsteigenden Flanke des Eingangspulses.
> da die digitale Library fehlte. Putzig - die gehört zum Standardrepertoire von LTSpice. Poste bitte deine ASC-Datei. > Es soll aus einem langen Puls ein Puls der Länge von 3 > Inverter-Laufzeiten gebildet werden, und zwar immer bei der > aufsteigenden Flanke des Eingangspulses. Nimm deine Zeichnung und gehe Schritt für Schritt durch deine Gatter, dann kommst du von ganz allein auf das Ergebnis. Die Laufzeiten durch ein Gatter setze einfach auf bequeme 10 ns.
Prima, danke! Weiss jemand wie man aus so einem 3-Gatterlaufzeiten-Puls einen Puls mit der Länge von 7 Laufzeiten erzeugt ? Mir ist gerade ein dicker Fehler in meiner Schaltung aufgefallen!
Hat nichts mit dieser Schaltung zu tun, der Ausgangspuls muss 3 lang sein, und ich muss parallel etwas 7 lang auslösen.
Sepp schrieb: > Weiss jemand wie man aus so einem 3-Gatterlaufzeiten-Puls einen Puls mit > der Länge von 7 Laufzeiten erzeugt ? Man nimmt 7 Gatter :-) Du kannst aber auch nur einen Inverter nehmen (oder drei, fünf, etc.), wenn es ein Schmitt-Trigger ist (z.B. 74xx14) und ein RC-Glied vor- oder dazwischen schalten.
7 Laufzeiten. Wenn du es real bauen willst, die Gatter mit Schmitttrigger haben längere Laufzeiten.
Es sollte möglichst digital bleiben, also ohne Kondensator und so. Wie soll ich 7 Gatter nehmen wenn der ansteuernde Puls nur 3 Laufzeiten aktiv ist ?
Sepp schrieb: > Wie soll ich 7 Gatter nehmen wenn der ansteuernde Puls nur 3 Laufzeiten > aktiv ist ? Ich dachte daran, dass die zweite Schaltung mit den 7 Laufzeiten eingangsseitig parallel zur ersten Schaltung mit den 3 Laufzeiten geschaltet wird? Ansonsten könnte man hinter der Schaltung mit den 3 Laufzeiten ein Monoflop schalten, aber ob das für so kurze Verzögerungen funktioniert...? Außerdem enthalten Monoflöppse auch wieder Kondensatoren für die Zeitverzögerung.
Sepp schrieb: > Es sollte möglichst digital bleiben, also ohne Kondensator und so. Dann wirst du kein Glück haben. Ideale digitale Gatter würden nämlich schlicht nicht in deinem Sinne funktionieren. Das tun sie nur, weil sie eben doch ein wenig analog sind, weil sie nämlich u.a. ungewollte (parasitäre) Kondensatoren enthalten, die für den Hauptteil der Gatterlaufzeit verantwortlich sind. Dazu kommen dann noch Halbleiter-Effekte, denen der Rest anzulasten ist.
Wie geschrieben: 7414 hat größere Laufzeit als 7404. Wenn du es genau brauchst. Es gibt Delay-Lines.
Ach Du grüne Neune schrieb: > Ich dachte daran, dass die zweite Schaltung mit den 7 Laufzeiten > eingangsseitig parallel zur ersten Schaltung mit den 3 Laufzeiten > geschaltet wird? Genau das ist mir gerade auch eingefallen! Ich mache parallel einen 7er Puls aus dem langen Puls. Hab Dank!
PS: wie verlässlich sind 74hc-Laufzeiten ? Überall steht sowas wie "typisch 8ns" drin...
Sepp schrieb: > PS: wie verlässlich sind 74hc-Laufzeiten ? Überall steht sowas wie > "typisch 8ns" drin... Naja, nur wenn du die Teile aussuchst und bei weitgehend konstanter Temperatur betreibst. Schau mal ins Datenblatt, da stehen auch die min und max Werte drin. Also: Massenfertigung und genaue Zeiten wird nicht gehen. Da sind RC-Glieder besser. Oder synchrone Systeme, aber bei 10ns brauchst du schon mal 100MHz Takt ...
>PS: wie verlässlich sind 74hc-Laufzeiten ? Überall steht sowas wie >"typisch 8ns" drin... Naja, von x bis y halt. Wenn du eine exakte Zeit benötigst kannst du das vergessen. Das hängt auch noch von Temperatur und Höhe der Spannungsversorgung des Chips ab. Was soll das eigentlich werden?
Kann ich wenigstens davon ausgehen dass 7 Gatterlaufzeiten länger dauern als 3 Gatterlaufzeiten ? Wenn das bei 5V wirklich stark schwanken kann dann gibt es möglicherweise ein Problem. Es muss ein Adress-Multiplexer gesteuert werden solange der 3er Puls aktiv ist.
Delay-Line. Gibt es genau und mit div. Mehrfachtaps z.B. von Maxim
Du kannst auch 4 Inverter hinter die 3 schalten dann bist du sicher.
Bitte melde dich an um einen Beitrag zu schreiben. Anmeldung ist kostenlos und dauert nur eine Minute.
Bestehender Account
Schon ein Account bei Google/GoogleMail? Keine Anmeldung erforderlich!
Mit Google-Account einloggen
Mit Google-Account einloggen
Noch kein Account? Hier anmelden.

