Guten Abend ins Forum, habe wieder mal ein Problem mit Halbleitern, und mir will sich nicht erklären wofür ich in einem 230V~ SNT einen solchen Mords- spannungsfesten Typen brauche, mit 900V sind das mehr als das Doppelte! Gerade weil es diesen Typen auch so zahlreich und günstig gibt, oder habt ihr bitte mal eine Erklärung oder besser einen Vergleichstypen den man leichter und preisgünstiger bekommt. Dann noch dieses spez. Gehäuse FP, mit der Onlinesuche nur nach dem allgemeinen Daten > N Channel 900 V 4 Ohm 3,5 A PowerMesh MOSFET TO 220 FP landet man dann wieder genau bei diesem Exoten-Typ. Da sollten doch schon 600 V völlig ausreichen? Danke für eure Ratschläge und Hilfe.
Danke dir Hinz, und wie kommst du gerade auf Sperr-Wandler? Sorry für die sicher sau doofe Frage, aber SNT-Topologien sind nicht so mein Gebiet.
Jemand schrieb: > wie kommst du gerade auf Sperr-Wandler? Weil die kleineren Netzteile allesamt Sperrwandler sind.
hinz schrieb: > Weil die kleineren Netzteile allesamt Sperrwandler sind. Als wenn ich es geahnt hätte! Danke
hinz schrieb: > Weil die kleineren Netzteile allesamt Sperrwandler sind. Ja, denke ich auch. Es gäbe noch eine Möglichkeit: Sperrspannung >650V (mit PFC >800-850V) wäre nötig für Gegentaktwandler mit Parallelspeisung. Zwischenkreis ohne PFC 325V (mit PFC normalerweise zw. ca. 375V und 420V, meist 400V) - bei diesem Prinzip (auch manchmal engl. Push-Pull genannt) hat der Trafo zwei Primärwicklungen bzw. eine Mittenanzapfung, um beiden Schaltern eine GND Referenzierung zu ermöglichen. Seit sich erst GDTs und später spannungsfeste Gate-Treiber (meist Bootstrap) durchsetzten, kamen Halb- und Vollbrücke stärker zum Zug. Parallelspeisung wird weit seltener angewandt, auch weil der Trafo schlecht ausgelastet werden kann damit. Dazu müßte Dein Netzteil also einigermaßen alt oder außergewöhnlich sein, relativ hohe Leistung haben + vielleicht trotzdem keine PFC. Gegen solche Spekulationen hilft übrigens, in der Eingangsfrage auch solche Dinge wie die Leistungsklasse anzugeben... ;-) https://www.mouser.de/Semiconductors/Discrete-Semiconductors/Transistors/MOSFET/_/N-ax1sf?P=1z0z63xZ1z0xn56Z1yw767oZ1yw740iZ1yw76euZ1yw76btZ1yw78f0Z1yw75t6Z1yw7683Z1yw78hfZ1yw76g5&Rl=ax1sfZgjdhp3Z1yw75esZ1yw74fbSGgjdhozZ1yw78jaZ1yvixgtSGgjdhp1Z1y9eg3xZ1yw8plbSGT&Ns=Pricing|0 Hier findest Du einige FETs mit >= 900V - >= 3,5A im TO220FP, habe auch darauf geachtet, daß die Gate-Ladung <= 22nC (STP3...) ist. Du kannst prinzipiell jeden davon verwenden, mußt sie natürlich nicht zwingend bei Mouser kaufen... daß modernere FETs mit gleicher Gateladung (oder gar weniger) heute weit niedrigere R_on Wetrte haben, schadet Dir bei einem SNT sicher auch nicht. Ich würde an Deiner Stelle sogar eher zu einem mit besonders niedrigem R_on tendieren, denn die mit dem höheren Einschaltwiderstand haben so niedrige Gate-Ladung, daß die schnellen Schaltvorgänge vielleicht sogar den Störpegel stark erhöhen. Aber der niedrigere R_on verbessert nur die Effizienz. Daß der Schalter dann evtl. weit höheren Dauerstrom vertrüge, könnte ja vielleicht zukünftig für einen sehr späten weiteren Ausfall sorgen. Also summa summarum: Ich würde nicht den hochohmigsten modernen FET wählen, der die Werte des Originals grade einhält,sondern gucken, nicht zu niedrige Q_g zu erwischen. Ob ich damit richtig liege, erfährst Du von anderen Usern (ist es falsch, kommt sicher ein Widerspruch).
Jemand schrieb: > Da sollten doch schon 600 V völlig ausreichen? Wenn da im Original ein 900V-Typ verbaut ist, solltest Du schon dabei bleiben. Auch wenn wahrscheinlich ein 800V-Typ ausreichend wäre. Hasta la Pasta schrieb: > sondern gucken, nicht zu niedrige Q_g zu Die Gate-Ladung vom Ersatztyp darf ruhig niedriger sein. Die Spannungsanstiegsgeschwindigkeit am Drain wird hauptsächlich durch den Übertrager und die Snubberschaltung bestimmt.
Das hängt vom Wandlertyp ab. Der Transistor muss die Spannung sperren kommen, die nach dem Abschalten aus dem Trafo kommt. Je nach Schaltung ist das eine ganze Menge, beim Sperrwandler z.B. liegt die Trafowicklung im Sperrzustand in Reihe mit der Eingangsspannung. Bei mittelpunktgespeisten Gegentaktwandlern (an 230V eher untypisch) bekommt ein Transistor die doppelte Eingangsspannung ab wenn der entgegengesetzte Zweig einschaltet. Bei Halb- und Vollbrückenwandlern sollten 600V-Typen an 230V ausreichen.
Guten Morgen und danke für die Tips + Hinweise und den Link. Auf der Netzseite des Trafos liegen noch dazu 3x R´s mit jeweils ca. 5 Watt Belastbarkeit parallel mit gesamt 330 Ohm und einem 220 pF Kerko in Reihe zu dem Transmann und der Netzwicklung. An einen Snubber ist dabei wohl eher nicht zu denken, der liegt doch eher nicht direkt im Lastzweig? Also ist genau der Typ von Mosfet mindestens das Maß der Dinge für einen Ersatztypen was die U-Festigkeit betrifft? Bzgl. 600-V-Typen auf Halb- und Voll-Brückenwandlern, von einer Brücke ist da in dem NT nichts zu sehen, das Teil hat zwar mehr als eine Wicklung (genau 2) auf der Netzeseite, aber die Leistung läuft so wie ich das sehe nur über die eine. Es ist auch nur ein Schalt-Tr. netzseitig drin und von einer Leistungsklasse ist auf dem Typenschild auch nichts lesbar. Da muß mann dann alle 4 U-Schienen zusammen Addieren und hat die P-Verlust noch nicht mit drin! Das wäre dann in Summe nicht mal 50 Watt? Also ein eher kleines "Spielzeug" mit großer Wirkung.
Jemand schrieb: > Bzgl. 600-V-Typen auf Halb- und Voll-Brückenwandlern, von einer Brücke > ist da in dem NT nichts zu sehen, das Teil hat zwar mehr als eine > Wicklung (genau 2) auf der Netzeseite, aber die Leistung läuft so wie > ich das sehe nur über die eine. > Es ist auch nur ein Schalt-Tr. netzseitig drin und von einer > Leistungsklasse ist auf dem Typenschild auch nichts lesbar. Da muß mann > dann alle 4 U-Schienen zusammen Addieren und hat die P-Verlust noch > nicht mit drin! > Das wäre dann in Summe nicht mal 50 Watt Definitiv Sperrwandler. der schreckliche Sven schrieb: > Die Spannungsanstiegsgeschwindigkeit am > Drain wird hauptsächlich durch den > Übertrager und die Snubberschaltung bestimmt. Danke dafür, Sven.
Jemand schrieb: > Auf der Netzseite des Trafos liegen noch dazu 3x R´s mit jeweils ca. 5 > Watt Belastbarkeit parallel mit gesamt 330 Ohm und einem 220 pF Kerko in > Reihe zu dem Transmann und der Netzwicklung. In Reihe geht gar nicht. Da hast Du was falsch gesehen.
der schreckliche Sven schrieb: > In Reihe geht gar nicht. > Da hast Du was falsch gesehen. Du meinst das wäre das Kompensations-Glied aka Snubber, muß ich noch mal genau nachsehen, wird aber ganz schön warm, und würde erklären warum das ohne den Keramik-C in der Reihenschaltung auch eine Weile lang lief.
Mach doch mal ein Bild von dem Ding. Normalerweise sind das bei so kleinen Leistungen Sperrwandler. Gelegentlich werden auch Eintakt-Flusswandler verwendet wenns eine besonders kleine Bauform werden soll, ist aber selten. Beim Sperrwandler liegt der Snubber primärseitig gewöhnlich in Serie mit einer Diode nach Plus vom Zwischenkreis. Über die Diode laden die Spitzen den kleinen Kondensator auf und werden dann über den Widerstand abgebaut. Das können aber keine 330 Ohm sein, normal ist irgendwas um die 20..50kOhm. Wenn man den Kondensator zu weit entläd, geht in der Sperrphase auch Leistung aus dem Kern (die man eigentlich gerne auf der Sekundärseite hätte) in den Kondensator und das verringert nur unnötig den Wirkungsgrad.
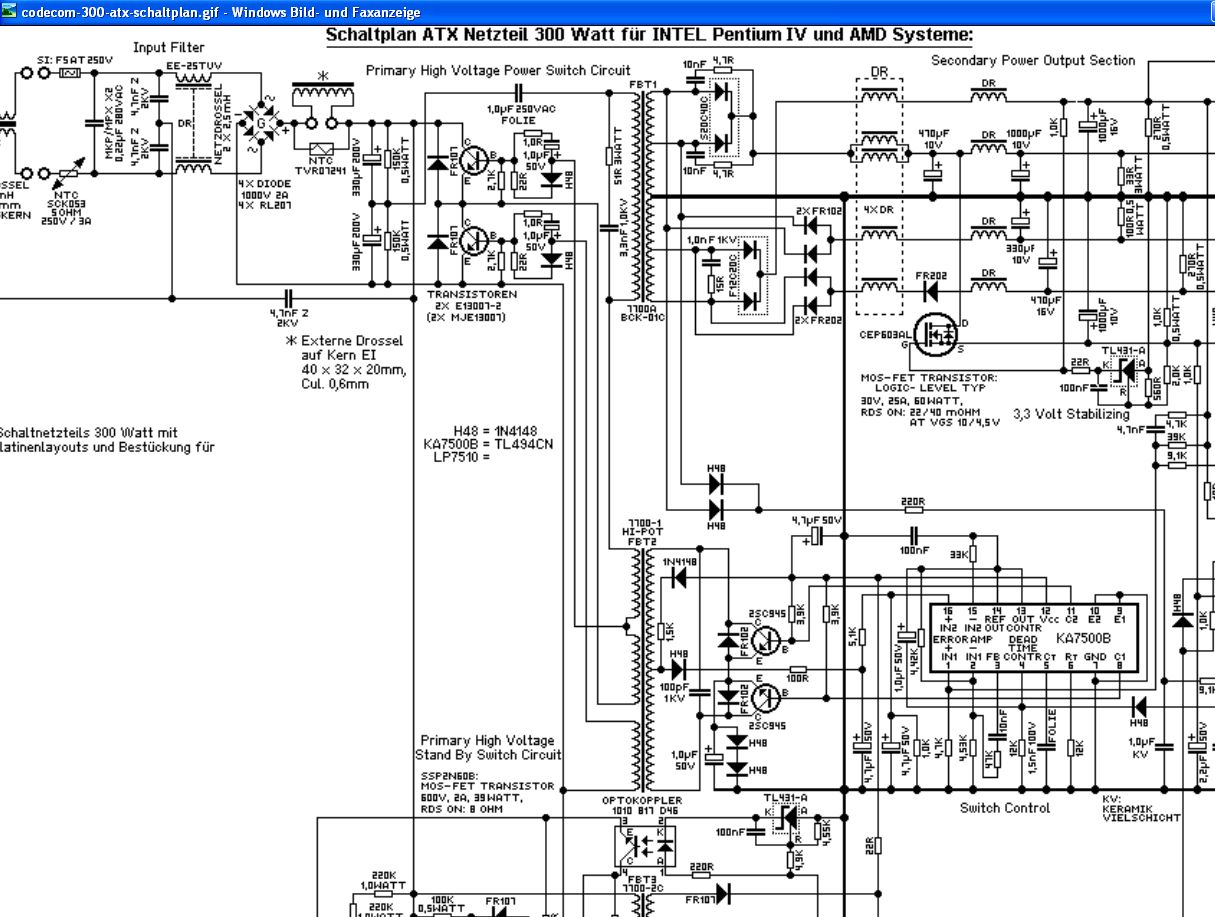
Von dort Beitrag "PC Netzteil Halb oder Vollbrücke?" ist oben an dem FBT1 doch parallel zur Leistungswicklung die Kombi aus R+C der Snubber, oder was wäre das dann für eine Funkton? Mit 51 Ohm und 3,3 nF in etwa ähnlich wie hier in dem SNT. Ben B. schrieb: > Beim Sperrwandler liegt der Snubber primärseitig gewöhnlich in Serie mit > einer Diode nach Plus vom Zwischenkreis. Über die Diode laden die > Spitzen den kleinen Kondensator auf und werden dann über den Widerstand > abgebaut. Das können aber keine 330 Ohm sein, normal ist irgendwas um > die 20..50kOhm. Wenn man den Kondensator zu weit entläd, geht in der > Sperrphase auch Leistung aus dem Kern (die man eigentlich gerne auf der > Sekundärseite hätte) in den Kondensator und das verringert nur unnötig > den Wirkungsgrad. Danke für die Erklärung nur ein Demo-Schaltbild wäre da vllt. hilfreicher?
http://www.joretronik.de/Web_NT_Buch/Kap9/Kapitel9.html RCD Snubber Sperrwandler, Bild 9.1B (+ Beschreibung lesen). Es gibt viele mögliche Treffer bei Suche nach "RCD Snubber Sperrwandler", noch mehr bei "... ... Flyback". Jemand schrieb: > Auf der Netzseite des Trafos liegen noch dazu 3x R´s mit jeweils ca. 5 > Watt Belastbarkeit parallel mit gesamt 330 Ohm und einem 220 pF Kerko in > Reihe zu dem Transmann und der Netzwicklung. Bitte finde heraus, wie das Ganze tatsächlich verschaltet ist - es gibt sehr viele Abwandlungen von Grundtopologien. Doch ca. 15W Rs im Snubber klingen in mehrfacher Hinsicht untragbar.
Ich bin kein guter Schaltplanzeichner, habe kein brauchbares Programm dafür bzw. könnte ich nur auf Umwegen machen. Aber schau doch z.B. mal ins Datenblatt vom FSDM07652R, da ist so ein Aufbau beschrieben. Diesen IC habe ich letztlich auf meiner AlarmSau verwendet. Der Snubber besteht neben der Diode aus einem 1nF 1kV Kondensator und einem 36kOhm Widerstand (auf dem Bild links unter dem Trafo). Die ganze Platine erreicht ohne Akkuladung inklusive dem Optokoppler mit seinem Kondensatornetzteil eine minimale Leistungsaufnahme von 0,7-0,8W (gemessen mit KD-302) an 230V. Da geht also kaum was im Snubber verloren. Auch mit Akkuladung (so daß der Schaltregler aus dem Burst-Mode heraus muss) wird der 36kOhm-Widerstand kaum warm. Bei dem ATX-Netzteil ist das wieder was anderes, da der Trafo in der Halbbrückenschaltung mit Wechselstrom versorgt wird. Der Snubber muß also "in beide Richtungen" funktionieren.
Bitte melde dich an um einen Beitrag zu schreiben. Anmeldung ist kostenlos und dauert nur eine Minute.
Bestehender Account
Schon ein Account bei Google/GoogleMail? Keine Anmeldung erforderlich!
Mit Google-Account einloggen
Mit Google-Account einloggen
Noch kein Account? Hier anmelden.

