Hallo, ich habe auf einer Platine einen Atmel-Chip, den ich per UART über eine USB-Buchse umprogrammieren will. Dort soll einfach ein normales USB-Kabel eingesteckt und mit dem PC verbunden werden. Dafür bräuchte ich dann soweit ich verstanden habe eine USB-to-UART-Bridge (z.B. CP2102N) auf der Platine des Chips, die mit der Buchse auf der einen Seite und RST,RX,TX des Chips auf der anderen Seite verbunden ist. Nun will ich aber dass der Chip über die USB Buchse nicht nur umprogrammiert werden kann, sondern per UART auch mit einem anderen Chip kommunizieren kann, der an die Buchse gehängt wird. Je nach Anwendungsfall wird er also über die Buchse umprogrammiert oder er kommuniziert mit einem anderen Chip. Soweit ich verstanden habe kann ich dafür aber nicht einfach noch so einen IC auf die Seite des 2. Chips setzen, da diese ICs nur dafür ausgelegt sind von USB zu UART zu konvertieren aber nicht noch gleichzeitig andersrum. Was gibt es da für (vor allem kleine, platzsparende) Lösungen? Gruß Daniel
>Was gibt es da für (vor allem kleine, platzsparende) Lösungen?
Einen uC mit ZWEI UARTS.
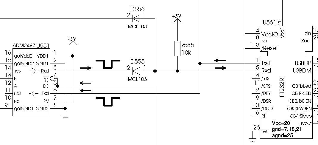
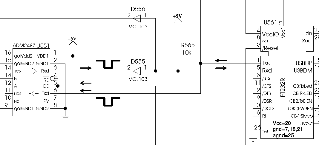
Hallo, > Daniel U. schrieb: > Je nach > Anwendungsfall wird er also über die Buchse umprogrammiert oder er > kommuniziert mit einem anderen Chip. Wenn der USB to UART-IC nicht benutzt wird, kann die UART auch anderweitig kommunizieren. Vom uC senden über Txd geht immer in mehrere Richtungen. Die Rxd-Leitung muß aber umgeschaltet oder entkopplelt werden. Entkoppeln geht am einfachsten über eine Dioden, so wie im Bild mit D555 und D556. Der Pullup-Widerstand R565 ist zwingend notwendig. Der Wert sollte an die max. Baudrate angepasst werden. > Soweit ich verstanden habe kann ich dafür aber nicht einfach noch so > einen IC auf die Seite des 2. Chips setzen, da diese ICs nur dafür > ausgelegt sind von USB zu UART zu konvertieren aber nicht noch > gleichzeitig andersrum. > Was gibt es da für (vor allem kleine, platzsparende) Lösungen? Welche physikalische Schnittstelle du zu den anderen Teilnehmern nutzen willst, ist eine andere Sache. Für kurze Entfernungen geht das auch mit TTL-Pegeln. Für längere Leitungen wäre z.B. RS485 oder RS422 möglich. Gruß Öletronika
Bitte melde dich an um einen Beitrag zu schreiben. Anmeldung ist kostenlos und dauert nur eine Minute.
Bestehender Account
Schon ein Account bei Google/GoogleMail? Keine Anmeldung erforderlich!
Mit Google-Account einloggen
Mit Google-Account einloggen
Noch kein Account? Hier anmelden.
