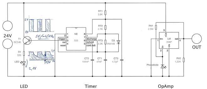
Hallo zusammen, ich möchte für Testzwecke eine geeignete Schaltung bauen, dazu muss ich eine Leuchtdiode ziemlich schnell zum blinken bringen. In den Anhängen ist ein Schaltplan beigefügt. Mit einem NE555-Timer erstelle ich ein Rechteckimpuls-Spannung von ~5V (ähnlich wie im Schaltplan abgebildet). Diese Impulsspannung steuert einen Transistor mit angeschlossener Kollektorschaltung, eine LED. Mein Problem ist jetzt aber, das Spannungssignal am Emitter vom Transistor und damit auf über die LED ist kein richtiges Rechtecksignal mehr (siehe Schaltplan). Es fällt zwar ab und die Diode geht aus, aber es zieht einen "Schwanz" hinter sich her, so das es nicht auf 0V abfällt, sondern beim Minimum immer noch knapp 1.3V anliegen. Gibt es eine Möglichkeit das Signal auf die LED zu einer anständigen Rechteckspannung umzuwandeln? Ich habe auch schon die Vermutung das es sich bei dem "hinterher gezogenen Schwanz" um die Aus-Schaltzeiten des Transistors oder der Diode handelt. Vielleicht könnt ihr mir helfen und Danke schon mal im Voraus.
ManfredMustermann schrieb: > Gibt es eine Möglichkeit das Signal auf die LED zu einer anständigen > Rechteckspannung umzuwandeln? Mach parallel zur Diode einen Widerstand. Denn das, was du da siehst, ist einfach nur, dass nach Abschalten des Transistors kein Strom mehr fließen kann und sich die Ladung "irgendwie" hochohmig abbaut...
ManfredMustermann schrieb: > dazu muss ich eine Leuchtdiode ziemlich schnell zum blinken bringen. ...dann musst Du schnell löten, je eher blinkt die Led? Wozu der Transistor an der Led? Der 555 schafft eine Led locker auch ohne zusätzlichen Transistor. Der Transistor hat keinen Basisvorwiderstand. Eigentlich gehört der Emmiter an GND und die Led in den oberen Zweig....
Hi, also Schaltung sieht fast gut aus. Ich würde noch einen Basisvorwiderstand einbauen. Evtl. kannst du mal probieren 2 LED´s parallel zu schalten. Dir ist auch bewusst, dass bei deiner Schaltung ca. 19V über dem Transistor abfallen? Viele Grüße Peter
ManfredMustermann schrieb: > Ich habe auch schon die Vermutung das es sich bei dem "hinterher > gezogenen Schwanz" um die Aus-Schaltzeiten des Transistors oder der > Diode handelt. Ja. Die Ladung, die während der Einschaltzeit in der LED gespeichert wird, kann wegen der gesperrten B_E-Strecke nicht abfließen und liefert bis zur vollständigen Rekombination eben diese Spannung.
Jörg R. schrieb: > Der Transistor hat keinen > Basisvorwiderstand. Eigentlich gehört der Emmiter an GND und die Led in > den oberen Zweig.... Nein, die Schaltung ist so richtig. Eine Emitterschaltung arbeitet gesättigt und daher langsam, die Kollektorschaltung ist um Größenordnungen schneller und braucht keinen Basiswiderstand.
ManfredMustermann schrieb: > Vielleicht könnt ihr mir helfen Deine Schaltung ist grober Unfug. Der NE555 hält nur 16V aus. Ihn an 24V zu legen und zu hoffen, daß ein Vorwiderstand als Spannungsreduktion ausreicht, ist hanebüchen. Was du siehst, ist vor allem die Entladung von CT3. Die Schaltung des Transistors zu LED als Emitterfolger (Kollektorschaltung)erlaubt halt nur Spannugen für die LED und ihren Vorwiderstand, die 3V niedriger sind als die Versogung des NE555. Versuche es einfach mit einem Spannungsregler,z.B. 7812, und einem Transistor in Emitterschaltung.
Peter H. schrieb: > Ich würde noch einen Basisvorwiderstand einbauen. Hier nicht nötig, weil Emitterfolger (= die bereits genannte Kollektorschaltung). > Dir ist auch bewusst, dass bei deiner Schaltung ca. 19V über dem > Transistor abfallen? Sind aber nur 10mA und damit gerade mal 190mW. Das tut dem nicht weh. Michael B. schrieb: > Versuche es einfach mit einem Spannungsregler,z.B. 7812, und einem > Transistor in Emitterschaltung. Da muss dann aber der Transistor gepflegt "überfahren" werden, sonst sperrt der nur langsam. > daß ein Vorwiderstand als Spannungsreduktion ausreicht Ich würde da auch noch eher eine Z-Diode vorsehen, damit die Versorgung und damit das Timing halbwegs stabil ist.
Oh, ihr wart in meiner Mittagspause aber fleißig, danke nochmal! Lothar M. schrieb: > Mach parallel zur Diode einen Widerstand. > Denn das, was du da siehst, ist einfach nur, dass nach Abschalten des > Transistors kein Strom mehr fließen kann und sich die Ladung "irgendwie" > hochohmig abbaut... Was für einen Widerstand würdest du da empfehlen? Hochohmig 100k? Peter H. schrieb: > Evtl. kannst du mal probieren 2 LED´s parallel zu schalten. Nein kann ich nicht, da nur mit einer LED gearbeitet werden soll. Peter H. schrieb: > Dir ist auch bewusst, dass bei deiner Schaltung ca. 19V über dem Transistor abfallen? Ja ist mir bewusst, deswegen der BC546, der bis 65V aushalten kann. ArnoR schrieb: > Ja. Die Ladung, die während der Einschaltzeit in der LED gespeichert > wird, kann wegen der gesperrten B_E-Strecke nicht abfließen und liefert > bis zur vollständigen Rekombination eben diese Spannung. Und was kann ich dagegen tun? wie Lothar M. schon schrieb ein Widerstand parallel zur LED?
push-pull Stufe? parallel zur LED einen PNP. Kollektor auf GND, Emitter an die LED/ Kollektor vom BC546 und Basis an die Basis vom BC546
Michael B. schrieb: > Der NE555 hält nur 16V aus. > Ihn an 24V zu legen und zu hoffen, daß ein Vorwiderstand als > Spannungsreduktion ausreicht, ist hanebüchen. > > Was du siehst, ist vor allem die Entladung von CT3. > > Die Schaltung des Transistors zu LED als Emitterfolger > (Kollektorschaltung)erlaubt halt nur Spannugen für die LED und ihren > Vorwiderstand, die 3V niedriger sind als die Versogung des NE555. Ähm... trotzdem funktioniert die Schaltung. Der NE555 wird durch den Vorwiderstand RT1 mit knapp 6V angesteuert. Habs extra nachgemessen, daher... Die 24V sind eigentlich für den Operationsverstärker der dieses mV Signal der Photodiode anständig verstärken soll.
ManfredMustermann schrieb: > Michael B. schrieb: > Ähm... trotzdem funktioniert die Schaltung. Der NE555 wird durch den > Vorwiderstand RT1 mit knapp 6V angesteuert. Habs extra nachgemessen, > daher... Achso, na dann. Und wie siehts im Umlademoment des Kondensators aus? Da knickt die Spannung doch sicher ein.
ManfredMustermann schrieb: > Der NE555 wird durch den Vorwiderstand RT1 mit knapp 6V > angesteuert. Habs extra nachgemessen, Mit dem Oszilloskop? Wie stabil ist die Spannung am VCC-Pin?
Sebastian R. schrieb: > Achso, na dann. Und wie siehts im Umlademoment des Kondensators aus? Da > knickt die Spannung doch sicher ein. Weiß jetzt nicht genau was du meinst. Meinst du den CT3 in der Schaltung? Wie kann ich das anders lösen? Einen Spannungsregler habe ich nicht hier. Die Auswahl meiner Bauteile ist ziemlich begrenzt.
ManfredMustermann schrieb: > ArnoR schrieb: >> Ja. Die Ladung, die während der Einschaltzeit in der LED gespeichert >> wird, kann wegen der gesperrten B_E-Strecke nicht abfließen und liefert >> bis zur vollständigen Rekombination eben diese Spannung. > > Und was kann ich dagegen tun? wie Lothar M. schon schrieb ein Widerstand > parallel zur LED? Warum willst du was dagegen tun? Interessiert dich nun der Strom durch die LED (d.h. die Emission) oder die Spannung an der LED? Der Strom ist trotz der Spannung praktisch 0, d.h. die LED ist "aus".
Eher der vom Zeitglied CT1. Gut, 47nF über 3k sind keine riesigen Ströme und CT3 puffert einiges, aber trotzdem ist das nicht die feine, englische Art. Und vermutlich siehst du ein deutliches 4.5kHz-Ripple auf VCC.
ManfredMustermann schrieb: > Lothar M. schrieb: >> Mach parallel zur Diode einen Widerstand. >> Denn das, was du da siehst, ist einfach nur, dass nach Abschalten des >> Transistors kein Strom mehr fließen kann und sich die Ladung "irgendwie" >> hochohmig abbaut... > Was für einen Widerstand würdest du da empfehlen? Hochohmig 100k? Nein, der muss relativ niederohmig sein. Aaaaaber: interessiert dich diese etwas "eigenartige" Wellenform überhaupt? Bringt sie ein (Funktions-)Problem mit sich? Welches?
.. mit klarem Schaltplan ist die Diskussion und Veränderungsüberprüfung einfacher und schneller ... (kann noch Fehler enthalten)
Georg M. schrieb: > Mit dem Oszilloskop? > Wie stabil ist die Spannung am VCC-Pin? Sebastian R. schrieb: > Eher der vom Zeitglied CT1. > > Gut, 47nF über 3k sind keine riesigen Ströme und CT3 puffert einiges, > aber trotzdem ist das nicht die feine, englische Art. Und vermutlich > siehst du ein deutliches 4.5kHz-Ripple auf VCC. Ich habe hier ein Foto der Spannung nach dem Vorwiderstand, also auch der Spannung, die am VCC anliegt. Ansich ist die ziemlich glatt. Eigentlich soll die Frequenz noch höher sein, aber für Testzwecke tuns erstmal die 4,5kHz. ArnoR schrieb: > Warum willst du was dagegen tun? Interessiert dich nun der Strom durch > die LED (d.h. die Emission) oder die Spannung an der LED? Der Strom ist > trotz der Spannung praktisch 0, d.h. die LED ist "aus". Ja, die Diode ist aus. Habe ich auch mit der Photodiode nachgeprüft. Das Signal fällt dann immer stark ab. Mich interessiert die Spannung. Anstatt der jetzigen grünen LED soll dort später eine ziemlich teure LED eingebaut werden, die aber gepulst betrieben werden soll weil sie sonst "durchbrennt". Ich bin mir halt auch nicht sicher ob die restlichen 1,3V nun die Lebenszeit der LED beeinträchtigen oder nicht.
ManfredMustermann schrieb: > Ich bin mir halt auch nicht sicher ob die restlichen 1,3V nun die > Lebenszeit der LED beeinträchtigen oder nicht. Deine Angst ist unbegründet, die LED erzeugt diese Spannung selbst, sie geht davon also nicht kaputt.
ManfredMustermann schrieb: > Ähm... trotzdem funktioniert die Schaltung. Der NE555 wird durch den > Vorwiderstand RT1 mit knapp 6V angesteuert. Habs extra nachgemessen, > daher... Natürlich funktioniert es fast, und trotzdem wunderst du dich über die Kurvenform und bist nicht zufrieden mit der Funktion. Aber NATÜRLICH liegt es nicht an deinem Pfusch, sondern es muss jetzt noch etwas Pfusch dazu. Es funktioniert (manchmal) auch, eine LED an eine harte Spannung von 3V zu legen. Manchmal geht zufälligerweise wirklich nichts kaputt. Trotzdem macht man das nicht so. ManfredMustermann schrieb: > Wie kann ich das anders lösen? Einen Spannungsregler habe ich nicht > hier. Die Auswahl meiner Bauteile ist ziemlich begrenzt. Oh je oh Jammer. ManfredMustermann schrieb: > Die 24V sind eigentlich für den Operationsverstärker der dieses mV > Signal der Photodiode anständig verstärken soll. Und du meinst, Millivolt zu verstärken funktioniert um so besser je mehr Betriebspanung man dem Verstärker gönnt ? Du kommst hier an nachdem du eine Hundehütte aus Wellblech und Nägeln gebaut hast, und fragst warum sie quietscht. Flasches Konzept, falsches Material, mangelhaftes Ergebnis, ist halt so.
ManfredMustermann schrieb: > Und was kann ich dagegen tun? wie Lothar M. schon schrieb ein Widerstand > parallel zur LED? LTspice zur weiteren Diskussion...... Sieht so aus als wenn die Eigenkapzitaet der Led als Spannung/Stromquelle dient.Die Led liefert noch Strom (Bild 4) in einen parallelgeschalteten Widerstand,obwohl der Transistor mausetot ist.... Wenn diese Theorie stimmt,gibt es keinen Grund sich Sorgen machen zu muessen.Muss mal ein Datenblatt genauer konsultieren. Wer will kann ja mal selbst simulieren und mich korrigieren- falls noetig.War jetzt mal nur ein Quicktest....
Toxic schrieb: > LTspice zur weiteren Diskussion...... > Sieht so aus als wenn die Eigenkapzitaet der Led als > Spannung/Stromquelle dient.Die Led liefert noch Strom (Bild 4) in einen > parallelgeschalteten Widerstand,obwohl der Transistor mausetot ist.... Wow, ein riesiges Danke. Wenn ich das jetzt richtig verstehe würde also ein 10k Widerstand parallel zu LED tatsächlich was bringen wie Bild 2 zeigt? Toxic schrieb: > Wenn diese Theorie stimmt,gibt es keinen Grund sich Sorgen machen zu > muessen. Muss mal ein Datenblatt genauer konsultieren. Wie meinst du das? Das diese Spannung also von der LED selbst kommt und das Signal sogar so aussehen muss? Also brauche ich eigentlich doch keinen Parallelwiderstand, oder wie? Die entsprechenden Datenblätter kann ich hoch laden. Welches Bauteil brauchst du?
ManfredMustermann schrieb: > Wie meinst du das? Das diese Spannung also von der LED selbst kommt und > das Signal sogar so aussehen muss? Also brauche ich eigentlich doch > keinen Parallelwiderstand, oder wie? Liest du eigentlich was man dir schreibt?: Beitrag "Re: NE555 LED Steuerung"
ManfredMustermann schrieb: > parallel zu LED tatsächlich was bringen Optisch auf dem Oszilloskop bringt das was, in Bezug auf den von der Led ausgesandten Lichtimpuls bringt es nichts. Erkennst Du den Unterschied?
MWS schrieb: > in Bezug auf den von der Led ausgesandten Lichtimpuls bringt es nichts. Ich wollte eigentlich den Denkprozess in diese Richtung lenken mit meiner Frage, ob diese Wellenform "stört". Hat augenscheinlich nicht geklappt... ;-) Denn eine LED leuchtet eben nicht wegen irgendeiner Spannung, sondern wegen des Stroms. Man müsst also mal diesen LED-Strom messen.
Pulse Forward Current, Allowable Pulse Forward Current of LED Lamps Power Dissipation http://www.purdyelectronics.com/pdf/LEDAppNotes.pdf
ArnoR schrieb: > Liest du eigentlich was man dir schreibt?: Das ist selbst mir entgangen - aber da war ich auch noch mit der Simulation beschaeftigt..... Deine Theorie wird offensichtlich von LTspice bestaetigt. ManfredMustermann schrieb: > Wie meinst du das? Das diese Spannung also von der LED selbst kommt und > das Signal sogar so aussehen muss? Also brauche ich eigentlich doch > keinen Parallelwiderstand, oder wie? Es sieht so aus,als ob eine Led eine eine nicht unbetraechtliche Eigenkapazitaet besitzt.Moeglicherweise ist das Verhalten auch auf Rekombinationen von Loechern und Elektronen zurueckzufuehren - dazu muss man wahrscheinlich einen Halbleiterwissenschaftler befragen. Ich wuerde an deiner Stelle gar nichts machen. Voellig harmlos - und richtig:Bei 10k hat man steile Flanken,weil die 10k eben eine Last darstellen und die "Led-Kapazitaet" schneller entlaedt.
ArnoR schrieb: > Liest du eigentlich was man dir schreibt?: > > Beitrag "Re: NE555 LED Steuerung" Doch, ich hatte deinen Beitrag auch gelesen aber ich war so von den Bildern von Toxic eingenommen. Sorry. MWS schrieb: > Optisch auf dem Oszilloskop bringt das was, in Bezug auf den von der Led > ausgesandten Lichtimpuls bringt es nichts. Es geht ja auch nicht um den Lichtimpuls, ich war mir nicht sicher ob das nun negative Auswirkungen auf mein späteres Bauteil haben wird, aber das haben wir ja jetzt geklärt. Also, ich danke euch für die schnelle und konstruktive Hilfe!
Toxic schrieb: > Es sieht so aus,als ob eine Led eine eine nicht unbetraechtliche > Eigenkapazitaet besitzt. Eine Kapazität besitzt auch das Oszilloskop selbst. Jetzt habe ich endlich auch kapiert, worum es geht. Man muss jeden Eingangsbeitrag immer mehrmals sorgfältig durchlesen.
Dieter schrieb: > Eine kleine RC Kombination ueber Basis und Emitter wuerde mehr helfen. Wir waren da eigentlich schon durch: da muss bei nichts geholfen werden. Man muss nur einfach die gemessene Wellenform als das betrachten, was sie ist: unschädlich für die beteiligten Bauteile. Und genauso unschädlich für die Funktion der Schaltung.
ManfredMustermann schrieb: > Anstatt der jetzigen grünen LED soll > dort später eine ziemlich teure LED eingebaut werden, die aber gepulst > betrieben werden soll weil sie sonst "durchbrennt". bei gerademal 15mA? was ist das für eine teure Diode?
der LM358 ist sicher auch nu ein Platzhalter für einen OPamp, der als TIA geschaltet ist. weil den LM358? kann man hierfür verwenden ( aber: um den ging es ja nicht )
Bitte melde dich an um einen Beitrag zu schreiben. Anmeldung ist kostenlos und dauert nur eine Minute.
Bestehender Account
Schon ein Account bei Google/GoogleMail? Keine Anmeldung erforderlich!
Mit Google-Account einloggen
Mit Google-Account einloggen
Noch kein Account? Hier anmelden.






