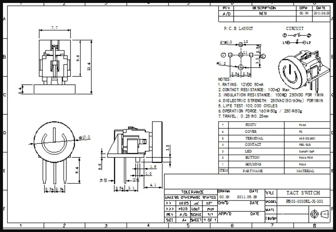
Hallo zsm, kurze Frage: Ich habe einen 3.3v Lipo Batterie und einen 12V Schalter (siehe Anhang) und einen Modul der Input Paramet: 5 v/1A hat. Der Switch soll zwischen der Batterie und das Modul sein , muss ich jetzt einen Stepup Converter von 3,3v auf 12v benutzen zu switch und dann einen stepdown von 12v zu 5v , ist das richtig?
Erstmal, einen 12V Schalter kannst du natürlich auch mit 5V betreiben. Einzig wenn da irgendeine LED doer Lampe drin brennen soll (also im Schalter als Zustandsbeleuchtung) muss man auf die Minimal-Spannung achten. Aber in deinem Fall sind die max 50mA in der Tat das Problem. Seyed M. schrieb: > uv schrieb: >> Nein. >> Der Schalter verträgt nur 50mA. > > gibts einen weg den Schalter einzubauen? Nur sehr umständlich indem du damit einen Mosfet schaltest der dann widerum das Gerät einschaltet. Nimm lieber einen anderen Schalter der auch für 1A ausgelegt ist.
danke für die Antwort, -sind beim Schalter die 12V als max. gemeint oder als min. ? -ich möchte einen SMD Schalter der innen beleuchtet ist (LED) wie du schon gemeint hast , die sind alle irgendwie max. 50mA.Ein Mosfet muss denke ich her,auf was muss ich achten wenn ich einen smd Mosfet kaufen muss damit die Schaltung klappt? Schaltung: (3,7v/3A Lipo -> 12v/50mA Schalter -> Modul 5v/1A Input)
Seyed M. schrieb: > danke für die Antwort, > -sind beim Schalter die 12V als max. gemeint oder als min. ? > -ich möchte einen SMD Schalter der innen beleuchtet ist (LED) wie du > schon gemeint hast , die sind alle irgendwie max. 50mA.Ein Mosfet muss Achso, da ist eine LED integriert? Dann wird es wohl exakt 12V sein. Also Min/Max zugleich. Such lieber nach einem Schalter mit 5V. Das muss es geben. > denke ich her,auf was muss ich achten wenn ich einen smd Mosfet kaufen > muss damit die Schaltung klappt? > > Schaltung: (3,7v/3A Lipo -> 12v/50mA Schalter -> Modul 5v/1A Input) Was ist das eigentlich für ein Modul von dem du redest? Nicht dass du damit einen Spannungswandler meinst und dein Verbraucher in wirklich kein deutlich kleiner ist. Falls das Modul ein Motor oder ein Relais ist, sind zudem die besonderheiten einer induktiven last zu beachten und darum eine sogenannte Freilaufdiode zu verwenden (unter dem Stichwort findest du etliches im Netz), sonst geht ein Msofet kaputt. Zum Thema Mosfet gibt es hier eine ganz brauchbare Anleitung: http://www.stufenlosgetriebe.de/Stufenlosgetriebe.de/Elektronik_Elektrik/Eintrage/2013/10/3_Elektronisch_schalten_mittels_MOSFETs.html Du solltest einen P-Channel Mosfet nehmen der bei 3.3v angesprochen werden kann. P-Channel daher weil man oft besser den Plus-Pol einer Schaltung abschaltet, statt dem Minus-Pol (jedenfalls wenn man nicht weiss was das für eine Schaltung ist).
> Was ist das eigentlich für ein Modul von dem du redest?
Es ist ein Powerbank PCB fertig Modul, was ich mit dem Schalter an und
aus Schalten möchte.Der Schalter soll zwischen der Lipo und Modul sein.
Habe es durchgelesen und so wie ich es verstanden habe, muss an Drain
(+) von der Lipo-batterie und an Source (+) von Modul.
Der (+) von Schalter muss ich ja an Gate verbinden und da brauch ich ja
auch eine Spannung.D.h vom Lipo gehen zwei (+) raus? an zu Drain und zum
Schalter? Mit einem Stepup modul würde ich jetzt die 3,7v von Lipo auf
12v kriegen aber wie kriege ich die 3A von der Batterie auf 50maH ?
Bitte melde dich an um einen Beitrag zu schreiben. Anmeldung ist kostenlos und dauert nur eine Minute.
Bestehender Account
Schon ein Account bei Google/GoogleMail? Keine Anmeldung erforderlich!
Mit Google-Account einloggen
Mit Google-Account einloggen
Noch kein Account? Hier anmelden.

