Hallo zusammen, ich bin neu hier im Forum, kein E-Techniker und habe mich nach viel Recherche und eigenen Versuchen entschlossen mal nachzufragen, ob mir jemand bei der Lösung meines Problems helfen kann. Ich will mit einer Schaltung eine kontinuierliche Messung der Impedanz einer Kapazität durchführen um einen Sensor zu betreiben. Da ich aus einem anderen Fachgebiet komme habe ich mir meine E-Technik Kenntnisse angelesen. Ich habe einen Stromkreis mit Signalgenerator (Sinus 2V 100kHz), einen 47kOhm Widerstand und einer veränderlichen Kapazität mit der Größenordnung 5pF in Reihe. Um die Impedanz der Kapazität zu bestimmen, messe ich die Spannung über Widerstand und Kapazität (Urc) und nur über der Kapazität (Uc). Wegen der Maschen- und Knotenregel bestimme ich meine Impedanz der Kapazität aus Urc/Zrc=Uc/Zc. Zum messen der Spannung habe ich ein Picoscope 4444 mit Differentialsonde und habe den Innenwiderstand und -kapazität ebenfalls berücksichtigt. Rechne ich mit den Amplituden und Scheinwiderständen komme ich auf richtige Ergebnisse. Rechne ich mit den komplexen Spannungen und Impedanzen sind die Ergebnisse grob falsch. Kann mir jemand weiterhelfen? Grüße und Vielen Dank schonmal!
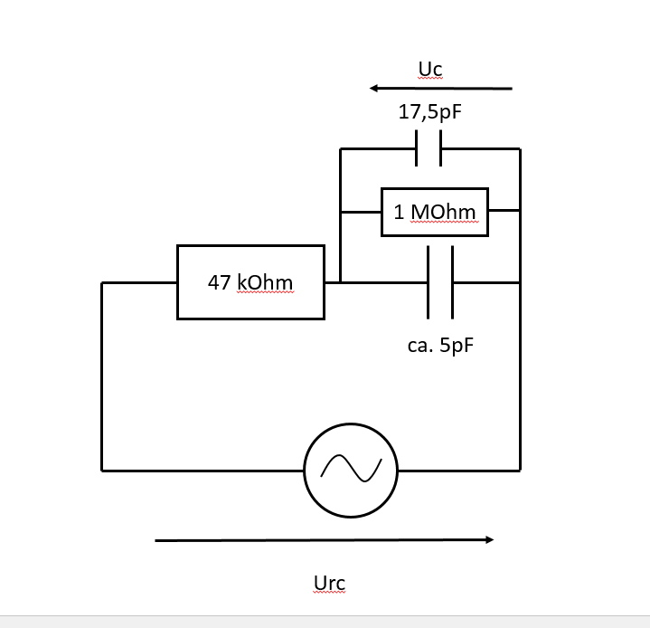
Keine Prosa bitte. Schaltbild gewünscht und wie du genau misst.
Danke schonmal für die schnelle Rückmeldung. Ich hoffe mit der Zeichnung kann man was anfangen.
Dafür gibt es fertige Formeln. Dein Spannungsmesser hat auch noch bestimmte Eigenschaften, die fehlen bei dir im Sxhaltplan.
Dafür gibt es fertige Formeln. Dein Spannungsmesser hat auch noch bestimmte Eigenschaften, die fehlen bei dir im Schaltplan.
Die Formeln sind nicht das Problem, wenn ich mit den Scheinwiderständen rechne stimmt alles. Sobald ich komplex rechne ist alles falsch. Liegt die Ursache im Messaufbau?
Bist Du sicher, dass die Ursache nicht in Deiner komplexen Rechnung liegt?
Die Rechnung führe ich mit Matlab durch. Wenn ich dort nur die Länge der Vektoren in die Rechnung gebe, dann stimmen die Ergebnisse. Die Gleichungen müssten also stimmen. Deshalb die Frage ob es eventuell am Messaufbau liegt. Kann man so überhaupt sinnvoll messen? Wenn alles passt, muss ich nochmal die FFT genauer analysieren.
Tob S. schrieb: > Wenn ich dort nur die Länge der > Vektoren in die Rechnung gebe, dann stimmen die Ergebnisse. Wie ermittelst Du denn die Phasen der Vektoren? mfg Klaus
Mittels Frequenzanalyse ermittle ich Amplitude und Phase der beiden Spannungssignale, um dann die komplexe Spannung zu erhalten.
Nochmals... Wie sieht deine Formel aus? Widerstand als Funktion der Frequenz? Wie hast du die Formel bestimmt? Der Widerstand 47kOhm ist rein Reeller Natur? Fällt dir am messaufbau etwas auf? Ist er so sinnvoll?
Wie gesagt, mein E-technik wissen ist beschränkt. Den Widerstand habe ich mit einem Netzwerkanalysator bei 100 kHz vermessen und nehme ihn als konstant und rein reeller natur an. Mir fällt leider nichts mehr auf ich bin mit meinem Latein am Ende. Die genaue Berechnung schicke ich morgen. Ich gehe nochmal die Rechnung durch.
Tob S. schrieb: > Wenn alles passt, muss ich nochmal die FFT genauer analysieren. Was willst du da mit FFT. Die rechnet ein ganzes Spektrum mit vielen Stützstellen. Du hast in deinem System genau eine Frequenz, nämlich die 100kHz.
Tob S. schrieb: > Wie gesagt, mein E-technik wissen ist beschränkt. > Den Widerstand habe ich mit einem Netzwerkanalysator bei 100 kHz > vermessen und nehme ihn als konstant und rein reeller natur an. > Mir fällt leider nichts mehr auf ich bin mit meinem Latein am Ende. > > Die genaue Berechnung schicke ich morgen. Ich gehe nochmal die Rechnung > durch. Das wird er aber nicht sein vermute ich mal. Zeige uns doch bitte mal deinen Messaufbau.
Die Kapazität ist die Eigenschaft eines Sensors. Das Signal hat diverse Einflussfaktoren und mit der FFT kann ich aus dem Signal das Verhalten bei 100kHz extrahieren. Im Moment teste ich die Rechnung mit Kondensatoren aus dem Fachhandel, aber es kommt nichts sinnvolles raus. Due Berechnung geht folgendermaßen. Ich bilde die Übertragungsfunktion von Urc/Uc und berechne den Punkt bei 100kHz. Das Ergebnis für den plot ist = 2.8696 + 2.8857i
Huhu schrieb: > > Das wird er aber nicht sein vermute ich mal. Zeige uns doch bitte mal > deinen Messaufbau. Was meinst du genau? Ein Bild oder die Beschreibung der Komponenten?
Tob S. schrieb: >Danke schonmal für die schnelle Rückmeldung. >Ich hoffe mit der Zeichnung kann man was anfangen. Meinst du mit Impedanz den kapazitiven Widerstand des Kondensators? Wenn der nur 5pF hat, wird das nichts mit messen. Die Meßkabel haben ja vielleicht schon 100pF, was erwartest du denn da von der Messung? Das geht nur mit ausrechnen. Siehe hier: https://de.wikipedia.org/wiki/Blindwiderstand https://www.elektronik-kompendium.de/sites/grd/1006231.htm
Günter Lenz schrieb: > Tob S. schrieb: > >>Danke schonmal für die schnelle Rückmeldung. >>Ich hoffe mit der Zeichnung kann man was anfangen. > > Meinst du mit Impedanz den kapazitiven Widerstand > des Kondensators? Wenn der nur 5pF hat, wird das > nichts mit messen. Die Meßkabel haben ja vielleicht > schon 100pF, was erwartest du denn da von der Messung? > Das geht nur mit ausrechnen. > > > Siehe hier: > > https://de.wikipedia.org/wiki/Blindwiderstand > > https://www.elektronik-kompendium.de/sites/grd/1006231.htm Die Zusammenhänge aus den Links sind mit bekannt. Darauf basiert ja meine Berechnung. Das Kabel 100pf haben war mir nicht bekannt. Gilt das auch für Koaxialkabel? Ich kann definitiv eine Änderung der Amplituden messen die zum erwarteten Verhalten des Sensors passen. Was meinst du mit ausrechnen? Die Änderung der Kapazität ist das Messprinzip. Und die Änderung will ich messen. Gerne zeige ich euch den Messaufbau, aberwas genau versteht ihr unter dem Messaufbau? Das Schaltbild habe ich ja gezeigt.
Tob S. schrieb: > Das Kabel 100pf haben war mir nicht bekannt. Gilt das > auch für Koaxialkabel? Meist etwas weniger, aber pro Meter!
Und die induktivitäten sind auch noch chr berücksichtigt worden... So wird das nichts!
Tob S. schrieb: > Kann mir jemand weiterhelfen? Offensichtlich ist die Meßmethode für 5 pF nicht gerade optimal. Hier mal etwas Primitives, das wohl eine geeignetere Methode aufzeigt. http://www.elexs.de/radio4.htm Etwas anderes. http://elm-chan.org/works/cmc/report.html Da das zur Zeit eingesetzte Umfeld schon relativ hohe Kapazitäten aufweist, muß man diese stark mindern. Im einfachsten Fall kann es ein Timer 555 sein oder ein µC. Dies Forum wird schon einige gute Vorschläge machen können. mfg Klaus
Tob S. schrieb: > Das Ergebnis für den plot > ist = 2.8696 + 2.8857i Das passt zumindest vom ersten Draufschauen tatsächlich zu deinem Plot, und man kann ja mal mit dem Wert zurückrechnen, was für eine Impedanz dein Sensor samt Messaufbau hat. Ich komme da auf 98pF parallel zu 25kOhm. Der Kapazitätswert ist also realistisch für einen "ungeschickten" Messaufbau (mit entsprechenden Kabelkapazitäten), der ohmsche Anteil spricht dafür, dass dein Sensor keine reine Kapazität darstellt. Um was für einen Sensor geht es denn? Wenn du den Kapazitätswert im pF-Bereich ernsthaft und stabil bestimmen willst wäre meine Empfehlung, einen der folgenden Bausteine https://www.analog.com/en/parametricsearch/10889#/p4666=|Capacitance%20to%20Digital möglichst nahe am Sensor anzubringen. (Vergleichares gibt es wohl auch von anderen Herstellern.)
Alternativ kann man die Kapazität auch zum Teil eines Schwingkreises machen und dann die Frequenz messen.
Achim S. schrieb: > Tob S. schrieb: >> Das Ergebnis für den plot >> ist = 2.8696 + 2.8857i > > Das passt zumindest vom ersten Draufschauen tatsächlich zu deinem Plot, > und man kann ja mal mit dem Wert zurückrechnen, was für eine Impedanz > dein Sensor samt Messaufbau hat. Ich komme da auf 98pF parallel zu > 25kOhm. Der Kapazitätswert ist also realistisch für einen > "ungeschickten" Messaufbau (mit entsprechenden Kabelkapazitäten), der > ohmsche Anteil spricht dafür, dass dein Sensor keine reine Kapazität > darstellt. Um was für einen Sensor geht es denn? > > Wenn du den Kapazitätswert im pF-Bereich ernsthaft und stabil bestimmen > willst wäre meine Empfehlung, einen der folgenden Bausteine > https://www.analog.com/en/parametricsearch/10889#/p4666=|Capacitance%20to%20Digital > möglichst nahe am Sensor anzubringen. (Vergleichares gibt es wohl auch > von anderen Herstellern.) Die selben Ergebnisse erhalte ich bei der Rechnung auch. Bei diesem Plot habe ich statt dem Sensor eine 10pF Kapazität im Schaltkreis, um meine Messung zu testen. Auch bei den Sensoreigenschaften bin ich mir sicher, dass es eine Kapazität ist. Ich messe einen Spalt zwischen mechanischen Bauteilen. Sowohl mein Modell als auch die Messung mit LCR-Meter ergeben einen Phasenwinkel von 89° am Sensor. Vielen Dank für diesen Tipp und die anderen. Ich muss mich erstmal damit beschäftigen, da ich Laie bin. Von der Messung mit dem Schwingkreis habe ich schon gelesen, ich dachte jedoch meine Methode müsste auch gehen.
Tob S. schrieb: > Ich habe einen Stromkreis mit Signalgenerator (Sinus 2V 100kHz), einen > 47kOhm Widerstand und einer veränderlichen Kapazität mit der > Größenordnung 5pF in Reihe. > > Um die Impedanz der Kapazität zu bestimmen, messe ich die Spannung... Tob S. schrieb: > Das Kabel 100pf haben war mir nicht bekannt. Da hast du aber gleich mehrere Probleme dir eingehandelt. Also erstens: Jedes Kabel hat eine Kapazität zwischen seinen Leitern und eine Induktivität eines jeden Leiters. Das ist so offensichtlich, daß man es wohl nicht explizit erwähnen muß. Bei Koaxialkabeln ist das Ganze sogar genormt, da aus dem Verhältnis L/C sich der Wellenwiderstand ergibt. Du mußt bei Verwendung von Kabeln jeglicher Art damit halt leben. Zweitens: Eine veränderliche Kapazität von etwa nur 5 pF als zu messende Sensor-Eigenschaft ist verdammt wenig. So etwas über Kabel am Voltmeter und dann noch über einen 47k Widerstand halte ich für aussichtslos. Das wird ein Hausnummern-Generator. Drittens: Wenn du schon per Voltmeter messen willst, dann müßtest du die Spannung am Sensor phasenrichtig gleichrichten, also Sinus an den Vorwiderstand und Cosinus an den Gleichrichter. Das wird dir garantiert zu kompliziert werden. Vorschlag: Guck dir das LC-meter nach AADE mal an, das ist einfach genug aufgebaut und es kann kleine Kapazitäten messen. da z.B.: http://www.elektronikbasteln.pl7.de/digitales-lc-meter.html Prinzip: vor Ort (also ohne Kabel dazwischen) hast du einen LC-Oszillator, dessen Schwingkreis-Kapazität die zu messende Kapazität parallelgeschaltet ist. Diese verstimmt also den Oszillator und dessen Frequenz mißt du. So ein Oszillatorsignal kannst du ja bequem über fast jedes Kabel durch die Gegend ziehen, Hauptsache ist, daß du nen Emitterfolger oder sonstwas davor setzt, so daß das Kabel den eigentlichen Oszillator nicht beeinflussen kann. Als Oszillator kann man fast alles nehmen, hier würde ich einen Clapp vorschlagen. Zum Abgleich schaltest du anstelle deines Sensors einen 1 nF Kondensator dran und mißt die Frequenzen mit und ohne diesen Kondensator. Damit hast du alle benötigten Stücke zum Rechnen. W.S.
Auch ein Hartley Oszillator wäre vermutlich geeignet, wenn man sich einmal die Mühe mit der angezapften Spule macht. Aber auch hier liegt der C einseitig auf Masse und ist deswegen recht störunanfällig. https://de.wikipedia.org/wiki/Hartley-Schaltung
Vielen Dank, ihr habt mir wirklich sehr weitergeholfen. Prinzipiell würde ich eher ein Kapazitätsmessgerät kaufen, als mir selbst eins zu bauen, da meine Expertise eher woanders liegt. Sind die Sensoren die verlinkt wurden https://www.analog.com/en/parametricsearch/10889#/p4666=|Capacitance%20to%20Digital vergleichbar mit den empfohlenen Schaltungen http://www.elektronikbasteln.pl7.de/digitales-lc-meter.html Wenn ich durch den Eigenbau keinen eklatanten Vorteil in der Performance habe , würde ich eher zum kauf tendieren. Zumindest die verlinkten Sensoren sind ja auch nicht teuer.
Tob S. schrieb: > https://www.analog.com/en/parametricsearch/10889#/p4666=|Capacitance%20to%20Digital > Der AD7151 sieht doch gut aus. 1 Kanal 12 Bit Sensor capacitance (CSENS) 0 up to 13 pF Sensitivity to 1 fF EMC tested https://www.analog.com/en/products/ad7151.html#product-overview > vergleichbar mit den empfohlenen Schaltungen > > http://www.elektronikbasteln.pl7.de/digitales-lc-meter.html > Aber nur sehr weitgehend vergleichbar. Das einzige was Du beim AD7151 noch brauchst ist die Abfrage per I2C - Bus um Deine Meßwerte zu erhalten. mfg Klaus
Bitte melde dich an um einen Beitrag zu schreiben. Anmeldung ist kostenlos und dauert nur eine Minute.
Bestehender Account
Schon ein Account bei Google/GoogleMail? Keine Anmeldung erforderlich!
Mit Google-Account einloggen
Mit Google-Account einloggen
Noch kein Account? Hier anmelden.


