Hallo, meine Aufgabe lautet: Skizzieren Sie eine Schaltung, die die Diffenenz zweier Eingangssignale in der Form Ua(t)=U3(t)-[U2(t)-U1(t)] ausgibt. Im angehängten Bild könnt ihr sehen, wie ich es gemacht habe: Der linke OPV ist als invertierender Addierer geschaltet, an seinem Ausgang liegt also -(U1+U2) an. Der rechte OPV ist als nichtinvertierender Addierer geschaltet, wobei R6=R7, also R7/R6=1 sprich dimensioniert für 2 Summanden. Die Lösung funktioniert. Ich wollte euch aber fragen, ob man das eher irgendwie anders machen würde. Vor allem weil es in den Teilaufgaben davor um Logarithmierer, Differenzierer und e-Funktionsgenerator ging und diese Addierersachen viel früher abgehandelt wurden, frage ich mich, ob hier vielleicht eine bessere oder ganz andere Lösung gefragt sein könnte. Fällt euch eine bessere Lösung ein, vielleicht nur mit einem OPV? Danke
Deine Schaltung macht -U1-U2+U3. Ua ist nicht eingetragen. An OV2 ist fas keine Rueckwirkungsfreie Mischung, bzw. Adition, im Gegensatz zu OV1.
Danke dir! Dieter schrieb: > Deine Schaltung macht -U1-U2+U3. Da hast du dich glaube ich vertan. Im angehängten Bild (LTSpice): U1=-3V U2=-1V U3=6V blau ist am Ausgang des linken OPVs gemessen, grün am Ausgang des rechten. Wenn der linke -U1-U2 machen würde, wie du sagst, dann wäre an seinem Ausgang nicht -[-3+(-1)]=4 sondern -3-(-1)=-2 > Ua ist nicht eingetragen. Da hast du Recht. Das ist aber auch nicht die Skizze sondern die LTSpice-Schaltung. Um zu messen mache ich da immer so eine Unterbrechung vor einem Ground (Ua). > An OV2 ist fas keine Rueckwirkungsfreie Mischung, bzw. Adition, im > Gegensatz zu OV1. Tut mir Leid, ich verstehe nicht was du meinst. Kannst du mir das bitte nochmal irgendwie anders ausdrücken? Vielleicht habe ich dich aber auch komplett falsch verstanden... Oder hast du dich tatsächlich vertan? Hat sonst jemand noch eine Meinung dazu? Macht man das so oder besser anders oder vielleicht sogar mit nur einem OPV irgendwie? Danke /edit Nur das 2. Bild betrachten reicht, ist das selbe (Beschriftung eingefügt). Man kann beim Editieren keine Anhänge löschen
> ... meine Aufgabe lautet: Skizzieren Sie eine Schaltung, die die > Diffenenz zweier Eingangssignale in der Form Ua(t)=U3(t)-[U2(t)-U1(t)] > ausgibt. Kann es sein, dass ich mit U1, U2 und U3 drei Signale sehe?
Peter schrieb: >> ... meine Aufgabe lautet: Skizzieren Sie eine Schaltung, die die >> Diffenenz zweier Eingangssignale in der Form Ua(t)=U3(t)-[U2(t)-U1(t)] >> ausgibt. > > Kann es sein, dass ich mit U1, U2 und U3 drei Signale sehe? Ich habe die Aufgabenstellung zitiert. Ich sehe das auch so wie du, aber würde dir dadurch eine andere Lösung einfallen? Das wird wohl ein kleiner Fehler in der Formulierung sein, oder nicht?
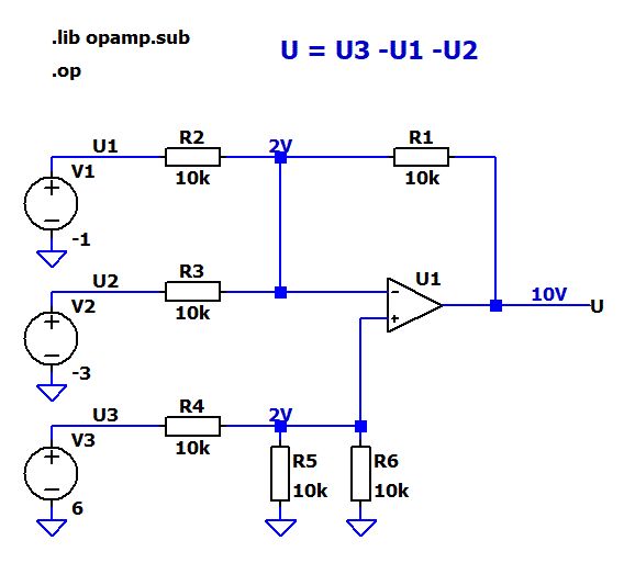
Im Anhang die Schaltung mit einem Opamp. Die Schaltung wurde mit LTspiceXVII gezeichnet und simuliert. Der Nachteil der Schaltung mit einem Opamp ist, dass der Strom den die Quellen U1 und U2 liefern müssen von der Spannung U3 abhängt.
Helmut S. schrieb: > Im Anhang die Schaltung mit einem Opamp. Die Schaltung wurde mit > LTspiceXVII gezeichnet und simuliert. > > Der Nachteil der Schaltung mit einem Opamp ist, dass der Strom den die > Quellen U1 und U2 liefern müssen von der Spannung U3 abhängt. Wow! Habs ausprobiert. Tatsächlich! Ich habe ja nicht wirklich dran geglaubt, wollte eher nur sicher gehen... Vielen Dank dir hey! Klasse!
U3(t)-[U2(t)-U1(t)] = U3-U2+U1 Damit ist die Schaltung immer noch falsch.
Dieter schrieb: > U3(t)-[U2(t)-U1(t)] = U3-U2+U1 > > Damit ist die Schaltung immer noch falsch. Dank Dieter für den Hinweis. Ich hatte die Klammern übersehen. Anbei die passende Schaltung.
Ausgehend vom klassischen Subtrahierer kann man durch Zusammenschalten jeweils mehrerer Eingangsspannungen über Widerstände (wie in Helmuts Beispielen gezeigt) beliebige Ausdrücke der Form Ua = c1*Ue1 + c2*Ue2 + c3*Ue3 + c4*Ue4 ... (die Verstärkungsfaktoren c1, c2, c3, c4 ... dürfen jeweils positiv oder negativ sein) mit einem einzelnen Opamp realisieren. Die hier gestellte Aufgabe ist ein Sonderfall davon.
Yalu X. schrieb: > Ausgehend vom klassischen Subtrahierer kann man durch Zusammenschalten > jeweils mehrerer Eingangsspannungen über Widerstände (wie in Helmuts > Beispielen gezeigt) beliebige Ausdrücke der Form > > Ua = c1*Ue1 + c2*Ue2 + c3*Ue3 + c4*Ue4 ... > > (die Verstärkungsfaktoren c1, c2, c3, c4 ... dürfen jeweils positiv oder > negativ sein) mit einem einzelnen Opamp realisieren. Die hier gestellte > Aufgabe ist ein Sonderfall davon. Der Nachteil der Lösung mit einem Opamp ist allerding, dass die Änderung eines einzelnen Gewichtungsfaktor eine Änderung vieler Widerstände nach sich zieht. Außerdem hängt die die Belastung der Eingangsquellen teilweise von den Spannungen der anderen Eingangsquellen ab. Bei der Lösung mit 2 Opamps gibt es keinerlei Beeinflüssung der Werte der anderen Widerstände. Außerdem ist dort die Belastung der Eingangsquellen unabhängig von den anderen Eingangsquellen. Zusammenfassung: "no free lunch" (NFL).
J. P. schrieb: > Wow! Habs ausprobiert. Tatsächlich! Ich habe ja nicht wirklich dran > geglaubt, wollte eher nur sicher gehen... Vielen Dank dir hey! Klasse! Ist eigentlich nicht verwunderlich. Da in deiner Schaltung ausschließlich lineare Elemente enthalten sind (ja, auch OPVs sind lineare Elemente) kannst du da super das Überlagerungsprinzip anwenden.
Helmut S. schrieb: > Außerdem hängt die die Belastung der Eingangsquellen teilweise von den > Spannungen der anderen Eingangsquellen ab. Dieses Problem hat man aber auch schon beim ganz gewöhnlichen Subtrahierer mit zwei Eingängen. Da hängt der Eingangsstrom des invertierenden Eingangs immer auch von der Eingangsspannung am nichtinvertierenden Eingang ab. Helmut S. schrieb: > Bei der Lösung mit 2 Opamps gibt es keinerlei Beeinflüssung der Werte > der anderen Widerstände. Außerdem ist dort die Belastung der > Eingangsquellen unabhängig von den anderen Eingangsquellen. Zumindest bei der Schaltung des TE ist die Belastung von U3 abhängig von U1 und U2. Um das zu vermeiden, bräuchte man wahrscheinlich noch einen dritten Opamp. Da die Eingangsquellen für die korrekte Funktion der Schaltungen sowieso niederohmig sein müssen, sehe ich die wechselnde Belastung nicht so sehr als Problem.
Bitte melde dich an um einen Beitrag zu schreiben. Anmeldung ist kostenlos und dauert nur eine Minute.
Bestehender Account
Schon ein Account bei Google/GoogleMail? Keine Anmeldung erforderlich!
Mit Google-Account einloggen
Mit Google-Account einloggen
Noch kein Account? Hier anmelden.




