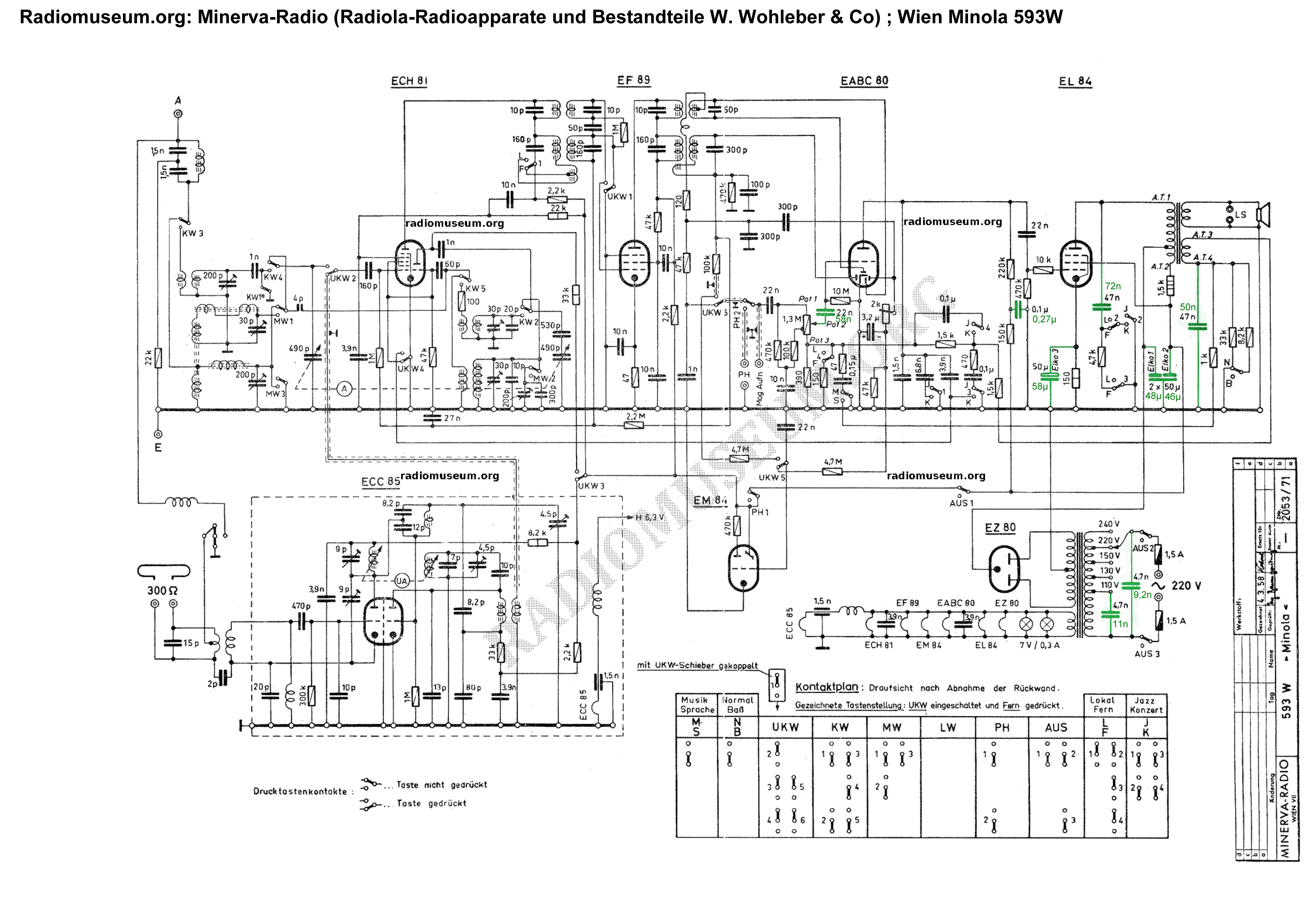
Hallo, ich würde gerne meiner Oma ihren Radio reparieren. Er lässt sich einschalten jedoch kommt nur ein Rauschen. Während der Sendersuche kracht es und mündet nur wieder in dem Rauschen. Die Lautstärkeregelung funktioniert. Es ist möglich das Gerät von 220V auf 240V Netzspannung umzustellen, soll ich dies machen? Ich habe einige Elkos mit einem Fluke 876B überprüft. Die Messung an den Entstörkondensatoren vor dem Netzteil ergaben 11 und 9,2 nF statt den nominal 4,7nF. Die drei größten Kapazitäten (alle drei in einem gemeinsamen Alu-Gehäuse) ergaben 58µ,48µ und 46µ statt 3x50µF. Alle Kondensatoren bis auf drei waren optisch in einwandfreien Zustand. Bei einem 47nF Kondensator(Foto) ist die Grundfläche gelb und die Deckfläche schwarz. An diesem Elko habe ich mit dem Multimeter 72nF statt 47nF gemessen. Ich habe dann am Oszi mit einem RC Glied (1kOhm und 9V) nachgemessen auf 58nF. Ein weiterer 47nF Kondensator ist etwas deformiert,Kapazität passt jedoch. Ein 0,1µF Kondensator hat eine schwarze Färbung am Mantel, Grund und Deckfläche sind jedoch normal(gelb). An diesem messe ich 0,27µ statt 0,1µ. Alle gemessenen Elkos habe ich im Schaltplan (ink. Messwert) eingezeichnet. Warum messe ich teilweise so hohe Werte? Die Kapazität kann durch Alterung nur niedriger werden, oder? Soll ich die optisch auffälligen Elkos trotzdem tauschen oder liegt der Fehler wo anders? Wie gehe ich am besten vor? ich bitte um Hilfe mit freundlichen Grüßen Otto
Rauschen kommt immer von der ersten (evtl. auch der zweiten) Stufe oder von einer fehlenden Verbindung in der Kette. Die Werte der Kondensatoren in den hinteren Stufen sind egal und erzeugen NIE Rauschen, höchstens Brumm. Elkos können ihre Kapazität spannungslos stark erhöhen, weil die Aluoxidschicht dünner wird. Das gibt sich wieder unter Spannung. Bei den Kondensatoren ist die Kapazität relativ egal, wichtiger ist in einem Röhrenradio ein hoher Isolationswiderstand, vor Allem zwischen Anodenspannung und Gitter. Wenn es bei Abstimmen kracht, liegt das am Drehkoschleifer (reingen). Im UKW-Bereich kann es nicht krachen, weil dort induktiv abgestimmt wird. Es scheint eine Verbindung zwischen den HF-Stufen oder zum Antenneneingang zu fehlen. Laß die Kondensatoren mal sein und reinige die Schalterkontakte (mit einem Pappstreifen). Gruß - Werner
Hallo Otto, Otto O. schrieb: > ich würde gerne meiner Oma ihren Radio reparieren. Er lässt sich > einschalten jedoch kommt nur ein Rauschen. Während der Sendersuche > kracht es und mündet nur wieder in dem Rauschen. Die Lautstärkeregelung > funktioniert. Beschreib das für die Fehlersuche mal genauer. 50 Hz ist eher Brummen als rauschen. Funktioniert KW / LW? > Es ist möglich das Gerät von 220V auf 240V Netzspannung umzustellen, > soll ich dies machen? Ja, wäre der Lebensdauer der Heizungen zuträglich.
Hast du denn auch ordentliche Antennen angeschlossen? Für UKW wie auch LMK?
Prüfe erstmal, ob der NF-Zweig funktioniert. Schließe dazu an "PH" einen MP3-Player an. Welcher Wellenbereich geht denn nicht oder geht keiner? Otto O. schrieb: > Die drei größten Kapazitäten (alle drei in einem gemeinsamen > Alu-Gehäuse) ergaben 58µ,48µ und 46µ statt 3x50µF. Das ist doch top. Oft steht auf Elkos: -20/+50% Toleranz, also 40..75µF ist o.k.
>Es ist möglich das Gerät von 220V auf 240V Netzspannung umzustellen, >soll ich dies machen? Ja, unbedingt machen, sonst geht das Gerät schnell kaputt, wenn nicht schon passiert. (Kondensatoren, Röhrenheizung). Der Netztrafo hat einen 240V Anschluss. Meistens gibt es in der Nähe des Netzkabels eine Art von Drehschalter oder Stiftplätchen zum umstecken. Sonst müsstet Du umlöten (sollte aber nicht nötig sein)
Mike schrieb: > Ja, unbedingt machen, sonst geht das Gerät schnell kaputt, wenn nicht > schon passiert. (Kondensatoren, Röhrenheizung). Unsinn.
>>Es ist möglich das Gerät von 220V auf 240V Netzspannung umzustellen, >>soll ich dies machen? Ja. Aber nicht weils sonst schnell kaputt geht.
Werner H. schrieb: > Rauschen kommt immer von der ersten (evtl. auch der zweiten) Stufe oder > von einer fehlenden Verbindung in der Kette. 50 Hz Rauschen wird oft als Brummen bezeichnet. Rauschen ist gewöhnlich breitbandig und lässt sich nicht durch Angabe einer Frequenz beschreiben, allenfalls durch ein Frequenzband.
Otto O. schrieb: > Während der Sendersuche > kracht es Drehko ausblasen, evtl auf Schluss untersuchen und ausbrennen (Ausbau, 100Watt-Glühobst in Serie) Otto O. schrieb: > kommt nur ein Rauschen. tagsüber normal auf AM-Bereiche, abends mehr Glück mit Antenne, evtl. ECH kaputt Otto O. schrieb: > 58µ,48µ und 46µ statt 3x50µF. Ist OK. Otto O. schrieb: > Warum messe ich teilweise so hohe Werte? Papierkondensatoren zogen Wasser, alle austauschen Otto O. schrieb: > Wie gehe ich am besten vor? Suchmaschine Deiner Wahl anwerfen, Signal einspeisen (z.B. der DMM-Piepser) und rückwärts abchecken, mit dem Plan dürfts kein Problem sein
Hallo, die beiden Kondensatoren auf der Primärseite des Netztrafos entfernen. 22nF kondensator an der Anode der EABC80 unbedingt erneuern. Danach die Spannungen an den Röhrenfassungen messen und hier posten. Pin 4,5 ist heizspannung, die kannst Du weglassen.
Beitrag #5784388 wurde von einem Moderator gelöscht.
Otto O. schrieb: > Wie gehe ich am besten vor? Schenk Deiner Oma für 10 € ein Transistorradio. mfg klaus
Danke für die ausführlichen und schnellen Antworten. Ich habe auf 240V Versorgungsspannung umgestellt, alle Elkos wieder eingelötet und alle Kontakte in der weißen Umrandung gründlich gereinigt. UKW funktioniert jetzt wunderbar. Es gibt auch kein Brummen, nicht einmal wenn das Gerät auf einer Frequenz ist auf der nicht gesendet wird. Leider habe ich die Verbindung von der mit dem Pfeil gekennzeichneten Induktivität zu "LW-Ferr" unabsichtlich unterbrochen. Dh. wollte ich vorsichtshalber noch nicht LW testen. Ich werde den 22nF Kondensator an der Anode der EABC80 tauschen und die genannte Induktivität wieder verbinden. Zum Post von Peter D hätte ich noch eine Frage. Kann ich einen mp3 Player oder ein raspberry am Phono Eingang mit guter Audioqualität betreiben oder braucht man dazu etwas dazwischen? Außerdem sind anbei die Audioaufnahmen VOR der Kontaktreinigung
Otto O. schrieb: > braucht man dazu etwas dazwischen? Führe L und R über zwei 1kOhm zu einem Monosignal zusammen. Es könnte sein das die Wiedergabe etwas leise ist. Wenn es dir zu leise ist, noch eine Verstärkerstufe zwischenschalten oder mit einem NF-Übertrager hochtransformieren. Der MP3-Spieler ist ja niederohmig und der NF-Eingang vom Radio ist hochohmig.
Günter Lenz schrieb: > Der MP3-Spieler > ist ja niederohmig und der NF-Eingang vom Radio > ist hochohmig. Gerade das ist kein Problem, die können das gut ab.
Ich habe L und R über jeweils einen 1kOhm Widerstand zu einem Monosignal zusammengeführt. Hat super funktioniert, danke. Sowohl Lautstärke als auch Qualität ist top. Die eine Induktivität hab ich wieder verbunden. Dann hab ich mit der internen Antenne, mit der Wasserleitung und zu guter Letzt mit der Gasleitung (wie in der Betriebsanleitung empfohlen) versucht FM zu empfangen und bin gescheitert. Nur stille bei LW,MW,KW. Es gibt beim Abstimmen kein "krachen" mehr.
Hallo, ob Du dem weiter nachgehst ist Deine Entscheidung, Ortssender gibt es da ja keine mehr. Es ist gut möglich, daß der Oszillator auf AM nicht mehr schwingt, weild as C-System der ECH81 taub geworden ist. Das passiert, wenn jehrelang nur UKW gehört wird, ohne Anodenspannung stirbt das durch Zwischenschichtbildung. War umgekehrt auch auf UKW so: wenn jahrelang nur AM gehöert wurde, ging UKW wegen tauber ECC85 nicht mehr. Später hat man einen hochohmingen Widerstand über den Schaltkontakt gelötet (hier den UKW3 Kontakt). Damit floß ein sehr geringer Anodenstrom mit dem zwar der Oszillator nicht anschwang aber die Zwischenschichtbildung verhindert wurde. Gruß aus Berlin Michael
Bitte melde dich an um einen Beitrag zu schreiben. Anmeldung ist kostenlos und dauert nur eine Minute.
Bestehender Account
Schon ein Account bei Google/GoogleMail? Keine Anmeldung erforderlich!
Mit Google-Account einloggen
Mit Google-Account einloggen
Noch kein Account? Hier anmelden.



