Hallo, ich habe hier einen MOT(Microwave Oven Transformer), welcher 2300V Ausgangsspannung und 700mA Ausgangsstrom hat. Jedoch benötige ich eine Spannung im Bereich von 5KV bis 10KV. D.h. ich muss die Spannung umformen.. Der Trafo hat 2300V * 0,7A = 1610W. Aufgrund der sehr hohen Ausgangsleistung des Trafos kann ich (durch Verluste beim Umformen) auf ein paar Watt verzichten. Einsatzgebiet des Ganzen soll ein Teslatrafo werden. Deshalb ist die Spannung von 2300V meiner Einschätzung nach zu gering für den direkten Betrieb eines Tesla-Trafos, oder? Ich sehe das Problem im Zünden der Funkenstrecke bei solch einer niedrigen Spannung. Welche einfachen Möglichkeiten zur Umformung der Spannung gibt es? Reicht es, wenn ich mir zwei Spulen wickle? Vielen Dank schon einmal im Voraus. Daniel
Habe schon erfolgreich 4 MOTs in Serie geschaltet, ist aber nicht trivial, da meist das "kalte" Ende der HV-Spule mit dem Kern verbunden ist. Diese Verbindung hab ich auf den beiden äußeren Trafos jeweils mit dem heißen Ende der beiden inneren Trafos verbunden. Die beiden inneren Kerne habe ich mit PE verbunden, sodass ich sozusagen "-4,6 und +4,6 kV" an den beiden heißen Enden der äußeren Trafos habe. Wichtig ist dabei die Phase der Primärwicklungen, sonst subtrahieren sich die Spanungen. Habe mal auf einer der Coiling-Seiten über jemanden gelesen, der hat die beiden äußeren Trafos in ein Ölbad gestellt. Naja, finde ich etwas übertrieben. Happy Coiling, und bitte berichte über Deine Erfahrungen. Und: Vorsicht ist die Mutter der Porzellankiste ... und des langen Lebens.
An Reihenschaltung habe ich auch gedacht. Leider ist es mir unmöglich
weitere MOTs mit den gleichen Nenndaten zu bekommen. Übliche MOTs haben
ja nur um die 800W.
Ich bräuchte im Prinzip noch einen Trafo hinter dem MOT, der mir aus
den 2300V 5 bis 10KV macht... Wäre super, wenn man sowas selberbauen
könnte...
>>Habe schon erfolgreich 4 MOTs in Serie geschaltet
Muss ja ne fette Teslaspule sein, die Du da hast.
Daniel
>>Happy Coiling, und bitte berichte über Deine Erfahrungen. >>Und: Vorsicht ist die Mutter der Porzellankiste ... und des langen >>Lebens. Danke! Das werde ich beherzigen.
Dann kannst Du Dir den 230->10kV Trafo gleich selbst wickeln. Nochwas, an einer Jakobsleiter verhält sich diese 4fach-MOT-Schaltung ganz anders als ein echter spannungssteifer HV-Trafo mit Primärstrombegrenzung. Die Überschläge sind bei letzterem deutlich aggressiver. Aber sie sind schwieriger zu bekommen. Zum Thema Sicherheit ist mit noch was eingefallen: Es gibt Draufgänger (was man bei HV durchaus wörtlich nehmen muss) und übervorsichtige Menschen. Ich siedle mich in der Mitte ein. Dennoch muss man wirklich 200% aufpassen (was über längere Zeit schlichtweg unmöglich ist) und auch mit dem "Unmöglichen" rechnen. Z.B. erschrecke ich oft, wenn ich voller Spannung auf einen Überschlag warte, und ein anderes Geräusch auftritt, z.B. Telefon oder Mitmenschen. Oder man stolpert oder zittert. Mein Vorschlag: einen Sicherheitsschalter mit Reißleine an der Decke anbringen, mit dem man den ganzen Raum stromlos machen und alle Cs entladen kann. Die Schnur am Oberkörper befestigen, sodass keine Gefahr besteht, wenn man hinfällt, weil der Strom ohne weiteres aktives Zutun abgeschaltet wird.
Hi also generell finde ich ja technisch gesehen alles toll. Ich stelle mir nur die gerade die Frage: Wozu brauchst du das ? Ich bin nur neugierig! Grüße
"Diese Verbindung hab ich auf den beiden äußeren Trafos jeweils mit dem heißen Ende der beiden inneren Trafos verbunden." soll heißen: Diese Verbindung hab ich auf den beiden äußeren Trafos jeweils aufgetrennt und mit den heißen Enden der beiden inneren Trafos verbunden. "als ein echter spannungssteifer HV-Trafo mit Primärstrombegrenzung." MOTs und die einfachen Schweißtrafos mit einstellbarem Kern fürs Elektrodenschweißen kann man sehr gut als Primärstrombegrenzung für einen spannungssteifen Trafo (Pole Pig, Meßumformer) verwenden, indem man sie in den Primärkreis seriell einfügt und den Ausgang kuzzschließt. Allerdings werden sie sehr schnell ziemlich heiß, deshalb habe ich je 2 in Reihe und 2 parallel geschaltet. Die 700mA sind eigentlich die Std-Größe. Meine heißen z.B. TABUCHU ELECTRIC MADE IN UK 4231 078 44081 14V7 ZU 220/240V 50Hz 1350W CLASS H (Primär mit Thermosicherung) 3.15V 13A (Heizung) 2.3KV 0.7A (Sekundär) MOULINEX FRANCE Temp-Class H TYPE 5570250 220V 50HZ 1100VA 2100V 3.15V (dieser hat das kalte Ende nicht am Kern, sondern herausgeführt) Masse je 5250 Gramm (hätte ich gar nicht gedacht). Die 800W sind eher die Ausgangsleistung des Magnetrons. Die von Dir berechneten 1610 W sind nicht zutreffend wegen des nichtsinusförmigen Stromes.
Also bei 1600W nützt auch keine Reißleine mehr. Mit sehr sehr viel Glück hat man keinen Herzstrom sondern nur verkohlte Gliedmaßen. Wer früher stirbt, ist länger tot. Peter
10kV bekommt man problemlos aus 6 MOTs, wenn man immer zwei in Reihe schaltet und einen Verdoppler dahinter. OK, dann braucht man wieder Kondensatoren usw. Die kann man sich aber sparen, wenn man das ganze an 3Phasen betreibt. So erhält man 10kV bei rund 10kW Dauerleistung. Und das ganze liefert dazu noch eine fast saubere Gleichspannung, ganz ohne Kondensatoren
>>So erhält man 10kV bei rund 10kW Dauerleistung.
Ich will nicht gleich übertreiben... Das ist mein erster Teslatrafo.
Und ich habe auch nicht vor wegen des Trafos draufzugehen.
Das mit dem Sicherheitsschalter werde ich auf jeden Fall einbauen. Auch
eine Sicherheitsfunkenstrecke wird eingebaut.
Das Umformen der Spannung scheint also doch etwas komplizierter zu
werden.
Meint Ihr, die 2,3KV reichen um den Teslatrafo direkt zu betreiben?
Von der Leistung her reicht der Trafo auf alle Fälle fürs erste. Nur
die Spannung...
Wie sähe es mit einer Villard-Kaskade hinterm Trafo aus? Wäre das zu
relisieren?
Daniel
@Benedikt
>>...und einen Verdoppler dahinter.
Meinst Du mit "Verdoppler" ein Villard-Glied?
@Frank
>>Wozu brauchst du das ?
Tja. Mich hat die Tesla-Sucht gepackt. Da kann man nichts dagegen
unternehmen... ;)
Nein, kein Villard, sondern ein Ende der Trafowicklung wird mit dem Mittelpunkt aus zwei Kondensatoren verbunden, aus dem anderen werden mit Dioden je die positive und die negative Halbwelle über Dioden in die Kondensatoren geladen. Das kann man dann 3Phasig erweitern und kann auf die Kondensatoren verzeigen. 2,3kV sind für Tesla etwas wenig, vor allem wenn der Strom hoch ist hat man dann folgendes Problem: Es springt fast kein Funke an der Funkenstrecke über, und wenn der doch überspringt, dann geht er nicht mehr aus. Ich würde daher für die erste Teslaspule einen Zeilentrafo nehmen. Der liefert bis zu 50kV, oder auch 50mA was ausreichen sollte. Und das ganze läuft mit 12-50V. Und es ist nicht so ganz gefährlich wie ein MOT.
Die Dioden und Kondensatoren für diese hohen Spannungen sind nicht leicht zu bekommen oder? Ich habe gelesen, Neontrafos seinen super geeignet. Hat jemand so einen, den er/sie nicht mehr braucht? Daniel
Dioden in der Größenordnung sind für Normalverbraucher eigentlich garnicht zu bekommen. Aber man kann ja 20x 1kV Dioden (z.B. 1N4007) in Reihe schalten. Dioden aus Mikrowellen sind etwa für 10kV bei 0,5-1A ausgelegt. Kondensatoren sind ab und zu schon zu bekommen. Pollin hatte vor kurzem 8kV Kondensatoren mit etwas über 10nF. Neontrafos sind auch relativ schwer zu bekommen, wenn man nicht viel Geld ausgeben möchte und nicht viel Glück hat. Ölbrennertrafos sind leichter zu bekommen, halten aber nicht viel aus (empfindlich gegenüber Überspannung, kein Dauerbetrieb usw.)
Ginge solch eine Verdopplerschaltung in meinem Fall? Dann hätte ich theoretisch so um die 6,5KV DC anliegen(da sich im Kondensator ja dann der Spitzenwert des Sinus befindet: 2300* Wurzel 2 und das ganze zwei mal). Liege ich mit dieser Annahme richtig? Ansonsten würde eventuell eine rotierende Funkenstrecke Abhilfe schaffen. Geringe Elektrodenabstände lassen den Funken leicht überspringen und die Rotation löscht ihn auch wieder hervorragend. Ginge das oder ist immer noch mit starken Defiziten zu rechnen? Daniel
Die Hochspannungskondensatoren bei Pollin scheinen weg zu sein. Es gibt nur noch solche mit 2000V Spannungsfestigkeit. Wenn ich ein paar von denen(knapp 1nF) in Reihe schalte ist wohl die Kapazität zu klein oder reicht die dann noch??
Es geht so halb. Jeder Kondensator wird nur jede zweite Halbwelle geladen -> große Kondensatoren notwendig. Außerdem hat man dann eine Gleichspannung. Man braucht also eine sehr große Spule um einen Kurzschluss zu verhindern wenn die Funkenstrecke zündet. Ich rate von einer TC mit einem MOT ab, da es mehr Probleme macht als nützt. Versuchs doch mal mit einem Zeilentrafo aus einem TV. Heutige Zeilentrafos haben den Gleichrichter schon eingebaut und können auch einige 100W an Leistung liefern.
Der hat zwei MOTs (+einen als Strombegrenzung) und Spannungsverdoppler: http://user0815.tripod.com/tesla_FBA_Binder/ http://dnx9ir.homeip.net/ Aber was spricht gegen mehrere Trafos (außer das Gewicht)? Die bekommst Du an jedem Wertstoffhof und bei jedem Elektrohändler geschenkt. @Benedikt: war vorher schon versucht, ebensolches (Drehstrom) vorzuschlagen. Dabei stellt sich die Frage, ob Gleich- oder Wechselspannung besser ist (kommt vermutlich auf die Gap an). Ich hätte nämlich vorgeschlagen, aus dem Drehstrom einen einphasigen Strom zu erzeugen. Das geht, indem man alle Sekundärspulen in Reihe schaltet und die drei Drehstrom-Phasen passend an die Primärspulen klemmt. Dabei gibt es zwei Fälle: Ausgangsspannung gleich Null: dann die Polarität einer Primären ändern. Dann tritt Fall zwei ein: Ausgang ist 2 * sqrt(3) * Usek= 7967 V (einphasiger Wechselstrom) Auf allen 3 Phasen fließt der selbe Strom, also kann richtig Power gezogen werden (3 16A 230V = 11040W), kurzzeitig natürlich mehr (bis die Sicherung fliegt). Meine Spule ist eine mit 1300 Wdg 0,5mm baumwollumwoben (hatte ich gerade eine Rolle da) auf 11cm PE-Rohr, also eher klein. Leider ist das Verhältnis Länge/Durchmesser mit 10:1 etwas ungünstig, ideal ist 5:1 bis 7:1. Unglaublich, dass pro mm Drahtlänge mehr als ein Volt induziert wird (Drahtlänge ist 1300 * 0,111 * pi = 453332 mm). Die HiPower verwende ich für Jakobsleitern. Bei einem der letzten Versuche ist der Bogen oben nicht abgerissen, das hat dann ausgesehen wie das 500kV-Video in Klein. Der Elektrodenabstand war oben 50cm, die effektive Bogenlänge mindestens das Dreifache. Alles nur eine Frage der Leistung.
Habs mir gerade nochmal überlegt, es sind nur 2 * Usek = 4600V, da die Primären ja an 230 und nicht an 400 V hängen. Du hast zwar mit drei Trafos nur die doppelts Spannung, dafür ist die Scheinleistung auf alle drei Phasen gleichmäßig verteilt. Also doch sechs Trafos hintereinander und dann 4 * Usek = 9200V @0,7A = 6440 VA ;-)
Die Idee mit den MOTs an Drehstrom habe ich von hier: www.philer.de/ Der hat einfach zu viele MOTs und nutzt die für alles (als Gewichte usw.) Der 3 Phasen Lichtbogen bei dem ist auch nicht schlecht: 3 Lichtbögen die sich in der Mitte treffen. Er verwendet auch die 6 MOTs + Gleichrichter (macht ja 10kV mit >2A Kurzschlusstrom) und er zieht dann Lichbögen die etwa 1m lang sind. Irgendwie schafft er das aber auch mit nur 2 MOTs und einer Menge Mikrowellenkondensatoren. http://www.philer.de/Bilder/
Es sollte doch möglich sein mit meinem MOT und einer rotierenden Funkenstrecke eine Tesla Coil zu bauen.. Ich denke, ich werde es einfach versuchen. Ich habe leider nicht so einfach Zugriff auf einen Zeilentrafo.
Ich bins wieder ;) Wie groß müssten denn die Kondensatoren ungefähr sein, um einen Verdoppler aufzubauen? Daniel
Bei der Verdoppler Schaltung hat man das Problem, dass die Kondensatoren zwei Halbwellen zum Laden brauchen. Mehr als 50 Entladungen/s sind also nicht drin. Ich hatte die Kondensatoren direkt als Kondensatoren für die Teslaspule verwendet und daher nur kleine mit 2x 100nF verwendet. Wenn man mehr Leistung will, sollte man 1uF verwenden und zwischen diesen und den eigentlichen Kondensatoren vom Primärkreis eine große Spule als Entkopplung einbauen. Dann sind auch mehr Entladungen möglich.
OK, ich werde versuchen solche aufzutreiben. Vielleicht gehts ja auch direkt. Das mit der rotierenden Funkenstrecke sollte funktionieren. Ich habe einige Teile noch nicht beisammen, deswegen kann ich es noch nicht ausprobieren. Daniel
..."vielleicht gehts ja auch direkt ohne Verdoppler". So sollte es heißen. ;) Daniel
Ich habe heute einen zweiten MOT bekommen. Dessen Nenndaten kenne ich nicht(hat kein Typenschild). Der Kondensator in der Mikrowelle, in der er drin war hat eine Nennspannung von 2100V. Also kann ich davon ausgehen, dass er um die 2100V bringt. Kann ich die beiden(2300V/700mA und 2100V/???mA) primär parallel und sekundär in Reihe schalten, damit ich die doppelte Ausgangsspannung habe? Wird nicht dann der Schwächere vom Stärkeren zerstört? Daniel
Kleiner Tipp noch, wenn man einen Teslatafo ohne "Vorhochspannungstrafo" bauen möchte: http://www.ctc-labs.de/html/drsstc_s.html
Vielen Dank! Inzwischen habe ich aber die 2MOTs in Reihe hängen...sollte so funktionieren. Demnächst werde ich mit dem Bau anfangen. Leider habe ich noch nicht alle Teile(z.B. das Rohr für die Secondary...dieses ist schwer zu bekommen mit >30cm Durchmesser). Daniel
..Ach ja, die 30 cm Durchmesser der Secondary rühren daher, dass ich das Ding lieber etwas größer auslege, da ich ja auch mit ca. 3KW arbeite...
Hi, der Thread ist zwar schon alt, aber ich möchte Euch mal von meiner Teslaspule berichten. Zuerst ein paar Daten: Sekundärspule: 16cm Durchmesser, 80cm bewickelt mit 1mm Draht(eigentlich sollte die Spule 1,2m lang werden, aber der Motorenhersteller, von dem der Draht war, hat sich verrechnet und bei 80cm ist mir der Draht ausgegangen). Primärspule: 36cm Innendurchmesser, spiralförmig mit 8mm Kupferrohr, 9 Windungen. MMC: 26nF, 24kV bestehend aus 60 WIMA FKP1 Folienkondensatoren Zuerst hatte ich es damals dann mit dem 2-MOT-Stack und einer rotierenden Funkenstrecke versucht. Doch leider bekam ich überhaupt keine Funken aus der Spule. Grund dafür war, wie sich später herausstellte, dass 1. die Funkenstrecke mit etwa 80bps viel zu lahm war. Außerdem verursachte sie starke Quenching-Probleme, was dazu führte, dass der MOT-Stack Power-Arcs erzeugte und somit den Schwingkreis am Schwingen hinderte. Außerdem war die Spannung von etwa 4kV AC immer noch etwas zu wenig. Mit einer seriellen Mehrfachfunkenstrecke aus Kupferröhrchen konnte ich der Spule dann die ersten Blitzchen entlocken. Die waren zwar 90cm lang, aber nur ganz dünn. Zwischenzeitlich hatte ich den MMC auf 114nF @11,2kV umgestellt. Doch damit kam ich nicht auf Resonanz. Vor etwa 2 Monaten gelang mir dann endlich der Durchbruch. Mit dem Bau eines 4-MOT-Stacks, welcher mir nun 8kV @ 500mA bringt, konnte ich sehr gute Ergebnisse erzielen. Der MMC wurde wieder auf 26nF @24kV umgebaut. Jetzt passte endlich alles zusammen und ich erschrak ganz, als mir dann beim Testlauf 1m lange Blitze entgegenkamen. Nachdem ich dann noch einen neuen Torus aus einem alten Schlauch aus einem Autoreifen, beklebt mit Alutape, auf die Spule gesetzt habe und alles mit Messtechnik in Resonanz gebracht wurde, erhielt ich ca. 1,2m lange, grelle und laute Blitze! Das ist der aktuelle Status. Ich bin schon seit Längerem auf der Suche nach einem richtig dicken Hochspannungstrafo. Irgendwas mit 10 bis 30kV und mindestens 10kW Nennleistung. Falls ich nichts dergleichen bekomme möchte ich mir einen Drehstrom-6-MOT-Stack bauen. KAnn mir bitte jemand mal genau erklären, wie die MOTs zu verschalten sind? Ich möchte nur auf nummer sicher gehen, bevor ich was falsches mach. Im Anhang liegt noch ein Bild meiner Teslaspule. Und hier noch ein paar Bilder(als Links, damit ich nicht 5 mal posten muss...) http://img146.imageshack.us/img146/5052/sgtcinrhrenkbelzq9.jpg http://img83.imageshack.us/img83/8035/sgtcnewtorus2if9.jpg http://img227.imageshack.us/img227/7489/sgtcnewtorus5or5.jpg http://img207.imageshack.us/img207/9561/sgtcnewtorus8nz3.jpg Daniel
Ist das gut für so nen PC Monitor wenn da die Blitze durch gehen? Ist man getoastet wenn man einen Blitz ab bekommt?
Der PC Monitor hatte irgendwie einen Rosastich und wurde mir zum Ausschlachten gebracht. Ich ließ ihn dann ein Testbild anzeigen und die Teslaspule einschlagen. Schon der erste Blitz, der vorn in die Röhre einschlug hat ihn gekillt ;) Ob einen solch ein Blitz grillt ist eine schwer zu beantwortende Frage. Zum einen wirkt der Skineffekt, welcher verhindert, dass der Strom ins Gewebe eindringt, da es sich um HF(200kHz) handelt. Zum Anderen handelt es sich aber um riesige Pulsleistungen von ca. 4MW. Die Blitze einer kleineren Spule kann man problemlos anfasen, wie im Anhang zu sehen ist. In dem Bild fasse ich an meine SSTC, die mit etwa 400W läuft. Man spürt bei jedem Einschlag ein Pfetzen. Unglücklicherweise hab ich auch schon mal was von der großen Spule ababekommen, als ich eine Leuchtstoffröhre in ihre Richtung hielt. Aber damals waren es nur so dünne Fünkchen. Auf jeden Fall hat es sehr weh getan... Daniel
Daniel R. wrote: > Ob einen solch ein Blitz grillt ist eine schwer zu beantwortende Frage. > Zum einen wirkt der Skineffekt, welcher verhindert, dass der Strom ins > Gewebe eindringt, da es sich um HF(200kHz) handelt. Das ist leider nicht ganz korrekt: Der Skineffekt macht sicht bei gleichmäßigen Leitern bemerkbar, nicht aber wenn der Leiter innen sehr viel besser leitet als außen. (Innen salzhaltiges Gewebe + Blutbahn, außen Haut + isolierendes Fettgewebe). Der Grund warum das ganze aber ungefährlich ist: Aufgrund der HF ist der Körper gut leitfähig, so dass kaum Verluste (=Erwärmung) entsteht. Außerdem sind einige kHz weit oberhalb von der normalen Frequenzen die im Körper vorkommen. Der Körper wird durch den Strom also nicht beeinflusst, die Nerven sind zu träge um auf die HF zu reagieren. > Die Blitze einer kleineren Spule kann man problemlos anfasen, wie im > Anhang zu sehen ist. In dem Bild fasse ich an meine SSTC, die mit etwa > 400W läuft. Man spürt bei jedem Einschlag ein Pfetzen. Vermutlich spürt man dabei vor allem die Hitze. Bei meiner 400W SSTC spüre ich nichts, wenn ich geerdet bin. Ansonsten ergibt sich eine Art Spitzengleichrichteffekt, der micht auf ein paar kV aufläd die sich dann beim nächsten Funken wieder entladen. Diesen Gleichstrom spürt man. Die reine HF aber nicht. Bei einer SGTC ist aber leider immer ein niederfrequenter Anteil in der Ausgangsspannung enthalten, der durch die Kopplung von der Primärspule übertragen wird. Das kann gefährlich werden. Nicht schlecht die Spule.
Hallo, das Thema finde ich sehr faszinierend. Könnt ihr mir ein paar gute Links bzw. Literatur vorschlagen um sich in das Thema einzuarbeiten?
Übrigens @Benedikt > das ist leider nicht ganz korrekt: > Der Skineffekt macht sicht bei gleichmäßigen Leitern bemerkbar, nicht > aber wenn der Leiter innen sehr viel besser leitet als außen. (Innen > salzhaltiges Gewebe + Blutbahn, außen Haut + isolierendes Fettgewebe) Aber wenn man überlegt wie dünn die äußeren Hautschichten sind spielen sie bei der Betrachtung, wenn der Hautwiderstand erst einmal überwunden wurde, keine Rolle mehr. So kann man den Körper schon als gleichmäßigen Leiter betrachten bei dem der Strom schon an die äüßeren Körperpartien gedrängt wird. Deswegen überleben einige Leute auch direkte Blitztreffer da dieser für den Bruchteil der Zeit hochfrequent wirkt und die inneren Organe somit nicht so arg betroffen sind. Ansonsten sind wie du schon sagst hochfrequentere Ströme im Gegensatz zu 50Hz unkritisch da sie keine Muskelverkrampfungen und Herzkammerflimmern auslösen.
Der Formel (siehe http://de.wikipedia.org/wiki/Skineffekt) nach, dringt Strom mit 50Hz etwa 50m in einen Menschen ein. Bei 1MHz sind es noch etwa 15cm, womit die Skineffekt Thorie eigentlich wiederlegt wäre. Die Leitfähigkeit habe ich dabei als 10S/m angenommen und die relative Permeabilität mit 1. Die Werte sind aber nur geraten. Bei Blitzen gibt es noch andere Effekte, z.B. kann es für einen Blitz Energetisch günstiger sein, neben einem Metalldraht entlang zu laufen, als in diesen einzudringen. Ich muss zugeben, ich habe mich dem ganzen Thema noch nie wirklich intensiv beschäftig, wenn also sich jemand damit wirklich gut auskennt, wäre es mal interssant wenn er meine Behauptung bestätigen oder widerlegen könnte.
Wieso wiederlegt, du hast es doch selber ausgerechnet. Außerdem ist doch ersichtlich das die Vervierfachung der Frequenz eine Halbierung von Delta zur Folge hat, somit nimmt mit steigender Frequenz die Eindringtiefe definitiv ab. Der Strom sucht sich immer den Weg des geringsten Widerstandes und wenn die Luft stark ionisiert ist nimmt er halt diesen Weg. Es gibt ja noch ungeklärte Phänomene wie den Kugelblitz da spielen bestimmt noch andere Faktoren eine Rolle. Ich habe mich ebenfalls nicht großartig mit dem Thema auseinander gesetzt und will auch nicht darauf pochen das ich hier die einzig wahre Wahrheit schreibe, aber es ist nach besten Wissen und Gewissen.
Christian Z. wrote: > Wieso wiederlegt, du hast es doch selber ausgerechnet. Ja: 15cm. So dick ist aber kein Arm. Und wenn man das ganze mit 10kHz rechnet, dann kommt man auf 1,5m Eindringtiefe. So dick ist niemand, und trotzdem sind die 10kHz ungefährlich. > Ich habe mich ebenfalls nicht großartig mit dem Thema auseinander > gesetzt und will auch nicht darauf pochen das ich hier die einzig wahre > Wahrheit schreibe, aber es ist nach besten Wissen und Gewissen. Du bist nicht der einzigste der das schreibt. Das findet man eigentlich überall, aber es gibt leider nirgends einen Beweis dafür (leider genausowenig für meine Theorie.) Vermutlich liegt die Wahrheit irgendwo dazwischen.
Schau dir mal unter folgenden Link die Warnhinweise an. Die Stromdichte nimmt aber auch mit der Eindringtiefe ab, d.h. die größte Stromdichte ist immer noch äußerlich.
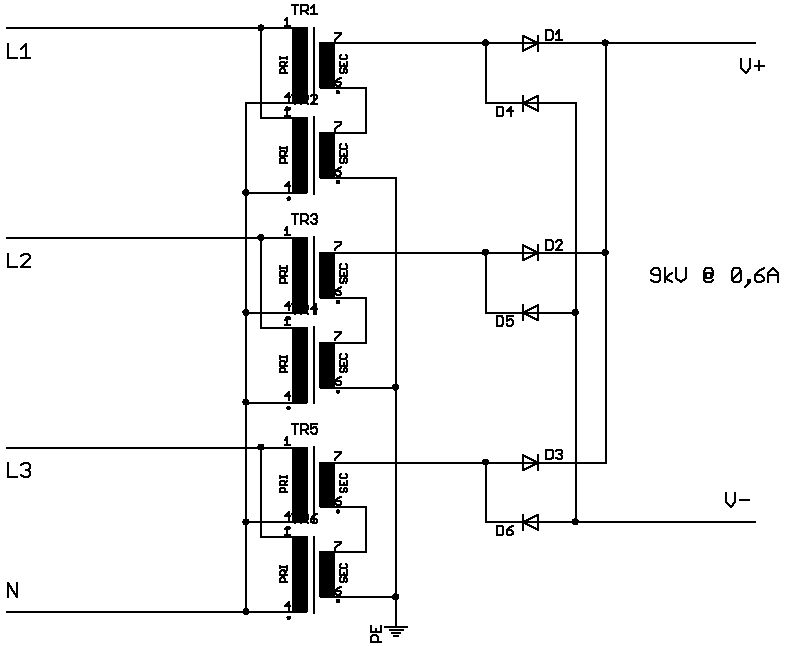
Zur Literatur: Ich habe "Sein Werk" von Nikola Tesla. Das sind 6 Bücher, in denen er unter Anderem sein Leben und Werken beschreibt. Darin sind viele Details und Erklärungen vom Erfinder persönlich zu lesen. Nachdem man das gelesen hat, denkt man völlig anders über Energie und Effizienz nach... Sehr empfehlenswert, aber mit ~120€ auch nichts für den kleinen Geldbeutel. Darüberhinaus habe ich "das große Tesla Experimentierhandbuch" von Günter Wahl. Darin werden praxisnahe Aufbauten und Methoden beschrieben. Das Thema ist sehr komplex und man braucht ewig um die Funktionsweise zu verstehen. Vieles lernt man auch erst mit "den Jahren". Darüberhinaus sind diverse Teilgebiete, wie die Verhaltensweise der Schwingkreise bzw. deren Zusammensetzung aus Induktivität und parasitärer Kapazität noch relativ unerforscht. @Benedikt: Kannst Du mir bitte den Aufbau eines Drehstrom-6-MOT-Stacks beschreiben? Ich würde je 2 sekundärseitig in Reihe schalten und die dann primärseitig parallel auf eine Phase hängen. Das ganze also im Stern verschalten. Nur wie erzeuge ich dann eine einphasige Ausgangsspannung? Einfach alle Sekundärspulen in Reihe schalten? Wird dann das Potenzial der Äußeren SEKs zum Kern nicht zu groß, sodass der MOT durchschlägt? Muss man die Spannung dann unbedingt gleichrichten? Daniel
Daniel R. wrote: > Kannst Du mir bitte den Aufbau eines Drehstrom-6-MOT-Stacks beschreiben? > Ich würde je 2 sekundärseitig in Reihe schalten und die dann > primärseitig parallel auf eine Phase hängen. Das ganze also im Stern > verschalten. Nur wie erzeuge ich dann eine einphasige Ausgangsspannung? > Einfach alle Sekundärspulen in Reihe schalten? Wird dann das Potenzial > der Äußeren SEKs zum Kern nicht zu groß, sodass der MOT durchschlägt? > Muss man die Spannung dann unbedingt gleichrichten? Ohne Gleichrichter kommt am Ende 0V raus, da sich die einzelnen Spannungen addieren, und unter Berücksichtigung der Phasenlage so zu Null ergänzen. Primär ist es so wie du es gemacht hast, sekundär werden immer die beiden MOTs einer Phase mit dem Metallkern verbunden, der nicht geerdet ist. Jeweils ein Anschluß der 3 Trafos wird verbunden, die anderen 3 Enden gehen an einen Gleichrichter. Ich habe mal die Schaltung angehängt, so wie ich es auf den Bildern erkenen konnte. Ausprobiert habe ich es selbst noch nicht, da ich momentan nicht genügend MOTs dazu besitze.
Vielen Dank Benedikt! Dann werde ich mal ein paar Dioden zusammenbauen. 10kV Spannungsfestigkeit sollte reichen oder? Es liegen ja nicht die vollen 9kV an einer Diode an, wenn ich das richtig sehe. Momentan habe ich 7 MOTs zur Verfügung. Das Problem wird sein, dass der Stack ungedrosselt an die 30kW ziehen wird. Deshalb werde ich wohl pro Phase noch ein bis zwei DrosselMOTs vorsehen müssen. Ich sehe es kommen: Der Stack wird über 60kG wiegen! Ein wahres Kraftpaket. Bin gespannt, wie meine SGTC damit abgehen wird. Vor allem: Da ist auch in der jetzigen Konstellation noch viel rauszuholen, da die Kopplung momentan viel zu klein ist. Diese werde ich demnächst mal erhöhen. Dann dürfte ich mit dem 4-MOT-Stack auch schon auf 1,5 bis 2m kommen ;) ...Irgendwie wird man größenwahnsinnig, wenn man mal eine TC gebaut hat ;)))) Zu Ehren Nikola Teslas! Daniel
Bei sowas brauchst du eine gute Funkenstrecke, denn aufgrund der 3 Phasen gibt es keinen Nulldurchgang mehr. Die Ausgangsspannung wird bei nahezu konstant 9kV DC (vielleicht +/-1kV im Leerlauf oder sowas in der Richtung) liegen. An Dioden würde ich mindestens das doppelte vorsehen, da sich die Spannung nie gleichmäßig auf alle Dioden aufteilt. In der Orginalschaltung wurden je 25 Dioden in Reihe verwendet, also 150Stk insgesamt. Den genauen Typ kann man nicht erkennen, aber ich vermute 1N4007 oder sowas in der Richtung.
Hochspannungsdioden Made in Germany: http://www.diotec.de/service/applikation/ paar Distris gibts auch, wenn Betteln nicht hilft: http://www.diotec.de/kontakt/distri/?land=Deutschland Arno
Danke für die Links. Ich verwende eigentlich immer 1N5408. Die können 1kV bei 3A. Ich kenne jemanden (aus dem Netz), der einen 6-Mot-Stack primärseitig im Dreieck betreibt. D.h. sekundärseitig ist alles gleich wie im Schaltplan von Benedikt, primärseitig werden jedoch pro Phase immer 2 MOTs in Reihe geschaltet und zwischen 2 Phasen gehängt, also Dreieck. Was ist wohl die bessere Variante? Ich denke ich werde die Dreieck-Variante bauen, da meine Drehstrom-Steckdose nicht "artgerecht" verdrahtet ist. Es sind nur 1,5mm² Drähte in der Wand. Mit der Dreieck-Version schütze ich den Nullleiter vor Überhitzung und Kabelbrand. Daniel
Die Spannung bei der Dreieck Version ist etwas geringer: Bei der Stern Version erreicht man 2x MOT Spannung (da primär parallel, sekundär in Reihe) Bei der Dreieck Version erreicht man Wurzel(3) x MOT Spannung (da primär in Reihe an 400V) und Sekundär in Reihe) Letztere müsste hinter dem Gleichrichter etwa 7,5-8kV DC liefern. Das ganze müsste etwas MOT schonender sein, da die Spannung nicht ganz so hoch wird.
Ich denke, ich baue die Dreieck-Version. 1kV hin oder her macht auch keinen Unterschied. MOT-schonend hört sich ausgezeichnet an. Schließlich sollen die Jungs ja ein langes Leben vor sich haben! Daniel
>Mit der Dreieck-Version schütze ich den >Nullleiter vor Überhitzung und Kabelbrand. Nein. Das ist Unsinn. Wenn alle deine drei (Teil)Verbraucher identisch sind, dann ist das eine symmetrische Belastung, und es fließt im Neutralleiter (ja-der heißt nicht NULLleiter) KEIN Strom. Die Aussenleiter (nicht Phasen) werden sysmmetrisch belastet.
Leider habe ich keine identischen MOTs, sodass die Belastung der Aussenleiter nicht symmetrisch ist. Aber so viel, dass der Neutralleiter abfackelt wird es dann wohl doch nicht sein. Daniel
Hallo alle, es freut mich, dass sich hier in Richtung Tesla was rührt. Bei mir gibt es momentan nichts neues, außer dass ich drei fette 20kV -> 100V -Messumformer bekomme, einen habe ich schon, die zwei anderen warten auf Abholung (gute alte deutsche "Frankenstein"-Technik). Diese Trafos sind zwar eigentlich nicht auf Leistung, sondern auf Langlebigkeit und Überspannungsfestigkeit (Blitzeinschläge in Freileitungen) gebaut, lassen sich aber deshalb kurzzeitig extrem überlasten. Sie verhalten sich jedoch ganz anders als MOTs, sie sind sehr spannungssteif. Die MOTs verwende ich mit kurzgeschlossener Sekundären als serielle Strombegrenzer primärseitig (jeweils 2 St. parallel). Optimal wären sechs Stück davon, dann könnte man sie primär seriell und sekundär jeweils parallel schalten. Nochwas zum Neutralleiter: dort ist der Strom (zumindest bei ohmscher Belastung) immer kleiner gleich dem größten Außenleiterstrom. Naja, bei Diodenbelastung schaut das wieder anders aus (Oberwellen belasten dann den N zusätzlich). Die ganze Drehstromgeschichte ist genial, aber man erfasst es erst im Laufe der Zeit. Tesla ist wirklich ein Genie, und es freut mich, dass Du "Sein Leben" näher unter die Lupe nimmst. Da gibt es sicher noch viele Zusammenhänge zu erkennen. Auch wenn ich absoluter Realist bin, wer weiß, ob nicht an seinen anderen Forschungen (freie Energie) doch das eine oder andere dran ist. Oder was es sich mit seiner Turbine auf sich hat. Noch was zur Umwandlung Drehstrom -> einphasiger Wechselstrom: Das funktioniert ganz einfach (genial!): Da ja die Summe der drei Spannungen Null ist, reicht es, eine Spannung zu invertieren (umpolen), und schon kommt nicht Null, sondern die doppelte Phasenspannung raus! Wie heißt diese Schaltgruppe gleich wieder ?
Das Vektordiagramm sieht dann etwa so aus:
Summe der drei Spannungen ist Null:
/^
/ \
/ \
V \
------->
Die /-Wicklung umgepolt ergibt eine einphasige Ausgangsspannung.
^
/
/
/
^
\
\
\
------->
Drehsaft ist echt genial. Ich hab zwar noch nie was damit gemacht, aber jetzt wirds Zeit dafür. Danke für das Vektordiagramm. Hilft sehr, zu verstehen, wie die Spannung zu Stande kommt. Vor allem passt es auch zum aktuellen Matheunterricht ;) Ich bin von Tesla mehr als überzeugt. Wenn man bedenkt, was er zu welcher Zeit schon alles erfunden hat: Elektronenröhre, versch. Beleuchtungsmittel z.B. Vorstufen der heutigen Leuchtstoffröhren, natürlich die Teslaspule!!!!, Oszillatoren aller Art, Funkübertragung, das Radio (war für ihn unwichtig, deshalb wird es nicht Ihm zugeschrieben), an Mikrowellen soll er geforscht haben, die Wärmepumpe, die heute das Modernste ist, hat er soweit ich mich erinnere schon vor 1900 erfunden usw. Alles was genial ist stammt von ihm. Man bedenke die primitiven Mittel, die er damals zur Verfügung hatte. Baumwolldraht, Flaschenkondensatoren nichts, womit er hätte messen können. Was denkt Ihr, was Tesla mit unseren heutigen Mitteln anstellen würde? ;) Dem hätte ich gern mal die Hand geschüttelt... Daniel
Du hast den Asynchronmotor vergessen, und noch sehr vieles mehr.
Achso... klar. Das war ja auch eine seiner größten Erfindungen. Überhaupt: Er hat den Wechselstrom erfunden(bzw. dessen Erzeugung und Verwendung). Wäre Edison mit seinem Gleichstrom durchgekommen, hätten wir alle paar hundert Meter ein Kraftwerk stehen, weil DC schlecht "transportierbar" ist. Wenn man all seine Erfindungen aufzählen wollte, wäre man n paar Stunden beschäftigt, aber dazu bin ich jetzt zu faul ;) Daniel
Nur mal eine Anregung: warum denn nicht gleich ein SSTC / DRSSTC bauen? Da macht man schon ne Menge aus 80 Volt Versorgungsspannung (200KV und mehr). Gerade mit einem µC könnte man da sicherlich viel Experimentieren!
Die Spitzenleistung einer normalen Teslaspule liegt bei etlichen kW bis in den MW Bereich. Diese Leistung muss erstmal geschaltet werden. Es gibt im Internet einige SSTCs/DRSSTCs die ähnliche Ergebnisse wie kleinere, normale SGTCs erzielen, die Spitznströme in der Primärwicklung liegen dann allerdings bei etlichen 100A (bei etwa 300VDC Betriebsspannung) ! Und solche Mosfets bzw. IGBTs muss man erstmal haben...
Die IGBT's (Mosfets können i.d.R. nicht genug Strom schalten) kann man bei Conrad bestellen. Dann kommt es vorallem darauf an worauf man den Schwerpunkt legt. Nämlich ob es möglichst groß werden soll mit hoher Leistung und dabei nicht alzu schwer zu bauen - oder ob man mit verhältnissmäßig kleineren Leistungen arbeitet und dafür mehr Möglichkeiten hat (z.B. die Spule automatisch mit Resonanz anzusprechen). Was man sich vor Augen führen sollte, ist dass etwa 300V und Spitzenströme von bis zu 400A (das können die IGBT's) beträchtliche Leistungen freisetzen (das darf sich jeder mal selber ausrechnen). Dabei bleibt die mittlere Leistung, genau wie bei Teslaspulen mit Funkenstrecke, relativ gering.
Eine SSTC hab ich schon, DRSSTCs sind mir zu "lahm", für das was sie kosten, deswegen sind SGTCs meine Lieblings-Coils. Die größten Coils der Welt waren, sind und werden immer SGTCs sein. Daniel
So... mein Drehstrom-6-MOT-Stack ist fertig. Primär im Dreieck, sekundär im Stern. Gleichrichtung über 2 antiparallele Dioden pro Phase. Der Stack bringt 10kV bei etwa 2A. Bei einem Kurzschluss zieht er 35A pro Phase, was dann ca. 24kW entspricht!!! Einfach nur GEIL! Ich kann damit 80cm lange Lichtbögen ziehen. Dieser brummt nicht mit 50Hz sondern summt mit 300Hz. Demnächst kann ich mal n paar Bilder rinstellen. Ein Monstrum, das seines Gleichen sucht! Daniel
Hallo Derzeit baue ich auch an einer TC und bin zufällig durch meine ratlosigkeit des puls-shifters auf der suche nach einer effektiven schaltung an diesen beiträgen vorbeigeschliddert allerdings hab ich da die frage ob ich nicht einen puls-levelshifter an zwei mot schalten kann .Ein kumpel meinete das würde so nicht ganz funktionieren daher wollt ich mal nachfragen ob das funktioniert. Zumindest hab ich das so im net gefunden Das hab ich da im anhang drin ansonsten auf:http://www.hoelscher-hi.de/hendrik/hv/mot.htm bitte mal nachgucken. MfG:Mark
Bitte melde dich an um einen Beitrag zu schreiben. Anmeldung ist kostenlos und dauert nur eine Minute.
Bestehender Account
Schon ein Account bei Google/GoogleMail? Keine Anmeldung erforderlich!
Mit Google-Account einloggen
Mit Google-Account einloggen
Noch kein Account? Hier anmelden.


