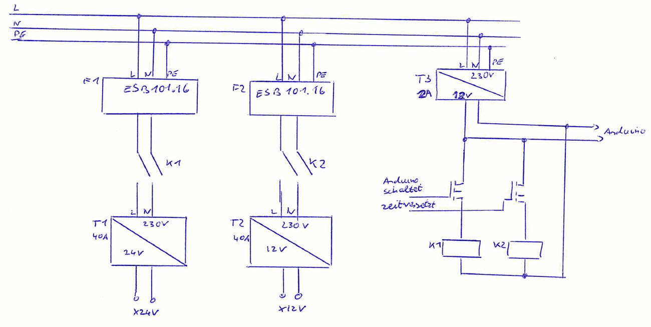
Hallo Leute, für einen Roboter, an dem ich herumbastele, brauche ich eine Stromversorgung, genauer: 12V und 24V. Dazu habe ich mir die folgenden Netzteile gedacht (noch nicht besorgt!) https://www.reichelt.de/schaltnetzteil-geschlossen-960-w-24-v-40-a-mw-rsp-1000-24-p147932.html https://www.reichelt.de/schaltnetzteil-geschlossen-450-w-12-v-37-5-a-mw-hrpg-450-12-p148034.html Die zur Verfügung gestellte Leistung werde ich derzeit noch lange nicht abrufen, aber ich will vorausplanen und nicht später Netzteile nachkaufen ;-) Der Einschaltstrom von 40A bzw. 70A würde allerdings sicherlich meinen B10 Haus-Automaten auslösen. Den Automaten kann, darf und will ich nicht wechseln! Es bleibt also nur eine Einschaltstrombegrenzung übrig. Dazu habe ich mir diese rausgesucht, die angeblich besonders für kapazitive Lasten (a.k.a. Schaltnetzteile) geeignet sein soll: http://camtec-netzteile.de/data-12/1/camtec_esb101_e062016-02-2.pdf Der ESB101.16 soll den Einschaltstrom auf 16A begrenzen uns ist ab B4 Automat geeignet, sollte also passen. Allerdings sind beim ESB101 maximale Kapazitäten angegeben, die von der nachgeschalteten Schaltung nicht überschritten werden dürfen. In den Datenblättern der MeanWell Netzteile findet sich eine solche Angabe jedoch leider nicht. Daher meine Frage an Euch: Hättet Ihr Bedenken, die Kombination so wie auf dem Bild gezeigt zu verwenden? Ich danke für Eure Hilfe. Grüße x12z34
Tobias S. schrieb: > Allerdings sind beim ESB101 maximale Kapazitäten angegeben, die von der > nachgeschalteten Schaltung nicht überschritten werden dürfen. > In den Datenblättern der MeanWell Netzteile findet sich eine solche > Angabe jedoch leider nicht. Faustregel: 1µF/W.
ok du willst den 10A Automaten nicht durch einen 16A ersetzen, dann bleibt die Möglichkeit einen Automaten zu nehmen der eine andere Auslösecharakteristik hat. Der normale B-Automaten schafft kurzfristig 30-50A ein C-Automat würde 50-100A aushalten. https://de.wikipedia.org/wiki/Leitungsschutzschalter#Ausl%C3%B6secharakteristik
Tobias S. schrieb: > Hättet Ihr Bedenken, die Kombination so wie auf dem Bild gezeigt zu > verwenden? Ja. Dieser Einschaltstrombegrenzer verbindet die Last über einen Widerstand der nach 1/2 Sekunde per Relais überbrückt wird. Das Netzteil wird also seinen primären Siebelko laden, und ohne Zeitverzögerung in weniger als 1/2 Sekunde seinen Ausgang mit der Last einschalten: wenn der Einschaltstrombegrenzer noch immer den Vorwiderstand zugeschaltet hat. Die Spannung bricht ein, das Netzteil schaltet ab, und wenn der Einschaltstrombegrenzer sein Relais aktiviert, fliesst der volle Einschaltstrom zum Laden des Siebelkos ganz so als ob es keinen Einschaltstrombegrenzer geben würde. Man verursacht also ein ziemliches Durcheinander. Dein Schaltnetzteil braucht keinen extra Einschaltstrombegrenzer. Der Einschaltstrom fliesst nur extrem kurz, dein Automat wird nicht auslösen. Nichtmal wenn der Stromkreis schon eine Dauerlast trägt. Höchstens wenn man mehrere gleichzeitig einschaltet (Steckdosenleiste). Wenn überhaupt, nutze einen Sequencer der eine Einschaltreihenfolge festlegt.
MaWin schrieb: > Dieser Einschaltstrombegrenzer verbindet die Last über einen Widerstand > der nach 1/2 Sekunde per Relais überbrückt wird. Das ist normal. > Das Netzteil wird also seinen primären Siebelko laden, und ohne > Zeitverzögerung in weniger als 1/2 Sekunde seinen Ausgang mit der Last > einschalten: wenn der Einschaltstrombegrenzer noch immer den > Vorwiderstand zugeschaltet hat. > > Die Spannung bricht ein, das Netzteil schaltet ab, Weitbereichsnetzteile, die bis für 90-250VAC oder so konzipiert sind, schalten nicht so schnell ab. > Wenn überhaupt, nutze einen Sequencer der eine Einschaltreihenfolge > festlegt. Ich würde es nicht übertreiben. Bei mir in der Firma haben wir einen Teststand an dem über 20 Steckernetzteile zentral gemeinsam eingeschaltet werden. Da nehmen wir diesen Einschaltstrombegrenzer: https://www.reichelt.de/einschaltstrombegrenzer-16a-esg-3-p100664.html?&trstct=pos_3 Funktioniert seit Jahren problemlos. Alle Netzteile starten sauber, die LSS (B16) bleiben drin.
Bitte melde dich an um einen Beitrag zu schreiben. Anmeldung ist kostenlos und dauert nur eine Minute.
Bestehender Account
Schon ein Account bei Google/GoogleMail? Keine Anmeldung erforderlich!
Mit Google-Account einloggen
Mit Google-Account einloggen
Noch kein Account? Hier anmelden.
