Ich habe mich in letzter Zeit mit der Ansteuerung von BLDC-Motoren beschäftigt und dazu das Eval-Board Steval-Spin3202 von ST verwendet, um einen Motor mit 44 V anzusteuern. Die Steuerung hat bis zu einer Leistung von ca. 300 W (7 A bei 44 V) gut funktioniert. Ich benötige allerdings noch mehr Leistung (15-18 A bei 44 V) und würde dafür das Board gerne modifizieren. Reicht es dazu, nur die Mosfets zu tauschen? Und wie wähle den passend Mosfet aus, um diese Leistung zu erreichen.
Moin hast du schon versucht die vorhandenen FETs einfach besser zu kühlen? Das sollte bei deinem angepeilten Leistungsspektrum ausreichen. ggf. musst du Strommessshunts austauschen damit die die Strome auch messen kannst.
Wie genau soll ich die Mosfets kühlen? Mit einem Kühlkörper? Laut der Software für das Board kann der Shunt bis zu 22 A messen.
Was sind die bisher verwendeten MOSFETs für eine Type?
Wenn du die MOSFETs leicht ersetzen willst, müssen die stärkeren das
gleiche
Gehäuse haben(!/?).
Dann brauchst du eine Type die einen niedrigeren Ron hat.
Dabei aber Qg_tot und Qgd nicht extrem höher sind.
Da P= I^2 * Ron, brauchst du 1/4 Ron für Ineu -> 2*Ialt!
>> Und wie wähle den passend Mosfet aus, um diese Leistung zu erreichen?
Ron_neu = 1/4 Ron_alt!
Deshalb parametrische Suche nach Uds_max, Gehäuse, Ron; Ug_th sollte
grob übereinstimmen.
Ergebnis nach minimalem Qg_tot und Qgd sortieren.
Suche bei Distributor (Digikey, Mouser,...) oder bei Vishay, IR, ...
nach optimalem Typ.
Eventuell musst du die Gatewiderstände anpassen/verringern.
Auf dem Board sind N-Kanal Mosfets mit einem DPAK Gehäuse ( STD140N6F7 ) verbaut.
Tim K. schrieb: > Wie genau soll ich die Mosfets kühlen? Mit einem Kühlkörper? > > Laut der Software für das Board kann der Shunt bis zu 22 A messen. Genau einen Kühlkörper möglichst gut an die Platine anbinden. Ist die Unterseite bestückt? Dann einfach Gapfiller Matte und einen beliebigen Kühlkörper unter die Platine. Der Effekt ist im Gegensatz zum Tausch des FETs wenigstens sinnvoll. Ich bezweifel das du einen FET finden kannst der passt und deine Verluste halbiert, dann hätte ST den auch genommen. Und das DPAK ist für den Strom eigentlich schon ein riesiges Gehäuse. Normalerweise bekommt man auch 20A durch LF-PAK Gehäuse durch.
Tim K. schrieb: > Die Unterseite ist nicht bestückt. Alten CPU Kühler oder n ALu/Kupfer Blech reicht wahrscheinlich schon drunter und ausprobieren. Die Strommessung nicht vergessen die muss angepasst werden. Andere Shunts oder Verstärkung des Messverstärkers verkleinern. Ich würde auch ca. 40A Messbereich gehen. Du musst ja den Spitzenwert messen können.
ALs Kühlerkörper würde ich gerne diesen hier verwenden https://www.amazon.de/Profilkühlkörper-Wärmeableiter-Leistungstransistor-Halbleitergerät-Kühlrippen/dp/B073VNX7SH/ref=sr_1_5?__mk_de_DE=%C3%85M%C3%85%C5%BD%C3%95%C3%91&keywords=alu+k%C3%BChlk%C3%B6rper&qid=1558938403&s=gateway&sr=8-5 Und als Gapfiller https://www.amazon.de/Alphacool-12096-Wärmeleitklebepad-doppelseitig-Wärmeleitmittel/dp/B0051C3Y96/ref=pd_sbs_147_2/257-5992666-9287528?_encoding=UTF8&pd_rd_i=B0051C3Y96&pd_rd_r=ba44275e-8048-11e9-83ee-f7b9de9ca136&pd_rd_w=ndcwk&pd_rd_wg=yWfb1&pf_rd_p=74d946ea-18de-4443-bed6-d8837f922070&pf_rd_r=D0V9KQKRVVN62E6KFHAJ&psc=1&refRID=D0V9KQKRVVN62E6KFHAJ Ich frage mich aber noch, warum ich nicht mehr als 7 A rauskriege. In dem Datenblatt ist ein Strom von bis zu 15 A angegeben.
:
Bearbeitet durch User
Für den Anfang sicherlich OK. Das wärmeleitpad ist nicht optimal aber OK. Du solltest noch darauf achten die Platine mit etwas Kraft flächig auf den Kühlkörper zu pressen. Das verbessert die Wärmeübertragung.
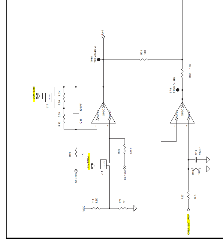
Tim K. schrieb: > Ich frage mich aber noch, warum ich nicht mehr als 7 A rauskriege. Auf die Schnelle: könnte an den markierten Stellen liegen.
https://www.fischerelektronik.de/web_fischer/de_DE/$catalogue/fischerData/PR/GEL80G03/datasheet.xhtml?branch=K%C3%BChlk%C3%B6rper Ich dachte an sowas. Im Grunde ist das für deine Verluste egal das wärmeleitpad wird es tun. So optimal muss das nicht sein, du musst keine 100W abführen.
Weil für die Matte Angaben zum Wärmewiderstand und der Isolation vorhanden sind, somit weißt du woran du bist. 2. Ist die Matte als Gap-Filler ausgelegt sie kann also sehr gut Unebenheiten ausgleichen und liegt damit sehr gut an, bei entsprechendem Anpressdruck. Bei deiner Matte gibt es keine Angaben, das einzige was offensichtlich ist das diese Matte für den PC Markt gedacht ist und somit für recht gerade Metallische Oberflächen. Ggf. ist die sogar leitend, das steht nirgends. Es gibt aber im Elektronik-Bereich diverse solcher Folien, sogar Conrad hat welche, wenn die Erhältlichkeit ein Problem ist.
Mir ist im Moment noch nicht klar, wie der Strom per Software geregelt wird. Ich verwende das Motor Control Software Development Kit (FOC) um mein Board zu programmieren. https://www.st.com/content/st_com/en/products/embedded-software/mcu-mpu-embedded-software/stm32-embedded-software/stm32cube-expansion-packages/x-cube-mcsdk.html
Bitte melde dich an um einen Beitrag zu schreiben. Anmeldung ist kostenlos und dauert nur eine Minute.
Bestehender Account
Schon ein Account bei Google/GoogleMail? Keine Anmeldung erforderlich!
Mit Google-Account einloggen
Mit Google-Account einloggen
Noch kein Account? Hier anmelden.
