Hi, wie ist denn üblicherweise der Überspannungsschutz/Geräteschutz in entsprechenden Steckdosenleisten aufgebaut? Ein Kumpel von mir fragte nämlich, ob eine Steckdosenleiste mit Überspannungsschutz seine teuren Geräte davor bewahren kann, an einem ungeregelten Generator im Falle einer Spannungsspitze (z.B. nach Lastabwurf) Schaden zu nehmen. Ich konnte es ihm nicht sicher sagen. Ich gehe mal davon aus, dass dort Varistoren zwischen Neutral und Phase und/oder zwischen Erde verbaut sind. Die Varistoren in so einer Steckdosenleiste werden kaum in der Lage sein, mehrere zehn.. hundert Watt aufzunehmen um damit die Peak-Spannung über mehrere Perioden zu glätten, sollte diese mal zu groß sein. Also nehme ich an, dass die dafür sorgen sollen, dass eine davorgeschaltete 16A-Sicherung auslöst. Was ist aber, wenn der Generator nun aber z.B. nur 3kW liefern kann, ehe die Spannung einbricht und die Varistoren eben nur genau so viel Ableiten, dass die Spannung auf ein für die zu schützende Elektronik erträgliches Maß geglättet wird, sprich einfach nur die Spitzen der Sinuswellen begrenzt? Das dürfte mit ein paar zusätzlichen Ampere, die über die Varistoren fließen, zu erledigen sein. Hierbei werden aber etliche zehn.. hunderte Watt in den Varistoren frei. Fackeln dann nicht die Varistoren ab? Oder geht das gerade noch mal gut, weil so ein Überschwinger am Generator eh nicht lange dauert? Oder funktioniert das ganze doch ganz anders? lg Paul
Paul H. schrieb: > Oder funktioniert das ganze doch ganz anders? Oftmals so:
1 | N --TS98--+--VDR140--+ |
2 | | | |
3 | Glimmlampe | |
4 | | +--GAS600-- PE |
5 | 270k | |
6 | | | |
7 | L --TS98--+--VDR140--+ |
Die billigen auch mal so
1 | L --+----------------- L |
2 | | |
3 | Thermosicherung98 |
4 | | |
5 | +--Glimmlampe--+ |
6 | | | |
7 | VDR270 270k |
8 | | | |
9 | N --+--------------+-- N |
Einen wild gewordenen Generator überleben die VDRs nicht. Da die meisten elektronischen Geräte (mit Schaltnetzteilen) auch einen VDR drin haben, verbessert so eine Steckdosenleiste die Überlebenswahrscheinlich keit nur marginal, z.B. bei 2 eingesteckten Geräten kommt nun ein 3. VDR hinzu auf den sich die Energie aufteilen kann bevor sie platzen. Daher schützt nur eine Steckdosenleiste mit Versicherung vor Schaden durch Überspannung. https://www.brennenstuhl.com/de-DE/themenwelt/ueberspannungsschutz/ueberspannungsschutz-steckdosenleisten-premium-protect-line
Beitrag #5859382 wurde von einem Moderator gelöscht.
In dem Falle bitte vorher die Daten des Teiles lesen. Es ist natürlich nicht die Versicherung die schützt, aber die Versicherung wacht darüber, dass die Leistungsdaten nicht unterwandert werden. D.h. eingebaut ist - ein ordentliches EMI-Filter - die besagten Ableiter - Sicherungsautomat 16 A schützt zuverlässig vor zu hoher Strombelastung Die Ableiter sind so bemessen, dass diese nicht verdampft sind, bevor der Sicherungsautomat auslöst. Die Schalter im Sicherungsautomat erfüllen Funkenlöschverhalten und Kontaktabstände um einer bestimmte Spannung im kV-Bereich zu widerstehen (meist zwischen 2...4kV),
Oh, ok, d.h. die Überspannungsschutz-Steckdosen schützen im Ernstfall nur vor Transienten und kurzen Spannungsspitzen, trennen aber mangels Sicherungsmechanismus die zu schützenden Geräte nicht von der Spannungsquelle.
Paul H. schrieb: > trennen aber mangels Sicherungsmechanismus die zu schützenden Geräte nicht von der > Spannungsquelle. Das ist der Kern der Sache, den Du erkannt hast. Und darum hat Michael B. Dir ein Produkt empfohlen, das auch einen eigenen Sicherungsautomat besitzt. Jener im gelöschten Kommentar hatte dies übersehen und deshalb daneben geschossen. Ein anderer Hersteller (Kopp) hatte ein solches Teil mit zusätzlich noch einem FI für 99-100 DM gehabt zu Zeiten als es noch den Radio Rim gab (leider damals nicht gekauft). Das mit dem Versicherungsschutz gab es damals noch nicht. Wenn Dein Kumpel kabelgebundenes DSL (also nicht LWL-Hausanschluss) oder im Haus eine umfangreiche LAN-Verkabelung hat, dann sollte er das teuere Gerät mit den RJ-Anschlüssen ins Auge fassen.
Dieter schrieb: > Es ist natürlich nicht die Versicherung die schützt Es ist die Versicherung, die zahlt "Wie ist der Versicherungsschutz des Geräteschutz-Programmes zu verstehen? brennenstuhl® garantiert die Überspannungs- & Blitzschutzeigenschaften bis zu den auf dem Typenschild des jeweiligen Produkts ausgewiesenen technischen Daten. Bei sachgemäßer Verwendung der Produkte übernimmt brennenstuhl® die Reparatur, beziehungsweise den Austausch von allen direkt an das Überspannungs- & Blitzschutzprodukt angeschlossenen Geräten, die nachweislich durch eine Überspannung beschädigt wurden. Voraussetzung dafür ist: Der Schaden muss darauf zurückzuführen sein, dass die beschriebene Schutzfunktion laut den technischen Angaben nicht eingehalten wurde. Hierfür besteht ein Versicherungsschutz für Personen und Sachschäden im Rahmen der Produkthaftpflicht bis zu 5 Millionen Euro." https://www.brennenstuhl.com/de-DE/service/faq
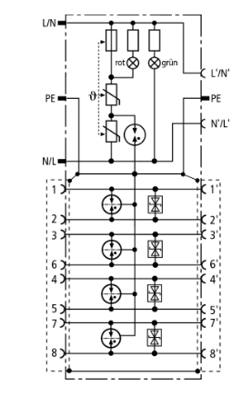
Michael B. schrieb: > N --TS98--+--VDR140--+ > | | > Glimmlampe | > | +--GAS600-- PE > 270k | > | | > L --TS98--+--VDR140--+ Ich weiß gar nicht, ob es möglich ist, sich auf einen so alten Thread (2019) zu beziehen. Aber: Versuch macht klug! Kann mir jemand die Funktionsweise der Schaltung erläutern? Dabei wäre es für mich auch interessant, zu wissen, was die Zahlen bedeuten bei TS98, VDR140, Gas600. Ideen habe ich, ich weiß nur nicht, ob sie richtig sind. In der Beschreibung meiner Steckdosenleiste steht, dass der Überspannungsschutz in Ordnung ist, solange die Glimmlampe leuchtet. Wenn sie nicht mehr leuchtet, obwohl die Glimmlampe in Ordnung ist, klappt dann nur der Überspannungsschutz nicht mehr, oder ist die Leiste dann außer Funktion, schaltet sich also ab? Bei meiner Steckdosenleiste sind (vermutlich) TS98 und VDR140 mit einem Schrumpfschlauch eng verbunden. Erwärmt sich der VDR so, dass die Thermosicherung auslöst? Ist dann dauerhaft abgeschaltet, oder regeneriert sich die Thermosicherung? Vielleicht hat jemand Lust, die Funktion der Schaltung genauer zu erläutern. Ich würde mich jedenfalls darüber freuen.
Josef E. schrieb: > TS98, VDR140, Gas600 TemperaturSicherung ,98 GradC, mit Wärmeleitpaste und Schrumpfschlauch an den VDR gebunden. VDR140, VDR 140V. Gas600, Gasableiter 600V. Die Schaltung begrenzt die Spannung zwischen L und N ab 280V, und die Spannung von N und L gegenüber PE ab 600V.
Josef E. schrieb: > Erwärmt sich der VDR so, dass die Thermosicherung auslöst? So ist es. > Ist dann dauerhaft abgeschaltet, So ist es. Der Schutz ist damit weg. Vom Wühlisch hatte ich einen exotischen Überspannungsadapter mit VDR und Gasableiter. Dort trennte die Thermosicherung nur den VDR. Heute gibt es auch solche Bauteile: https://www.pk-components.de/ressourcen/empfohlene-bauelemente/varistor-und-gasableiter-in-einem-bauelement-kombiniert.html
Michael B. schrieb: > Die Schaltung begrenzt die Spannung zwischen L und N ab 280V, und die > Spannung von N und L gegenüber PE ab 600V. Es liegt ja eine sinusförmige Spannung mit dem Spitzenwert 325 V an. Bedeutet das, dass bei den von dir gewählten Werten die VDRs in jeder Periode zweimal eine gewisse Zeit durchschalten? Wird der Gasableiter als zusätzliche Sicherheit verwendet, damit z. B. bei einem Blitzeinschlag das System schneller reagiert, als wenn nur Varistoren verwendet würden. Kann man das so darstellen?
In meiner Steckdosenleiste (Master-Slave), deren Überspannungseinrichtung ich jetzt dank eurer Hilfe verstanden habe, gibt es noch ein weiteres Detail, das mir Kopfzerbrechen macht: Auf das Relais (24V, einpoliger Schließer) ist mittels Silikon (vermutlich, weil weiß) ein vermutlich 2-poliges Bauteil aufgeklebt, dessen Aufdruck ich wegen des Silikons nicht lesen kann. Das Bauteil ist quadratisch (0,8 x 0,8 cm) und hat eine Dicke von vielleicht 3 mm. Hat jemand eine Idee, um was es sich dabei handeln könnte? Temperaturhintergrund nehme ich eher nicht an, vielleicht was Magnetisches (Magnetfeldabhängiger Widerstand MDR). Welche Aufgabe hätte der?
Josef E. schrieb: > Temperaturhintergrund nehme ich eher > nicht an, Ist aber eine Temperatursicherung.
Josef E. schrieb: > Wird der Gasableiter als zusätzliche Sicherheit verwendet [...]? wenn man so will. Aber nicht gehen Überspannung sondern gegen Leckstrom. Ein VDR "isoliert" unterhab der Ansprechspannung schlechter als ein Gasableiter, mit der Anzahl & Energie der Überspannungsereignsse wird er zusätzlich geschädigt und hat noch mehr Leckstrom. Diesen Stromfluss zu PE möchte man unterbinden. Darum dort der Gasableiter. Ein VDR zwischen L und N hat auch einen Leckstrom, altert auch. Sein Strom fließt aber nicht zu PE, kann keinen Fehlerstromschutzschalter auslösen oder gar bei unterbrochener PE-Zuleitung einen gefährlichen Berührstrom liefern. Er wird "nur" warm und dann hoffentlich mittels der Temperatursicherung abgetrennt.
H. H. schrieb: > Ist aber eine Temperatursicherung. Wenn das Relais zu heiß wird? Werden die Slaves dann abgeschaltet? Was kann die Ursache für eine zu hohe Relaistemperatur sein? Gibt es Schaltzeichnungen von Brennenstuhl Steckdosenleisten, die im Internet zugänglich sind?
Josef E. schrieb: > Bedeutet das, dass bei den von dir gewählten Werten die VDRs in jeder > Periode zweimal eine gewisse Zeit durchschalten? Nein, das bedeutet, dass die VDR mit Nennwechselspannung beschriftet sind bei der sie noch nicht leiten. 1mA leiten sie dann meist ab 220Vdc und kräftig begrenzen ab 360Vdc.
Josef E. schrieb: > Was kann die Ursache für eine zu hohe Relaistemperatur sein? Kontaktüberlastung.
Michael B. schrieb: > Josef E. schrieb: >> Was kann die Ursache für eine zu hohe Relaistemperatur sein? > > Kontaktüberlastung. Interessant! Ich hatte auf den Slaves in meinen Augen Unwesentliches angeschlossen: 2 Monitore und 2 Steckernetzteile. Die Steckdosenleiste hat 6 Slaves. Ich schätze die angeschlossene Last als nicht zu hoch ein. Trotzdem trat folgender Fehler auf: Die Slaves wurden nicht mehr geschaltet, sie waren ständig eingeschaltet. Die Steckerleiste ließ sich nur über den Netzschalter ein- und ausschalten. Ursache war ein "verklebter" Relaiskontakt. Draufklopfen aufs Relais hat ihn wieder gelöst und die Leiste funktioniert wieder. Irgendwie ist mir aber nicht wohl bei dieser "Reparatur", weil mir als Ursache für das Verkleben die geringe Last nicht ausreicht. Oder?
Josef E. schrieb: > weil mir als Ursache für das Verkleben die > geringe Last nicht ausreicht. Du vergisst den hohen Einschaltstromstoß von Schaltnetzteilen.
Josef E. schrieb: > weil mir als Ursache für das Verkleben die geringe Last nicht ausreicht. > Oder? Verkleben passiert nicht durch hohe Dauerlast, sondern zu hohen Einschaltstromstoss.
H. H. schrieb: > Josef E. schrieb: >> weil mir als Ursache für das Verkleben die >> geringe Last nicht ausreicht. > > Du vergisst den hohen Einschaltstromstoß von Schaltnetzteilen. Ja, daran habe ich nicht gedacht. Das wäre eine Erklärung für das Kontaktverkleben. Nur, Master-Slave-Steckdosenleisten werden doch sicher oft so eingesetzt, wie ich sie auch verwende: Der PC am Master schaltet die Peripherie ein. Und die Peripherie wird oft über Schaltnetzteile versorgt. Gibt es eine Maßnahme im Slave-Strang, um den Einschaltstrom der Netzteile zu begrenzen?
Josef E. schrieb: > Gibt es eine Maßnahme im Slave-Strang, um den Einschaltstrom > der Netzteile zu begrenzen? Nimm ein Relais, das damit zurecht kommt, z.B. eines mit Wolframvorläuferkontakt. Ersetzen solltest du es ja sowieso.
Paul H. schrieb: > Oder funktioniert das ganze doch ganz anders? Einen Magnetischen Spannungskonstanthalter benutzen.
Paul H. schrieb: > Was ist aber, wenn der Generator nun aber z.B. nur 3kW liefern kann, ehe > die Spannung einbricht und die Varistoren eben nur genau so viel > Ableiten, dass die Spannung auf ein für die zu schützende Elektronik > erträgliches Maß geglättet wird, sprich einfach nur die Spitzen der > Sinuswellen begrenzt? Das dürfte mit ein paar zusätzlichen Ampere, die > über die Varistoren fließen, zu erledigen sein. Hierbei werden aber > etliche zehn.. hunderte Watt in den Varistoren frei. Fackeln dann nicht > die Varistoren ab? Oder geht das gerade noch mal gut, weil so ein > Überschwinger am Generator eh nicht lange dauert? dann musst du die Selektivität deiner vorgeschalteten Sicherungselemente entsprechen anpassen.. Josef E. schrieb: > Es liegt ja eine sinusförmige Spannung mit dem Spitzenwert 325 V an. > Bedeutet das, dass bei den von dir gewählten Werten die VDRs in jeder > Periode zweimal eine gewisse Zeit durchschalten? sollte man auf die Netzspannung auslegen.. ;-) In Europa beträgt die Netzspannung 230 V ± 23 V also bei ~358 Volt Spitzenwert sollte grad so noch nix ableiten, ab mehr dann möglichst stark.. ich verwende dazu gern auch TVS-Dioden, die sind etwas schärfer in der Kennlinie und insgesamt technisch die bessere Lösung für diese Aufgaben.. für Wechselspannung natürlich in der bidirektionalen "CA" Variante. 1.5KE400CA z.B. mit Augenzwinkern auch sehr knapp unter der Vorgabe 1.5KE350CA ..und wer's dann richtig heavy für z.B. Drehstrom braucht, bitteschön. :-) https://www.mouser.de/c/circuit-protection/esd-suppressors-tvs-diodes/?ipp%20-%20peak%20pulse%20current=3%20kA~~10%20kA&number%20of%20channels=1%20Channel&working%20voltage=360%20V~~440%20V&rp=circuit-protection%2Fesd-suppressors-tvs-diodes%7C~Working%20Voltage%7C~Ipp%20-%20Peak%20Pulse%20Current
Hier wäre ein kompletter Schaltplan und wie eines der besseren Geräte aufgebaut ist: https://blitzableitermaterial.de/DEHNprotector-DPRO-230-Protector-LAN-Ueberspannungsschutz-Adapter Im Schaltplan wäre auch gut zu sehen, welche Funktion die LED haben.
Hartmut . schrieb: > ..und wer's dann richtig heavy für z.B. Drehstrom braucht, bitteschön. > :-) > https://www.mouser.de/c/circuit-protection/esd-suppressors-tvs-diodes/?ipp%20-%20peak%20pulse%20current=3%20kA~~10%20kA&number%20of%20channels=1%20Channel&working%20voltage=360%20V~~440%20V&rp=circuit-protection%2Fesd-suppressors-tvs-diodes%7C~Working%20Voltage%7C~Ipp%20-%20Peak%20Pulse%20Current Deren Preise sind dann aber auch schon so richtig heavy, zumal man für Drehstrom die ja gleich im 3er-Pack braucht. Da muß man schon die Rechnung aufmachen, was das zu schützende Equipment selbst wert ist, und wenn dieser Wert nicht erheblich über den Kosten der Schutzbauteile liegt, bzw falls ein Ausfall nicht erhebliche Folgekosten verursacht, ggf. auf so einen Schutz verzichten...
H. H. schrieb: >> Gibt es eine Maßnahme im Slave-Strang, um den Einschaltstrom >> der Netzteile zu begrenzen? > Nimm ein Relais, das damit zurecht kommt, z.B. eines mit > Wolframvorläuferkontakt. Ich vermute mal, das solche Relais aus Kostengründen nur selten in fertigen Geräten verbaut sind. Alco muss man selbst nachrüsten. Was mich interessieren würde, wäre ein handbetätigter Schalter, geeignet für "high inrush current". Den hab ich noch nirgends gesehen, oder habe ich nur falsch gesucht?
Bitte melde dich an um einen Beitrag zu schreiben. Anmeldung ist kostenlos und dauert nur eine Minute.
Bestehender Account
Schon ein Account bei Google/GoogleMail? Keine Anmeldung erforderlich!
Mit Google-Account einloggen
Mit Google-Account einloggen
Noch kein Account? Hier anmelden.
