Hey würde gerne den CMRR von mehrstufigen Verstärkerschaltungen berechnen. Dafür brauche ich insbesondere die Gleichtaktverstärkung (common mode gain) und Gegentaktverstärkung (differential mode gain). Es folgt CMRR=differential mode gain/common mode gain. bzw CMRR=Ad/Acm wobei Ad und Acm die Beträge der jeweiligen Frequenzgänge darstellt. Witerhin gilt: Ad=Uout,d/Vin,d bzw. Acm=Uout,cm/Vin,cm Wie komm ich nun an die beiden Frequenzgänge? Muss ich eine Kleinsignalanalyse machen, d.h. mithilfe der KS-ESB der Transistoren an den Frequenzgang kommen (via MGLn und KGLn Analyse -> Lineares Gleichungssystem) oder kann man die Frequenzgänge ,,direkt" aus dem Großsignal-ESB rauslesen indem man die Kleinsignalwiderstände rd und Transkonduktanzen gm berechnet. Es handelt sich um das SPICE Level Model1 1 von Mosfets. Im Anhang befindet sich ein Beispiel da wird der Frequenzgang direkt berechnet ohne ein KS-ESB zu zeichnen. Woran liegt das oder ist das eher eine Ausnahme? Es geht nur um Aufgabenteil c. Wie kommt man auf diese Formel?
Was ich ebenfallst nicht verstehe ist, dass zwei Eingänge vorhanden sind. Wie beachtet man das bei einem Frequenzgang der Form Ausgang/Eingang?
gegentaktverstärker1 schrieb: > Was ich ebenfallst nicht verstehe ist, dass zwei Eingänge vorhanden > sind Wie könntest du bei nur einem Eingang überhaupt zwischen Gleichtakt- und Gegentaktansteuerung unterscheiden? Die Differenzverstärkung erhältst du z.B. als Änderung der Ausgangsspannung pro Änderung der Differenz-Eingangsspannung. gegentaktverstärker1 schrieb: > Witerhin gilt: > > Ad=Uout,d/Vin,d bzw. Acm=Uout,cm/Vin,cm Uout,d und Uout,cm sind etwas irreführend: du hast nur einen Ausgang und nur eine Ausgangsspannung Uout. Beim Eingang ist es anders: da kannst du natürlich unterscheiden, ob du die beiden Eingänge im Gleich- oder im Gegentakt ansteuerst. gegentaktverstärker1 schrieb: > Muss ich eine > Kleinsignalanalyse machen, d.h. mithilfe der KS-ESB der Transistoren an > den Frequenzgang kommen (via MGLn und KGLn Analyse -> Lineares > Gleichungssystem) im Prinzip ja > oder kann man die Frequenzgänge ,,direkt" aus dem > Großsignal-ESB rauslesen indem man die Kleinsignalwiderstände rd und > Transkonduktanzen gm berechnet Wenn du es über die Kleinsignalgrößen berechnest ist das doch letztlich eine Form der Kleinsignalanalyse. Es wurde halt nur darauf verzichtet, das Kleinsignal-ESB in voller Schönheit hinzuzeichnen und die Maschengleichungen explizit aufzustellen, weil dem Ersteller der Musterlösung eh schon klar war, was dabei rauskommt. (Weil er früher schon mal die vollständige Kleinsignalanalyse durchgeführt hat oder weil er nachgelesen hat, was das Ergebnis ist). gegentaktverstärker1 schrieb: > Es geht nur um Aufgabenteil c. Wie kommt man auf diese Formel? Auch wenn es blöd klingt: man schnappt sich am besten ein Lehrbuch zur Elektronik und vollzieht dort nach, wie sich bei DC die Kleinsignalverstärkung aus den Kleinsignalgrößen am Arbeitspunkt ergibt. In dem Fall sind es dann halt zwei Verstärkerstufen hintereinander, was die beiden Terme ergibt, die multipliziert werden. Einfacher wirds, wenn man erst mal mit einer einzelnen Transistorstufe in Emitterschaltung beginnt. Lass dich nicht davon irritieren, dass im Tietze-Schenk die Steilheit mit S bezeichnet wird (in deiner Formel mit gm)
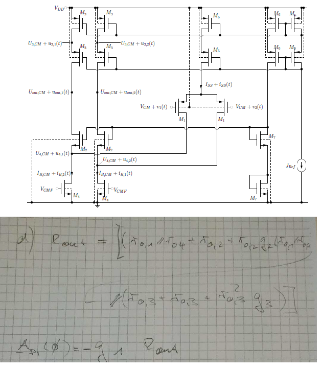
Hey vielen dank für deine Antwort. Ich habe hier noch eine andere Klausur inkl. Musterlösun vor mor liegen wo die Kleinsignalgegentaktverstärkung berechnet wird. Schon wieder ohne einem ESB. Es scheint auf A=gm*Rout hinauszulaufen, wobei gm die Transkonduktanz des Einganges des Differenzverstärkers darstellt und Rout gegeben ist doch eine mehrstufige Transistorschaltung. Jetzt muss ich einfach nur den Pfad entlang Rout durchlaufen und sozusagen Rges aufstellen denke ich. Jetzt frage ich mich nur noch woher ich weiß was genau parallel bzw in reihe liegt. z.b. liegt der Kleinsignalausgangswiderstand von M2 in Reihe und nicht parallel. Wieso ist das so?
gegentaktverstärker01 schrieb: > z.b. liegt der Kleinsignalausgangswiderstand von M2 in Reihe und nicht > parallel. Wieso ist das so? Eine Schaltung wie die zuletzt gezeigte analysiert man nicht einfach mal schnell aus dem Stand. Speziell die Beschaltung von M2 und M4, die auf den ersten Blick nach einer Kaskode ausschaut, aber (aufgund der Signaleinkopplung zwischen den beiden) keine Kaskode ist. Ich könnte dir die gezeigte Musterlösung auch nicht ohne weiteres hinschreiben. Wie schaut es mit den Fragen a-c aus? Führen die vielleicht ein Stück weit zur Lösung von Frage d hin? Oder wie schaut es mit dem Vorlesungsskript aus? Sind dort zumindest Teile dieser Schaltung mal vorexerziert worden?
Das sind die Teilsysteme die wir in der Vorlesung behandelt haben. Kann man mithilfe diesem nun Rückschlüsse auf zb das letzte genannte IC schließen?
Bitte melde dich an um einen Beitrag zu schreiben. Anmeldung ist kostenlos und dauert nur eine Minute.
Bestehender Account
Schon ein Account bei Google/GoogleMail? Keine Anmeldung erforderlich!
Mit Google-Account einloggen
Mit Google-Account einloggen
Noch kein Account? Hier anmelden.


