Hallo zusammen, ich möchte einen 230v-torantrieb verbauen, für ein Schwingtor. Vor der Montage habe ich einen "Trockentest" vorgenommen, also die Elektronik unmontiert getestet. Dabei ist mir ein Fehler unterlaufen: der torantrieb hat leider mehrfach auf die Leitungen für auf und zu gleichzeitig Spannung bekommen (Anschlüsse : auf, zu, neutral, pe) . Jetzt funktioniert der torantrieb offenbar nicht mehr. Wenn ich ihn anschließe, also diesmal korrekt, dann brummt der Motor und versucht anzulaufen, es tut sich aber nichts. Bei dem zweiten Antriebsmotor für das Schwingtor funktioniert alles wunderbar. Ich kann also dahingehend Fehlerquellen ausschließen. Ich habe den torantrieb geöffnet, die Mechanik scheint unbeschädigt zu sein. Außer der Antriebswelle und so weiter befindet sich ein Kondensator drin, und natürlich der Motor. Kann es sein dass der Kondensator Schaden genommen hat? Oder sogar der Motor? Wie kann ich diese beiden Komponenten auf einen Schaden testen, bevor ich Ersatz kaufe? Der Antrieb ist dieser: http://www.secpoint.it/Documenti_prodotti/Manuali/Automazione%20Porte-Cancelli/KEY/900PS300-400_R02_2007.pdf
Ralf B. schrieb: > Kann es sein dass der > Kondensator Schaden genommen hat? Kaum. > Oder sogar der Motor? Genau der. > Wie kann ich > diese beiden Komponenten auf einen Schaden testen, bevor ich Ersatz > kaufe? Widerstand der beiden Wicklungen messen, auch in Reihenschaltung. Kondensator kann dazu angeschlossen bleiben.
hinz schrieb: > Widerstand der beiden Wicklungen messen Genau so. Dadurch daß du einen 2. funktionierenden Motor hast kannst du vergleichend messen.
Motor, shit, damit hätte ich nicht gerechnet. Bitte kurze Erklärung /Link wie ich das messen muss. Nur ein Multimeter ist vorhanden.
Ralf B. schrieb: > Motor, shit, damit hätte ich nicht gerechnet. > Bitte kurze Erklärung /Link wie ich das messen muss. Nur ein Multimeter > ist vorhanden. Widerstandsmessbereich, und dann drei Messungen: N-L(auf), N-L(zu), L(auf)-L(zu).
Geht es bisschen genauer bitte? Wo am Stator (?) muss ich wie messen?
Ralf B. schrieb: > Geht es bisschen genauer bitte? Wie genauer möchtest du es? Der Motor hat 3 Anschlüsse: N (Neutralleiter) L(auf) Phase für Tor öffnen L(zu) Phase für Tor zu Und Hinz hat dir genau gesagt was du mal messen sollst. Wie hast du das eigentlich hingekriegt beide Anschlüsse zeitgleich zu bestromen? Und wie lange hast du das gemacht?
Ralf B. schrieb: > Geht es bisschen genauer bitte? Wo am Stator (?) muss ich wie > messen? Der hat drei Anschlüsse. (PE vergiss erst mal) Und dann halt zwischen allen drei möglichen Paarungen der drei Anschlüsse. Polarität gibts dabei keine. Stells dir einfach vor wie ein Dreieck, und du sollst die Kantenlängen messen.
Völlig übermüdet nachts dran rumgemehrt...Wollte die Zuleitung zum Motor als Fehlerquelle ausschließen und hab direkt auf die Anschlüsse am Gehäuse Strom gegeben. Und im halbdunkel nicht richtig gekuckt. Hatte in Summe maximal 4x3 Sekunden "doppelt" Strom drauf.
Ralf B. schrieb: > Völlig übermüdet nachts dran rumgemehrt...Wollte die Zuleitung zum Motor > als Fehlerquelle ausschließen und hab direkt auf die Anschlüsse am > Gehäuse Strom gegeben. Und im halbdunkel nicht richtig gekuckt. Hatte in > Summe maximal 4x3 Sekunden "doppelt" Strom drauf. Und? Gemessen?
Ralf B. schrieb: > Hatte in > Summe maximal 4x3 Sekunden "doppelt" Strom drauf. Das reicht locker um den Wicklungen den Exitus zu verpassen.
Ralf B. schrieb: > Kann ich erst heute..... Nacht ? Ist das normal dass man da nur nachts dazukommt? Ist das Vorgehen der Messung klar?
Okay. Müsste also neuen Stator kaufen, wenn dem so ist? Oder andere Möglichkeiten?
Momentan ist es eben so. Oder am Wochenende. Vorgehen einigermaßen klar hoffe ich.
Ralf B. schrieb: > Momentan ist es eben so. Oder am Wochenende. Vorgehen einigermaßen klar > hoffe ich. War die Steuerelektronik denn auch angeschlossen, als Du auf den Motor Strom gegeben hast? Weil wenn der brummt, kann es eigentlich nicht die Wicklung sein. Ich denke du hast dir die Elektronik zerschossen. Passt zum Fehlerbild (Hörbild).
Philipp G. schrieb: > Weil wenn der brummt, kann es eigentlich nicht die Wicklung sein. Natürlich ist es die Wicklung.
hinz schrieb: >> Weil wenn der brummt, kann es eigentlich nicht die Wicklung sein. > > Natürlich ist es die Wicklung. Und wie erklärst Du Dir dass der Motor mit unterbrochener Wicklung anzulaufen versucht?
Philipp G. schrieb: > hinz schrieb: >>> Weil wenn der brummt, kann es eigentlich nicht die Wicklung sein. >> >> Natürlich ist es die Wicklung. > > Und wie erklärst Du Dir dass der Motor mit unterbrochener Wicklung > anzulaufen versucht? Der hat zwei Wicklungen!
Wie geschrieben unternahm ich den Versuch ohne zwischengeschaltete Steuerelektronik. Direkt am Gehäuse. Im Motor selbst ist keine großartige Elektronik, deswegen hatte ich die Anleitung verlinkt. Nur der Kondensator. Motor versucht manchmal an zu laufen und "ruckt" dabei, manchmal brummt er auch nur.
Ralf B. schrieb: > Wie geschrieben unternahm ich den Versuch ohne zwischengeschaltete > Steuerelektronik. Direkt am Gehäuse. Im Motor selbst ist keine > großartige Elektronik, deswegen hatte ich die Anleitung verlinkt. Nur > der Kondensator. > > Motor versucht manchmal an zu laufen und "ruckt" dabei, manchmal brummt > er auch nur. Und wenn Du den anderen Motor anschliesst läuft alles. Na gut dann ist ja alles klar. Motor ist tot. Wicklungsschluss oder unterbrochen. Könntest ihn neu wickeln lassen. Wenn Du da niemanden kennst kommt es wahrscheinlich günstiger den neu zu holen.
Autor: Philipp G. (geiserp01) Weil wenn der brummt, kann es eigentlich nicht die Wicklung sein. Brummen tut der Motor, wenn nur eine Wicklung richtig bestromt wird. Das kann entweder durch einen defekten Kondensator(hier eher unwahr- scheinlich) oder durch eine defekte Wicklung oder Anschluss passieren. Da der Strom dann deutlich höher als im Normalbetrieb ist, wird dann die zweite Wicklung auch recht schnell durchbrennen. Eine durch Über- lastung durchgebrannte Wicklung sollte man eigentlich auch riechen können.
HAWI schrieb: > Brummen tut der Motor, wenn nur eine Wicklung richtig bestromt wird. > Das kann entweder durch einen defekten Kondensator(hier eher unwahr- > scheinlich) oder durch eine defekte Wicklung oder Anschluss passieren. > Da der Strom dann deutlich höher als im Normalbetrieb ist, wird dann > die zweite Wicklung auch recht schnell durchbrennen. Eine durch Über- > lastung durchgebrannte Wicklung sollte man eigentlich auch riechen > können. Ja, ist ja jeztz klar. Für mich las es sich halt so: Ralf B. schrieb: > Vor der Montage habe ich einen "Trockentest" vorgenommen, also die > Elektronik unmontiert getestet. Dabei ist mir ein Fehler unterlaufen: > der torantrieb hat leider mehrfach auf die Leitungen für auf und zu als wäre die Elektronik beim Test angeschlossen gewesen.
Das war missverständlich geschrieben, sorry. Test war ohne Steuerung, Strom direkt an den Anschlüssen am Gehäuse angelegt. Riechen tut man übrigens nix, man sieht auch keinen Schaden an der Wicklung. Ich messe heute Abend....
Motor mal aufmachen und genau versuchen, zu rekonstruieren, was da drinnen wie verschaltet ist. Könnte ja auch der Kondensator sein, der von "links" und "rechts" Netzspannung bekommen hat und durchgeschlagen ist. Jener erzeugt ja schliesslich die notwendige Phasenverschiebung zwischen den Spulen. Die Spulen sind ja auch für 230V ausgelegt... Wenn der Kondensator als Halbbrücke (inklusive Relaiskontakt) nun dazwischenliegt und das Relais jetzt hängt? Aufmachen, reinsehen!
äxl schrieb: > Könnte ja auch der Kondensator sein, der > von "links" und "rechts" Netzspannung bekommen hat und durchgeschlagen > ist. Der Kondensator war durch den Falschanschluss kurzgeschlossen! Und auch sonst lächelt der über lausige 230V, muss er doch wenigstens 450V vertragen.
Ralf B. schrieb: > Kondi und Innenleben Ja, ein ganz normaler Kondensatormotor. Das war von Anfang an klar.
Also ist die Vermutung mit dem Kondensator als Ursache unwahrscheinlich, oder? Ich könnte natürlich den Kondensator aus dem funktionierenden Motor in den defekten einbauen...
Ralf B. schrieb: > Also ist die Vermutung mit dem Kondensator als Ursache unwahrscheinlich, > oder? Hatte ich dir gleich am Anfang geschrieben.
Ralf B. schrieb: > Also ist die Vermutung mit dem Kondensator als Ursache unwahrscheinlich, > oder? Ich könnte natürlich den Kondensator aus dem funktionierenden > Motor in den defekten einbauen... Mess beide Motoren durch wie oben gesagt. Warum willst du blind basteln wenn man erst mal messen kann?
Ralf B. schrieb: > torantrieb hat leider mehrfach auf die Leitungen für auf und zu > gleichzeitig Spannung bekommen (Anschlüsse : auf, zu, neutral, pe) Wegwerfen und neuen kaufen!
Ich antworte nur, weil hier weiter diskutiert wird. Gemessen wird heute abend, logisch.
Ralf B. schrieb: > Ich antworte nur, weil hier weiter diskutiert wird. Es dürfen halt auch Leute ohne Ahnung schreiebn. > Gemessen wird heute abend, logisch. Eben.
Udo S. schrieb: >> Also ist die Vermutung mit dem Kondensator als Ursache unwahrscheinlich, >> oder? Ich könnte natürlich den Kondensator aus dem funktionierenden >> Motor in den defekten einbauen... > > Mess beide Motoren durch wie oben gesagt. Warum willst du blind basteln > wenn man erst mal messen kann? Weil er erst heute abend da rankommt.
Ich habe jetzt die Widerstände gemessen, und beide Motoren weisen die gleichen Werte auf. 1 auf 2 zu 3 neutral Multimeter Einstellung 2k 1-3 0.058 1-2 0.116 2-3 0.058 Tips :)?
Ralf B. schrieb: > Ich habe jetzt die Widerstände gemessen, und beide Motoren weisen die > gleichen Werte auf. Philipp G. schrieb: > jetzt mach die messung am zeiten Motor, dann weißt was Sache ist.
devzero schrieb: > Ralf B. schrieb: >> Ich habe jetzt die Widerstände gemessen, und beide Motoren weisen die >> gleichen Werte auf. > > Philipp G. schrieb: >> jetzt mach die messung am zeiten Motor, dann weißt was Sache ist. Nicht stutzig werden -das ist hier der Normalfall: Kluge Ratschläge geben, ohne den Inhalt einfacher Sätze zu begreifen. Aber, wie sagte doch der große Meister Hinz: > Es dürfen halt auch Leute ohne Ahnung schreiebn. Inclusive seiner selbst. @TO Tausche den Kondensator zwischen den Motoren, dann bist Du sicher, daß es wirklich an dem 2. Motor selbst liegt.
Hunz schrieb: > Aber, wie sagte doch der große Meister Hinz: >> Es dürfen halt auch Leute ohne Ahnung schreiebn. > > Inclusive seiner selbst. Ach Psychopath, du bist doch der große Ahnungslose, insbesondere wenns um Motoren geht. > @TO > Tausche den Kondensator zwischen den Motoren, dann bist Du sicher, daß > es wirklich an dem 2. Motor selbst liegt. Nicht nötig.
hinz schrieb: > Hunz schrieb: > >> Aber, wie sagte doch der große Meister Hinz: >>> Es dürfen halt auch Leute ohne Ahnung schreiebn. >> >> Inclusive seiner selbst. > > Ach Psychopath, du bist doch der große Ahnungslose, insbesondere wenns > um Motoren geht. Außer dem Beschimpfen von Leuten hast Du nicht viel drauf, wie? > >> @TO >> Tausche den Kondensator zwischen den Motoren, dann bist Du sicher, daß >> es wirklich an dem 2. Motor selbst liegt. > > Nicht nötig. Sagt der, der schon so viele Ratsuchende in's Bockshorn gejagt hat. Du bist der Psychopath hier -und zwar in rollender Woche. :(
Hunz schrieb: > Sagt der, der schon so viele Ratsuchende in's Bockshorn gejagt hat. > > Du bist der Psychopath hier -und zwar in rollender Woche. > :( Die Moderation wird deinen Müll ja eh wieder entfernen, so wie üblich.
Die Frage ist erstmal, wieviel Anschlüsse der Motor selbst hat ? - 2 oder 3? Es könnte ja auch sein, das der Motor mit gleichgerichteter Spannung, mal so und mal andersrum versorgt wird. Wenn der Motoe weder sichtbar verbrannt ist, noch stinkt, dann ist der gut! Und dann noch die Widerstandswerte! Abchecken ob gleichgerichtete Spannung!
Thomas S. schrieb: > Die Frage ist erstmal, wieviel Anschlüsse der Motor selbst hat ? - 2 > oder 3? Er hat drei, das war von Anfang an geklärt. > Abchecken ob gleichgerichtete Spannung! Das Foto zeigt deutlich einen Asynchronmotor.
Ich tausche natürlich trotzdem zum Test den Kondensator aus, kost ja nix.
Lässt sich der Motor von Hand drehen ? - ohne dass der 'streng' geht, oder gar schleift? Stinkt der Motor 'verbrannt' - im Vergleich zum anderen? Kann ja sein, dass dieser nicht 'zentriert ' im Stator ist !
Tja, und es war doch der Kondensator. Der vermeintlich defekte Motor läuft mit dem kondensator aus dem anderen Motor, und umgekehrt. Habe auch nach einer Anleitung zum kondensatortest den Kondensator gemessen - im Ergebnis fehlerhaft.
Ralf B. schrieb: > Tja, und es war doch der Kondensator. Der vermeintlich defekte > Motor > läuft mit dem kondensator aus dem anderen Motor, und umgekehrt. > > Habe auch nach einer Anleitung zum kondensatortest den Kondensator > gemessen - im Ergebnis fehlerhaft. Den kannst du aber durch deinen Fehlanschluss nicht beschädigt haben.
Du weisst doch garnicht, wie der wo da drann hängt intern und wie das im einzelnen verschaltet ist. Ich hab gleich auf den Kondensator getippt.
Vielleicht liegt es daran, dass der Motor gebraucht gekauft wurde und der Kondensator schon vorbelastet war. Und er dann zufällig in diesem Moment kaputt gegangen ist? Wegen Ersatz: kann ich einen beliebigen en 60252-1 mit passender Kapazität kaufen? Oder noch was anderes zu beachten? Edit Finde leider keinen mit genau der gleichen Kapazität (und erträglicher Lieferzeit). In welchem Bereich sollte sich der Ersatz bewegen?
äxl schrieb: > Du weisst doch garnicht, wie der wo da drann hängt intern und wie > das im > einzelnen verschaltet ist. Doch, das weiß ich. > Ich hab gleich auf den Kondensator getippt. Ja, dein wissenschaftlicher Weitblick...
Ralf B. schrieb: > Wegen Ersatz: kann ich einen beliebigen en 60252-1 mit passender > Kapazität kaufen? Oder noch was anderes zu beachten? Motorkondensator halt, Kapazität, Spannung und Haltbarkeitsklasse sind wichtig.
Ralf B. schrieb: > Vielleicht liegt es daran, dass der Motor gebraucht gekauft wurde und > der Kondensator schon vorbelastet war. Nun, bislang sind alle davon ausgegangen, das Du neu gekauft hast. Derart wichtige Infos erst nach Tagen zu geben, ist schon seltsam. Nach wie vor gilt: Der Kondensator kann nicht durch Deinen Falsch- anschluss kaputt gegangen sein. Andererseits gilt, das solche Motor- kondensatoren nur eine begrenzte Lebensdauer haben und nach einigen Jahren durchaus ausfallen können. Alle, die hier geschrieben haben, das es nicht am Kondensator liegen kann, sind davon ausgegangen, das es sich um einen fabrikneuen Kondensator handelt und bei denen ist ein Ausfall mehr als unwahrscheinlich. > Wegen Ersatz: kann ich einen beliebigen en 60252-1 mit passender > Kapazität kaufen? Da solche Kondensatoren oft Werte haben, die nicht in die gängige E6/E12-Norm passen, sollte der neue Kondensator schon auf +- 10% genau stimmen. Ansonsten könnte der Motor überlastet werden. > Oder noch was anderes zu beachten? Auch die Spannung sollte der des alten Kondensators entsprechen. Die Nennspannung von Motorkondensatoren ist oft höher als die Netzspannung. > Edit Finde leider keinen mit genau der gleichen Kapazität (und > erträglicher Lieferzeit). Dann such weiter. Wegen Lieferzeit: Solche Motorkondensatoren bekommt man manchmal auch beim örtlichen Elektriker.
hinz schrieb: > äxl schrieb: >> Du weisst doch garnicht, wie der wo da drann hängt intern und wie >> das im >> einzelnen verschaltet ist. > > Doch, das weiß ich. > > >> Ich hab gleich auf den Kondensator getippt. > > Ja, dein wissenschaftlicher Weitblick... Das ist es, was ich an Hinz liebe: Mist erzählen, Leute in die Irre leiten und wenn er dann widerlegt ist, zum Dank noch nach allen Seiten auskeilen.
Hunz schrieb: >>> Ich hab gleich auf den Kondensator getippt. >> >> Ja, dein wissenschaftlicher Weitblick... > > Das ist es, was ich an Hinz liebe: Mist erzählen, Leute in die Irre > leiten und wenn er dann widerlegt ist, zum Dank noch nach allen Seiten > auskeilen. Nichts ist widerlegt. Die Aussage, das der Kondensator durch den Falschanschluss des TEs nicht beschädigt wurde, gilt nach wie vor.
Harald W. schrieb: > Nichts ist widerlegt. Die Aussage, das der Kondensator durch den > Falschanschluss des TEs nicht beschädigt wurde, gilt nach wie vor. Mit der Logik hast auch Du es nicht so, oder wie? Wenn beide Motoren mit ein und demselben Kondensator laufen, dann sind die Motoren in Ordnung. Wodurch der Kondensator letzten Endes seinen Defekt erlitt, ist für die Behebung des Fehlers völlig Rille.
Hunz schrieb: > Wodurch der Kondensator letzten Endes seinen Defekt erlitt, ist für die > Behebung des Fehlers völlig Rille. Nur Deine Aussagen sind völlig Rille. Keine einzige davon war nützlich zur Fehlerbehebung.
Harald log: > Nur Deine Aussagen sind völlig Rille. Keine einzige davon war > nützlich zur Fehlerbehebung. Bitte nicht zu lügen anfangen, um den Kopf aus der selbst gelegten Schlinge zu winden! Beitrag "Rouladen-Motor"
Hunz schrieb: > Bitte nicht zu lügen anfangen, um den Kopf aus der selbst gelegten > Schlinge zu winden! > > Beitrag "Rouladen-Motor" Könntest Du Dich bitte mal einer anderen Tätigkeit widmen? Ich denke du gehtst den meisten ziemlich auf den Sack, mir inkl.
Philipp G. schrieb: > Hunz schrieb: >> Bitte nicht zu lügen anfangen, um den Kopf aus der selbst gelegten >> Schlinge zu winden! >> >> Beitrag "Rouladen-Motor" > > Könntest Du Dich bitte mal einer anderen Tätigkeit widmen? Ich denke du > gehtst den meisten ziemlich auf den Sack, mir inkl. Ich lege den Finger in die Wunde, zeige Selbstzufriedenheit und Überheblichkeit den Daumen. Das wirst Du ertragen müssen.
Philipp G. schrieb: > Hunz schrieb: >> Bitte nicht zu lügen anfangen, um den Kopf aus der selbst gelegten >> Schlinge zu winden! >> >> Beitrag "Rouladen-Motor" > > Könntest Du Dich bitte mal einer anderen Tätigkeit widmen? Ich denke du > gehtst den meisten ziemlich auf den Sack, mir inkl. Ja, es wird Zeit, dass sein Müll wieder entsorgt wird.
Kann es sein, dass Du bei deinen Test mal auf die Richtungsleitung N gegeben hast, während Du auf die andere Richtung L1 gabst?! - Das würde den Kondensator grillen.
Fabian H. schrieb: > Kann es sein, dass Du bei deinen Test mal auf die Richtungsleitung > N > gegeben hast, während Du auf die andere Richtung L1 gabst?! - Das würde > den Kondensator grillen. Nein, das macht dem Kondensator gar nichts aus.
Fabian H. schrieb: > Kann es sein, dass Du bei deinen Test mal auf die Richtungsleitung N > gegeben hast, während Du auf die andere Richtung L1 gabst?! - Das würde > den Kondensator grillen. Du kannst den Kondensator auch direkt an 230V an N und L1 hängen, da passiert nix, ausser dass er die ganze Zeit ge- und entladen wird.
hinz schrieb: > Fabian H. schrieb: >> Kann es sein, dass Du bei deinen Test mal auf die Richtungsleitung >> N >> gegeben hast, während Du auf die andere Richtung L1 gabst?! - Das würde >> den Kondensator grillen. > > Nein, das macht dem Kondensator gar nichts aus. Aha, kannst Du das auch belegen oder sagt Dir das dein Bauchgefühl? Auf welche Wirkverlustleistung bist Du bei deiner Berechnung gekommen, bevor Du diese Meinung postuliert hast?
Fabian H. schrieb: > Aha, kannst Du das auch belegen oder sagt Dir das dein Bauchgefühl? > Auf welche Wirkverlustleistung bist Du bei deiner Berechnung gekommen, > bevor Du diese Meinung postuliert hast? Parallel zur Versorgung. Schau mal wie ein Kondensator in der Steinmetzschaltung eingebaut ist.
Fabian H. schrieb: > Aha, kannst Du das auch belegen oder sagt Dir das dein Bauchgefühl? Das kannst du im Datenblatt des Herstellers nachlesen.
Die Verlustleistung sagt da aber etwas anderes: (sin(x)*325) * (sin(x+(pi/2))*0,723)
hinz schrieb: > Fabian H. schrieb: >> Aha, kannst Du das auch belegen oder sagt Dir das dein Bauchgefühl? > > Das kannst du im Datenblatt des Herstellers nachlesen. Hast Du einen Link?
Philipp G. schrieb: > Fabian H. schrieb: >> Aha, kannst Du das auch belegen oder sagt Dir das dein Bauchgefühl? >> Auf welche Wirkverlustleistung bist Du bei deiner Berechnung gekommen, >> bevor Du diese Meinung postuliert hast? > > Parallel zur Versorgung. Schau mal wie ein Kondensator in der > Steinmetzschaltung eingebaut ist. Mit einer Spule in Reihe, die die Wirkleistung umsetzt! Wird direkt N / L1 auf den Kondensator gegeben, muss dieser die resultierende Wirkleistung umsetzen. > Kaputt.
Fabian H. schrieb: > Die Verlustleistung sagt da aber etwas anderes: > > (sin(x)*325) * (sin(x+(pi/2))*0,723) Das ist Quatsch.
Fabian H. schrieb: > hinz schrieb: >> Fabian H. schrieb: >>> Aha, kannst Du das auch belegen oder sagt Dir das dein Bauchgefühl? >> >> Das kannst du im Datenblatt des Herstellers nachlesen. > > Hast Du einen Link? https://www.iskra.eu/f/docs/6279/Motor_RunningMotor_Starting_Capacitors_Ver_3.pdf
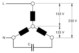
Fabian H. schrieb: > Mit einer Spule in Reihe, die die Wirkleistung umsetzt! Wird direkt N / > L1 auf den Kondensator gegeben, muss dieser die resultierende > Wirkleistung umsetzen. > Kaputt. Wie kommst du darauf? Funfact: In meiner Ausbildung haben wir immer Kondensatoren direkt an 230V aufgeladen, wenn man beim Abklemmen nicht grad den Nulldurchgang erwischt hat konnte man den Kollegen ziemlich gut erwischen. Blöderweise ging mir nie einer kaputt dabei. Stell' dir vor, neben der Kapazität steht da noch Spannungsfestigkeit drauf. @hunz fabian oder wer auch immer: Schau mal mein Bild an. Meinst Du die beiden L in Reihe machen den C kaputt?
Ralf B. schrieb: > Also ist die Vermutung mit dem Kondensator als Ursache unwahrscheinlich, > oder? Bei neuen Kondensatoren ist diese Vermutung wirklich mehr als unwahrscheinlich. Bei gebrauchten Kondensatoren ist ein Versagen des Kondensators allerdings eine typische Ausfallursache bei Kondensatormotoren. Du solltest am Besten gleich zwei Kondensatoren kaufen, falls der zweite Motor auch demnächst ausfällt. Die Mißverständnisse in diesem Thread sind nur deshalb entstanden, weil wohl die meisten "Antworter" davon ausgegangen sind, das Du einen neuen Antrieb gekauft hast.
Für "hinz" und "Philipp" habe ich es mal mit Excel grafisch dargestellt. "äxl" hat von Anfang an den richtigen Riecher gehabt. Wie gesagt: Er geht nicht kaputt, wenn man "Hoch" und "Runter" gleichzeitig bestromt. Sondern er geht kaputt, wenn men "Hoch" mit L1 und "Runter" mit N verbindet. Gerne bin ich für Gegenbeweise offen. Aber solche Aussagen wie "steht im Datenblatt" lass ich nicht gelten.
Philipp G. schrieb: > @hunz fabian oder wer auch immer: Schau mal mein Bild an. Meinst Du die > beiden L in Reihe machen den C kaputt? Wie gesagt: Der C liegt NICHT direkt an L und N! Die Kondensatoren, die hier in der Ausbildung an Netzspannung aufgeladen habt, wurden entweder nicht direkt zwischen L und N geladen oder hatten wesentlich weniger Kapazität als 10µF.
Fabian H. schrieb: > Gerne bin ich für Gegenbeweise offen. Aber solche Aussagen wie "steht im > Datenblatt" lass ich nicht gelten. Du hast es also nicht gelesen. > Für "hinz" und "Philipp" habe ich es mal mit Excel grafisch dargestellt. Trotz der hübschen Darstellung bleibt es Quatsch.
hinz schrieb: > Fabian H. schrieb: >> hinz schrieb: >>> Fabian H. schrieb: >>>> Aha, kannst Du das auch belegen oder sagt Dir das dein Bauchgefühl? >>> >>> Das kannst du im Datenblatt des Herstellers nachlesen. >> >> Hast Du einen Link? > > https://www.iskra.eu/f/docs/6279/Motor_RunningMotor_Starting_Capacitors_Ver_3.pdf Danke, dass Du dich selbst widerlegst. Auf Seite 4 sieht man deutlich, dass der Kondensator eben nicht zwischen L und N betrieben werden darf - oder was meinst Du?
hinz hinz schrieb: > Fabian H. schrieb: > Gerne bin ich für Gegenbeweise offen. Aber solche Aussagen wie "steht im > Datenblatt" lass ich nicht gelten. > > Du hast es also nicht gelesen. > > Für "hinz" und "Philipp" habe ich es mal mit Excel grafisch dargestellt. > > Trotz der hübschen Darstellung bleibt es Quatsch. Nur weil Du es nicht verstehst, ist es nicht gleich Quatsch. Es scheint so, als ob du noch nie etwas von Blind-, Wirk- und Scheinleistung gehört hast. Wenn dein Wissen sich darauf beschränkt, lieber Hinz, dass Strom von plus nach minus fließt, dann halte dich aus komplexeren Themen einfach raus. Du hast mit deinen Beiträgen dem TO hier null geholfen und nicht zur Lösungsfindung beigetragen. Die Berechnung von Fabian beweist aber sogar, dass der Kondensator kaputt gehen musste. (Sofern der TO tatsächlich Netzspannung zwischen die zwei Richtungswindungen gegeben hat)
Fabian H. schrieb: > https://www.iskra.eu/f/docs/6279/Motor_RunningMotor_Starting_Capacitors_Ver_3.pdf > > Danke, dass Du dich selbst widerlegst. Auf Seite 4 sieht man deutlich, > dass der Kondensator eben nicht zwischen L und N betrieben werden darf - > oder was meinst Du? Du hast wohl niemals etwas von X2 gehört.
Verlustleistung schrieb: > Nur weil Du es nicht verstehst, ist es nicht gleich Quatsch. Es scheint > so, als ob du noch nie etwas von Blind-, Wirk- und Scheinleistung gehört > hast. Wenn dein Wissen sich darauf beschränkt, lieber Hinz, dass Strom > von plus nach minus fließt, dann halte dich aus komplexeren Themen > einfach raus. > Du hast mit deinen Beiträgen dem TO hier null geholfen und nicht zur > Lösungsfindung beigetragen. > Die Berechnung von Fabian beweist aber sogar, dass der Kondensator > kaputt gehen musste. (Sofern der TO tatsächlich Netzspannung zwischen > die zwei Richtungswindungen gegeben hat) Wende dich an deine Arzt.
hinz schrieb: > Fabian H. schrieb: > >> > https://www.iskra.eu/f/docs/6279/Motor_RunningMotor_Starting_Capacitors_Ver_3.pdf >> >> Danke, dass Du dich selbst widerlegst. Auf Seite 4 sieht man deutlich, >> dass der Kondensator eben nicht zwischen L und N betrieben werden darf - >> oder was meinst Du? > > Du hast wohl niemals etwas von X2 gehört. Und Du verdrehst die Tatsachen. Ich habe geschrieben: "dass DER Kondensator" nicht direkt an Phase und Null betrieben werden darf. Es ist ein Motorkondensator und kein X2 Kondensator. Aber ich denke, dass in diesem Thread nun alles gesagt wurde.
Fabian H. schrieb: > Es ist ein Motorkondensator und kein X2 Kondensator. Du hast das Datenblatt also nicht gelesen.
Fabian H. schrieb: > Die Kondensatoren, die hier in der Ausbildung an Netzspannung aufgeladen > habt, wurden entweder nicht direkt zwischen L und N geladen oder hatten > wesentlich weniger Kapazität als 10µF. Wie hätten wir die denn sonst aufladen sollen? Zwischen PE und N? Und das waren richtig dicke Brummer aus Aluminium.
Fabian H. schrieb: > hinz schrieb: >> Fabian H. schrieb: >> Du hast wohl niemals etwas von X2 gehört. > > Und Du verdrehst die Tatsachen. Ich habe geschrieben: "dass DER > Kondensator" nicht direkt an Phase und Null betrieben werden darf. Es > ist ein Motorkondensator und kein X2 Kondensator. > > Aber ich denke, dass in diesem Thread nun alles gesagt wurde. Laß sein, Fabian. Der Kerl ist sowas von selbstverliebt und hat per Definition immer Recht. Solchen Leuten kommt man nicht bei, zumal er auch noch eine Reihe von Fanboys um sich gesammelt hat.
Außenstehender schrieb: > Laß sein, Fabian. Der Kerl ist sowas von selbstverliebt und hat per > Definition immer Recht. Solchen Leuten kommt man nicht bei, zumal er > auch noch eine Reihe von Fanboys um sich gesammelt hat. Deine Wahnvorstellung werden immer schlimmer.
Außenstehender schrieb: > Laß sein, Fabian. Der Kerl ist sowas von selbstverliebt und hat per > Definition immer Recht. Solchen Leuten kommt man nicht bei, zumal er > auch noch eine Reihe von Fanboys um sich gesammelt hat. Damit die Kirche im Dorf bleibt, kannst Du deine Graphik mal begründen? Geht es Dir um den Versatz bei 90°, bei ca. 1A?
Die 90° sind die Phasenverschiebung zwischen Strom- und Spannung. Der Strom errechnet sich aus dem Blindwiderstand Xc=1/(2*pi*f*C) Da es sich um einen 10uF Kondensator handelt Xc = 1 / (2*pi*50*10*10^-6) = 318 Ohm 318 Ohm bei Sqr(2)*230V entspricht Imax = 1,02 A
Fabian H. schrieb: > Die 90° sind die Phasenverschiebung zwischen Strom- und Spannung. Der > Strom errechnet sich aus dem Blindwiderstand Xc=1/(2*pi*f*C) > > Da es sich um einen 10uF Kondensator handelt Xc = 1 / (2*pi*50*10*10^-6) > = 318 Ohm > > 318 Ohm bei Sqr(2)*230V entspricht Imax = 1,02 A Das ist ja alles klar hunz, und ist der Strom von 1.02A ist zu gross für Dich, so gross dass dieser über kurz oder lang den C zerstört?
Martin H. schrieb: > ...und was ist nun die Kernaussage dieses Excel-Sheets? IMHO ist ihm der Strom bei 90° von einem lächerlichen Ampere zu gross.
Philipp G. schrieb: > Martin H. schrieb: >> ...und was ist nun die Kernaussage dieses Excel-Sheets? > > IMHO ist ihm der Strom bei 90° von einem lächerlichen Ampere zu gross. Er glaubt an eine gigantische Verlustleistung, dabei sinds nur wenige 100mW.
hinz schrieb: > Philipp G. schrieb: >> Martin H. schrieb: >>> ...und was ist nun die Kernaussage dieses Excel-Sheets? >> >> IMHO ist ihm der Strom bei 90° von einem lächerlichen Ampere zu gross. > > Er glaubt an eine gigantische Verlustleistung, dabei sinds nur wenige > 100mW. Schau mal in die Spalte "Leistung". Dort sieht man, dass die Verlustleistung im Mittel 80W ist! Wie kommst Du auf 100mW?!
Fabian H. schrieb: >> Philipp G. schrieb: >>> Martin H. schrieb: >>>> ...und was ist nun die Kernaussage dieses Excel-Sheets? >>> >>> IMHO ist ihm der Strom bei 90° von einem lächerlichen Ampere zu gross. >> >> Er glaubt an eine gigantische Verlustleistung, dabei sinds nur wenige >> 100mW. > > Schau mal in die Spalte "Leistung". Dort sieht man, dass die > Verlustleistung im Mittel 80W ist! Wie kommst Du auf 100mW?! Schein- Blind- Wirkleistung?
Fabian H. schrieb: > hinz schrieb: >> Philipp G. schrieb: >>> Martin H. schrieb: >>>> ...und was ist nun die Kernaussage dieses Excel-Sheets? >>> >>> IMHO ist ihm der Strom bei 90° von einem lächerlichen Ampere zu gross. >> >> Er glaubt an eine gigantische Verlustleistung, dabei sinds nur wenige >> 100mW. > > Schau mal in die Spalte "Leistung". Dort sieht man, dass die > Verlustleistung im Mittel 80W ist! Wie kommst Du auf 100mW?! Du solltest mal über eine ganze Periode integrieren. Ansonsten: P_v = I_rms^2 * ESR Und der ESR liegt bei wenigen 100mOhm.
Hunz schrieb: > Sagt der, der schon so viele Ratsuchende in's Bockshorn gejagt hat. > > Du bist der Psychopath hier -und zwar in rollender Woche. > :( Ich würde es so sagen. Hinz hat hier schon mehr wirklich kompetente und hilfreiche Beiträge geschrieben, als selbst du Blödsinn und Beleidigungen. Und das will schon einiges heissen.
Bitte melde dich an um einen Beitrag zu schreiben. Anmeldung ist kostenlos und dauert nur eine Minute.
Bestehender Account
Schon ein Account bei Google/GoogleMail? Keine Anmeldung erforderlich!
Mit Google-Account einloggen
Mit Google-Account einloggen
Noch kein Account? Hier anmelden.


