Hallo Forum :) ich habe mir einen Verstärker auf dem Steckboard zusammengesteckt. Die Schaltung dazu habe ich mir selber ausgedacht, weil ich keine pnp-Transistoren drin haben möchte, aber trotzdem die positive und die negative Halbwelle einer Schwingung geschaltet werden soll. In meinen Versuchen mit dieser Schaltung gelingt es mir nicht, an 8 Ohm eine größere Spannung als 8 Vss zu erreichen. Als Versorgung nutze ich 2 Schaltnetzteile zu je 15 Volt / 30 Watt. Da habe ich wenigstens an 15 Vss erwartet, weil aus MOSFET und Lautsprecher ein 1:1 Spannungsteiler entstehen müsste. Mittlerweile habe ich gefunden, daß die Vorverstärkung das Problem ist. Das Audiosignal wird in eine Stromgegenkopplung eingespeist. Aber da beide Transistoren ( Q1 + Q2 ) über den jeweiligen Emitterwiderstand am selben Potential liegen, kann die Spannungsverstärkung nicht richtig arbeiten. Das Audiosignal erzeugt praktisch einen entgegengesetzten Strom in R2 und R3, als der schaltungsbedingte Strom in der Vorverstärkung sein sollte und so heben sich die Ströme weitestgehend auf und es wird nur die Differenz verstärkt. Das ist aber nicht genug, um Q3 und Q4 weit zu steuern. Hat eventuell jemand eine Idee, wie ich das Audiosignal in die Gegenkopplung einspeisen kann, ohne über das gleiche Potential zu müssen? Die Signaltreue ist ok. Jedenfalls klingt die Musik durch den Verstärker besser, als aus meiner Low-Budged-Anlage. Ich könnte auch Oszibilder posten. Es soll halt nur noch bissl lauter gehen.
Ingo S. schrieb: > wie ich das Audiosignal > in die Gegenkopplung einspeisen kann, ohne über das > gleiche Potential zu müssen? Am Eingang fehlt der Entkoppler-Elko((minimal 4,7uF)! Zudem sollteste den Eingang über ein RC-Netzwerk (10 Kohm/1 nF oder so änlich) nachschaltenSonst passiert das, was ja schon beschrieben hast; Die Transistoren "schlucken den Strom", en sie eigentlich verstärken sollen! Und am Ausgang sollte ebenfalls je ein Elko vom Abgriff in Richtung V+ sowie GND liegen. Der GND-Zweig benötigt bei diesen Schaltungen zumindestens einen Elko mit Serienwiderstand vor dem Lautsprecher-Anschluss, um die praktisch kurzgeschlossene Versorgung über den Lautsprecher zu verhindern!
Ingo S. schrieb: > In meinen Versuchen mit dieser Schaltung gelingt es > mir nicht, an 8 Ohm eine größere Spannung als 8 Vss > zu erreichen Deine IRFB haben eine besonders hohe UGS-Threshold-Spannung end leiten bei 4.5V erst minimal, und 6V können durch die 5.1V Z-Diode gar nicht erreicht werden. Und wenn eine 5W Lampe (unbekannter Spannung, also wohl 12V) den Strom begrenzt, kann auch nicht mehr rauswkommen als ca. 3W (Kaltwiderstand ist ja geringer).
Bin ich der Einzige, der diese Schaltung an sämtlichen Ecken vorsichtig formuliert ziemlich abwegig findet?
EinsatzVsta schrieb: > > Am Eingang fehlt der Entkoppler-Elko((minimal 4,7uF)! > Und am Ausgang sollte ebenfalls je ein Elko vom Abgriff in Richtung V+ > sowie GND Einige Hifi Puristen mögen keine Elkos im Signalweg.
Beitrag #5898214 wurde von einem Moderator gelöscht.
Beitrag #5898215 wurde von einem Moderator gelöscht.
Ingo S. schrieb: > Hat eventuell jemand eine Idee, wie ich das Audiosignal > in die Gegenkopplung einspeisen kann, ohne über das > gleiche Potential zu müssen? Du kannst ja an die Basen gehen, da ist das schonmal hochohmiger und belastet Deine sym. Quelle weniger. Womit steuerst Du den amp überhaupt an? Hast Du die Schaltung in LTspice für uns? LG old.
Stefanus F. schrieb: > Bin ich der Einzige, der diese Schaltung an sämtlichen Ecken vorsichtig > formuliert ziemlich abwegig findet? Die schweigende Masse schweigt.
" Leute, Wir leben im 22.Jahrhundert, menno!!! Ist das irgendwem bewusst?? Glaub ich nicht!" Habe ich ein Jahrhundert verschlafen? Dann bin ich ja bald 200! Höchste Zeit, das Museum für historische Rundfunkgeräte zu eröffnen. MfG
michael_ schrieb: > Stefanus F. schrieb: >> Bin ich der Einzige, der diese Schaltung an sämtlichen Ecken vorsichtig >> formuliert ziemlich abwegig findet? > > Die schweigende Masse schweigt. Das ist eine Schaltung aus Absurdistan. Die ist so unsinnig aus, dass es jedem die Sprache verschlägt.
Helmut S. schrieb: > Das ist eine Schaltung aus Absurdistan. Nee, die kommt wo anders her! Die kommt aus der Zone der nicht lieferbaren Komplementärtransistoren. So ähnlich jedenfalls, weil, es gab auch keine Power-FETs... :-) > Die ist so unsinnig aus, dass > es jedem die Sprache verschlägt. Alles was man nicht versteht muß nicht unbedingt unsinnig sein!
Stefanus F. schrieb: > Bin ich der Einzige, der diese Schaltung an sämtlichen Ecken vorsichtig > formuliert ziemlich abwegig findet? Helmut S. schrieb: > Das ist eine Schaltung aus Absurdistan. Die ist so unsinnig aus, dass > es jedem die Sprache verschlägt. Hallo, dem kann ich mich nur anschließen! Aber dem TO gefällt ja die Tonqualität. Also, wie kriegen wir da mehr Power raus?? Hab jetzt gerade keine Idee...bin aber schon gespannt :-) Gruß Rainer
sonnabend schrieb: > Nee, die kommt wo anders her! Die kommt aus der Zone der nicht > lieferbaren Komplementärtransistoren. So ähnlich jedenfalls, weil, es > gab auch keine Power-FETs... :-) Sah aber so aus. Die Endstufe voll mit Germanen. Hat trotzdem funktioniert. https://www.gfgf.org/GFGF-Schaltplandienst/SternRadioSonneberg_StereoEffect_sch.pdf
Die Schaltung ist im Prinzip interessant. Sieht nach Class A Gegentakt aus mit Eingangskreis in Basisschaltung, das ist faszinierend... :-) Arbeitswiderstände sind Glühlampen, TO, es sind vermutlich 12V/5W? Diese sind praktisch die leistungsbegrenzenden Elemente. Die Ausgangsleistung hängt in hohem Maße vom eingestellten Arbeitspunkt ab, wobei die maximale Ausgangsspannung durch die Serienschaltung Glühlampe/Lausprecher bestimmt wird und das für beide Halbwellen.
Die Schaltung geht irgendwie in Richtung Stromsteuerung mit getrennten Spannungsquellen für die beiden Richtungen. Da kann man schon einen Röhren-ähnlichen Klang mit starker Verzerrung erwarten - für einen Röhrenschaltung wäre die Amplitude doch gar nicht so schlecht. Das ist wirklich schon eine komische Schaltung. Die Zenerdioden begrenzen den maximalen Strom ggf. ein wenig zu sehr und auch an den Lampen geht relativ viel Leistung verloren, vor allem wenn der Ruhestrom relativ hoch eingestellt ist. Lampen mit mehr Leistung könnten etwas helfen.
michael_ schrieb: > sonnabend schrieb: >> Nee, die kommt wo anders her! Die kommt aus der Zone der nicht >> lieferbaren Komplementärtransistoren. So ähnlich jedenfalls, weil, es >> gab auch keine Power-FETs... :-) > > Sah aber so aus. Die Endstufe voll mit Germanen. > Hat trotzdem funktioniert. > > https://www.gfgf.org/GFGF-Schaltplandienst/SternRadioSonneberg_StereoEffect_sch.pdf Ja, das war eine andere gern genommene Variante. Im professionellen Bereich (jetzt ist die Auswahl ja nicht mehr so groß...) gabs auch eine Schaltungsvariante die der hier gezeigten sehr ähnlich war. Zwei unabhängige Versorgungsspannungen (ohne gemeinsame Masse) zwischen denen der Lautsprecher hängt und auch das NF-Signal wurde ohne Massebezug zwischen an den Treibertransistoren beider Endstufenhälften eingespeist. Allerdings Basis, nicht wie hier Emitter.
Hier die Patentschrift zur Schaltung: http://www.freepatentsonline.com/EP1548934.html http://www.freepatentsonline.com/EP1548934.pdf LG old.
Die beste Grafik die auf die Schnelle im Netz zu finden war: http://tvr.vejas.lt/uploads/Amplifiers/Wermona%20Regent/Vermona%2520Regent%2520600N%2520(2czesc).gif Den ganzen Krempel links (T531,532) kann man erstmal vergessen, Schutzschaltung und Ruhestromstabilisierung. Eingangssignal (aus NF-Übertrager) geht auf Basis der Treiber T501,T502. Die Stromversorgung und die Lautsprecher.. Na, viel Spass mit dem Knoten im Gehirn. :-) TO hat hier schon für etwas bessere Übersicht gesorgt.
Hier ist die Schaltung erklärt: http://www.tubecad.com/2008/03/blog0137.htm Und im Hifi Forum Erklärt sich der Patentinhaber mit mindestens zwei Identitäten: http://www.hifi-forum.de/viewthread-108-8330.html Der Patentinhaber wehrt sich gegen die Bezeichnung Circlotron. LG old.
Aus der W. schrieb: > Hier die Patentschrift zur Schaltung: Ingo S. schrieb: > Die Schaltung dazu habe ich mir > selber ausgedacht, Naja!
sonnabend schrieb: > Die Stromversorgung und die Lautsprecher.. Na, viel Spass mit dem Knoten > im Gehirn. :-) Siehe Bild. Übrigens haben die Moderatoren im HIFI-Forum das Bild gelöscht. Es war in Beitrag #22 um die Angelegenheit mit den Magnetfeldern zu klären. LG old.
sonnabend schrieb: > Die beste Grafik die auf die Schnelle im Netz zu finden war: Ich teste mal, ob hier auch externe Grafiken als Anhang möglich sind... michael_ schrieb: > Naja! Ich finde eher erstaunlich, daß mit geringen Änderungen jemand 2008, die olle Vermona Schaltung hat patentieren lassen.
Stefanus F. schrieb: > Bin ich der Einzige, der diese Schaltung an sämtlichen Ecken vorsichtig > formuliert ziemlich abwegig findet? Du bist nicht der Einzige. Selten so einen Blödsinn gesehen.
Beitrag #5898331 wurde von einem Moderator gelöscht.
EinsatzVsta schrieb: > Am Eingang fehlt der Entkoppler-Elko da soll kein Elko drin sein, weil so zwangsläufig Frequenzen geblockt werden. Da es nicht ausschließlich für Audioanwendungen gedacht ist, brauche ich die Möglichkeit, auch Gleichspannung zu verstärken. EinsatzVsta schrieb: > um die praktisch kurzgeschlossene Versorgung über den Lautsprecher zu > verhindern dafür sind die Glühbirnen ( 12 V ) eingesetzt. Michael B. schrieb: > Deine IRFB ... leiten > bei 4.5V erst minimal > > 5W Lampe > begrenzt Die IRFB habe ich zuvor an 8 Ohm getestet und da erreichen die bei etwa 4 Volt am Gate den gleichen Spannungsabfall über DS , wie über den 8 Ohm abfallen, wenn ich mit 12 Volt Quellspannung arbeite. Deshalb habe ich die Gatespannung auf 5,1 Volt begrenzt. Es ist auch so, daß bei steigender Temperatur die Gatespannung geringer ausfallen kann, um gleiche Ströme zu erreichen...und die werden gut warm im Betrieb. Ich kühle aktiv mit Kühler und Lüfter. Mittlerweile sind 20 Watt / 12 Volt Halogenlampen als Vorwiderstand drin, aber mehr als 8 Vss sind nicht drin. TRIPAD TPA* schrieb im Beitrag #5898214: > wozu eigentlich diese welche gut sein soll Ich habe mir schon einige MOSFET durchgebrannt, weil die Schaltung in Durchgang ( Kurzschluss ) kippt. Dabei fallen über dem Lautsprecher "0" Volt ab. Der gesamte Strom fließt durch die IRFB. Deshalb sind die Lampen als Strombegrenzung drin. Aus der W. schrieb: > Du kannst ja an die Basen gehen > Womit steuerst Du den amp überhaupt an? > Hast Du die Schaltung in LTspice für uns? Die Basisschaltung möchte ich nicht, weil dabei das Ausgangssignal invertiert ist. Ich möchte es Phasengleich. Ich stecke einfach 3,5 mm Klinke an den Eingang und dann ans Handy...Laptop oder Radio dran. LTspice Simulation habe ich nicht. Eddy C. schrieb: > wobei die maximale Ausgangsspannung durch die Serienschaltung > Glühlampe/Lausprecher bestimmt wird und das für beide Halbwellen. Mittlerweile sind 20 Watt Lampen für 12 Volt drin. An denen fällt nichtmal 1 Volt ab. Die höchste Spannung fällt an den MOSFET ab. Deswegen fand ich heraus, daß die Steuerspannung aus der Vorverstärkung sich zu wenig ändert. Im Einzelversuch der Gegenkopplung allerdings geht die Spannung weit zu steuern. Erst im Einsatz reicht die Spannung der Vorverstärkung nicht mehr aus, obwohl ein Spannungsverstärkungsfaktor von gut 200 erreicht ist. Lurchi schrieb: > Die Schaltung geht irgendwie in Richtung Stromsteuerung Die Grundidee ist, einen Frequenzumrichter als Verstärker zu verwenden. Daher die etwas merkwürdige Schaltung. Um die Übernahmeverzerrung im Nulldurchgang zu unterdrücken, ist ein recht hoher Ruhestrom notwendig. Die Schaltung ist ein Stromfresser...aber das ist ok für mich. michael_ schrieb: > Aus der W. schrieb: >> Hier die Patentschrift zur Schaltung: > > Ingo S. schrieb: >> Die Schaltung dazu habe ich mir >> selber ausgedacht, > > Naja! Ich meinte nur, selber ausgedacht ... nicht, daß es sowas noch nicht gibt. *Danke für die Links _ Im Anhang eine grobe Prinzipskizze zu der Schaltung, wie ich die Aufgebaut habe.
Ingo S. schrieb: > Die Basisschaltung möchte ich nicht, weil dabei das > Ausgangssignal invertiert ist. Ich möchte es Phasengleich. > Ich stecke einfach 3,5 mm Klinke an den Eingang Umpolen keine Option?
Ingo S. schrieb: > Es soll halt nur noch bissl lauter gehen. Ingo, dein Vorverstärker ist gegengekoppelt. Ich würde die Basen in den beiden Stufen in Basisschaltung konsequenter Weise wechselspannungsmässig mit Cs erden, bzw miteinander verbinden, wenn das potentialfrei sein soll..
Nicht doch. Er will keine frequenzabhängige Bauteile. Ingo S. schrieb: > Die Grundidee ist, einen Frequenzumrichter als Verstärker > zu verwenden. Daher kommt das also. Im Audiobereich wird es sicher aus guten Grund nicht eingesetzt. Wenn ich das richtig einschätze, kriegst du bei 8Ohm und 24V nur 8W heraus. Mehr nicht.
michael_ schrieb: > Wenn ich das richtig einschätze, kriegst du bei 8Ohm und 24V nur 8W > heraus. Wie wärs mit rechnen statt schätzen? Und vergiss beim rechnen nicht die Glühbirnen in Serie zum Lautsprecher...
Ingo S. schrieb: > Die Grundidee ist, einen Frequenzumrichter als Verstärker > zu verwenden Völliger Blödsinn! Man mache sich einmal klar, was die diversen Class-D-Entwürfe für Klimmzüge machen, um auch nur annähernd in den sogenannten HiFI-Bereich zu kommen. Wieder einmal höchst spannend, aber was wirds??? Gruß Rainer
Sven S. schrieb: > michael_ schrieb: >> Wenn ich das richtig einschätze, kriegst du bei 8Ohm und 24V nur 8W >> heraus. > > Wie wärs mit rechnen statt schätzen? > Und vergiss beim rechnen nicht die Glühbirnen in Serie zum > Lautsprecher... Du bist ein Schlaumeier. Genau wegen den Glühlampen kann man nur schätzen. Aber Hauptsache, heisse Luft produziert.
Eddy C. schrieb: > Du bist ein Schlaumeier. Genau wegen den Glühlampen kann man nur > schätzen. Aber Hauptsache, heisse Luft produziert. Nö, auch mit Glühlampen kann man vermessen, sogar im konkreten Lastfall! Ein NF-Generator und ein popliges DMM (TrueRMS) genügen. Ich halte dieses Schaltungskonzept für äußertst beschi**en, jeder Chinakracher ist um Welten besser. Old-Papa
Ich hatte von einschätzen gesprochen. Ist bei mir ein Unterschied. Schätzen - nur Bauchgefühl auf einem unbekannten Gebiet. Einschätzen - Erfahrungs-Bauchgefühl, Vergleichsberechnung, Vergleichsschaltungen, berechnete Grenzwerte usw. Ich habe mir mal folgene Berechnung gemerkt. P=U²/8R Und damit ist die obere Grenze bestimmt. Es kann nur weniger werden. Der 30W Lautsprecher hatte mich irritiert.
Old P. schrieb: > Eddy C. schrieb: > >> Du bist ein Schlaumeier. Genau wegen den Glühlampen kann man nur >> schätzen. Aber Hauptsache, heisse Luft produziert. > > Nö, auch mit Glühlampen kann man vermessen, sogar im konkreten Lastfall! > Ein NF-Generator und ein popliges DMM (TrueRMS) genügen. Der nächste Schlaumeier? Es geht gerade um rechnen vs. schätzen. Was hat jetzt messen damit zu tun? Im Kontext liegt das Geheimnis.
michael_ schrieb: > Ich hatte von einschätzen gesprochen. > Ist bei mir ein Unterschied. > > Schätzen - nur Bauchgefühl auf einem unbekannten Gebiet. > Einschätzen - Erfahrungs-Bauchgefühl, Vergleichsberechnung, > Vergleichsschaltungen, berechnete Grenzwerte usw. Dich habe ich doch gar nicht zitiert und von "einschätzen" erst recht nicht geschrieben.... Eddy C. schrieb: > Der nächste Schlaumeier? Es geht gerade um rechnen vs. schätzen. Was hat > jetzt messen damit zu tun? Im Kontext liegt das Geheimnis. Ahhh, Du rechnest also mit nicht gemessenen Werten? Mit geschätzten Werten kann man nicht rechnen, was soll denn da rauskommen? Deine Aussage: Wegen Glühlampen kann man nur schätzen Meine Aussage: Mit Glühlampen kann man sehrwohl messen. Nicht mehr und nicht weniger. Old-papa
Old P. schrieb: > Dich habe ich doch gar nicht zitiert und von "einschätzen" erst recht > nicht geschrieben.... Wie kommst du darauf? Es gibt noch mehr Leute hier. Sven S. schrieb: > michael_ schrieb: >> Wenn ich das richtig einschätze, kriegst du bei 8Ohm und 24V nur 8W >> heraus. > > Wie wärs mit rechnen statt schätzen? Das wars.
michael_ schrieb: > Wie kommst du darauf? > Es gibt noch mehr Leute hier. Ok, da Du direkt unter meinem und im fast passendem Kontext gepostet hast, habe ich das auf mich bezogen. Missverständnis. Old-Papa
Old Papa Mit dir red ich kaum noch. Hast mich in Mechanik ohne Kenntnis runtergeputzt. Wenn, dann beiß ich ordentlich zurück :-) Offtopic an. Übrigens, das LEW kenne ich, aber nur vom Wasser aus :-( Bin da oft langgeschippert. Weißt was ich meine. Offtopic aus.
> .. plärrer schrieb .. >braucht man weder etwas unterhalb von 20 Hz geschweige denn oberhalb von 22 Khz als Grenze! Der Mensch nimmt alles *drunter und drüber gar nicht wahr*! Stimmt leider nicht. Unterhalb 20Hz nimmt man sehr gut wahr. Nur nicht mehr so gut mit dem Ohr. Schon mal an einem Metal konzert gewesen ? Mit einem Becher Bier in der Hand empfindet man bis erstaunlich tief runter. Mit der Hand. Passender Schalldruck vorausgesetzt.
michael_ schrieb: > Old Papa > Mit dir red ich kaum noch. Hast mich in Mechanik ohne Kenntnis > runtergeputzt. da bin ich wohl auch besser ;-) > Wenn, dann beiß ich ordentlich zurück :-) Mach das! > Offtopic an. > Übrigens, das LEW kenne ich, aber nur vom Wasser aus :-( > Bin da oft langgeschippert. Weißt was ich meine. > Offtopic aus. Siehste, ich kenn es von innen, und habe eben auch an den Maschinen dort geknufft. Du bis im Unterschied auf der anderen Grenzseite vorbei geschippert, weißt aber was dort geht.... Tolle Wurst! Old-Papa
michael_ schrieb: > Hast nichts begriffen. Dann warste eben vor der (tatsächlichen) Grenzseite in Uniform. Für uns war schon der Betriebszaun die Grenze nicht erst auf dem See. > Gut, zum Thema zurück. Besser ist das ;-) Old-Papa
Es hat sehr spät klick gemacht. Wir haben da auch die Schwäne gefüttert. Feine Tiere.
michael_ schrieb: > zum Thema zurück. Beim Grundvorhaben (FUs für Audio benutzen) käme es auf das genaue wie an... als ClassD Verstärker (auf relativ niedrige Frequenz beschränkt, sagen wir mal: Auf deutlich unter 1 kHz) könnte man die Endstufe ja schon verwenden. (Da ist dann auch das nötige Filter schon Herausforderung genug, vielleicht ja doch besser nur unterhalb 100, 80 oder gar nur 50Hz? Eventuell könnte man in dem Bereich ja sogar ganz auf eine Gegenkopplung verzichten, was hier im besonderen der Realisierung entgegen kommen würde?) Höhere Frequenz und/oder Wiedergabequalität nur mit Aufwand.
Aus der W. schrieb: > http://www.tubecad.com/2008/03/blog0137.htm der Link ist super. Darin sind mehrere Schaltungen, die nach dem Schaltprinzip arbeiten, wie ich es mir auch gedacht habe. Das erste Patent zu solch "Circlotron" ist laut dieses Textes schon 1959 erteilt worden. Rainer V. schrieb: > Völliger Blödsinn! na völlig veraltet...ok. In den Aufzeichnungen des Links wird die Signaleinkopplung über die Basis der jeweiligen Transistoren vorgenommen. In einem Beispiel wird das Signal vorher noch durch zwei Operationsverstärker gegeben. Ich habe an dieser Stelle halt einen Differenzverstärker eingesetzt. Wenn ich in Anlehnung an den Schaltplänen des Links orientiere, wären zwei Vorverstärker notwendig. Für jede Halbwelle einer. Was in der jetzigen Schaltungsvariante nicht funktioniert ( und das ist wesentlich mitverantwortlich für die magere Leistung ), ist, nur eine der beiden Lampen als Vorwiderstand leuchten zu lassen. Es leuchten immer beide - nur eine geringfügig heller. Ich habe versucht, durch Entfernen der Verbindung zwischen R3 und R4, die Lampen getrennt leuchten zu lassen. Beim Anlegen einer Spannung ( 1,5 V ) am Audioeingang leuchten zunächst beide Lampen auf. Nach Entfernen der Spannung bleibt nur eine Lampe an, je nach Polarität der Signalspannung. An 8 Ohm ohm'scher Last fällt dann die Quellspannung ab. In meinem Fall also die 15 V des Schaltnetzteils. Dieser Zustand bleibt dann aber auch, bis erneut der Audioeingang mit, der vorherigen Polarität entgegengesetzter, Spannung belastet wird. Dann kippt der Stromfluss auf die andere Lampe. Die Signaleinspeisung des "Circlotron" mit Röhren, wird über die Bias der Gittetelektrode geführt. Da die Auskopplung des verstärkten Signals über einen Transformator an den Lautsprecher geführt wird, ist primärseitig die Wicklung mit Mittelanzapfung für die Bias. Das bringt mich auf die Idee, den Differenzverstärker in meiner Schaltungsvariante auch vorzuspannen mit Speisung aus V+ über 10 - 50 K . Damit wird die Stromgegenkopplung erhöht. Irgendwie muss es funktionieren, da mehr Leistung raus zu holen.
Ingo S. schrieb: > Irgendwie muss es funktionieren, da mehr Leistung raus zu > holen. Woraus? Aus "Deiner Schaltung"? Ansonsten siehe mein Post.
Ingo S. schrieb: > Irgendwie muss es funktionieren, da mehr Leistung raus zu > holen. Ja, siehe Anhang. Ingo S. schrieb: > Da habe ich wenigstens an 15 Vss erwartet Bequem. Habe das so eingestellt, dass bei 2Vss am Eingang 15Vss am Lautsprecher sind. LG old.
Hallo, ich meine mich zu erinnern, dass solche Schaltungstopologien im Netz unter "Zen...irgendwas" zu finden waren/sind. Da gab es sowohl Vorverstärker als auch Endstufen. Sah zuerst vielversprechend aus, war es dann aber doch nicht. Deshalb habe ich auch keinen Link mehr. Im Übrigen erlaube ich mir einen leichten Zweifel, dass der TO diese Schaltung wirklich selbst "erfunden" hat...aber das tut natürlich nichts zur Sache. Gruß Rainer
Rainer V. schrieb: > Hallo, ich meine mich zu erinnern, dass solche Schaltungstopologien im > Netz unter "Zen...irgendwas" zu finden waren/sind. Nöö, das sind normale Class-A-Schaltungen. > Da gab es sowohl > Vorverstärker als auch Endstufen. Sah zuerst vielversprechend aus, war > es dann aber doch nicht. Deshalb habe ich auch keinen Link mehr. https://www.passdiy.com/project/amplifiers/the-zen-amplifier
ArnoR schrieb: > Nöö, das sind normale Class-A-Schaltungen. Ja sowas habe ich im Kopf, aber bei der Suche damals sind mir auch solche Schaltungen unter gekommen, wie die vom TO... Gruß Rainer
Aus der W. schrieb: > siehe Anhang Vielen Dank für die Überarbeitung des Schaltplans. Ich habe daraus für mich entsprechend die Änderungen in meinen Schaltplan übernommen ( siehe Anhang ) Dazu habe ich aus dem ersten von mir gepostetem Schaltplan die beiden Potis ( R9 + R10 ) und die Referenz aus R7 + R8 entfernt. Die Z-Diode ist auch raus. Im neuen Plan liegt über Q1 + Q2 jeweils ein eigenes Poti zu 50 K , womit der Strom über der Basis etwas geringer ist, als in deinem LTspice Modell. Weiter habe ich die Potis auch direkt an den jeweiligen Kollektor und Emitter gelegt, wodurch eine Spannungsänderung am Audioeingang noch stärker auf die Basis der Vorverstärkertransistoren wirkt und so schon wenige Millivolt eine Änderung mehrer Volt am Ausgang bewirken. Weiter habe ich den Symmetrierungswiderstand (R9) der beiden Transistoren an der Basis etwas geringer gewählt, um den gerade beschriebenen Effekt deutlicher hervor treten zu lassen. Insgesamt komme ich am 8 Ohm Lautsprecher jetzt auf 2,2 Watt Sinusleistung und bedanke mich bei dir für die gute Hilfe. Freude :D
Ingo S. schrieb: > Freude :D Hatte Dich leider mißverstanden. Als Du schriebst: Ingo S. schrieb: > Frequenzumrichter als Verstärker zu verwenden ...dachte ich daran, "wirklich Leistung rauszubekommen". (Ich hatte - worst case - einen dicken Kasten (FU) im Auge - dachte, ohne Grund nimmt man so etwas nicht...) Ingo S. schrieb: > Irgendwie muss es funktionieren, da mehr Leistung > raus zu holen. Das, hatte ich gedacht, würde die These noch stützen. Deine Zufriedenheit damit (siehe aktuelle Schaltung) überraschte mich sehr - so kann man daneben liegen! ;) Aber wie genau korreliert diese Schaltung mit: Ingo S. schrieb: > Frequenzumrichter als Verstärker zu verwenden Ich versteh's immer noch nicht wirklich... ;)
aber sicher. schrieb: > Ingo S. schrieb: >> Frequenzumrichter als Verstärker zu verwenden > > Ich versteh's immer noch nicht wirklich... ;) Da muss ich etwas weiter ausholen, wie es zu dieser Schaltung kam. Zu Beginn ging es mir darum, eine Art Druckkammerüberwachung zu bauen. Daraus ergab sich schon am Anfang, daß keine frequenzbestimmenden Bauteile enthalten sein können, weil ein elektromagnetisch gesteuerter Kolben jede Position halten können muss, um den Luftdruck konstant halten zu können, aber auch schnell auf Schwankungen reagieren muss. Natürlich kam mir als erster Gedanke ein einfacher Audioverstärker in den Sinn, mit Abstimmung auf meine gedachte Anwendung. Aber die Grundschaltungen des Transistors waren alle samt gleichstrommäßig entkoppelt und ich sah keine Möglichkeit, diesen Umstand zu ändern. Zudem ging aus Reparaturberichten hervor, daß pnp-Transistoren eher zu Defekten neigen. Da musste also was anderes her. Ich habe mir dann Wechselrichter angesehen. Da habe ich für mich das Problem erkannt, daß, ähnlich wie bei Audioverstärkern, komplementär-Transistoren im Einsatz sind. Aus allen Aufzeichnungen, die ich fand, ging hervor, daß komplementäre Bauteile ( npn + pnp Transistoren ) zwar gut aufeinander abgestimmt sind, aber doch im gewissen Maße bauartbedingt zu unterschiedlichen Schaltflanken tendieren. Das ist natürlich Mist, habe ich mir gedacht, weil so der Druckausgleich nicht gleichartig geführt werden könnte. Da waren Wechselrichter auch raus. Jetzt ist es so, daß in Frequenzumrichtern baugleiche Transistoren Verwendung finden. Im Anhang ist eine Beispielschaltung dazu. Natürlich hat mich daran auch etwas gestört, nämlich, daß in der Reihenschaltung aus Transistor-Motor-Transistor, immer eine Stromgegenkopplung vorliegt und so nicht das volle Maß an möglichem Strom durch den jeweiligen Transistor fließen kann. Daher wollte ich die Schaltung des Frequenzumrichters "halbieren". Das hat mich zur Schaltung der Quasi-komplementären Transistoren geführt ( auch Totempole ). Darin findet sich aber zur Stromgegenkopplung der in-reihe-geschalteten Transistoren noch die ungewollte Eigenschaft, daß nur gegen Masse die Spannung geschaltet werden kann. Damit ist also kein Polaritätswechsel möglich. Zudem erzeugt der vorverstärkende Transistor ungleiche Aufteilung der Signalform. Der einzige Vorteil, den ich hierin erkannte, war die Basisschaltung des vorverstärkenden Transistors. Denn die Basisschaltung führt das zu verstärkende Signal weitestgehend unabhängig von den differentiellen Eigenschaften des Transistors an den Abgriff zwischen Kollektor und Kollektorwiderstand...bis zu hohen Frequenzen. Die sollte also drin sein. Da Frequenzumrichter eine Gleichspannung als Versorgung haben, ich aber nur eine Hälfte der Schaltung verwenden wollte, habe ich die Spannungsversorgung auf zwei galvanisch getrennte Stromquellen aufgeteilt. Dadurch ist "mein Cyclotron" praktisch eine asymetrische Halbbrücke eines Frequenzumrichters. Um nun die Ansteuerung zu realisieren, musste ich nur noch einen Differenzverstärker im Gegentakt betreiben und das ausgekoppelte Signal, weil es lediglich spannungsverstärkt ist, auf das Gate von MOSFET geben. Bei meinen Versuchen habe ich dann eben festgestellt, daß ein recht hoher Ruhestrom erforderlich ist, um eine Übernahmeverzerrung im Nulldurchgang einer Amplitude zu vermeiden. Also verstehe ich meine Lösung als asymmetrische Halbrücke in Gegentaktbetrieb mit Grundstrombelastung aus galvanisch getrennter Stromversorgung...eben solch "Cyclotron", wie sich hier herausgestellt hat. Nur mit der Ausgangsleistung hat es gehapert. Nocheinmal Danke an dieser Stelle für die Hilfe :D Musik läßt sich jetzt damit hören und klingt gut. ich poste noch eine Frequenzanalyse vom Handy mit Testton 1 kHz im Abstand von 1 Meter von der verwendeten Box.
Npn versus pnp sind dir zu unsymmetrisch, und das löst du mit Glühlampen anstelle der PNP? Und Glühbirnen gehen seltener kaputt als Pnp Transustoren? Echt jetzt? Halten wir mal fest, dass du für deine sogenannte Erfindung nicht imstande bist, den Sinn und die Motivation zu erklären. Für mich ist das ein schlechtes Plagiat.
Stefanus F. schrieb: > Npn versus pnp sind dir zu unsymmetrisch, und das löst du mit Glühlampen > anstelle der PNP? Nein, Glühlampen statt Sicherung, nicht pnp. > Und Glühbirnen gehen seltener kaputt als Pnp Transustoren? > > Echt jetzt? > > Halten wir mal fest, dass Du das Circlotron-Prinzip nicht verstanden hast. Gibt es Dir nicht zu denken, dass die Simu auch ohne Lampen und p-Typen rennt? Wenn Du das nach der Lektüre von Broskies Circlotronblogs nicht verstehst, hast Du ein Problem. Bist halt eher Programmierer als Analogtechniker. LG old.
@Ingo: Du beschreibst eine ganze Menge Dinge, aber bringst Schaltstufen mit Linearstufen durcheinander, und würzt das Ganze mit einer Menge "dort gelesen, daß" - das geht nicht. Wenn Du einen Teilbereich verstehen willst, mußt Du schon erst mal die elementaren Grundlagen aller Bereiche der Elektronik verinnerlichen - passive sowie aktive Bauteile und beider wichtigste (dann noch die für "Dein" Gebiet relevanten weiteren ...) Eigenschaften bestens kennen. Du kannst 2 * N-Kanal Halbbrücken natürlich! sowohl linear (quasikomp.) als auch als Schaltstufe betreiben - sofern Du die Gates dementsprechend ansteuerst. (Auch bei P+N-Ch.) [Wenn: P+N Brücken böten die altbekannten Vorteile dabei. Steht überall, die meisten favorisieren P+N (vs. Quasi). Das mit "P(NP)=sehr schlecht" stimmt ganz einfach nicht, mittlerweile haben P(NP) zwar immer noch etwas schlechtere Charakteristika als N(PN) Transistoren, sind aber in einem "gewöhnlichen" Audioamp bestens geeignet, null Problemo.)] Also könntest Du auch linear betrieben aus einer solchen FU-Halbbrücke sehr_viel_mehr_Leistung_herausholen ... (mittels Amp mit +/- Versorgung oder Koppel-C drumherum) sofern die Lastimpedanz halbwegs zu den Transistoren paßte (was hier allerdings völlig eindeutig nicht der Fall ist)! :) Das ist der Punkt, den ich nicht verstand. Du gibst Dich hier ja mit Kleinst-Kleinst-Leistung aus richtig, richtig dicken Leistungstransistoren zufrieden. Klar, man müßte schon mit extrem niedriger Lastimpedanz kommen, um speziell_die Transistoren "halbwegs ausnutzen zu können" - das ist klar. Also von der (effektiven) Nutzung einer FU-Endstufe als Aufdio-Amp ist hier zwar zu sprechen - aber besonders laut und inbrünstig würde ich das nun nicht gerade... Dazu - wie gesagt - eine passende Ansteuerung dazubauen, um die Halbbrücke (ob nun P+N oder N+N, im letzteren Fall z.B. alle 3 Halbbrücken eines 3P FU Moduls parallel, und ob nun linear (*) oder als Klasse D (mit o. g. Einschrkg.)) an einer halbwegs zu den Transistoren passenden Last - und mit der jew. passenden Versorgung - zu betreiben, und eben (wenn man will, sogar richtig_viel ) Leistung rausholen. Verstehst Du nun, was ich mein(t)e, @Ingo? ;) Das Circlotron ist dahingehend schon genial, zwei Ts der gleichen Polarität ohne die etwas (*) störende Asymmetrie bei Quasi-Comp. schön anzusteuern. Aber mich würde Aufwand(Material!) vs. Nutzen hier nicht wirklich befriedigen, das meinte ich damit. (*) Last, but not least: Auch das Quasi-Komp. Prinzip ist bei weitem nicht so schlecht, wie Du zu denken scheinst... Gar nicht kurze Zeit gab es ausschließlich solche Amps. (Nimmst Du vergleichbar "zu ernst", wie die P(NP) Sache.) Mit etwas Mühe (try and error/wiederholen) kann man sogar noch an der Symmetrie arbeiten (an den T/die Ts anpassen, zu dem/denen "unten" passendes dazuschalten), s. Anhang. P.S.: Konzentrier Dich darauf, die Grundlagen zu checken. Wenn die sitzen, kann man komplexeres auch mal verstehen. Vielleicht konnte ich Dich überzeugen, daß da definitiv "mehr rauszuholen sein könnte" - ganz ohne Circlotron. (So genial es auch in besagter Hinsicht sein mag - was auch nicht heißen soll, daß man nicht auch ein solches für höhere Leistung bauen könnte, ist nur nicht nötig.) LG
Ingo S. schrieb: > Zu Beginn ging es mir darum, eine Art > Druckkammerüberwachung zu bauen. > Daraus ergab sich schon am Anfang, daß keine > frequenzbestimmenden Bauteile enthalten sein können, > weil ein elektromagnetisch gesteuerter Kolben jede > Position halten können muss, um den Luftdruck > konstant halten zu können, aber auch schnell auf > Schwankungen reagieren muss. Ingo S. schrieb: > Das ist natürlich Mist, habe ich mir > gedacht, weil so der Druckausgleich nicht gleichartig > geführt werden könnte. > Da waren Wechselrichter auch raus. Ingo S. schrieb: > Musik läßt sich jetzt damit hören und klingt gut. > ich poste noch eine Frequenzanalyse vom Handy mit > Testton 1 kHz im Abstand von 1 Meter von der verwendeten > Box. Nachdem ich das jetzt gelesen habe, frage ich mich, in welchem Märchen wir hier unterwegs sind!! Karl Valentin würde vor Neid erblassen :-) Gruß Rainer
Bei 1kHz , 10 Vss im Abstand von 1 Meter vor der Box zeigt sich diese Frequenzverteilung. Da muß man kein Profi sein, um zu erkennen, daß es eine doch schlechte Tonqualität ist.
Ingo S. schrieb: > Bei 1kHz , 10 Vss im Abstand von 1 Meter vor der Box > zeigt sich diese Frequenzverteilung. > Da muß man kein Profi sein, um zu erkennen, daß es > eine doch schlechte Tonqualität ist. Hallo Ingo, das sieht nach einer HandyApp aus... Wie brauchbar sind diese? Ein Handymikro ist ja von Hause aus als Messmittel vom Ferauenzgang her grottenschlecht, wird das in der App berücksichtigt? Bisher vertrau ich bei solchen Messungen meinem echten Messmikrofon und meiner Arta-Box. Andererseits hat man das Handy immer am Mann.... Old-Papa
Für Röhren ist das Schachtelungsprinzip (Cyclotron) ggf. interessant, weil es keine komplementären Röhren gibt und man so wenn es sein muss ohne Ausgangstrafo auskommen könnte. Von daher wundert es, dass die Art Schaltung nicht schon länger bekannt ist. Mit Trafo am Ausgang macht es dann weniger Sinn - da könnte man besser die Versorgung zusammenfassen und wäre dann bei einer klassischen Push pull Stufe mit 2 primären Windungen am Trafo. Weil eher wenig spannungsmäßige Rückkopplung genutzt wird ist der Verstärker halt nicht besonders linear.
aber sicher. schrieb: > Kleinst-Kleinst-Leistung aus richtig, richtig > dicken Leistungstransistoren Die IRFB7430 habe ich extra rausgesucht. Ich wusste schon vor dem Kauf, daß ich deren Leistungsmerkmale nicht annäherd nutze. Mir ging es um eine bestimmte Eigenschaft. In ersten Versuchen habe ich in der Endstufe IRFZ46N MOSFET verwendet und diese verglichen ( vom Klang her ) mit IRF840 MOSFET. Die IRFZ klangen auffällig besser. Der Grund dafür, wie sich aus dem Datenblatt ergibt, ist das Verhältnis aus Gatespannung zu Drainstrom. Daher habe ich nach MOSFET gesucht, die viel Strom vertragen, weil da meiner Ansicht nach im unteren Lastbereich mit der besten Linearität zu rechnen ist. Der Anhang zeigt einen Ausschnitt des Datenblattes von ONsemiconductors zum Verhältnis zwischen Gatespannung und Drainstrom. Die Grafik lässt bis zu mehreren Ampere eine Gerade erkennen. Deswegen habe ich mir extra DIE Teile ausgewählt und sie klingen im Vegleich zu den IRFZ46N um Welten besser, womit ich meine Annahme zumindest experimentell bestätigt sehe. aber sicher. schrieb: > Das mit "P(NP)=sehr schlecht" stimmt ganz einfach nicht aber sicher. schrieb: > Auch das Quasi-Komp. Prinzip ist > bei weitem nicht so schlecht, wie Du zu denken scheinst Miss dem bitte nicht zu viel Bedeutung bei. Ich wollte es nicht nutzen. Gerade bei dem Quasikomplementär-Prinzip habe ich auch genau gesagt, warum es nicht in Frage kommt. Weil es eben nicht möglich ist, dabei einen Polaritätswechsel am Ausgang zu generieren. Nur beim Schalten gegen den Mittelpunkt eines 1:1 Spannungsteilers wäre der Polaritätswechsel möglich gewesen, wobei aber der Teiler möglichst niederohmig hätte realisiert sein müssen, um auf die ~2 Ampere bei 8 Ohm Lautsprecher kommen zu können und so die Grundstrombelastung der Versorgung um ein Vielfaches höher gelegen hätte, als es jetzt der Fall ist. aber sicher. schrieb: > halbwegs zu den Transistoren passenden Last - und > mit der jew. passenden Versorgung - zu betreiben, und eben > > (wenn man will, sogar richtig_viel ) Leistung rausholen. > > Verstehst Du nun, was ich mein(t)e, @Ingo? ;) Ich verstehe, was du meinst. Die Leistungsmerkmale von Lautsprecher und MOSFET lassen Erwartungen wachsen, die ich nicht in Absicht hatte. Punkto MOSFET habe ich kurz erläutert. Den Lautsprecher habe ich so gewählt, falls er Gleichspannung bekommt in meinen Tests, daß der nicht sofort abfackelt. RICHTIG_VIEL_LEISTUNG wollte ich gar nicht. Es sollte nur für zu Hause genügen, um mp3 oder so ... vom player genügend laut hören zu können - und das geht jetzt :D Jetzt kann ich an der Druckkammerüberwachung weiter arbeiten. aber sicher. schrieb: > Konzentrier Dich darauf, die Grundlagen zu checken. Bin dabei :)
Ingo S. schrieb: > Die Grafik lässt bis zu mehreren Ampere > eine Gerade erkennen. Deswegen habe ich mir extra DIE > Teile ausgewählt und sie klingen im Vegleich zu den > IRFZ46N um Welten besser, womit ich meine Annahme > zumindest experimentell bestätigt sehe. Du übersiehst dabei, dass es sich um eine halblogarithmische Darstellung handelt. Die Abhängigkeit Id=f(Ugs) ist keineswegs linear.
ArnoR schrieb: > Du übersiehst dabei, dass es sich um eine halblogarithmische Darstellung > handelt hab ich gesehen. Streckt man die logarithmische Aufteilung, wird der Graph noch gerader - bzw. steiler, denke ich. Im schlimmsten Fall parabolisch.
Ingo S. schrieb: > Streckt man die logarithmische Aufteilung, wird der Graph > noch gerader, denke ich. Falsch gedacht. Bei so kleinen Strömen verhält sich der Mosfet ziemlich genau gemäß der Theorie: https://de.wikipedia.org/wiki/Metall-Oxid-Halbleiter-Feldeffekttransistor#Sättigungsbereich
Vollzitat aus Wikipedia:
"Im Sättigungsbereich (engl. saturation region, active mode,
Abschnürbereich genannt) verläuft die IDS-UDS-Kennlinie näherungsweise
parallel zur {\displaystyle U_{DS}} U_{DS}-Achse. Das heißt, wird die
Spannung zwischen Drain und Source erhöht, hat dies kaum einen
steigernden Effekt auf den Strom, der zwischen diesen Kontakten fließt.
Die Grenze, ab der sich dieses Verhalten zeigt, wird als {\displaystyle
U_{\mathrm {DS,sat} }=U_{\mathrm {GS} }-U_{\mathrm {th} }} U_{\mathrm
{DS,sat} }=U_{\mathrm {GS} }-U_{\mathrm {th} } definiert. Wie im
Ausgangskennlinienfeld zu sehen, kann allerdings die Eingangsspannung
{\displaystyle U_{\mathrm {GS} }} U_{\mathrm {GS} } genutzt werden, um
den Strom {\displaystyle I_{\mathrm {DS} }} I_{\mathrm {DS} } direkt zu
beeinflussen. In diesem Fall verhält sich der Transistor wie eine durch
die Eingangsspannung {\displaystyle U_{\mathrm {GS} }} U_{\mathrm {GS} }
gesteuerte Stromquelle.[7]..."
Die zuvor angehängte Grafik zeigt das Verhältnis zwischen
IDS/UGS und nicht IDS/UDS !
Da in meinem Anwendungsfall die Quellspannung
weitestgehen als konstant anzunehmen ist, bleibt im
unbelasteten Fall die Spannung über DS unverändert und
der fließende Strom liegt mit rund 40 mA bei vorgespanntem
Gate ( etwa 3,1 Volt ) weit über den spezifizierten 250 uA
im Sättigungsbereich.
Ingo S. schrieb: > Die zuvor angehängte Grafik zeigt das Verhältnis zwischen > IDS/UGS und nicht IDS/UDS ! Ja und? Genau davon rede ich ja auch: ArnoR schrieb: > Die Abhängigkeit Id=f(Ugs) ist keineswegs linear. Ingo S. schrieb: > Da in meinem Anwendungsfall die Quellspannung > weitestgehen als konstant anzunehmen ist, bleibt im > unbelasteten Fall die Spannung über DS unverändert und > der fließende Strom liegt mit rund 40 mA bei vorgespanntem > Gate ( etwa 3,1 Volt ) weit über den spezifizierten 250 uA > im Sättigungsbereich. Eben, und darum gilt die letzte Gleichung in dem Abschnitt in Wikipedia: Id=Kp/2*(Ugs-Uth)² Allenfalls kann man wegen der großen Steilheit deines Transistors gegenüber dem IRF840 geltend machen, dass nur ein kleinerer Teil der Eingangskennlinie durchlaufen wird.
Ingo S. schrieb: > Jetzt kann ich an der Druckkammerüberwachung weiter > arbeiten. ...und jetzt bin ich wieder gespannt! Vor allem was das jetzt gebastelte Teil dazu beitragen wird!! Gruß Rainer
Mit "FU" scheint ja etwas anderes gemeint gewesen zu sein, als ich darunter verstehe. Rainer V. schrieb: > was das jetzt gebastelte Teil dazu beitragen wird!! Nun, das liegt im Auge des Betrachters... mir kommt es so vor, daß das Hauptproblem in einer recht großen Menge falscher Annahmen besteht (resultierend aus Unwissen, stattdessen einer großen Menge angelesenem Halbwissen). Und 4Q Steller als Schaltstufe kann natürlich ebenfalls das grundlegend selbe leisten wie einer als Linearstufe. Z.B. dieser Umstand scheint Ingo gar nicht bekannt. Imho sollten wieder mal die grundlegenden Probleme zur Sprache gebracht werden (ich meine konkret (!)), anstatt eigene Lösungsversuche zur Verbesserung/Perfektionierung vorzulegen. Ich bezweifle, mit der Meinung völlig falsch zu liegen.
Solche Konzepte mit floatenden Eingängen, floatenden Ausgängen und floatenden mehrfachen Versorgungen sind in der Praxis nur schwer umzusetzen. Man kriegt damit massive Probleme bei der EMV (Störempfindlichkeit, Störaussendung). FETs können sehr schwingfreudig sein. Bei Röhren (z.B. EL84) hatte man früher Widerstände im Steuer- und Schirmgitter gegen Schwingneigung vorgesehen.
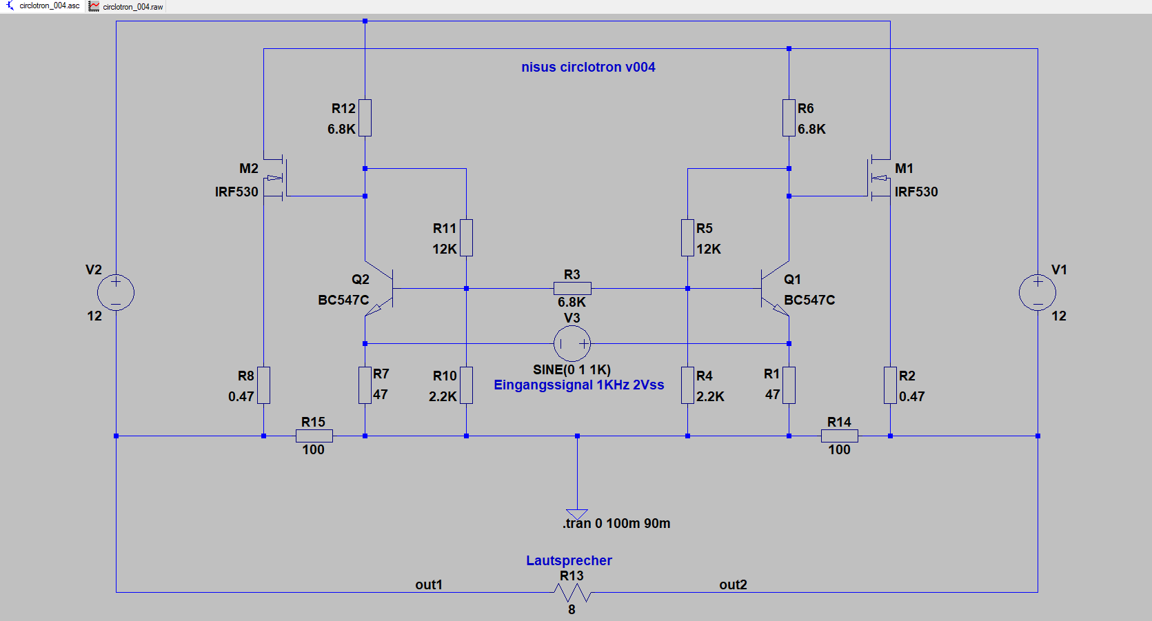
Ich habe jetzt die Schaltung verändert. Das Grundprinzip ist unverändert. Bei der neuen Anwendung mit galvanisch getrennter Spannungsversorgung der Vorverstärkung, war die Temperaturdrift der MOSFETn nicht unter Kontrolle zu halten. Um das Problem zu verringern, liegen die Glühlampen jetzt in Stromgegenkopplung an den MOSFETn und das funktioniert in meiner Schaltung. Dazu sind die Lampen jetzt auch 12 V/ 20 W Exemplare. Sinus schafft der Verstärker jetzt Vpp = 20 Volt bei maximaler Amplitude.
Bitte melde dich an um einen Beitrag zu schreiben. Anmeldung ist kostenlos und dauert nur eine Minute.
Bestehender Account
Schon ein Account bei Google/GoogleMail? Keine Anmeldung erforderlich!
Mit Google-Account einloggen
Mit Google-Account einloggen
Noch kein Account? Hier anmelden.










