Hallo, nachdem mein alter Sensor nicht genau genug ist und die aus China noch lange brauchen, ich aber welche brauche um in den Urlaub zu können, baue ich gerade einen provisorisch nach (gleiche Schaltung wie die Chinesischen haben sollen, siehe Andreas Spieß https://www.youtube.com/watch?v=udmJyncDvw0). Nun sagt er der 555 habe max 500kHz (das lese ich auch überall), deswegen sind die China-Sensoren mit weniger Frequenz als für das beste Messergebnis gut wäre (ca. 800kHz). Dann zeichnet er eine Schaltung die ich gerade nachbaue (obiges Video bei 7:25s). Allerdings fehlte mir ein Bauteil, weshalb ich nachgerechnet habe welche Frequenz das ergibt mit den Bauteilen in seiner Schaltung und welche ich nehmen kann. Das Ergebnis mit den Bauteilen die laut ihm drauf sind ist 867kHz. Also kann der 555 nun doch so viel oder ist das ein Fehler und ich muss unter 500kHz bleiben? Glaube ich hab das Problem erkannt das ist ein neuerer 555 oder? Ich hab nur den NE555 als Bauteil noch rumliegen, also 500kHz richtig?
Bernd B. schrieb: > Ich hab nur den NE555 als Bauteil noch rumliegen, also 500kHz richtig? Der NE555 wird da schon am Ende sein. Der TLC555, wie im Video beschrieben, ist erheblich schneller.
Ok, das hatte ich überhört.... Dann lasse ich meinen knapp unter 500k laufen.
Bernd B. schrieb: > Also kann der 555 nun doch so viel oder ist das ein Fehler und ich muss > unter 500kHz bleiben? Eine konstante Frequenz beliebiger Grösse kann man doch einfach mit einem astabilen Multivibrator oder einem LC-Oszillator erzeugen.
Habs aufgebaut mit 3,3k statt 1,6k und läuft. Musste allerdings noch nen Tiefpass in die VCC Leitung bauen da der Timer sonst Schwingungen drauf brachte die das Messergebniss ungenau gemacht hatten (10R oder 100R mit 47uF)
hinz schrieb: > Bernd B. schrieb: >> Ich hab nur den NE555 als Bauteil noch rumliegen, also 500kHz richtig? > > Der NE555 wird da schon am Ende sein. Der TLC555, wie im Video > beschrieben, ist erheblich schneller. Eindeutig klar. Und diese CMOS-Version, TLC555 und LMC555, haben zusätzlich noch viele Vorteile. Wenn interessiert, dann empfehle ich diesen Elektronik-Minikurs: "LMC555 und TLC555 (CMOS) im Vergleich mit NE555 (BJT)" http://www.elektronik-kompendium.de/public/schaerer/test555.htm Gruss Thomas
Thomas B. schrieb: > Der TLC555 ist wirklich gut und schnell. > Aber auch zickig. Was genau meinst Du mit zickig? Gruss Thomas
Thomas S. schrieb: >> Der TLC555 ist wirklich gut und schnell. >> Aber auch zickig. > > Was genau meinst Du mit zickig? Ich würde eher den 555 als zickig bezeichnen. Insbesondere, wenn man den Parallel-Stützkondensator direkt an den Betriebs- spannungsanschlüssen des ICs vergisst.
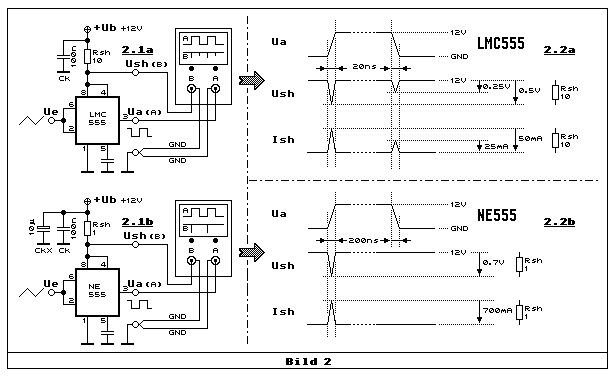
Hallo Harald, *** Achtung Thomas B. (thombde), bitte hier mitlesen! *** Harald W. schrieb: > Thomas S. schrieb: > >>> Der TLC555 ist wirklich gut und schnell. >>> Aber auch zickig. >> >> Was genau meinst Du mit zickig? > > Ich würde eher den 555 als zickig bezeichnen. Insbesondere, > wenn man den Parallel-Stützkondensator direkt an den Betriebs- > spannungsanschlüssen des ICs vergisst. Das ist korrekt. Und warum das so ist und nicht bei der CMOS-Version, ist ausführlich beschrieben im Kapitel "Zu grosse Stromimpulse auf der Speiseleitung" mit Bild 2 im bereits erwähnten Elektronik_Minikurs: http://www.elektronik-kompendium.de/public/schaerer/test555.htm Thomas B. (thombde) bitte lies diesen Inhalt, dann wirst Du ganz genau verstehen, wie es zu diesem Zicken kommt. Und wenn eine Unklarheit trotzdem nach dem Lesen noch besteht, dann melde Dich einfach wieder und ich unterstütze Dich. Gruss Thomas
Thomas S. schrieb: > hinz schrieb: >> Bernd B. schrieb: >>> Ich hab nur den NE555 als Bauteil noch rumliegen, also 500kHz richtig? >> >> Der NE555 wird da schon am Ende sein. Der TLC555, wie im Video >> beschrieben, ist erheblich schneller. > > Eindeutig klar. Und diese CMOS-Version, TLC555 und LMC555, haben > zusätzlich noch viele Vorteile. Wenn interessiert, dann empfehle ich > diesen Elektronik-Minikurs: > > "LMC555 und TLC555 (CMOS) im Vergleich mit NE555 (BJT)" > http://www.elektronik-kompendium.de/public/schaerer/test555.htm > > Gruss > Thomas Vielen Dank, werde mir das mal ansehen. Noch was was ich geändert habe für alle die es interressiert: Die Messwerte waren stabil mit dem Tiefpass, aber als ich das Kabel 2,5m lang gemacht hatte (nicht abgeschirmt, Flachband) sprangen die Werte wieder, vermutlich durch EMF. Habe daraufhin beim auslesen des Sensors 50x ausgelesen, immer mit 250uS delay dazwischen, dann Mittelwert gebildet und dann sind die werte +-1 stabil (dauert 10ms). Ps.: Ein einfacher Kondesator VCC - GND hat bei mir nicht geholfen! Ich musste einen Tiefpass machen.
Thomas S. schrieb: > Thomas B. (thombde) bitte lies diesen Inhalt, dann wirst Du ganz genau > verstehen, wie es zu diesem Zicken kommt. > > Und wenn eine Unklarheit trotzdem nach dem Lesen noch besteht, dann > melde Dich einfach wieder und ich unterstütze Dich. He, wie bist Du den drauf. Bin ich dir auf den Schlips getreten? Fahr mal runter. Gruß Thomas.
microSekunden?! Wenns so unheimlich wichtig ist ScHreiBE iCh gerNe maL So, daMIt es nuR LeUte VeRsteheN diE keiNE BesSerWISSeR sinD UNd ABsIchTlich NUr vERstehen wAS siE wOLLEn. Und nebenbei sehe ich gerade im Kompendium den selben Tiefpass den ich durch Experimentieren herausgefunden habe LOL.... Leider hab ich bisher kein Oszi zum Nachmessen, weil das früher immer zu teuer war. Daher musste ich probieren. Aber hab gerade ein billiges und ausreichendes in China entdeckt. Gut, dass die Technik fortschreitet....
Thomas S. schrieb: > Thomas B. (thombde) bitte lies diesen Inhalt, dann wirst Du ganz genau > verstehen, wie es zu diesem Zicken kommt. Ich verwende den “555´er“ schon seit 30 Jahren. Sowohl in der “normalen“ Ausführung als auch in der CMOS-Version. Aber wenn du noch gute Infos für mich hast werde ich das aufsaugen. Abblocken musst Du beide Versionen, sonst kommen Probleme. Gruß Thomas Thomas S. schrieb: > Und wenn eine Unklarheit trotzdem nach dem Lesen noch besteht, dann > melde Dich einfach wieder und ich unterstütze Dich. Danke für die Hilfsbereitschaft. Komme schon selber damit klar.
Thomas B. schrieb: > Thomas S. schrieb: >> Thomas B. (thombde) bitte lies diesen Inhalt, dann wirst Du ganz genau >> verstehen, wie es zu diesem Zicken kommt. >> >> Und wenn eine Unklarheit trotzdem nach dem Lesen noch besteht, dann >> melde Dich einfach wieder und ich unterstütze Dich. > > He, wie bist Du den drauf. > Bin ich dir auf den Schlips getreten? Nein, bist Du nicht. > Fahr mal runter. Ist nicht nötig. Ich war nie hoch. :-) Ich wollte nur zum Ausdruck bringen, was beim Störverhalten (Zicken), durch die nicht richtige kapazitive Beschaltung der Betriebsspannung, nahe beim IC, die Ursache ist und dass dies exakt in Wort und Bild beschrieben ist. Es war also nur ein Hinweis, weil ich eine Doppelspurigkeit vermeiden will. Also, gleich hier in Kürze. Es ist erklärt warum es Sinn macht beim NE555 ein Elko mit 10 µF und parallel ein Kerko von 100 nF einzusetzen und warum beim LMC555 und TLC555 (CMOS) ein Kerko mit 100 nF ausreicht. Kerko = Keramik-Kondensator. Kerkos haben den Vorteil einer niedrigen parasitären Induktivität. Aber ich werde mich bemühen zu versuchen, häufiger den Diplomatie-Modus vor dem Schreiben zu aktivieren. Braucht dann halt etwas mehr Zeit. Ich bin da eher nicht so geübt. Nichts für Ungut. Gruss Thomas
Bitte melde dich an um einen Beitrag zu schreiben. Anmeldung ist kostenlos und dauert nur eine Minute.
Bestehender Account
Schon ein Account bei Google/GoogleMail? Keine Anmeldung erforderlich!
Mit Google-Account einloggen
Mit Google-Account einloggen
Noch kein Account? Hier anmelden.
