Bei Schaltnetzteilen findet man ja öfters NTCs als Einschaltstrombegrenzung. Weiß jemand, ob sich die entsprechend dimensioniert auch für einen Reihenschlussmotor (230V, 1800W) eignen? Er wäre jeweils nur kurz in Betrieb (max. 1 Minute).
Dieter schrieb: > Bei Schaltnetzteilen findet man ja öfters NTCs als > Einschaltstrombegrenzung. Weiß jemand, ob sich die entsprechend > dimensioniert auch für einen Reihenschlussmotor (230V, 1800W) eignen? Er > wäre jeweils nur kurz in Betrieb (max. 1 Minute). Läuft der Motor unter Last an? Dann wird er mit einem Reihen-NTC möglicherweise garnicht mehr anlaufen.
Phasenanschnitt. Harald W. schrieb: > Läuft der Motor unter Last an? Dann wird er mit einem Reihen-NTC > möglicherweise garnicht mehr anlaufen. Max. Drehmoment == Haltemoment. Irgend wann wird er schon anlaufen.
Dieter schrieb: > Er > wäre jeweils nur kurz in Betrieb (max. 1 Minute). Wenn du einen NTC für 10A Dauerstrom findest ... Wahrscheinlich gehts einfacher mit einer Phasenanschnittschaltung (Dimmer), in der ein hochohmiger NTC anstelle des Potis für den Sanftanlauf sorgt. Der Triac braucht ein Kühlblech. Rechne mit 1W Verlustleistung pro A.
Harald W. schrieb: > Läuft der Motor unter Last an? Dann wird er mit einem Reihen-NTC > möglicherweise garnicht mehr anlaufen. Nein, es ist eine Säge. nachtmix schrieb: > Wahrscheinlich gehts einfacher mit einer Phasenanschnittschaltung > (Dimmer), in der ein hochohmiger NTC anstelle des Potis für den > Sanftanlauf sorgt. Gibt es da spezielle Typen dafür? Wenn ich das richtig verstanden habe, würde sich der NTC ja kaum erwärmen, da sogut wie kein Strom zum Gate des Triacs fließt.
nachtmix schrieb: > Wenn du einen NTC für 10A Dauerstrom findest ... https://www.tdk-electronics.tdk.com/inf/50/db/icl_16/P27.pdf
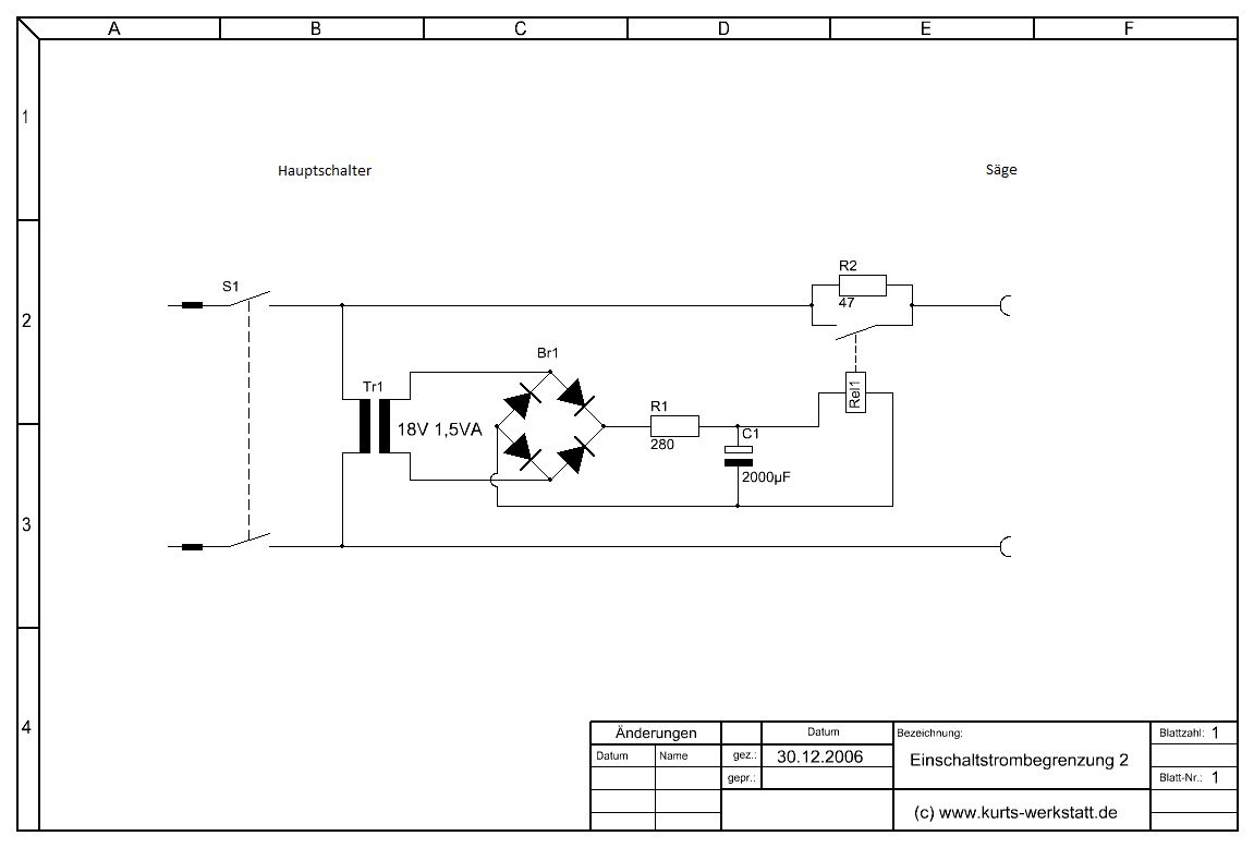
Ein dicker NTC (oder mehrere kleinere in Parallelschaltung) geht für sowas, wenn der eine Sekunde nach dem Start mit einem Relais überbrückt wird.
Ben B. schrieb: > ... wenn der eine Sekunde nach dem Start mit einem Relais überbrückt wird. Dazu braucht man keinen NTC, ein normaler Widerstand tut's dann auch. Gruß, Bernd
Moin, diese Schaltung funktioniert bei meiner Makita 1800W Kreissäge einwandfrei.
Peter P. schrieb: > Moin, diese Schaltung funktioniert bei meiner Makita 1800W Kreissäge > einwandfrei. Ja, wohl unbelastet. Außerdem unvollständig beschrieben. Die Leistungsangaben vom Widerstand fehlen.
Wie man sieht ist die Schaltung nicht von mir; rechnen kann man dann wohl alleine.
Bitte melde dich an um einen Beitrag zu schreiben. Anmeldung ist kostenlos und dauert nur eine Minute.
Bestehender Account
Schon ein Account bei Google/GoogleMail? Keine Anmeldung erforderlich!
Mit Google-Account einloggen
Mit Google-Account einloggen
Noch kein Account? Hier anmelden.
