Hallo Mikrocontroller community, ich habe eine Schaltung für Temperatur Messung und ich möchte dass die Eingänge auch für 0...20mA konfigurierbar sein. ich möchte also eine Umstellung/schalter der zwischen 2 Optionen Schaltet. entweder PT oder 0..20mA. ==> eine Schaltung für die 2 Optionen. vorschläge?? danke im Voraus VG AD
https://www.reichelt.de/schiebeschalter-miniatur-loetanschluss-2x-um-t-219-p19977.html?&trstct=pos_0
Hallo, ich verstehe es so dass du eine Schaltung hast die einen PT100-Eingang besitzt und du dort alternativ ein 4-20mA Signal einspeisen willst? Dass hieße dass du also eine Schaltung brauchst die ein 4-20mA Signal auf eine PT100 Simulation ummünzt? Dir ist klar dass ein PT100 nichtlinear ist, und deine Meßschaltung einen Konstantstrom liefert um über diesem die Spannung messen zu können? Beides macht die Sache kompliziert, ich würde es nicht versuchen wollen. Gruß Anselm
Ahmed D. schrieb: > ich habe eine Schaltung dann zeige uns mal deine vorhandene Schaltung, also das Schaltbild! Welchen Temperaturbereich überstreicht deine PT100-Anschaltung? Wird da irgendetwas kennlinienkorrigiert (in der HW/SW)?
Helmut K. schrieb: > dann zeige uns mal deine vorhandene Schaltung ich möchte direkt nach den Klemmen eine andere kleine Schaltung für 0...20mA die auch direkt in ADC gehen, und möchte aber irgendwie eine umschaltung zwischen den beiden Optionen, sodass ich es konfigurieren kann welches Signal ich mit dem ADC anschließen kann.
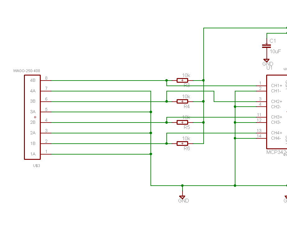
erstmal noch 2 Fragen: - welche Spannung liegt denn an der Leitung, welche die 4 10k-Widerstände miteinander verbindet (letztendlich die ganz oben gezeichnete) und wo kommt diese her (Betriebsspannung, Referenzspannung)? Und: - wie sind denn jetzt die PT100 angeschlossen? Etwa zwischen 1A und 1B usw., so dass diese mit den 10k einen Spannungsteiler von ca. 1:100 bilden?
Helmut K. schrieb: > - welche Spannung liegt denn an der Leitung, welche die 4 > 10k-Widerstände miteinander verbindet (letztendlich die ganz oben > gezeichnete) und wo kommt diese her (Betriebsspannung, > Referenzspannung)? Und: 3v3 ist die Betriebspannung. Helmut K. schrieb: > wie sind denn jetzt die PT100 angeschlossen? Etwa zwischen 1A und 1B > usw., so dass diese mit den 10k einen Spannungsteiler von ca. 1:100 > bilden? ein Draht auf GND und ein mit Spannungsteiler zu ADC
Lass deine 4 bis 20 mA doch einfach über einen Widerstand fließen und miss die Spannung über dem Widerstand. Machen wir in der Uni bei den agilent Geräten so. Die haben immer nur zwei Strom- aber 20 Spannungseingänge. Musst nur n guten Widerstand nehmen, dann wird's auch genau.
Ahmed D. schrieb: > eine Schaltung für Temperatur Messung Wenn man die hochgeheime Schaltung kennen würde, dann könnte man eventuell einen Tipp geben, wie man diese unbekannte Schaltung dazu überredet, einmal PT100 und einmal 0...20mA zu akzeptieren. Aber ohne jegliche Angaben ist das ein wenig zu viel verlangt, meinst du nicht auch?
Ahmed D. schrieb: > vorschläge?? Pt100 Signalaufbereitung abtrennen, 0-20mA Signalkonditionierer dazu und per Schalter umschalten. Und jetzt kommt es drauf an, wie dein Pt100-Messwertumformer arbeitet.
Mag ja sein, dass ich irgendwo falsch abgebogen bin, aber: Was hat der Sensortyp mit der Versorgung zu tun? Üblich sind meist 4 (und nicht 0) bis 20 mA. Dann muss Deine Schaltung aber auch mit den 4 mA auskommen...
Sebastian S. schrieb: > Was hat der Sensortyp mit der Versorgung zu tun? Wenn er einen Eingang 0..20 mA haben will, braucht er für den Sensor eine eigene Stromversorgung (für einen Pt100 nicht). Die Chance dass das dem TO nicht klar ist beträgt 100%. Georg
Sebastian S. schrieb: > Üblich sind meist 4 (und nicht 0) bis 20 mA. Dann muss Deine Schaltung > aber auch mit den 4 mA auskommen... Das kommt drauf an, ob der Sensor für 2-Draht Betrieb ausgelegt ist oder der Ausgang einfach nur als Stromschnittstelle spezifiziert ist. Das sollte sich aber anhand der Anzahl der Anschlüsse heraus kriegen lassen, manchmal hilft auch gezieltes Lesen im Datenblatt/Handbuch.
Ahmed D. schrieb: > 3v3 ist die Betriebspannung. > > Helmut K. schrieb: >> wie sind denn jetzt die PT100 angeschlossen? Etwa zwischen 1A und 1B >> usw., so dass diese mit den 10k einen Spannungsteiler von ca. 1:100 >> bilden? > > ein Draht auf GND und ein mit Spannungsteiler zu ADC Damit könnte man gerade einen PT1000 messen. Beim Pt100 wird die Auflösung ziemlich dürftig, aus dem Bauch heraus nur 1/10. Der PT100 vertägt mindestens 1 mA bis die Eigenerwärmung eine Rolle spielt. Aber Ahmed ist damit offensichtlich zufrieden. Georg schrieb: > Wenn er einen Eingang 0..20 mA haben will, braucht er für den Sensor > eine eigene Stromversorgung (für einen Pt100 nicht). Dann stört doch nur der 10 K Widerstand. Für die Stromschleife braucht man dann am Eingang zu Masse einen Widerstand der bei 20 mA ca. 3,0 V erzeugt. das wird wohl der der obere Pegel des ADC sein. Das sind dann 3,0 V / 20 mA = 150 Ohm. Ich würde aber Massnahmen gegen Überspannung vorsehen. mfg Klaus
Ich staune über die vielen Antworten auf die Freitagsfrage, obwohl mir noch nicht einmal klar geworden ist, was der TO überhaupt will. Vielleicht weiß er das auch selber nicht. Die drei Scheiben Salami ergeben noch keine Wurst.
Bitte melde dich an um einen Beitrag zu schreiben. Anmeldung ist kostenlos und dauert nur eine Minute.
Bestehender Account
Schon ein Account bei Google/GoogleMail? Keine Anmeldung erforderlich!
Mit Google-Account einloggen
Mit Google-Account einloggen
Noch kein Account? Hier anmelden.
