Hallo! Kurz zur Erklärung der Anwendung: Ich möchte meine Klingelanlage smart machen, so ähnlich wie Nello, nur halt DIY, dadurch ohne Cloud und Nello ist ja jetzt sowieso pleite. Ich möchte eine 12V AC Leitung mit max 600mA jeweils für 2-3 Sekunden mit einem Mikrocontroller elektronisch, also ohne Relais, schalten. Wenn man 230V AC schalten möchte, kann man ja einen Optokoppler mit Triac-Ausgang (z.B. el305x) verwenden, welcher dann einen Lasttriac schaltet. Im Datasheet des el305x steht bei Output "Peak repetitive surge current 1A". Ich verstehe das als sich wiederholende Stromspitzen, aber kein Dauerstrom. Es steht aber nichts zum Dauerstrom. Kann ich dieses Bauteil für meine Anwendung ohne einen separaten Lasttriac verwenden? Und noch eine weitere Frage bezüglich meiner Anwendung: So wie auch der Nello, würde ich das Gerät gerne über die 12V AC der Klingelanlage betreiben. Hier ist aber das Problem, dass man die 12V zum öffnen der Tür kurzschließen muss(was ich eben mit dem Optokoppler machen will). Dadurch fällt die Stromversorgung natürlich kurzzeitig aus. Wisst ihr wie Nello das macht? Hat der einen kleinen LiPo drinnen oder machen die das irgendwie über einen hochkapazitären Kondensator? Es geht halt um ca. 3 Sekunden einen ESP8266 am Laufen zu halten und ich würde mir gerne wenn möglich eine Ladekontrollschaltung für einen LiPo sparen. Wenn ich das richtig rechne, verbraucht ein esp8266 ca 100mA bei 3,3V, also 330mW. Einen Kondensator auf 12V müsste dann für 3sek ca 30A abgeben, also eine Kapazität von 7,5mF haben. Natürlich sind hier keine Verluste und der Spannungsabfall einberechnet, aber ein 33mF Kondensator müsste in meinen Augen reichen. Was sagt ihr dazu? Vielen Dank, Christoph
Christoph K. schrieb: > Ich möchte eine 12V AC Leitung mit max 600mA jeweils für 2-3 Sekunden > mit einem Mikrocontroller elektronisch, also ohne Relais, schalten. Da ja wohl nicht gerade im Sekundenabstand geklingelt wird, wäre hier ein mechanisches Relais wesentlich sinnvoller.
Die werden wie du vermutest wohl einen Akku oder großen Kondensator verwenden. Schau Dir mal PhotoMOS Relais an: https://www.conrad.de/de/p/panasonic-aqv252g-photomos-relais-1-st-1-schliesser-60-v-dc-60-v-ac-2-5-a-polzahl-6-504861.html
Harald W. schrieb: > Da ja wohl nicht gerade im Sekundenabstand geklingelt wird, > wäre hier ein mechanisches Relais wesentlich sinnvoller. Hier spricht für mich die Größe als auch das Ansteuern des Relais dagegen. Ich glaube nicht, dass der ESP8266 mit 3,3V es schafft, ein Relais vernünftig zu schalten. Stefanus F. schrieb: > Schau Dir mal PhotoMOS Relais an: > https://www.conrad.de/de/p/panasonic-aqv252g-photomos-relais-1-st-1-schliesser-60-v-dc-60-v-ac-2-5-a-polzahl-6-504861.html Das schaut schon sehr interessant aus. Dürfte wohl genau das sein, was für mein Anwendungsgebiet gedacht ist. Nur aus Interesse: Glaubst du würde der el305x auch funktionieren oder wären die 600mA zu viel für den?
Den el205x halte ich für nicht richtig : On-State RMS Current 100mA Das ist einfach zu wenig. Gruß Daniel
DanielF schrieb: > Den el205x halte ich für nicht richtig : On-State RMS Current 100mA > > Das ist einfach zu wenig. > > Gruß > Daniel Vielen Dank, ich habe jetzt nochmal nach dem Datasheet gesucht, aber auf dem, das Reichelt verlinkt hat, steht tatsächlich kein On State Current... Habe aber jetzt auch das gefunden, welches du wahrscheinlich hast. Damit erübrigt sich der Einsatz wohl definitiv und es wird ein PhotoMOS werden.
Christoph K. schrieb: > Ich glaube nicht, dass der ESP8266 mit 3,3V es schafft, ein Relais > vernünftig zu schalten. Du basierst dein Basteln auf Glauben statt Wissen ? https://www.mikrocontroller.net/articles/Relais_mit_Logik_ansteuern Christoph K. schrieb: > Ich möchte eine 12V AC Leitung mit max 600mA jeweils für 2-3 Sekunden > mit einem Mikrocontroller elektronisch, also ohne Relais, schalten Warum soll man das möchten, ein Relais tut es wunderbar, zudem bei den bis 1000V die eine konventionelle Klingel auf die Leitung legt, Stichwort Elektrisierapparat. Christoph K. schrieb: > Hat der einen kleinen LiPo drinnen oder > machen die das irgendwie über einen hochkapazitären Kondensator 2-3 Sekunden ein 12V Relais wie https://m.reichelt.de/signalrelais-smd-12-vdc-2-a-2-wechsler-g6s-2f-12dc-p243086.html?&trstct=pol_12 zu versorgen braucht einen 22uF Elko, da muss man nicht auf solche Scheiss-Lösungen wie nach 5 Jahren kaputte LiPo Akkus zurückgreifen.
Christoph K. schrieb: > Ich glaube nicht, dass der ESP8266 mit 3,3V es schafft, ein > Relais vernünftig zu schalten. Das erwartet auch niemand. Jeder vernünftige Mensch hängt da einen Transistor zwischen GPIO des ESP8266 und die Relaisspule.
Wolfgang schrieb: > Das erwartet auch niemand. Jeder vernünftige Mensch hängt da einen > Transistor zwischen GPIO des ESP8266 und die Relaisspule. Ist mir klar, nur warum soll ich mehr und größere Bauteile verwenden, wenn es mit einem einzelnen kleinen auch geht.
Christoph K. schrieb: > Wenn man 230V AC schalten möchte, kann man ja einen Optokoppler mit > Triac-Ausgang (z.B. el305x) verwenden, welcher dann einen Lasttriac > schaltet. Und für 12V AC kann man einen Brückengleichrichter und einen MOSFET verwenden, vorausgesetzt du kannst auf knapp 2V verzichten.
Christoph K. schrieb: > Ist mir klar, nur warum soll ich mehr und größere Bauteile verwenden, > wenn es mit einem einzelnen kleinen auch geht. Dann nimm ein SSR, z.B. den ASSR1611
Hallo Christoph, ich verwende zum Schalten einer 25 W Glühlampe bei Netzspannung einen MOC 3041. Wenn die Lampe kalt ist, ist der Strom bei den ersten Perioden ca. 800 mA, dann ca. 100 mA, funktioniert problemlos und ist sehr preiswert (< 1 Euro). Schaltet ab LED Strom von 4 mA dirkt über µC Ausgang.
Christoph K. schrieb: > Glaubst du würde der el305x auch funktionieren oder > wären die 600mA zu viel für den? Ich würde eher dazu raten, das PhotoMOS Relais großzügig auszulegen, denn die maximale Belastung vertragen Bauteile immer nur unter sehr günstigen Bedingungen.
Christoph K. schrieb: > Im Datasheet des el305x ... Von welchem Hersteller gibt es diesen el305x? Digikey scheint den zumindest nicht zu verkaufen.
Ossi schrieb: > ich verwende zum Schalten einer 25 W Glühlampe bei Netzspannung einen > MOC 3041. Du willst jetzt hier hoffentlich niemanden dazu ermutigen, ein für 115V AC konzipiertes Photo-TRIAC im 230V AC Netz einzusetzen. :-(
hinz schrieb: > Oder doch ein AQH3223 nehmen. Bei den maximal 12mA des ESP8266 GPIO dürfte das ohne Zusatzbeschaltung mit den minimal empfohlenen 15mA I_F für die LED knapp werden.
Wolfgang schrieb: > hinz schrieb: >> Oder doch ein AQH3223 nehmen. > > Bei den maximal 12mA des ESP8266 GPIO dürfte das ohne Zusatzbeschaltung > mit den minimal empfohlenen 15mA I_F für die LED knapp werden. Zwei Portpins parallel schalten.
MaWin schrieb: > Christoph K. schrieb: >> Hat der einen kleinen LiPo drinnen oder >> machen die das irgendwie über einen hochkapazitären Kondensator > > 2-3 Sekunden ein 12V Relais wie > https://m.reichelt.de/signalrelais-smd-12-vdc-2-a-2-wechsler-g6s-2f-12dc-p243086.html?&trstct=pol_12 > zu versorgen braucht einen 22uF Elko, da muss man nicht auf solche > Scheiss-Lösungen wie nach 5 Jahren kaputte LiPo Akkus zurückgreifen. 2-3 Sekunden, wie soll das gehen? Ein 22uF Elko speichert bei 12V gerade mal 1,58mWs an elektrischer Energie. Wenn er die abgegeben hat, ist die Spannung auf Null. Das verlinkte Relais ist aber mit einer Spulenleistung von 140mW spezifiziert. @Christoph Wie wird dein ESP8266 versorgt? Kannst du eine Skizze machen, wie der ESP, die 12V AC, dein Schalter und der Öffner zusammenwirken. Ein 33mF (>20V) Kondensator ist ja nicht gerade klein. Eventuell würde auch ein 5-10F Goldcap für die 3,3V Versorgung des ESP gehen. Das hängt aber von der Schalterlösung ab.
Christoph K. schrieb: > Ich glaube nicht, dass der ESP8266 mit 3,3V es schafft, ein > Relais vernünftig zu schalten. Dafür gibt es bewährte Grundschaltungen. Der ESP wird aber ebensowenig in der Lage sein, den Gatestrom eines beliebigen Triacs zu liefern. Aber mach mal, mehr als nicht funktionieren oder nach kurzer Zeit ausfallen kann kaum passieren. Fachleute würden zum Relais greifen. Wolfgang schrieb: > Und für 12V AC kann man einen Brückengleichrichter und einen MOSFET > verwenden, vorausgesetzt du kannst auf knapp 2V verzichten. Im Prinzip hast Du recht. Im realen Leben ist das nicht immer machbar, weil das Bezugspotential zur Ansteuerung des Transistors fehlt.
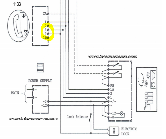
Volker schrieb: > Wie wird dein ESP8266 versorgt? Kannst du eine Skizze machen, wie der > ESP, die 12V AC, dein Schalter und der Öffner zusammenwirken. Siehe Anhang. Die 6 und 9 sind in beiden Plänen gelb eingeringelt. Auf denen liegen im "Ruhezustand" 12VAC an, wenn man den Türöffnerknopf drückt, werden die beiden Pins kurzgeschlossen und es fließt ein Strom von ca 600mA. Im Schaltplan ist SW1 mein aktuell vorhandener Knopf, der dann die Tür aufsperrt wenn ich den drücke. Diesen möchte ich smart machen. In meiner gezeichneten Schaltung habe ich jetzt noch keine Speicherform verwirklicht, der uC würde also sofort bei betätigen des Türöffners (ob manuell oder per PhotoMOS) ausfallen. Wie würdet ihr das am sinnvollsten lösen, dass der uC die 2-3 Sek Türöffnen überlebt? Der esp8266 soll dann eben an den 3,3V vom Spannungsregler hängen und über den Pin "control" die Türe öffnen. Dass es technisch irgendwie lösbar ist beweist Nello, die verwenden genau die gleichen beiden Kabel 6 und 9 für die Stromversorgung als auch fürs Öffnen der Türe.
Volker schrieb: > 2-3 Sekunden, wie soll das gehen? Ein 22uF Elko speichert bei 12V gerade > mal 1,58mWs an elektrischer Energie Stimmt, um Faktor 100 verhauen.
MaWin schrieb: > 2-3 Sekunden ein 12V Relais wie > https://m.reichelt.de/signalrelais-smd-12-vdc-2-a-2-wechsler-g6s-2f-12dc-p243086.html?&trstct=pol_12 > zu versorgen braucht einen 22uF Elko, da muss man nicht auf solche > Scheiss-Lösungen wie nach 5 Jahren kaputte LiPo Akkus zurückgreifen. Selbst wenn ich das Relais kontrollieren könnte, würde mir der esp trotzdem jedes mal abgewürgt werden
Christoph K. schrieb: > Volker schrieb: >> Wie wird dein ESP8266 versorgt? Kannst du eine Skizze machen, wie der >> ESP, die 12V AC, dein Schalter und der Öffner zusammenwirken. > > Siehe Anhang. Die 6 und 9 sind in beiden Plänen gelb eingeringelt. Auf > denen liegen im "Ruhezustand" 12VAC an, wenn man den Türöffnerknopf > drückt, werden die beiden Pins kurzgeschlossen und es fließt ein Strom > von ca 600mA. Der Versorgungsstrom des ESP (laut deinen Angaben ca. 100mA, Peakstrom???) fließt dann ja dauerhaft auch durch den Öffner. Du solltest also testen, ob dieser Strom nicht schon zum Ansprechen des Öffners reicht. Vermutlich nicht bei 600mA Öffnerstrom, aber man weiß ja nie. Teste auch mal, bei welchem minimalem Strom/Spannung der Öffner noch zuverlässig arbeitet. Eventuell kannst du die 12V aufteilen in eine Versorgungsspannung für den ESP, und die Restspannung dann für den Öffner. > In meiner gezeichneten Schaltung habe ich jetzt noch keine Speicherform > verwirklicht, der uC würde also sofort bei betätigen des Türöffners (ob > manuell oder per PhotoMOS) ausfallen. Wie würdet ihr das am sinnvollsten > lösen, dass der uC die 2-3 Sek Türöffnen überlebt? Der C1 in deiner Schaltung ist zu klein, soll laut Datenblatt >10uF sein. Ich würde es mit einem Supercap auf der 3,3V Seite versuchen, habe aber persönlich keine Erfahrungen mit diesen Kondensatoren. Dieser hier dürfte ein ausreichendes Sicherheitspolster bieten: https://www.voelkner.de/products/1066008/VINATech-VLCRS3R8206MG-LIC-Kondensator-20-F-3.8V-15-x-H-10mm-x-30mm-1St..html
Manfred schrieb: > Dafür gibt es bewährte Grundschaltungen. Der ESP wird aber ebensowenig > in der Lage sein, den Gatestrom eines beliebigen Triacs zu liefern. Deshalb hatte ich den ASSR1611 vorgeschlagen. Den Mindeststrom von 5mA wird der ESP über sein GPIO locker schaffen.
Volker schrieb: > Der Versorgungsstrom des ESP (laut deinen Angaben ca. 100mA, > Peakstrom???) fließt dann ja dauerhaft auch durch den Öffner. Du > solltest also testen, ob dieser Strom nicht schon zum Ansprechen des > Öffners reicht. Die 100mA sind ja auf 3V3 d.h. die paar mA auf 12VAC werden hier wohl keinen grossen Unterschied machen. (Hoffe ich zumindest und wie schon einmal gesagt, Nello hat es ja auch geschafft) Volker schrieb: > Der C1 in deiner Schaltung ist zu klein, soll laut Datenblatt >10uF > sein. Da hab ich wohl nicht genau geschaut. Danke für die Info. Volker schrieb: > Ich würde es mit einem Supercap auf der 3,3V Seite versuchen, habe aber > persönlich keine Erfahrungen mit diesen Kondensatoren. An sowas dachte ich auch. Aber wie soll ich das anschliessen? Ohne Vorwiederstand heiz ich den Spannungsregler sofort ab und mit Vorwiederstand wird der Kondensator nie auf 3V(min Vin für den Esp) kommen wenn ich parallel 100mA ziehe. Volker schrieb: > Teste auch mal, bei welchem minimalem Strom/Spannung der Öffner noch > zuverlässig arbeitet. Eventuell kannst du die 12V aufteilen in eine > Versorgungsspannung für den ESP, und die Restspannung dann für den > Öffner. Das kann ich mal testen. Blöde Frage, aber wie splittet man Wechselstrom? Gleich wie Gleichstrom mit 2 Widerständen im richtigen Verhältnis?
Ich würde hier lieber nicht auf den Erfolg von Nello verweisen, denn soweit ich weiß ist die Firma inzwischen pleite.
Stefanus F. schrieb: > Ich würde hier lieber nicht auf den Erfolg von Nello verweisen, denn > soweit ich weiß ist die Firma inzwischen pleite. Zwischen dem technischen und wirtschaftlichen Erfolg gibt es wohl einen kleinen Unterschied. Funktioniert hat das Ding ja ohne Probleme.
Christoph K. schrieb: > Funktioniert hat das Ding ja ohne Probleme. Genau das wage ich zu hinterfragen. Ich habe dazu nämlich ganz anderes gelesen, und zwar, dass dieses Gerät als hoch universell angepriesen wurde, aber in der Praxis nur an wenigen Anlagen (vorwiegend sehr alten) funktioniere.
Volker schrieb: > Der Versorgungsstrom des ESP (laut deinen Angaben ca. 100mA, > Peakstrom???) fließt dann ja dauerhaft auch durch den Öffner. Bestimmt nicht Peakstrom - der ESP8266 braucht im Peak gut 350mA.
Christoph K. schrieb: > Volker schrieb: >> Der Versorgungsstrom des ESP (laut deinen Angaben ca. 100mA, >> Peakstrom???) fließt dann ja dauerhaft auch durch den Öffner. Du >> solltest also testen, ob dieser Strom nicht schon zum Ansprechen des >> Öffners reicht. > > Die 100mA sind ja auf 3V3 d.h. die paar mA auf 12VAC werden hier wohl > keinen grossen Unterschied machen. (Hoffe ich zumindest und wie schon > einmal gesagt, Nello hat es ja auch geschafft) Was meinst du mit ein paar mA auf 12VAC? Der LM2937 ist kein Schaltregler, da wird nichts transformiert. Den Strom auf der 3,3V Seite siehst du auch auf der 12V Seite, und da dein ESP-PS und der Öffner in Serie geschaltet sind fließt der Strom auch durch den Öffner. Und die 100mA bedeuten eine Verlustleistung von ca. 1,3W am LM2937. Wolfgang schrieb: > Bestimmt nicht Peakstrom - der ESP8266 braucht im Peak gut 350mA. Könnte für den Öffner kritisch werden, aber ein Supercap würde vermutlich einiges von diesem Peak abfedern. > An sowas dachte ich auch. Aber wie soll ich das anschliessen? Ohne > Vorwiederstand heiz ich den Spannungsregler sofort ab und mit > Vorwiederstand wird der Kondensator nie auf 3V(min Vin für den Esp) > kommen wenn ich parallel 100mA ziehe. Da würde ich mich trauen, den Kondensator direkt ohne Widerstand an die 3,3V zu hängen. Der LM2937 ist kurzschlussfest und begrenzt den Ausgangsstrom auf etwa 1A. Die Frage ist allerdings, ob der LM2937 rückstromfest ist, d.h. Eingang auf Null, Ausgang auf 3,3V. Es darf hier kein, oder nur ein minimaler Strom fließen, sonst wird der Supercap zu schnell entladen, oder der LM2937 geht über den Jordan. > Volker schrieb: >> Teste auch mal, bei welchem minimalem Strom/Spannung der Öffner noch >> zuverlässig arbeitet. Eventuell kannst du die 12V aufteilen in eine >> Versorgungsspannung für den ESP, und die Restspannung dann für den >> Öffner. > > Das kann ich mal testen. Blöde Frage, aber wie splittet man > Wechselstrom? Gleich wie Gleichstrom mit 2 Widerständen im richtigen > Verhältnis? Klar, Spannungsteiler. Den hast du ja jetzt auch schon. Mit ESP-PS und Öffner in Reihe, teilen die sich bei 100mA die 12VAC auf. Kannst ja mal messen, welche AC Spannung sich am PS und am Öffner einstellt. Wenn der Öffner nicht die vollen 12VAC benötigt, reicht es vielleicht schon, nach dem Gleichrichter (kann auch auf AC Seite sein, ist aber nach dem Gleichrichter einfacher) einen Lastwiderstand einzuschalten, der den Strom durch den Gleichrichter und damit auch durch den Öffner erhöht, und für eine höhere Spannung am Öffner sorgt. Wenn dann noch genug Spannung am Gleichrichter übrigbleibt, könnte sogar der Supercap entfallen.
Ich habe bei meinem Lösungsvorschlag leider einen Aspekt übersehen. Ein großer Kondensator bedeutet auch einen hohen Aufladestrom, der schon den Öffner aktivieren könnte. Im Normalfall wird dieser Pufferkondensator nie ganz entladen, aber wenn nach jedem längeren Stromausfall dann der Öffner betätigt würde, wäre das sicherlich ein absolut unerwünschtes Verhalten. Du solltest also wirklich das Ansprechverhalten deines Öffners herausfinden. Welche "smarte" Funktion hat der ESP in deinem Szenario? Gibt es Alternativen, die weniger Strom und damit einen kleineren Puffer benötigen würden? Eventuell könnte der ESP nur einen gepufferten Zeitschalter (z.B. Monoflop) ansteuern, der den Schaltvorgang/Kurzschluss kontrolliert, und der ESP selbst würde einen Reset-Zyklus durchlaufen.
Volker schrieb: > Welche "smarte" Funktion hat der ESP in deinem Szenario? > Gibt es Alternativen, die weniger Strom und damit einen kleineren Puffer > benötigen würden? Er soll vorerst mal per Smartphone die Türe öffnen können und eventuell baue ich später noch eine Erkennung der Klingel ein, dass ich eine Benachrichtigung aufs Smartphone bekomme, wenn geklingelt wird. Das ist aber sekundär. (Alles über ioBroker) Volker schrieb: > Eventuell könnte der ESP nur einen gepufferten Zeitschalter (z.B. > Monoflop) ansteuern, der den Schaltvorgang/Kurzschluss kontrolliert, und > der ESP selbst würde einen Reset-Zyklus durchlaufen. Hmm. Wäre natürlich eine Überlegung wert. Aber benötigt der Monoflop nicht auch eine Stromversorgung? Oder meinst du die könnte kleiner sein als für den ESP (also ein kleinerer Kondensator, der weniger Probleme verursacht)? Die Klingelanlage werde ich demnächst mal genauer durchtesten, um zu evaluieren was möglich ist, und dann einfach mal ein bisschen probieren. Und vielen Dank Volker für deine vielen konstruktiven Beiträge!
Christoph K. schrieb: > Volker schrieb: >> Eventuell könnte der ESP nur einen gepufferten Zeitschalter (z.B. >> Monoflop) ansteuern, der den Schaltvorgang/Kurzschluss kontrolliert, und >> der ESP selbst würde einen Reset-Zyklus durchlaufen. > > Hmm. Wäre natürlich eine Überlegung wert. Aber benötigt der Monoflop > nicht auch eine Stromversorgung? Oder meinst du die könnte kleiner sein > als für den ESP (also ein kleinerer Kondensator, der weniger Probleme > verursacht)? Ja, so war das gemeint. Mit einem CD4093B und wenigen Bauteilen läßt sich ein Monoflop aufbauen, das nur wenige uA benötigt. Damit einen MOSFET ansteuern, der die DC Spannung am Gleichrichter kurzschließt. Da hier kein PhotoMOS benötigt wird, also auch kein LED Strom, sollte ein kleiner Elko als Puffer für die Versorgung ausreichen.
Volker schrieb: > Ja, so war das gemeint. Mit einem CD4093B und wenigen Bauteilen läßt > sich ein Monoflop aufbauen, das nur wenige uA benötigt. Das gilt nur im statischen Betrieb. Im dynamischen Betrieb liegt der Verbrauch eher bei 100uA.
Mark S. schrieb: > Volker schrieb: >> Ja, so war das gemeint. Mit einem CD4093B und wenigen Bauteilen läßt >> sich ein Monoflop aufbauen, das nur wenige uA benötigt. > > Das gilt nur im statischen Betrieb. Im dynamischen Betrieb liegt der > Verbrauch eher bei 100uA. Das mag schon sein. Aber hier besteht der dynamische Betrieb aus einem einzigen Puls von 2..3 Sekunden Dauer, und bei der ersten Flanke steht die Versorgungsspannung noch an.
Mark S. schrieb: > Im dynamischen Betrieb liegt der Verbrauch eher bei 100uA. Im dynamischen Betrieb ist der Strom proportional zur Schaltfrequenz. Wie kommst du ausgerechnet auf 100µA?
Im Datenblatt findet sich am Schluß ein Diagramm des Stromverbrauches wenn der Eingangspuffer im linearen Bereich angesteuert wird und p- und n-Kanal simultan leiten. Ein Effekt, der gerne übersehen wird, aber gerade bei langsamen RC-Gliedern deutlich zum Tragen kommt.
Bitte melde dich an um einen Beitrag zu schreiben. Anmeldung ist kostenlos und dauert nur eine Minute.
Bestehender Account
Schon ein Account bei Google/GoogleMail? Keine Anmeldung erforderlich!
Mit Google-Account einloggen
Mit Google-Account einloggen
Noch kein Account? Hier anmelden.

