Hi, woran kann es liegen, dass die Schaltung im Anhang in der Simulation nicht läuft? Beide Modelle kommen von der Texas Seite und laufen alleine korrekt aber zusammen läufst nicht. Grüße
Hi schrieb: > Hi, > Datei vergessen. > > Grüße Der TL431 fehlt auch noch - Symbol(.asy) und Modell-Datei. LM317 Modell-Datei?
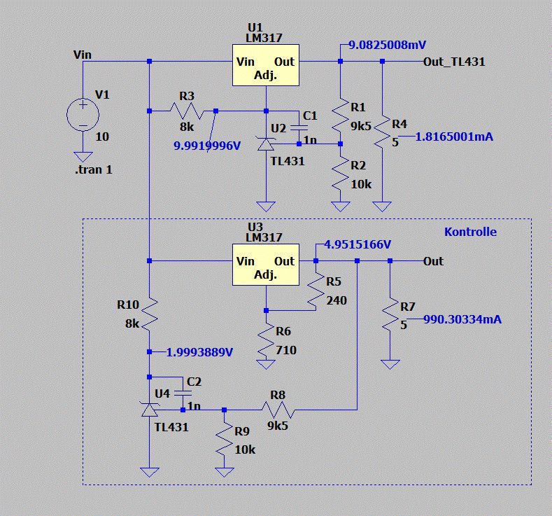
Hi schrieb: > woran kann es liegen, dass die Schaltung im Anhang in der Simulation > nicht läuft? Was läuft denn nicht? Nachtrag: ich hab's mal ausgeführt, jetzt sehe ich es. Das ist ja komisch. Da der Adjust Pin vom oberen LM317 auf fast 10V liegt, müsste auch an dessen Ausgang was heraus kommen. Ich hätte da jetzt so ca. 8-9V erwartet (wenn man sich den TL431 erstmal weg denkt).
> Das ist ja komisch. Da der Adjust Pin vom oberen LM317 auf fast 10V > liegt, müsste auch an dessen Ausgang was heraus kommen. Ach nee, anders herum. Der Pin muss auf Low liegen, damit am Ausgang etwas heraus kommt. Denke Dir mal die TL431 weg, dann ist der Fehler offensichtlich. Dein TL431 würde den Adjust Pin herunter ziehen, wenn die Ausgangsspannung einige Volt hätte. Aber dazu kommt es nicht, weil der LM317 ja gar nichts durch lässt. Sag mal, was soll die Schaltung eigentlich machen? Ich erkenne da keinen Sinn.
Hi, Stefan F. schrieb: > Sag mal, was soll die Schaltung eigentlich machen? Ich erkenne da keinen > Sinn. Die Ausgangsspannung unabhängig von der Temperatur des LM317 machen. Grüße
Hi schrieb: > Die Ausgangsspannung unabhängig von der Temperatur des LM317 machen. Aha, Ok. Ich hätte einfach einen geeigneten Spannungsregler verwendet, anstatt etwas drumherum zu bauen. Hast du denn jetzt verstanden, warum die Schaltung nicht funktionieren kann?
Hi schrieb: > Was ist falsch? Nochmal: Am Anfang ist die Ausgangsspannung Null Volt und der TL431 ist hochohmig. Da der TL431 hochohmig ist, liegt der Adjust Pin vom LM317 auf hohem Pegel, nämlich 10V, was der Eingangsspannung entspricht. Der TL431 hat somit keine Stromversorgung. Das zeigt mein reduzierter Schaltplan im Anhang sehr deutlich. Damit der LM317 arbeiten kann, muss der Adjust Pin auf einer deutlich niedrigeren Spannung liegen, als sein Eingang. --- Wenn du das korrigiert hast, wirst du feststellen, dass dein TL431 exakt falsch herum wirkt. Wenn die Ausgangsspannung zu hoch wird, zieht er den Adjust Pin herunter. Das ist falsch herum. Der Adjust Pin muss angehoben werden, damit der LM317 weniger Strom fließen lässt. In der unteren Schaltung, wo der LM317 alleine arbeitet (ohne den TL431) ist das der Fall. Der Spannungsteiler am Ausgang hebt den Adjust Pin an, wenn die Ausgangsspannung zu hoch wird.
Die Regelung funktioniert nur mit bestimmten Werten des zusätzlichen eingekreisten Spannungsteilers. Wie stark das am Modell oder auch am echten Bauteil liegt weiß ich nicht. Beachte, dass der TL431 mindestens 1mA ziehen muss damt er korrekt arbeitet. Deshalb habe ich den 8k Widerstand sicherheitshalber auf 4.7k reduziert. Alle Dateien in ein Verzeichnis packen.
> Wenn du das korrigiert hast, wirst du feststellen, > dass dein TL431 exakt falsch herum wirkt. Ich nehme den Absatz zurück, war ein Denkfehler. Ich bin schon zu müde heute. Der Teil über dem Gedankenstrich stimmt aber ganz sicher.
Moin, ich denke mal du hast den Dreibein-Regler nicht verstanden. Die Referenz wird mit dem Wert zwischen ADJ- und Out-Pin verglichen. Und die Spannungsteilerregel sagt: wird die Teilspannung konstant gehalten, ist auch die Gesamtspannung konstant. Die Formel zur Berechnung der Ausgangsspannung ist auch die originale Spannungsteilerformel. Grüße
Hi schrieb: > Die Ausgangsspannung unabhängig von der Temperatur des LM317 machen. Soooo temperaturstabil ist ein normaler TL431 aber auch nicht. Die stabileren Typen kosten extra. Hast du dir mal spezielle Referenzspannungsquellen-ICs angesehen? Vielleicht kommst du mit denen besser weg.
Hi, der LM317 in Betrieb recht warm und damit auch seine innere Referenz. Der TL431 reicht von den Werten. Grüße
Hi Helmut S, danke fürs simulieren. Ich habe mal nach anderen Modellen gesucht, aber alle funktionieren nicht richtig. Deine Schaltung geht auch nur mit dem ersten Modell, der Motorroller fährt auch nicht. Einzig der LT1086 macht das was in Datenblatt steht. Wundert mich, dass bei diesem alten Bauteil keiner ein korrektes Modell hat. Grüße
Ich habe eine Lösung für das bisherige TI-Modell gefunden. Ich habe einfach mal Schätzwerte für die erste Iteration angegeben. Jetzt kommen die 5V am Ausgang. .nodeset V(Out_TL431)=4.99 .nodeset V(adj431)=3.75 Alle Dateien sind im Anhang. In LM317.lib habe ich die falschen geschweiften Klammern durch runde Klammern ersetzt. Damit sind jetzt auch die Fehlermeldungen/Warnungen im Log-file weg.
Bitte melde dich an um einen Beitrag zu schreiben. Anmeldung ist kostenlos und dauert nur eine Minute.
Bestehender Account
Schon ein Account bei Google/GoogleMail? Keine Anmeldung erforderlich!
Mit Google-Account einloggen
Mit Google-Account einloggen
Noch kein Account? Hier anmelden.







