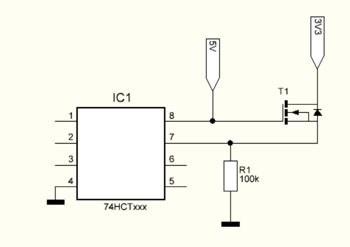
Hallo in die Runde, ich bin schon lange hier als stiller Leser unterwegs. Nun habe ich auch mal ein Problem bzw. eine Frage :) Ausgangsituation: Ein IC (74HCTxxx, z.B. 08) wird an 5 Volt betrieben und druch einen µController mit 3,3 V angesteuert. Das sollte ja soweit kein Problem sein, da die 3,3V für den HIGH-Pegel ausreichen. Es kann vorkommen, dass die Versorgungsspannung des IC (5V) ausfallen, der Mikrocontroller jedoch weiter seine 3,3V Pegel sendet. In diesem Fall würder der Eingang aufgrund VCC ~0V Überspannung sehen. Wie kann ich den Eingang mit einfachen Mitteln schützen? Anhand des Prinzips eines Level-Schifters mit N-Kanal FET habe ich mal folgenden Entwurd gezeichnet (Anhang). Der FET ist nur leitend, wenn am Gate die Versorgungsspannung anliegt. Da aufgrund des Eingangssignals die Drain bzw. auch Source-Spannung auf maximal 3,3V steigt, bleibt der FET auch leitend (z. B. IRLML 6244). Nun zur Frage: Kann das so funktionieren? Gibt es elegantere Lösungen? Ich möchte an der Stelle ergänzen, dass ich am IC erstmal ohne Aufwand keinen Zugriff auf den 3,3V Pegel habe.
Tobias schrieb: > Es kann vorkommen, dass die Versorgungsspannung des IC (5V) ausfallen, > der Mikrocontroller jedoch weiter seine 3,3V Pegel sendet. In diesem > Fall würder der Eingang aufgrund VCC ~0V Überspannung sehen. Wie kann > ich den Eingang mit einfachen Mitteln schützen? Längswiderstand vor dem Eingang.
Hallo, also einfach vor dem Eingang wie in der neuen Zeichnung einen Widertsand in Reihe? Wie sollte dieser dimensioniert sein? Wird die Spannung durch die internen Dioden des IC abgeführt? Sind bei diesem IC also maximal 20 mA dort erlaubt? (Anhang Bild 3) Dann wäre ich ja mit z.B: 100kOhm mehr als sicher.
Mit 1K bist du auch noch sicher und verhunzt dir die Signalflanken nicht so sehr (Eingangskapazität IC2...).
Ok, dann ist mir alles klar denke ich. Danke euch Dietrich L. und Joe F.
Tobias schrieb: > Es kann vorkommen, dass die Versorgungsspannung des IC (5V) ausfallen, > der Mikrocontroller jedoch weiter seine 3,3V Pegel sendet. In diesem > Fall würder der Eingang aufgrund VCC ~0V Überspannung sehen. Wie kann > ich den Eingang mit einfachen Mitteln schützen? Also am Gate 0V und Drain wird auf 3,3V hochgerissen. Am Source passiert nichts, schau mal in welche Richtung die Diode im NFET zeigt ;) Ich würde sagen das passt so!?!
Bitte melde dich an um einen Beitrag zu schreiben. Anmeldung ist kostenlos und dauert nur eine Minute.
Bestehender Account
Schon ein Account bei Google/GoogleMail? Keine Anmeldung erforderlich!
Mit Google-Account einloggen
Mit Google-Account einloggen
Noch kein Account? Hier anmelden.

